 |
|
14.08.2011, 19:49
|
#1
|
|
Простой "автомат" для куллера (терморегулятор)
Живу я тут
Реєстрація: 07.05.2007
Звідки Ви: г. Николаев
Дописи: 3.507
сказав Дякую: 1.826
сказали Дякую 2.096 раз(и) в 1.260 повідомленні

14.08.2011, 19:49
Рейтинг:
(2 голосов - 5,00 средняя оценка)
Добрый день уважаемые форумчане!
Предлагаю обсудить простенький автомат для для охлаждения наших аквариумов (включил и забыл).
На этот шаг меня сподвиг тот факт, что я уже вот какой год, летом теряю половину своих растений, и, казалось бы вполне благополучный ранее аквариум, без признаков водорослей, превращается в царствие въетнамки, нитчатки и их подобным в течении месяца... Долго анализировал ситуацию, потом, когда просмотрел динамику по годам, увидел, что проблемы водорослей и падежа травы обострялись именно летом, когда температура воды в аквариуме за 30 градусов. Не буду вдаваться в подробности, почему это происходит, эта проблема всем известна, и кто захотел понять, почему это происходит, тот понял, перерыв литературу. Перейду к сути: НУЖНО ОХЛАЖДАТЬ!!!!
Кондиционер отметается по причине мнительной супруги (пусть она меня простит, я её очень люблю...) и грудничка в доме. Модули Пелетье по причине их дороговизны, и сомнительности охлаждения такого объёма, лёд в "баклажках" по причине идиотской ситуации с беганьем от морозилки к аквариуму и обратно, и малоэффективности сего процесса и самое главное, случается уезжать, а за аквой некому смотреть.
Отсюда вывод, КУЛЛЕР... На утверждения, типа будет поднимать жесткость воды и испарения, отвечаю, я более не мене серьёзно увлечён аквариумистикой, и потому в хозяйстве имеется осмос, да и 2-3 раза в неделю не сложно попросить родителей, зайти к нам и долить водички, а балкон все время на микровентиляции.
Купил я куллера и оставил на сутки в аквариуме. Итог , по завершению эксперимента вода с 32 градусов упала до 21... И я задумался над изготовлением термореле бесконтактного (электронного).
Скажу разу, что идею подобного термореле я взял из данной статьи http://www.un7ppx.narod.ru/device/cooler.htm, добавив своё понимание дела и некоторые коррективы (добавил транзисторный ключ, а так же думаю приспособить под это дело не отечественную микросхему "самую большую микросхему в мире"  , а импортный аналог, более устойчивый, надёжный, который не так сложно будет найти, со встроенными уже цепями коррекции).
Итак сама схема является сочетанием аналогового компаратора и транзисторного ключа (хотел с начала делать ключ на маломощном тиристоре, но отговорили). Термодатчик являет собой терморезистор, запаянный в водонепроницаемый кожух. Номиналы резисторов на цепь управляющую и цепь сравнения подбираются из выбранной микрухи. При использовании компаратора номиналы сопротивления принимаем раз в 10 меньше чем при использовании операционного усилителя. Но опять же нужно корректировать. Сопротивление ОС подбирается из условия стабильного переключения компаратора (без дребезга в приграничной области переключения). чем больше сопротивление, тем выше вероятность дребезга, но меньше "гистерезис". По опыту использования некоторых "микрух" я выбрал начальное значение 300К.
Вот собственно и все особенности этого простого устройства, позволяющего оставить куллер включенным на несколько дн ей не бояться заморозить рыбу и растения (шутка, в которой доля шутки).
Прошу особо не бить лаптями, так как имел мало опыта в проектировании логических схем с логическими ключами. Обоснованная но высказанная простым, обывательским языком, критика приветствуется.
Флудить не нужно.
ПС: Подбором "микрухи" и "полевика" ещё только занимаюсь, так как мягко говоря немного отстал от современной элементной базы, надеюсь, что люди, занимающиеся электроникой профессионально, не оставят без внимания этот топик, и дадут дельные рекомендации по подбору элементной базы ("микрухи" и "полевика"), а так же внесут необходимые корректировки в данную схему.
Думаю эта тема была кому нибудь полезна...
С ув. Виталик.
__________________
Удобрения на ДТПА . https://www.aquaforum.ua/showthread.php?t=251890
Востаннє редагував Ветал: 01.12.2011 о 22:19..
|
|
Переглядів: 51106
|
|
Ці 14 користувач(ів) сказали Дякую Ветал за це повідомлення:
|
boba88 (21.03.2013), Dyga_ (03.03.2012), dym78 (27.03.2012), igorlab (07.06.2013), Ivanovi4 (18.11.2012), Karas' (27.03.2012), klimnet (13.11.2012), siriys (12.08.2012), steals81 (11.05.2013), vital_ts (22.03.2013), Xимик_UA (14.08.2011), астрик123 (13.07.2012), Витьок (25.03.2012), ЛыССыЙ (18.06.2013) |
14.08.2011, 19:55
|
#2
|
|
Живу я тут
Реєстрація: 07.05.2007
Звідки Ви: г. Николаев
Дописи: 3.507
сказав Дякую: 1.826
сказали Дякую 2.096 раз(и) в 1.260 повідомленні
|
Re: Простой "автомат" для куллера (терморегулятор) ===www.aquaforum.ua===
Надеюсь на комментарии уважаемого Олега Chack-a., который неоднократно помогал мне дельными советами, за что ему большое спасибо...
__________________
Удобрения на ДТПА . https://www.aquaforum.ua/showthread.php?t=251890
|
|
|
14.08.2011, 20:32
|
#3
|
|
Придивляюся
Реєстрація: 04.09.2009
Звідки Ви: Москва
Дописи: 85
сказав Дякую: 16
сказали Дякую 32 раз(и) в 21 повідомленні
|
Re: Простой "автомат" для куллера (терморегулятор) ===www.aquaforum.ua===
На морском форуме есть схемка со всем необходимым, разработчик с пресных аквасов ушел на морские: Термоконтролер DC вентиляторов (ПИД + ШИМ), Кострукция выходного дня
|
|
|
|
Ці 2 користувач(ів) сказали Дякую sergeynim за це повідомлення:
|
|
14.08.2011, 20:52
|
#4
|
|
Живу я тут
Реєстрація: 07.05.2007
Звідки Ви: г. Николаев
Дописи: 3.507
сказав Дякую: 1.826
сказали Дякую 2.096 раз(и) в 1.260 повідомленні
|
Re: Простой "автомат" для куллера (терморегулятор) ===www.aquaforum.ua===
Дело в том, что там обороты регулируются не по схеме однозначного ключа(простите, терминологией я не владею) Там регулирование идёт по принципу усилителя, больший ток на управляющий электрод, больший ток на мотор, а в моей схеме 2 положения: вкл и выкл. Такая схема как по мне будет надёжнее работать, да и ресурс вентиляторов будет больше, так как вентиляторы будут работать в штатном режиме и не постоянно, охладили, отключились...
__________________
Удобрения на ДТПА . https://www.aquaforum.ua/showthread.php?t=251890
|
|
|
15.08.2011, 22:25
|
#5
|
|
Придивляюся
Реєстрація: 04.09.2009
Звідки Ви: Москва
Дописи: 85
сказав Дякую: 16
сказали Дякую 32 раз(и) в 21 повідомленні
|
Re: Простой "автомат" для куллера (терморегулятор) ===www.aquaforum.ua===
|
|
|
|
Ці 3 користувач(ів) сказали Дякую sergeynim за це повідомлення:
|
|
31.10.2011, 01:28
|
#6
|
|
Бан за нарушения
Реєстрація: 31.10.2011
Звідки Ви: Хмельницкий
Дописи: 93
сказав Дякую: 0
сказали Дякую 6 раз(и) в 6 повідомленні
|
Re: Простой "автомат" для куллера (терморегулятор) ===www.aquaforum.ua===
Перегрев летом - проблема существенная, но в вашем случае удобнее было бы поставить обыкновенное тэрморелле. Их в продаже очень много, на самые разнообразные мощности и пороги срабатывания.
Паять самостоятельно...
1 Не факт что вам продадут хорошую микросхему и что всё то будет работать.
2 Вероятность того что микросхема программируемая 50%
3 В основном идут элементы поверхностного монтажа, чипы мом и кмоп, их паяльником не впаять, ставить старые допустим резисторы МЛТ - ненадёжно.
|
|
|
01.12.2011, 14:26
|
#7
|
|
Живу я тут
Реєстрація: 02.11.2010
Звідки Ви: Донецк
Дописи: 122
сказав Дякую: 31
сказали Дякую 37 раз(и) в 28 повідомленні
|
Re: Простой "автомат" для куллера (терморегулятор) ===www.aquaforum.ua===
Приветствую Вас!
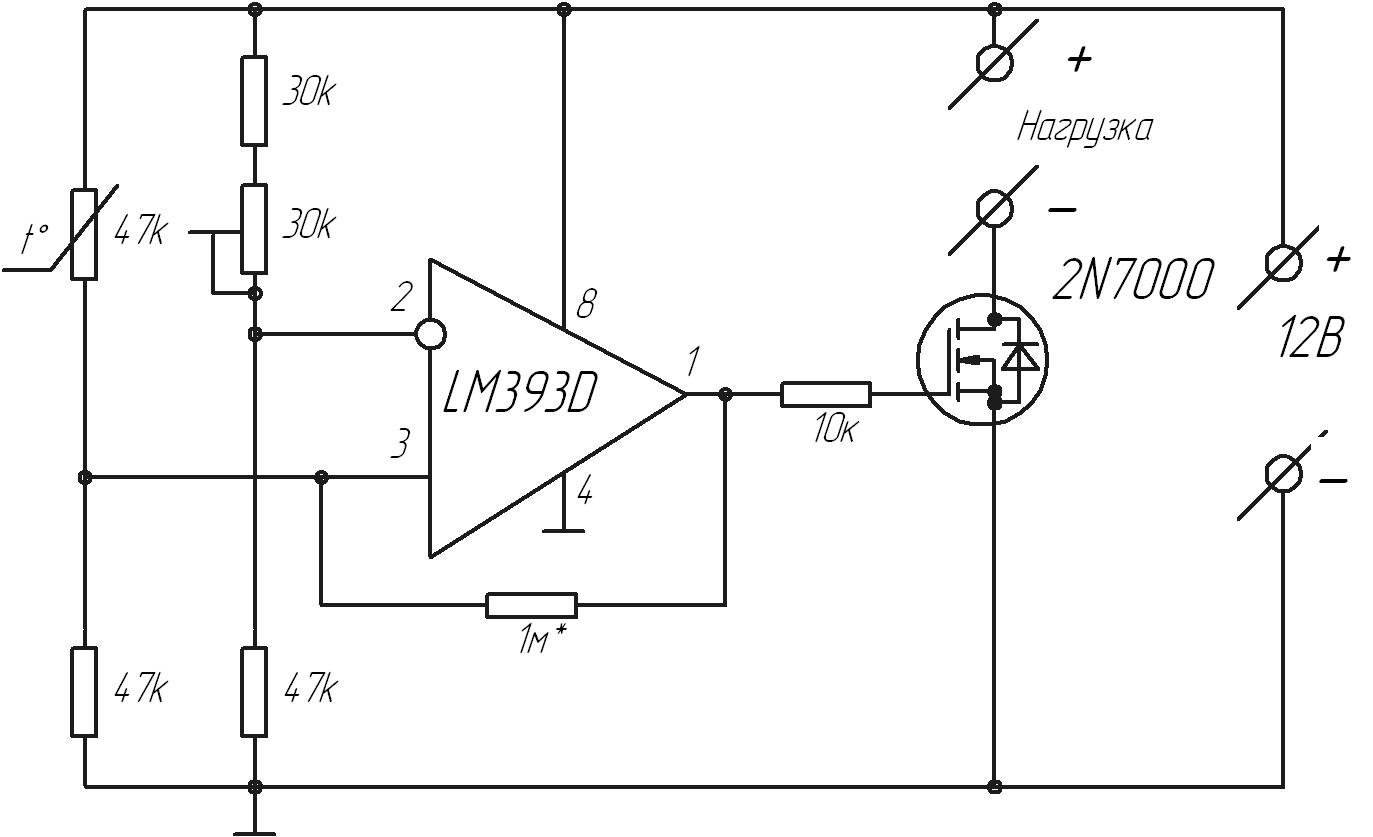
Если еще актуально, то вот такая схемка. Сам недавно такую собрал, только для обогрева нанчика (поменял входы). Ссылку к сожалению не запомнил.
R2 - любой терморезистор с отрицательным ТКЕ например ММТ1 номиналом 10..30кОм. (5,1к у меня не запустился, надо другое плечо компаратора менять).
R1 = R2*2
R3 = R4
R5 = 1 кОм
Q1 - 2N3904, 2N5551 или аналогичный, на ток коллектора 200мА.
R6 = 24 ... 47 Ом (если нужно, чтоб вентилятор вращался на минимальных оборотах при температуре ниже срабатывания датчика).
Есть еще вариант, только с фильтром питания, ну это уже шаманство.
По поводу логики (ЛА7 и пр.) где-то слышал, что не очень надежно, посоветовали именно компаратор LM393 -- кстати у него два выхода! Можно еще что нибудь подвесить.
__________________ 
|
|
|
|
Ці 2 користувач(ів) сказали Дякую Vadim_VD за це повідомлення:
|
|
01.12.2011, 22:52
|
#8
|
|
Живу я тут
Реєстрація: 02.11.2010
Звідки Ви: Донецк
Дописи: 122
сказав Дякую: 31
сказали Дякую 37 раз(и) в 28 повідомленні
|
Re: Простой "автомат" для куллера (терморегулятор) ===www.aquaforum.ua===
Ух!!! Таки MOSFET,овский Транзистор ушарашил!!! Да еще с обратным диодом! Круто!
А найдешь ли 47к терморезистор, или есть? Я только советские до 10К нашел. "Немцы" у нас дороговато стоят.
__________________ 
|
|
|
02.12.2011, 20:42
|
#9
|
|
Живу я тут
Реєстрація: 07.05.2007
Звідки Ви: г. Николаев
Дописи: 3.507
сказав Дякую: 1.826
сказали Дякую 2.096 раз(и) в 1.260 повідомленні
|
Re: Простой "автомат" для куллера (терморегулятор) ===www.aquaforum.ua===
Термик 47 к у нас стоят не помню точно, около 3 грн. Транзистор работает. Схема доведена, номиналы такие как на моей схеме...
__________________
Удобрения на ДТПА . https://www.aquaforum.ua/showthread.php?t=251890
|
|
|
03.03.2012, 12:44
|
#10
|
|
Придивляюся
Реєстрація: 29.06.2011
Звідки Ви: Севастополь
Дописи: 12
сказав Дякую: 2
сказали Дякую 18 раз(и) в 7 повідомленні
|
Re: Простой "автомат" для куллера (терморегулятор) ===www.aquaforum.ua===
Автору спасибо. Собрал "на коленке" 2 таких прибора,работают как часы. Себестоимость деталей около 10 гривен\прибор. единственное что мне "не хватило" подстроечника на 30К для 21"C и пришлось бежать за другим  . Так что ставьте сразу на 50К
|
|
|
|
cказали "Дякую" Dyga_ за цей допис:
|
|
23.03.2012, 13:18
|
#11
|
|
Придивляюся
Реєстрація: 15.06.2009
Звідки Ви: Киев, Отрадный
Дописи: 25
сказав Дякую: 28
сказали Дякую 1 раз(и) в 1 повідомленні
|
Re: Простой "автомат" для куллера (терморегулятор) ===www.aquaforum.ua===
Решил собрать схемку, вот только не нашел полевика 2N7000, чем можно заменить? И еще вопрос по терморезистору, как его лучше загерметизировать, эпоксидкой? Заранее спасибо за помощь!
|
|
|
23.03.2012, 19:09
|
#12
|
|
Живу я тут
Реєстрація: 07.05.2007
Звідки Ви: г. Николаев
Дописи: 3.507
сказав Дякую: 1.826
сказали Дякую 2.096 раз(и) в 1.260 повідомленні
|
Re: Простой "автомат" для куллера (терморегулятор) ===www.aquaforum.ua===
Я использовал этот полевик, так как их везде полно, и стоит он 1.5 грн. Подойдёт любой равный по мощности и по направлению проводимости... Если нет, то подключение его придётся менять.....
Герметизировать можно в любой полимерный компунд, хоть обмазать силиконом... Некоторые тупо герметизируют с термоусадку и заливают парафином...
__________________
Удобрения на ДТПА . https://www.aquaforum.ua/showthread.php?t=251890
|
|
|
|
cказали "Дякую" Ветал за цей допис:
|
|
23.03.2012, 19:14
|
#13
|
|
Живу я тут
Реєстрація: 07.05.2007
Звідки Ви: г. Николаев
Дописи: 3.507
сказав Дякую: 1.826
сказали Дякую 2.096 раз(и) в 1.260 повідомленні
|
Re: Простой "автомат" для куллера (терморегулятор) ===www.aquaforum.ua===
...
__________________
Удобрения на ДТПА . https://www.aquaforum.ua/showthread.php?t=251890
|
|
|
13.11.2012, 11:25
|
#14
|
|
Живу я тут
Реєстрація: 26.11.2008
Звідки Ви: М.Обухів
Дописи: 142
сказав Дякую: 49
сказали Дякую 8 раз(и) в 6 повідомленні
|
Re: Простой "автомат" для куллера (терморегулятор) ===www.aquaforum.ua===
Зібрав я таку схему але чомусь не працює поясніть на малюнку що це, і ще не розумію куди напругу підключити а куди вентилятор.
|
|
|
13.11.2012, 11:46
|
#15
|
|
Бан за нарушения
Реєстрація: 21.06.2010
Звідки Ви: Харьков
Дописи: 775
сказав Дякую: 115
сказали Дякую 463 раз(и) в 234 повідомленні
|
Re: Простой "автомат" для куллера (терморегулятор) ===www.aquaforum.ua===
SpaceV, Это обозначение массы, эти контакты нужно соединить. Вентилятор к нагрузке, питание к 12 в. Даже странно, если Вы в МОСФЕТЕ разобрались, а элементарщину спрашиваете.
Предпалогаю что следующим вопросом будет: -"Что такое МОСФЕТ?".
|
|
|
 |
|
|
Тут присутні: 1 (учасників - 0 , гостей - 1)
|
|
|
Ваші права у розділі
|
Ви не можете створювати теми
Ви не можете писати дописи
Ви не можете долучати файли
Ви не можете редагувати дописи
HTML код Вимк.
|
|
|
Часовий пояс GMT +3. Поточний час: 19:25.
|