На головну сторінку Аквафорум
На головну сторінку




Назад   Аквафорум - форум акваріумістів та тераріумістів > Акваріум та обладнання > "Самоделкин" > Освещение
Аукцион Реєстрація ЧаПи Учасники Календар Нинішні дописи

Примітки

Відповідь
 
Параметри теми Параметри перегляду
Старий 07.12.2010, 18:51   #1
Некоторые аспекты проектирования светодиодного освещения
Придивляюся

Реєстрація: 24.10.2010
Звідки Ви: Израиль
Дописи: 41
 

сказав Дякую: 7
сказали Дякую 125 раз(и) в 21 повідомленні
an-2 an-2 поза форумом 07.12.2010, 18:51
Рейтинг: ()

С момента появления на рынке светодиодов белого света не прекращаются попытки любителей приспособить светодиоды для освещения аквариумов. Постоянно публикуются отзывы о результатах этих опытов и что печально, часто в этих отзывах слышны нотки разочарования. Жаль, что не всегда потенциал светодиодов раскрывается полностью, часто и подход к проектированию светодиодных светильников основывается на опыте проектирования светильников из люминесцентных ламп. Надеюсь, что этот эпос поможет разобраться с часто встречающимися вопросами и поможет энтузиастам смелее использовать светодиоды и получать хорошие и стабильные результаты.

Основные характеристики светодиодов

На рынке предлагается большое количество видов светодиодов, попробуем разобраться с основными из них. Рассмотрим параметры светодиодов, которые важны в нашем случае.

Диаграмма направленности
Леды представленные на рынке имеют угол рассеяния (угол половинной мощности) от единиц до почти 180 градусов, для каждого применения нужен подходящий угол рассеяния. Для рекламного щита необходим большой угол – реклама должна быть хорошо видна с любого угла, у аквариумного освещения задача иная – максимальное количество света должно попасть в воду. Из моего опыта, меньший угол предлагаю ограничит в 15-20 градусов это даст равномерный свет, без пятен пониженной и повышенной освещенности. Большой угол падения света увеличивает отражение от поверхности воды, что ослабляет освещенность в аквариуме. После подсчета был получен график отражения света от поверхности воды в зависимости от угла падения.
См. график
Вертикаль: часть отраженного света
Горизонталь: угол падения светового луча на поверхность

На графике три линии для света различной поляризации, светодиод дает не поляризованный свет (вернее свет с обоими видами поляризации в равных пропорциях), по этому для нас важна желтая линия – усредненная для обоих поляризаций величина. На графике видно, что потери на отражение не велики и только при 70 градусах достигают 15%. Угол падения 70 градусов это 140 градусов для угла рассеяния светодиода – ограничим угол до 120 градусов. Во-первых, это популярная для ледов величина, во-вторых, в случае близкого к краю аквариума расположения ледов широкий угол рассеяния позволяет части света уходить наружу.


Мощность
Мощность не однозначный параметр, с одной стороны с ростом мощности падает цена за ватт излучаемой мощности, а с другой во весь рост встает проблема охлаждения светодиода. Дело в том что светодиоды греются, их КПД не такой высокий как мы мечтаем, а рассеять несколько ватт тепловой мощности с маленькой площади мощного леда не тривиальная задача и тут у нас появляются вентиляторы, вентиляторы не для охлаждения аквариума, а для охлаждения светильника, работающие, шумящие, изнашивающиеся все время когда включен свет. Сомнительное решение. Маломощные светодиоды имеют бОльшую поверхность рассеяния тепла и меньшую площадь, даже при плотной компоновке не требуют применения принудительного охлаждения. Еще плюс маленьких ледов, при выходе из строя одного леда (очень редкое событие) общий световой поток уменьшается незначительно. Моя рекомендация 5 мм светодиоды, номинальный ток 20 мА, прозрачный пластик корпуса.

Цвет
Это самый сложный вопрос. Я не рекомендую белые светодиоды из-за их старения и значит не стабильный во времени результат. Как показывает опыт растения хорошо растут под светом из узких полос в красном и синем участках спектра: http://www.aquaforum.ua/showthread.php?t=76948 . Предлагаю взять под полный контроль спектральные характеристики нашего светильника – использовать леды зеленого, синего и красного цвета. Цветные светодиоды не меняют своих характеристик со временем и позволяют построить светильник с любым цветом.


Подключение светодиодов к источнику питания

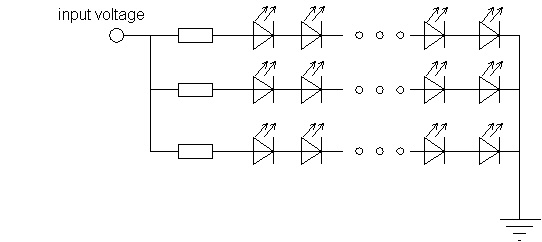
Для питания светодиодов оптимально использовать источник тока, но вряд ли вам удастся купить его в магазине, обычно продавец даже не понимает о чем идет речь. Но в продаже много хороших источников напряжения и питать наши светодиоды мы будем от такого блока питания. Нам не подойдет самый дешевый, нужен блок питания с нестабильностью выходного напряжения не более 3%, это не очень дорого и можно легко купить. Для согласования светодиодов и блока питания мы будем использовать резистор, это надежный и дешевый вариант который использует подавляющее количество производителей несмотря на то что падение напряжения на резисторе несколько понижает КПД. Падение КПД на резисторе примем в 20% -- компромиссный вариант для не самого точного блока питания. Может показаться, что это высокие потери, но мы знаем о них и не скрываем, а в покупных светильниках крупных фирм эти потери значительно выше и об них вам ни кто не расскажет. Итак схема включения, простая и достаточно эффективнаяю (см. схему)

Для расчета резистора о оценки полученного цвета для каждой цепочки поможет рассчитать программа.
В программе можно установить напряжение источника питания и подобрать светодиоды, в результате получаем сопротивление резистора, его мощность, примерный КПД.

Мініатюри долучень
Щоб збільшити малюнок, клацніть по ньому
Назва:  otraj.JPG
Переглядів: 848
Розмір:  24,3 КБ
ID:	102381   Щоб збільшити малюнок, клацніть по ньому
Назва:  aq_led_conn.jpg
Переглядів: 846
Розмір:  23,9 КБ
ID:	102382  

Долучені файли
Тип файлу: zip aq_led_calc.zip (9,7 КБ, 484 переглядів)

Переглядів: 4140
Відповісти з цитуванням
Ці 7 користувач(ів) сказали Дякую an-2 за це повідомлення:
1GOG (04.05.2011), AtamanNYSE (14.01.2011), EkunRA (10.05.2011), fail99 (07.12.2010), memphis (08.01.2011), npanop (09.12.2010), stop (25.01.2012)


Share/Bookmark

Відповідь


Тут присутні: 1 (учасників - 0 , гостей - 1)
 

Ваші права у розділі
Ви не можете створювати теми
Ви не можете писати дописи
Ви не можете долучати файли
Ви не можете редагувати дописи

BB-код є Увімк.
Усмішки Увімк.
[IMG] код Увімк.
HTML код Вимк.

Швидкий перехід


Часовий пояс GMT +3. Поточний час: 14:10.


vBulletin 3.8.7 ; Copyright © 2000-2026 Jelsoft Enterprises Limited
Переклад: © Віталій Стопчанський, 2004-2010
(с)Бешлега Олександр Анатолійович, 2002-2025. Використання матеріалів сайту без посилання на джерело заборонено.
Дякуємо за ліцензійну версію форума компанію Барбус, представника торгової марки Sera в Україні.


no new posts