На головну сторінку Аквафорум
На головну сторінку




Назад   Аквафорум - форум акваріумістів та тераріумістів > Акваріум та обладнання > "Самоделкин" > Аквариумная автоматика
Аукцион Реєстрація ЧаПи Учасники Календар Нинішні дописи

Примітки

 
 
Параметри теми Параметри перегляду
Prev Попередній допис   Наступний допис Next
Старий 12.05.2013, 03:52   #1
Дозатор УДО
Придивляюся

Реєстрація: 02.07.2010
Звідки Ви: Николаев
Дописи: 73
Надіслати повідомлення для nikservice на ICQ Надіслати повідомлення для nikservice на Skype
 

сказав Дякую: 42
сказали Дякую 68 раз(и) в 26 повідомленні
nikservice nikservice поза форумом 12.05.2013, 03:52
Рейтинг: ()

Один, из моих дозаторов УДО.
Возможно кому - то пригодится данная информация при построении дозаторов на перистальтических насосах.
Началось всё с того, что досталась мне 6 канальная, перистальтическая помпа от навороченного струйника HP, да пара чернильниц и шлангов от СНПЧ.

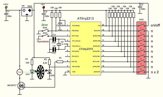
Алгоритм работы дозатора удобрений
Питание на схему подаётся в заданное время на 1 минуту и более.
После подачи питания задержка 5 сек., затем включение помпы, на заданное в (SW 3) кол - во импульсов N.
Для повторного запуска помпы – снять и вновь подать питание на схему, или нажать переключатель (SW 2)- помпа включиться без задержки на заданное в (SW 3) кол - во импульсов N.
Переключатель (SW 3) с фиксацией.
1 – включение питания
2 – 9 доза (в моём случае – 1 замкнутый переключатель – 0,5мл.)
10 – увеличение дозы в два раза.
Мотор включается на кол - во импульсов N снятых с LED1 (PD5).
Каждый замкнутый переключатель из 2 - 9 в (SW 3) добавляет 0,5мл. на выходе дозатора, если замкнуто два – 1 мл., все восемь – 4 мл., замкнутый 10 в (SW 3) увеличивает дозу в два раза., т. е. максимальная доза за один раз составляет 8 мл.
N присваивается после калибровки помпы дозатора и прописывается в исходнике.
Переключатель (SW 1) без фиксации, при нажатии и удержании включает мотор помпы – для прокачки системы.
Переключатель (SW 2) без фиксации, при нажатии включает мотор помпы на заданное в (SW 3) кол-во импульсов N.
Алгоритм программы
1. после включения питания задержка 5сек. – защита от ложных срабатываний.
2. проверка состояний SW3 (PB7 – PB0, PD6)
3. вычисляем суммарное N.
4. включаем мотор - (PD4)=1.
5. считаем N.
6. когда N совпадает с заданным в (SW 3) отключить мотор (PD4)=0
7. не включать мотор до тех пор, пока не произойдет выключение и включение питания, или не будет нажата (SW 2)


Редактирование прошивки
1. Скачиваем WinAVR-20100110, можно отсюда:
http://myrobot.ru/downloads/winavr-20100110.php
или отсюда:
http://sourceforge.net/projects/wina...nAVR/20100110/
2. по умолчанию устанавливаем в C:\WinAVR-20100110
3. перезагружаем компьютер
4. распаковываем архив «Dozator.rar»
5. если WinAVR-20100110 установлена не в C:\WinAVR-20100110 – правим, в блокноте, путь в файле compile.bat из папки Dozator
6. открываем, при помощи блокнота main.c из папки Dozator
7. в строке uint16_t kk = 300; //количество импульсов на 1 дозу. – правим значение kk = 300 у меня получилось 2380 импульсов на 0,5 мл., т. е. kk = 2380.
8. Запускаем compile.bat
9. Получаем в данной папке файл - main.hex – скорректированная прошивка.
10. ФЪЮЗЫ – включаем контроллер на работу от внешнего кварца на 4 мГц.

Чем больше импульсов на одну дозу – тем точнее дозировка.

Схема
Возможно потребуется подбор резисторов R1 и R2.
R1 ограничивает ток через излучающий светодиод LED1, подбором R2 – добиваемся наилучшего открывания фотодиода LED2, т. е. при засвеченном LED2 добиться минимального напряжения на (PD5)
Полевик в управлении мотором – N канальный со старой материнки.
Мне досталась помпа с контролем электропроводности, грех было не воспользоваться, на LM358 собран компаратор контролирующий наличие УДО в системе.

Мініатюри долучень
Щоб збільшити малюнок, клацніть по ньому
Назва:  SDC12705.jpg
Переглядів: 739
Розмір:  87,8 КБ
ID:	333595   Щоб збільшити малюнок, клацніть по ньому
Назва:  SDC12706.jpg
Переглядів: 728
Розмір:  75,4 КБ
ID:	333596   Щоб збільшити малюнок, клацніть по ньому
Назва:  SDC12708.jpg
Переглядів: 661
Розмір:  83,5 КБ
ID:	333597   Щоб збільшити малюнок, клацніть по ньому
Назва:  SDC12710.jpg
Переглядів: 740
Розмір:  87,6 КБ
ID:	333598   Щоб збільшити малюнок, клацніть по ньому
Назва:  SDC12711.jpg
Переглядів: 696
Розмір:  34,5 КБ
ID:	333599  

Щоб збільшити малюнок, клацніть по ньому
Назва:  1.jpg
Переглядів: 632
Розмір:  40,0 КБ
ID:	333832  

Долучені файли
Тип файлу: rar Dozator.rar (7,7 КБ, 305 переглядів)
Тип файлу: rar cxema.rar (38,1 КБ, 285 переглядів)


Востаннє редагував nikservice: 14.11.2013 о 00:02..
Переглядів: 6307
Відповісти з цитуванням


Share/Bookmark

 


Тут присутні: 1 (учасників - 0 , гостей - 1)
 

Ваші права у розділі
Ви не можете створювати теми
Ви не можете писати дописи
Ви не можете долучати файли
Ви не можете редагувати дописи

BB-код є Увімк.
Усмішки Увімк.
[IMG] код Увімк.
HTML код Вимк.

Швидкий перехід


Часовий пояс GMT +3. Поточний час: 21:36.


vBulletin 3.8.7 ; Copyright © 2000-2026 Jelsoft Enterprises Limited
Переклад: © Віталій Стопчанський, 2004-2010
(с)Бешлега Олександр Анатолійович, 2002-2025. Використання матеріалів сайту без посилання на джерело заборонено.
Дякуємо за ліцензійну версію форума компанію Барбус, представника торгової марки Sera в Україні.


no new posts