 |
|
26.02.2008, 13:23
|
#1
|
|
Комп"ютер типа Р-166 как акваконтроллер
Модератор Волинського клубу акваріумістів
Реєстрація: 19.12.2006
Звідки Ви: Луцьк
Дописи: 1.265
сказав Дякую: 540
сказали Дякую 648 раз(и) в 412 повідомленні

26.02.2008, 13:23
Рейтинг:
()
Есть такое вот чудо Р-166/64мб Ram/com/lpt можно ли на этой базе создать акваконтроллер или от него никакого толку и тот же эфект будет при использовании переделаного тестэра?
|
|
Переглядів: 24951
|
26.02.2008, 13:29
|
#2
|
|
Координатор раздела Растения
Реєстрація: 15.02.2007
Звідки Ви: Харьков
Дописи: 2.046
сказав Дякую: 1.119
сказали Дякую 2.956 раз(и) в 700 повідомленні
|
Ответ: Комп"ютер типа Р-166 как акваконтроллер ===www.aquaforum.ua===
Эффект будет, но имхо гонять 100-150 ватт для контроллера на одну банку и если это не море....
__________________
[URL="http://aquaforum.kiev.ua/nominate_topic.php?do=findallnominations"]Лучшие статьи месяца.[/URL]
С уважением.
|
|
|
26.02.2008, 13:31
|
#3
|
|
Живу я тут
Реєстрація: 20.02.2005
Звідки Ви: Вишгород
Дописи: 1.202
сказав Дякую: 142
сказали Дякую 344 раз(и) в 199 повідомленні
|
Відповідь: Комп"ютер типа Р-166 как акваконтроллер ===www.aquaforum.ua===
Ні, ну чого це раптом. Толк буде. Хоча би вже такий що окрім власне управління банкою можна вести запис історії і потім дивитися у вигляді графіків яка, наприклад була вчора напротязі дня температура. Тут потрібно вирішити дві інші проблеми
1) апартне забезпечення
2) програмне забезпечення
причому друге напряму залежить від першого.....
|
|
|
|
Ці 2 користувач(ів) сказали Дякую vanessa за це повідомлення:
|
|
26.02.2008, 13:54
|
#4
|
|
Модератор Волинського клубу акваріумістів
Реєстрація: 19.12.2006
Звідки Ви: Луцьк
Дописи: 1.265
сказав Дякую: 540
сказали Дякую 648 раз(и) в 412 повідомленні
|
Відповідь: Комп"ютер типа Р-166 как акваконтроллер ===www.aquaforum.ua===
Vasnecov, а почему на одну? даже если туда приаттачить таймеры и какой-нить контроллер Рh, то уже неплохо... а если это дело пойдет...
vanessa, можна з цього місця поконкретніше, наскільки я знаю ви дуже тісно контактуєте з такими речами.
Я вмію паяти, програмував... думаю справлюсь, от тільки інформації треба трохи більше.
|
|
|
26.02.2008, 14:07
|
#5
|
|
Бан за нарушения
Реєстрація: 06.11.2007
Звідки Ви: Донецк, зона АТО
Дописи: 19.780
сказав Дякую: 5.789
сказали Дякую 17.707 раз(и) в 6.926 повідомленні
|
Ответ: Відповідь: Комп"ютер типа Р-166 как акваконтроллер ===www.aquaforum.ua===
Цитата:
Допис від vanessa
Ні, ну чого це раптом. Толк буде. Хоча би вже такий що окрім власне управління банкою можна вести запис історії і потім дивитися у вигляді графіків яка, наприклад була вчора напротязі дня температура. Тут потрібно вирішити дві інші проблеми
1) апартне забезпечення
2) програмне забезпечення
причому друге напряму залежить від першого.....
|
Основные проблемы:
1. Где установить блок + монитор.
2. Что будет, если вырубится свет ?
3. Я бы порыл в сторону старых ноутбуков, на радиорынке такие можно найти.
А перифирию посмотри тут
http://www.ddrservice.info/catalog/I...uits/D/ds/ds1/
|
|
|
|
Ці 2 користувач(ів) сказали Дякую Starcomputer за це повідомлення:
|
|
26.02.2008, 14:30
|
#6
|
|
Активний участник форуму
Реєстрація: 31.03.2006
Звідки Ви: Киев, Оболонь
Дописи: 353
сказав Дякую: 101
сказали Дякую 101 раз(и) в 77 повідомленні
|
Ответ: Комп"ютер типа Р-166 как акваконтроллер ===www.aquaforum.ua===
atmega128 + RTL8019 - готовый сетевой комп с минимальным потреблением тока ,
я сейчас на эту связку прикручиваю TCP/IP стек , съем данных через SNMP
В целом к компу можно прикручивать атмегу , из софта я бы взял что-то юникс базированное , в качестве накопителя использовалы бы Flash-IDE
|
|
|
|
Ці 2 користувач(ів) сказали Дякую Ajar за це повідомлення:
|
|
26.02.2008, 14:38
|
#7
|
|
Координатор раздела Растения
Реєстрація: 15.02.2007
Звідки Ви: Харьков
Дописи: 2.046
сказав Дякую: 1.119
сказали Дякую 2.956 раз(и) в 700 повідомленні
|
Ответ: Комп"ютер типа Р-166 как акваконтроллер ===www.aquaforum.ua===
Вот Ajar шарит. Имхо, комп будет иметь смысл ставить только на большое хозяйство. И тут - то же под вопросом - он очень массивный - а чем больше деталей - тем меньше надежность...
Другое дело - что возникает куча доп вопросов... Вот почему я и смотрю на смартфоны. Люди добрые, микроконтроллерщики! Кто сможет составить схемку для съема - подачи инфы на смарт, к примеру подключающийся через СОМ порт - сейчас такие б/у-шные можно купить за 100-150 уев. А в нем - и энергонезависимость, и небольшое энергопотребление, и связь - от смсок при проблемах, до емейла, и накопление.. Короче - имхо есть все.
__________________
[URL="http://aquaforum.kiev.ua/nominate_topic.php?do=findallnominations"]Лучшие статьи месяца.[/URL]
С уважением.
|
|
|
26.02.2008, 15:17
|
#8
|
|
Бан за нарушения
Реєстрація: 06.11.2007
Звідки Ви: Донецк, зона АТО
Дописи: 19.780
сказав Дякую: 5.789
сказали Дякую 17.707 раз(и) в 6.926 повідомленні
|
Ответ: Комп"ютер типа Р-166 как акваконтроллер ===www.aquaforum.ua===
Цитата:
Допис від Ajar
atmega128 + RTL8019 - готовый сетевой комп с минимальным потреблением тока
|
Не работал с RTL, где взять доку ?
|
|
|
26.02.2008, 15:25
|
#9
|
|
Бан за нарушения
Реєстрація: 06.11.2007
Звідки Ви: Донецк, зона АТО
Дописи: 19.780
сказав Дякую: 5.789
сказали Дякую 17.707 раз(и) в 6.926 повідомленні
|
Ответ: Комп"ютер типа Р-166 как акваконтроллер ===www.aquaforum.ua===
Цитата:
Допис від Vasnecov
Вот Ajar шарит.
|
Не вопрос.
Я предложил ноут из-за удобства программирования и из-за того, что паять практически не придется, все можно кинуть на LPT-порт. Схема Ajar'a лучше, но требует сборки "собственного" компа.
Смартфон ведь тоже можно программировать, если умеешь - я нет.
|
|
|
26.02.2008, 15:27
|
#10
|
|
Активний участник форуму
Реєстрація: 06.06.2007
Звідки Ви: Киев, Троещина
Дописи: 131
сказав Дякую: 4
сказали Дякую 37 раз(и) в 23 повідомленні
|
Ответ: Комп"ютер типа Р-166 как акваконтроллер ===www.aquaforum.ua===
Гы, если кому надо - есть ноут с указанными параметрами, потребление у него до 45 вт, места почти не занимает так как может работать в закрытом положении, плюс батарея еще живая - в случае пропадания напряжения не вырубится сразу - такой себе безперебойник на борту. А если Ups поставить то несколько часов проработает с таким потреблением, обязательно дождется конца ремонта электросетей :d
|
|
|
26.02.2008, 15:33
|
#11
|
|
Живу я тут
Реєстрація: 20.02.2005
Звідки Ви: Вишгород
Дописи: 1.202
сказав Дякую: 142
сказали Дякую 344 раз(и) в 199 повідомленні
|
Відповідь: Комп"ютер типа Р-166 как акваконтроллер ===www.aquaforum.ua===
Цитата:
Допис від keepo
vanessa, можна з цього місця поконкретніше, наскільки я знаю ви дуже тісно контактуєте з такими речами.
Я вмію паяти, програмував... думаю справлюсь, от тільки інформації треба трохи більше.
|
Я мав наувазі різноманітні датчики(температура, рН, рівень води в банці) та виконавчі механізми (реле, клапана) які якимось чином потрібно прикрутити до компа. Варіантів безліч. Ось так, наприклад
Цитата:
|
Допис від Ajar
В целом к компу можно прикручивать атмегу
|
Хоча це із розряду забивання гвіздків чимось накшталт синхрофазатрону -Мега і сама непогано спрявляється із управлінням банкою. А можна взяти банальний uln2003, припаяти до LPT та додати пару реле і вже можна управляти по-мінімуму: світло, фільтр. Прямо на COM-порт можна спаяти простенький адаптер на двох транзисторах та підв'язати мережу i-wire куди можна притнути датчики, того ж рівня, температури (конкретно DS18B20) і рН.
про 100-150 Ватт потужності - це не зовсім вірно, якщо система буде без монітора, то 20-30 не більше. Ставити, як пропонував той-же юнікс + apache + mrtg чи rrd і управляти цим всім щастям із іншого компа через веб-інтерфейс.
Вобщим ідей багато. Та я так робити не буду і не тому що заскладно, а тому що мені теж, як і Ajar'у, простіше на Мега робити......а для історії, прикрутити до меги мікросхему ОЗУ із батарейкою, щоб вистачило пам'яті трендувати декілька параметрів десь так на 2-3 неділі....
|
|
|
|
cказали "Дякую" vanessa за цей допис:
|
|
26.02.2008, 16:02
|
#12
|
|
Живу я тут
Реєстрація: 10.10.2005
Звідки Ви: Киев
Дописи: 10.118
сказав Дякую: 11.375
сказали Дякую 9.053 раз(и) в 4.067 повідомленні
|
Відповідь: Комп"ютер типа Р-166 как акваконтроллер ===www.aquaforum.ua===
Померял мощность р200 (есть у нас в отделе такая печатная машинка для студентов под Nt4) с 2 Гб диском без монитора - 35 Вт.
|
|
|
|
cказали "Дякую" Mykhaylo за цей допис:
|
|
26.02.2008, 16:41
|
#13
|
|
Активний участник форуму
Реєстрація: 04.04.2006
Звідки Ви: Киев
Дописи: 407
сказав Дякую: 67
сказали Дякую 515 раз(и) в 179 повідомленні
|
Ответ: Комп"ютер типа Р-166 как акваконтроллер ===www.aquaforum.ua===
Я одно время тоже хотел на базе PC контроллер слепить, но время показало что проще, економнее и надёжней на микроконтроллере.
Ну а для тех кто всё таки хочет куда-нибудь притулить свой старенький pc , ссылки на самые достойные пректы
(в порядке убывания функциональности) 1 2 3 4 5
|
|
|
|
Ці 2 користувач(ів) сказали Дякую Baks за це повідомлення:
|
|
26.02.2008, 16:41
|
#14
|
|
Бан за нарушения
Реєстрація: 06.11.2007
Звідки Ви: Донецк, зона АТО
Дописи: 19.780
сказав Дякую: 5.789
сказали Дякую 17.707 раз(и) в 6.926 повідомленні
|
Ответ: Відповідь: Комп"ютер типа Р-166 как акваконтроллер ===www.aquaforum.ua===
Цитата:
Допис від vanessa
Я мав наувазі різноманітні датчики(температура, рН, рівень води в банці) та виконавчі механізми (реле, клапана) які якимось чином потрібно прикрутити до компа. Варіантів безліч. Ось так, наприклад ... (конкретно DS18B20) і рН.
|
В серии DS... целая куча всего (в том числе силовые ключи), а не только датчики температуры, и все работают по однопроводной шине. Так что проще не придумаешь. Тут кто-то на форуме давал ссылку на российискую фирму, которая торгует этой серией, там было неплохое описание применения этой серии, в том числе и подключение исполнительных устройств.
Вот, нашел ссылку:
http://www.benuks.nm.ru/oborud.html#2
|
|
|
|
cказали "Дякую" Starcomputer за цей допис:
|
|
26.02.2008, 17:11
|
#15
|
|
Бан за нарушения
Реєстрація: 06.11.2007
Звідки Ви: Донецк, зона АТО
Дописи: 19.780
сказав Дякую: 5.789
сказали Дякую 17.707 раз(и) в 6.926 повідомленні
|
Ответ: Комп"ютер типа Р-166 как акваконтроллер ===www.aquaforum.ua===
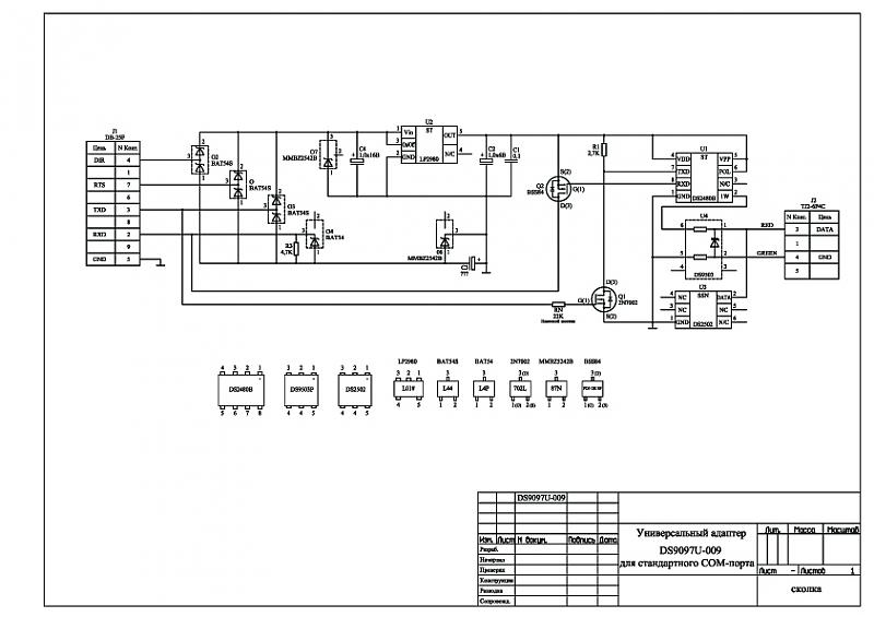
А вот схема адаптера для Com-порта:
|
|
|
|
Ці 2 користувач(ів) сказали Дякую Starcomputer за це повідомлення:
|
|
 |
|
|
Тут присутні: 1 (учасників - 0 , гостей - 1)
|
|
|
Ваші права у розділі
|
Ви не можете створювати теми
Ви не можете писати дописи
Ви не можете долучати файли
Ви не можете редагувати дописи
HTML код Вимк.
|
|
|
Часовий пояс GMT +3. Поточний час: 12:58.
|