 |
|
20.11.2011, 08:01
|
#1
|
|
Бюджетный автоматический дозатор удобрений
Живу я тут
Реєстрація: 25.02.2009
Звідки Ви: Россия, Новосибирск
Дописи: 485
сказав Дякую: 71
сказали Дякую 595 раз(и) в 201 повідомленні

20.11.2011, 08:01
Рейтинг:
(3 голосов - 5,00 средняя оценка)
Для ежедневной подачи жидких удобрений решился соорудить автоматический дозатор.
Обычно самодельные дозаторы делают на базе низкооборотных двигателей, асинхронных с редуктором или шаговых. Мною был выбран другой вариант - коллекторный двигатель постоянного тока от струйного принтера (двигатель привода каретки). Достать такой двигатель не составит труда, в любом сервис-центре по ремонту принтеров можно за символическую цену или бесплатно разжиться моторчиками от неремонтопригодных принтеров. Напряжение питания мотора от 5 до 12 вольт.
В качестве насоса использовал одноразовые шприцы с резиновым поршнем на 10 мл, но можно поставить и на 5 мл и на 1 мл. Привод штоков шприцев - винтовой. Винтовые механизмы используют в различных станках для точного позиционирования (точнее шариково-винтовые механизмы). В бюджетном варианте вполне подойдет обычный стальной болт с гайкой. Гайка вставлена в пластиковую (ПВХ)трубку, которая и двигает штоки двух шприцев. Винтовой механизм проще изготовить "на коленке" по сравнению с обычно используемым кривошипно-шатунным.
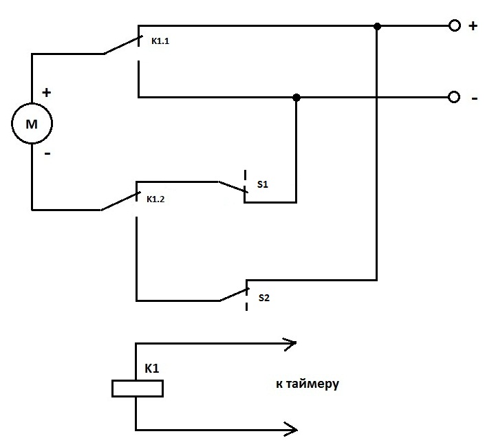
Для управления перемещением штоков использовал два концевых выключателя (МП-7) и реле на 220 вольт с двумя группами переключающих контактов. В качестве концевых выключателей можно использовать микропереключатели от старых компьютерных мышек. Дозатор подключается к обычному бытовому суточному механическому или недельному электорнному таймеру и блоку питания (у меня зарядка от мобильника на 8 вольт). Также понадобится 4 обычных аквариумных обратных клапана.
Для упрощения схемы управления и минимизации количества компонентов придумал нестандартную логику работы: при сработке таймера поршни шприцев делают проход в одну сторону (набирают удо), при выключении таймера удо из шприцев выдавливается в аквариум. Количество поступающих доз можно выбрать количеством включения таймера и положением одного из концевых микропереключателей (он сделан с регулировкой положения). Логику можно поменять на обратную при желании. Такая логика кроме упрощения схемы полностью исключает передозировку удо при выходе из строя любого компонента дозатора.
Пока дозатор собран на испытательном стенде и тестируется неделю. За это время сделано более сотни проходов (то есть аналогично 1-3 месяцев работы в реальном режиме при 1-3 дозах в сутки). Никаких косяков в работе пока не замечено.
Кодовое название дозатора "Фигаро-2" (отражает логику работы двух поршневых насосов и соответствует надписи на используемом для дозатора корпусе - пластиковой коробке из под советского косметического фена "Фигаро-2") 
Востаннє редагував BelkinS: 20.11.2011 о 12:54..
|
|
Переглядів: 29383
|
|
Ці 25 користувач(ів) сказали Дякую BelkinS за це повідомлення:
|
Aleksandrit2000 (15.12.2011), anttoha (27.11.2011), Badyoruy (21.11.2011), DEaD_MOPO3 (20.11.2011), fail99 (06.02.2012), harn (20.11.2011), keepo (21.11.2011), kotiko (02.12.2011), kvn79 (26.12.2011), manulo (21.11.2011), MSN (20.11.2011), nickanya (21.11.2011), Ranger (24.11.2011), sae74 (27.11.2011), Sem (20.11.2011), Shtrih 79 (26.11.2011), Starcomputer (20.11.2011), TPV (23.11.2011), V-klik (10.01.2012), Гавриил (24.11.2011), Егорий (07.02.2012), Кочнев Сергей Александрович (25.03.2015), Ностальгия (21.11.2011), Роміч Пасєка (22.07.2012), Сергей Николаевич (22.11.2011) |
20.11.2011, 08:34
|
#2
|
|
Живу я тут
Реєстрація: 17.09.2004
Звідки Ви: Киев, Троещина
Дописи: 14.486
сказав Дякую: 4.642
сказали Дякую 8.508 раз(и) в 4.382 повідомленні
|
Re: Бюджетный автоматический дозатор удобрений ===www.aquaforum.ua===
Интересно.
Но мне кажется переход металл-пластик долго не протянет.
__________________
Страна не ублюдков и не воров.
__________________  
|
|
|
20.11.2011, 09:01
|
#3
|
|
Живу я тут
Реєстрація: 25.02.2009
Звідки Ви: Россия, Новосибирск
Дописи: 485
сказав Дякую: 71
сказали Дякую 595 раз(и) в 201 повідомленні
|
Re: Бюджетный автоматический дозатор удобрений ===www.aquaforum.ua===
Цитата:
Допис від Sem
переход металл-пластик долго не протянет
|
Для долговечности можно использовать металлическую трубку. Пробовал алюминиевую, но обрезок трубки у меня был коротковатый, а другого под рукой не было.
Чтобы гайка не "разбила" со временем пластик, нашел цилиндрическую гайку М6 от мебельной стяжки "винт-гайка". Такая гайка диаметром 10 мм как раз плотно вошла в пластиковую трубку с внутренним диаметром 10 и внешним 12 мм. Так что получилось довольно надежно, люфта нет и должно прослужить долго. Да и заменить любой узел в такой конструкции несложно.
|
|
|
|
Ці 3 користувач(ів) сказали Дякую BelkinS за це повідомлення:
|
|
20.11.2011, 10:02
|
#4
|
|
Харьковский клуб аквариумистов
Реєстрація: 19.11.2009
Звідки Ви: Харьков
Дописи: 1.929
сказав Дякую: 532
сказали Дякую 1.063 раз(и) в 511 повідомленні
|
Re: Бюджетный автоматический дозатор удобрений ===www.aquaforum.ua===
Прикольная конструкция. Из минусов могу отметить невозможность в левом и правом шприце устанавливать разные дозы
__________________
если в амбаре десять овец и два волка, где здесь большинство и где меньшинство?
__________________ 
|
|
|
20.11.2011, 10:38
|
#5
|
|
Живу я тут
Реєстрація: 25.02.2009
Звідки Ви: Россия, Новосибирск
Дописи: 485
сказав Дякую: 71
сказали Дякую 595 раз(и) в 201 повідомленні
|
Re: Бюджетный автоматический дозатор удобрений ===www.aquaforum.ua===
Цитата:
Допис від MSN
Из минусов могу отметить невозможность в левом и правом шприце устанавливать разные дозы
|
Да, конечно это так. Соотношение доз устанавливается только концентрациями растворов.
Но нет проблем сделать отдельный привод на каждый шприц. Конструкция тогда будет немного другой.
Из нюансов вот еще такой способ крепления бутылок с растворами в тумбе... Если использовать для растворов стандартные ПЭТ-бутылки, то удобно их фиксировать на стенке тумбочки на металлические клипсы для ламп Т8. Клипсы прикручиваются шурупами к стенке тумбы через крышечки от тех же ПЭТ-бутылок. Держатся бутылки в подвешенном состоянии очень надежно и легко снимаются для замены раствора.
ЗЫ: 10-мл шприцы удачно крепятся в корпусе дозатора пластиковыми сантехническими клипсами для 16-мм водопроводных труб.
Востаннє редагував BelkinS: 20.11.2011 о 11:29..
|
|
|
|
cказали "Дякую" BelkinS за цей допис:
|
|
20.11.2011, 10:49
|
#6
|
|
Бан за нарушения
Реєстрація: 06.11.2007
Звідки Ви: Донецк, зона АТО
Дописи: 19.780
сказав Дякую: 5.789
сказали Дякую 17.707 раз(и) в 6.926 повідомленні
|
Re: Бюджетный автоматический дозатор удобрений ===www.aquaforum.ua===
Цитата:
Допис від BelkinS
Да, конечно это так
|
Не совсем так. Можно поставить шприцы разной кубатуры 
__________________
[I][B][COLOR=blue]С уважением, Сергей Таранченко[/COLOR][/B][/I]
|
|
|
|
Ці 3 користувач(ів) сказали Дякую Starcomputer за це повідомлення:
|
|
20.11.2011, 11:26
|
#7
|
|
Живу я тут
Реєстрація: 25.02.2009
Звідки Ви: Россия, Новосибирск
Дописи: 485
сказав Дякую: 71
сказали Дякую 595 раз(и) в 201 повідомленні
|
Re: Бюджетный автоматический дозатор удобрений ===www.aquaforum.ua===
Starcomputer,
Да, это ничему не противоречит, если микро-удо не рекомендуется разбавлять, то выбираем для него шприц минимального объема (инсулиновый), а второй, для макро, любой другой.
|
|
|
20.11.2011, 14:14
|
#8
|
|
Живу я тут
Реєстрація: 12.01.2011
Звідки Ви: Запорожье
Дописи: 1.208
сказав Дякую: 796
сказали Дякую 849 раз(и) в 446 повідомленні
|
Re: Бюджетный автоматический дозатор удобрений ===www.aquaforum.ua===
Интересное конструктивное решение  что мне в ней не очень нравится так это необходима переодическая смазка винтовой пары. а так конструкция достойна похвалы. Себе вчера изготовил и вёл в эксплотацию конструкцию Магеканена на 4 канала.
__________________ 
|
|
|
21.11.2011, 05:23
|
#9
|
|
Живу я тут
Реєстрація: 25.02.2009
Звідки Ви: Россия, Новосибирск
Дописи: 485
сказав Дякую: 71
сказали Дякую 595 раз(и) в 201 повідомленні
|
Re: Бюджетный автоматический дозатор удобрений ===www.aquaforum.ua===
harn, кроме периодической смазки (использую густую смазку по рекомендации инженера по ремонту принтеров), наверное желательно периодически делать промывку системы, заменив бутылки с растворами на бутылки с водой и сделав несколько проходов. Но это не проблема, все равно ведь придется менять растворы когда закончатся, так заодно и делать профилактику дозатора.
|
|
|
21.11.2011, 07:58
|
#10
|
|
Бан за нарушения
Реєстрація: 26.04.2010
Звідки Ви: г.Житомир
Дописи: 8.387
сказав Дякую: 15.499
сказали Дякую 6.298 раз(и) в 3.410 повідомленні
|
Re: Бюджетный автоматический дозатор удобрений ===www.aquaforum.ua===
Тестируете на воде?
Через некоторое время возможно подклинивание поршня из-за кристаллизации раствора.
|
|
|
|
cказали "Дякую" nickanya за цей допис:
|
|
21.11.2011, 08:11
|
#11
|
|
Живу я тут
Реєстрація: 25.02.2009
Звідки Ви: Россия, Новосибирск
Дописи: 485
сказав Дякую: 71
сказали Дякую 595 раз(и) в 201 повідомленні
|
Re: Бюджетный автоматический дозатор удобрений ===www.aquaforum.ua===
nickanya, да, пока тестирую на воде. Планирую погонять на растворе какой-нибудь соли, но не придумал на какой именно, наверное на пищевой соде...
Если еще у кого-нибудь есть опыт длительной эксплуатации поршневых дозаторов, поделитесь пожалуйста возможными проблемами, возникающими со временем. Если и не получится их устранить, то по крайней мере знать на что обращать внимание 
|
|
|
|
cказали "Дякую" BelkinS за цей допис:
|
|
21.11.2011, 09:07
|
#12
|
|
Живу я тут
Реєстрація: 17.09.2004
Звідки Ви: Киев, Троещина
Дописи: 14.486
сказав Дякую: 4.642
сказали Дякую 8.508 раз(и) в 4.382 повідомленні
|
Re: Бюджетный автоматический дозатор удобрений ===www.aquaforum.ua===
Цитата:
Допис від BelkinS
на что обращать внимание 
|
Я бы поискал на барахолках старые советские стеклянные шприци.
+ металлический шток и стелко более дкржит форму.
Имхо.
__________________
Страна не ублюдков и не воров.
__________________  
|
|
|
|
cказали "Дякую" Sem за цей допис:
|
|
21.11.2011, 10:11
|
#13
|
|
Харьковский клуб аквариумистов
Реєстрація: 19.11.2009
Звідки Ви: Харьков
Дописи: 1.929
сказав Дякую: 532
сказали Дякую 1.063 раз(и) в 511 повідомленні
|
Re: Бюджетный автоматический дозатор удобрений ===www.aquaforum.ua===
Шприцы стоят копейки, можно менять чуть-ли не вместе с заливкой свежей партии УДО
__________________
если в амбаре десять овец и два волка, где здесь большинство и где меньшинство?
__________________ 
|
|
|
21.11.2011, 10:14
|
#14
|
|
Живу я тут
Реєстрація: 17.09.2004
Звідки Ви: Киев, Троещина
Дописи: 14.486
сказав Дякую: 4.642
сказали Дякую 8.508 раз(и) в 4.382 повідомленні
|
Re: Бюджетный автоматический дозатор удобрений ===www.aquaforum.ua===
Не в копейках дело, а скажем так в "паралельности" движения и отсутствия перекосов.
Соотв. нагрузка на движок.
А если шприци менять для каждой дозировки -)))) на в чем смысл автомата?
__________________
Страна не ублюдков и не воров.
__________________  
Востаннє редагував Sem: 21.11.2011 о 10:21..
|
|
|
21.11.2011, 10:40
|
#15
|
|
Живу я тут
Реєстрація: 25.02.2009
Звідки Ви: Россия, Новосибирск
Дописи: 485
сказав Дякую: 71
сказали Дякую 595 раз(и) в 201 повідомленні
|
Re: Бюджетный автоматический дозатор удобрений ===www.aquaforum.ua===
Шприцы выбирал пару из 5 с примерно одинаковым усилием перемещения поршня, разброс в усилиях небольшой есть.
По поводу стеклянных с металлическим поршнем - есть сомнение не будут ли они через чур тугие? В принципе их еще производят и продают, можно взять парочку на пробу. А кто-нибудь пробовал их использовать в дозаторах? Мне казалось у всех именно пластиковые стоят, но я мог упустить этот момент, внимательно топики по дозаторам не читал чтобы чужие идеи не помешали появлению своих  Но теперь пойду проштудирую 
|
|
|
 |
|
|
Тут присутні: 1 (учасників - 0 , гостей - 1)
|
|
|
Ваші права у розділі
|
Ви не можете створювати теми
Ви не можете писати дописи
Ви не можете долучати файли
Ви не можете редагувати дописи
HTML код Вимк.
|
|
|
Часовий пояс GMT +3. Поточний час: 10:28.
|