Сделал когда-то крышечку на свой 50 - литровый аквариум согласно давно известной в сети
методике. Служила она мне верой и правдой около года. Отличная крышечка получилась, местами правда неаккуратно сделано, но кота выдерживала и по назначению служила. Но тут мне резко света не хватать стало (стояли две энергосберегающие лампы в цоколе Е27) или просто руки зачесались, решил добавить новшеств, притом используя всякий “хлам”, который был в наличии.
Крышка до:

Купил две простенькие лапы
Atman Tri-Power 15W, T8 и
Jebo Red Light, 8 Вт, T5 + у меня лежали три энергосберегающие лампы по 20 Вт.
Первым вопросом стала покупка ЭПРА, для 15 Вт лампы без проблем нашел такое чудо китайской инженерии:

С запуском 8 Вт лампы возникли проблемы в связи с отсутствием в продаже ЭПРА для такой мощности, проблема была решена “убийством двух зайцев”, а именно покупкой такого светильника:

Таким образом мы получаем и ЭПРА и патроны с шасси.
Далее были вырезаны из вагонки новые шасси для ламп под патроны Е27, делается это так:

Лампа 8 Вт вставляется в патроны с держателями от светильника, которые приклеиваются к верху крышки. В качестве патронов лампы 15 Вт использовались крепления от компьютерного БП. Отражатели для всех ламп кроме 15 Вт сделаны из
алюминиевых банок из под пива:

Для 15 Вт лампы пива не хватило), но тут мне на глаза попался обрезок широкого профиля для крепления гипсокартона (типа CW). Собственно тут же было решено использовать его в качестве отражателя:

Сам аквариум стоит у меня в спальне возле кровати и раньше когда я вставал ночью “попить водички”

приходилось в темноте искать бра, которое своим светом прямо в лицо спящим нарушало идиллию “сонного царства”.
Идея использовать аквариум как ночник родилась у меня давно, но существующее положение вещей не позволяло этого сделать по ряду причин: свет от аквариума был слишком интенсивным; освещение в аквариуме включалось путем втыкания вилки в розетку или таймер.
Оценив интенсивность освещения красных ламп было решено использовать их кроме как элемента основного освещения и в качестве ночника, то-есть надо было сделать отдельную коммутацию этих источников света:

Само собой возник вопрос где размещать выключатели и ЭПРА? Опять на выручку пришел обрезок профиля и завалявшийся кусок гетинакса. ЭПРА были размещены внутри профиля, а из гетинакса сделана крышка с врезными в нее выключателями:
Коробка крепиться на задней стенке крышки а провода выводятся во внутрь для подключения ламп.
В штатном режиме эксплуатации работают обе группы ламп, но при необходимости можно управлять ими по отдельности. Использование только ламп красного свечения идеально подходит для целей обозначенных выше

(пойти ночью “попить водички”).
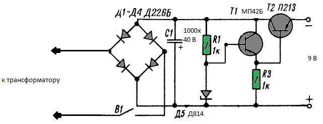
Следующим этапом стало добавление принудительной вентиляции под крышкой и ночной подсветки типа “луна“. Известно, что номинальное питание для вентилятора от компьютерного блока питания = 12 В, но держать в спальне “реактивный двигатель” или ставить регулятор желание отсутствовало. Было решено питать его от 9 вольт. Ключевыми факторами для такого решения было отсутствие БП на 12 В, + отсутствие вообще любого свободного БП)) и наличие понижающего трансформатора от китайских колонок + кучка старых радиодеталей которые выкинуть было жаль, а использовать негде).
Таким образом со
схемой БП я определился достаточно быстро немного ее изменив. В результате имеем такой вот блок питания, который я назвал “Винтаж-9В“)):

Вся начинка была упрятана в корпус от дверного звонка:

Теперь, имея источник питания можно было изготовить и ночную подсветку, опять же исходя из того, что лежало в закромах:

Вид собранной конструкции:

Подача питания на вентилятор и ночную подсветку осуществляется через разъём на задней стенке крышки:

Внутри все соединяется таким образом:

Готовая крышка:
