 |
21.04.2006, 21:20
|
#1
|
|
Датчик утечки воды
Придивляюся
Реєстрація: 09.04.2006
Звідки Ви: Днепропетровск
Дописи: 54
сказав Дякую: 38
сказали Дякую 12 раз(и) в 9 повідомленні

21.04.2006, 21:20
Рейтинг:
()
После чтения разных форумов сложилось мнение что протечка внешнего фильтра и (или) УФ стерилизатора и (или) шлангов в местах соединения и др. аквариумного оборудования не редки.
И заметить такую течь можно не сразу. Может кто-то знает какие то заводские датчики утечки воды, которые можно установить в тумбочку с фильтром и прочим оборудованием.
|
|
Переглядів: 6020
|
21.04.2006, 22:28
|
#2
|
|
Член Всеукраїнської Асоціації акваріумістів
Реєстрація: 01.07.2003
Звідки Ви: UA,Kyiv
Дописи: 526
сказав Дякую: 229
сказали Дякую 214 раз(и) в 98 повідомленні
|
Re: Датчик утечки воды ===www.aquaforum.ua===
есть решения в КИТ наборах, надо только переделать сам датчик влажности и растянуть его по шлангу или другому девайсу где Вы хотите установить контроль.
но проблем, на радиорынке их нет, или нужно заказывать или делать самому (очень простая схемка)
__________________ 
Востаннє редагував Slesh: 21.04.2006 о 22:30..
|
|
|
|
Ці 4 користувач(ів) сказали Дякую Slesh за це повідомлення:
|
|
23.04.2006, 13:27
|
#3
|
|
Придивляюся
Реєстрація: 09.04.2006
Звідки Ви: Днепропетровск
Дописи: 54
сказав Дякую: 38
сказали Дякую 12 раз(и) в 9 повідомленні
|
Re: Датчик утечки воды ===www.aquaforum.ua===
Огромное спасибо.
Хочу завтра отдать местным мастерам что б они оцениели стоимость и возможность изготовления данного устройства.
|
|
|
09.05.2006, 23:22
|
#4
|
|
Модератор коммерческого раздела Член Всеукраинской Ассоциации аквариумистов
Реєстрація: 11.07.2004
Звідки Ви: Чернигов
Дописи: 2.947
сказав Дякую: 751
сказали Дякую 1.648 раз(и) в 604 повідомленні
|
Re: Датчик утечки воды ===www.aquaforum.ua===
Кто сделал этот датчик (или разобрался в схеме), есть ряд вопросов... помогите!!!
Лучше по Асе переговорить 197978707
__________________ 
|
|
|
10.05.2006, 09:54
|
#5
|
|
Живу я тут
Реєстрація: 02.06.2005
Звідки Ви: Киев, Позняки
Дописи: 668
сказав Дякую: 162
сказали Дякую 137 раз(и) в 105 повідомленні
|
Re: Датчик утечки воды ===www.aquaforum.ua===
Сейчас модным является установка датчиков утечки воды в ванных и кухнях. На полу ставится датчик утечки воды, который соединяется с электрическим вентелем на водопроводной трубе.
Если где-то протекает вода, вентиль закрывает подачу воды в квартиру. Стоит это все в районе 300 у.е.
Вопрос Алексу.
Что Вы хотите добиться своим датчиком? Каков вы ожидаете результат? Писк серены? но если дома никого нет, то это все равно.
__________________
Практика - критерий истины!
|
|
|
10.05.2006, 19:32
|
#6
|
|
Придивляюся
Реєстрація: 09.04.2006
Звідки Ви: Днепропетровск
Дописи: 54
сказав Дякую: 38
сказали Дякую 12 раз(и) в 9 повідомленні
|
Re: Датчик утечки воды ===www.aquaforum.ua===
Цитата:
|
Допис від Antonio
Вопрос Алексу.
Что Вы хотите добиться своим датчиком? Каков вы ожидаете результат? Писк серены? но если дома никого нет, то это все равно.
|
Вопрос о датчике утечки воды встал после покупки UV-лампы Атман, там где я покупал меня предупредили что они не очень надежные, через какое-то время начинают давать течь, а так как помпа у меня на 1200L - я и задумался как отключить помпу в случае утечки воды. От датчика хочу световой и звуковой сигналы (на случай протечки ночью) и конечно отключение помпы от сети.
|
|
|
10.05.2006, 13:05
|
#7
|
|
Модератор коммерческого раздела Член Всеукраинской Ассоциации аквариумистов
Реєстрація: 11.07.2004
Звідки Ви: Чернигов
Дописи: 2.947
сказав Дякую: 751
сказали Дякую 1.648 раз(и) в 604 повідомленні
|
Re: Датчик утечки воды ===www.aquaforum.ua===
я хочу эту схему подключить к помпе; в результате - когда датчики теряют контакт с кодой включается помпа для подачи воды из отдельной ёмкости. Вот только куда помпу присадачить на схеме никак не пойму....
__________________ 
|
|
|
10.05.2006, 13:44
|
#8
|
|
Активний участник форуму
Реєстрація: 01.03.2005
Звідки Ви: Израиль г.Петах-Тиква.
Дописи: 410
сказав Дякую: 158
сказали Дякую 112 раз(и) в 84 повідомленні
|
Re: Датчик утечки воды ===www.aquaforum.ua===
Помпу подключать нужно через рэле(я надеюсь вы его к схеме подключили).Для комутации помпы в разрыв подключите контакты рэле.Обратите внимание что у рэле есть нормально-открытые и нормально закрытые онтакты.
|
|
|
10.05.2006, 18:57
|
#9
|
|
Модератор коммерческого раздела Член Всеукраинской Ассоциации аквариумистов
Реєстрація: 11.07.2004
Звідки Ви: Чернигов
Дописи: 2.947
сказав Дякую: 751
сказали Дякую 1.648 раз(и) в 604 повідомленні
|
Re: Датчик утечки воды ===www.aquaforum.ua===
Я в этом деле ЧАНИК. Можно всё это нарисовать, а реле на какие контакты на схеме подключается, и какое именно реле нужно (марка). Я ещё не начал делать - прежде нужно всё разузнать....
__________________ 
|
|
|
10.05.2006, 19:50
|
#10
|
|
Активний участник форуму
Реєстрація: 01.03.2005
Звідки Ви: Израиль г.Петах-Тиква.
Дописи: 410
сказав Дякую: 158
сказали Дякую 112 раз(и) в 84 повідомленні
|
Re: Датчик утечки воды ===www.aquaforum.ua===
Цитата:
|
Допис від Павлик Морозов
Я в этом деле ЧАНИК. Можно всё это нарисовать, а реле на какие контакты на схеме подключается, и какое именно реле нужно (марка). Я ещё не начал делать - прежде нужно всё разузнать....
|
Рэле будет использоваться как комутатор нагрузки(помпа в вашем случае).Теперь:если щема будет запитана от источника питания 14-15В,то вам понадобится рэле с обмоткой на напряжение 12В,из советских на сколько я помню можно использовать рэле типа РЭС-9 или 10.Итак у рэле есть обмотка (электромагнит)вывода этой обмотки подключаем на схему к контактам 1 и 7(полюсовка не имеет значения).Что получили,а получили мы датчик который управляет нашим рэле,т.е при попадании воды на датчик мы слышем "ТИК"-означает что рэле сработало.Теперь нужно заставить наше рэле управлять помпой-разрезаем один из проводов идущих к помпе(любой,но только один из двух),в руках у нас получилось 2 провода(бывшый,теперь разрезаный),эти два провода теперь необходимо подключить к контактам рэле которые выполнят роль выключателя.
|
|
|
|
cказали "Дякую" elektro-kot за цей допис:
|
|
10.05.2006, 20:03
|
#11
|
|
Активний участник форуму
Реєстрація: 01.03.2005
Звідки Ви: Израиль г.Петах-Тиква.
Дописи: 410
сказав Дякую: 158
сказали Дякую 112 раз(и) в 84 повідомленні
|
Re: Датчик утечки воды ===www.aquaforum.ua===
извиняюсь за качество,и за метод исполнения
Востаннє редагував elektro-kot: 21.05.2006 о 03:11..
|
|
|
11.05.2006, 13:31
|
#12
|
|
Модератор коммерческого раздела Член Всеукраинской Ассоциации аквариумистов
Реєстрація: 11.07.2004
Звідки Ви: Чернигов
Дописи: 2.947
сказав Дякую: 751
сказали Дякую 1.648 раз(и) в 604 повідомленні
|
Re: Датчик утечки воды ===www.aquaforum.ua===
Цитата:
|
Допис від elektro-kot
Теперь:если щема будет запитана от источника питания 14-15В,то вам понадобится рэле с обмоткой на напряжение 12В,из советских на сколько я помню можно использовать рэле типа РЭС-9 или 10..
|
вопросик - а если напряжение будет меньше - 9 вольт, какое5 релу лучше использовать?
Цитата:
|
Допис від elektro-kot
т.е при попадании воды на датчик мы слышем "ТИК"-означает что рэле сработало.Теперь нужно заставить наше рэле управлять помпой.
|
вопросик 2 - если вода попадает на клемы, то срабатывает реле ... на включение или выключение???
__________________ 
|
|
|
11.05.2006, 21:55
|
#13
|
|
Активний участник форуму
Реєстрація: 01.03.2005
Звідки Ви: Израиль г.Петах-Тиква.
Дописи: 410
сказав Дякую: 158
сказали Дякую 112 раз(и) в 84 повідомленні
|
Re: Датчик утечки воды ===www.aquaforum.ua===
Судя по схеме которая дана выше,я имею ввиду та что запакована в RAR(самая первая),то рэле буден срабатывать при попадении воды на включение,т.е вам нужно использовать контакты которые являются нормально-открытые,тогда при наличии воды рэлюха сработает,замкнутся контакты и включится помпа.
Далее по-поводу рэле:при 9 вольтах питания вам необходимо найти рэле на 7 вольт,а такое более сложно отыскать,потому и соватую питать шему от 14-15В и использовать рэле на 12В.
|
|
|
|
cказали "Дякую" elektro-kot за цей допис:
|
|
10.05.2006, 21:23
|
#14
|
|
Член Всеукраїнської Асоціації акваріумістів
Реєстрація: 01.07.2003
Звідки Ви: UA,Kyiv
Дописи: 526
сказав Дякую: 229
сказали Дякую 214 раз(и) в 98 повідомленні
|
Re: Датчик утечки воды ===www.aquaforum.ua===
у тех же КИТов есть исполнительный елемент, что бы присобачить к датчику.
ищем NK146, там схема есть, тоже очень простая себестоимость ок.7 грн.
если купить набор 18 грн. в разборе и ок. 25 в сборке, на Караваевых посмотрите там 2 точки есть.
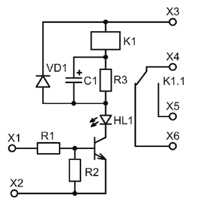
вот нашел у себя схемку,
описание работы устройства (инфа с сайта КИТ) но только это для 4-х канального, представляем что у нас 1 канал
********************************************
Все четыре канала блока реле выполнены по идентичным схемам. Каждый канал состоит из транзисторного ключа VT1…VT4, электромагнитного реле K1…K4, светодиода VD5…VD8. Светодиод VD5…VD8 индицирует срабатывание реле K1…K4. Резисторный делитель в цепи базы транзистора VT1…VT4 обеспечивает привязку напряжения срабатывания устройства к стандартным ТТЛ уровням. В цепь коллектора VT1…VT4, через параллельно соединённые резистор R9…R12 и конденсатор C1…C4, включена обмотка электромагнитного реле K1…K4, контактная группа K1.1…K4.1 которого замыкает-размыкает (в зависимости от точек подключения нагрузки, а именно точки X8…X11-X12…X15 на замыкание, X8…X11-X16…X19 на размыкание реле соответственно) цепь питания нагрузки. При замыкании электронного ключа VT1…VT4, конденсатор C1…C4, заряжаясь через обмотку реле K1…K4, создаёт импульс тока, достаточный для притяжения якоря этого реле. После заряда конденсатора якорь реле удерживается меньшим током, протекающим через резистор R9…R12, что делает устройство экономичнее с точки зрения потребления тока. Диод VD1…VD4 защищает транзистор VT1…VT4 от импульсного пробоя в момент его закрытия.
Источник управляющих сигналов подключается к точкам X2 (1-ый канал), X3 (2-ой канал), X4 (3-ий канал), X5 (5-ый канал), X6 (земля).
Нагрузки подключаются к точкам X8…X11-X12…X15 на замыкание, X8…X11-X16…X19 на размыкание реле соответственно.
Напряжение питание подается на точки X1, X20, либо X7, X21.
При необходимости коммутации нагрузки с током потребления свыше 6А реле K1…K4 можно заменить более сильноточным (с аналогичными параметрами замыкания первичной обмотки) или использовать реле K1…K4 для включения другого, более мощного.
*************************************************
__________________ 
Востаннє редагував Slesh: 10.05.2006 о 21:29..
|
|
|
 |
|
Тут присутні: 1 (учасників - 0 , гостей - 1)
|
|
|
Ваші права у розділі
|
Ви не можете створювати теми
Ви не можете писати дописи
Ви не можете долучати файли
Ви не можете редагувати дописи
HTML код Вимк.
|
|
|
Часовий пояс GMT +3. Поточний час: 05:57.
|