На головну сторінку Аквафорум
На головну сторінку




Назад   Аквафорум - форум акваріумістів та тераріумістів > Акваріум та обладнання > Освещение > Лампы и ЭПРА

Примітки

Лампы и ЭПРА Технические данные по лампам и ЭПРА, взаимозаменяемость, совместимость ламп, ЭПРА.

Відповідь
 
Параметри теми Параметри перегляду
Старий 11.06.2010, 20:56   #16
Живу я тут
  
 
Аватар для hollek
 
Реєстрація: 04.03.2010
Звідки Ви: Луганская обл. г Рубежное
Дописи: 443
сказав Дякую: 420
сказали Дякую 174 раз(и) в 92 повідомленні
Re: На 36 две по 18 ===www.aquaforum.ua===

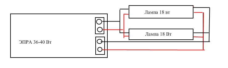
Всётаки я немогу успокоиться почему нельзя подключить на одну ЭПРА 2 лапмы паралельно как показано на схеме.
Извеняюсь за качество схемы.
Я конечно могу быть не прав, но просто хотелось бы узнать в чём?
Мініатюри долучень
Щоб збільшити малюнок, клацніть по ньому
Назва:  схема.jpg
Переглядів: 502
Розмір:  30,1 КБ
ID:	77250  


__________________



Востаннє редагував hollek: 11.06.2010 о 21:01..
hollek поза форумом   Відповісти з цитуванням
Старий 25.11.2010, 20:15   #17
Придивляюся
  
 
Аватар для Aqua_fish
 
Реєстрація: 11.11.2010
Звідки Ви: Киев
Дописи: 26
сказав Дякую: 3
сказали Дякую 8 раз(и) в 5 повідомленні
gi Re: На 36 две по 18 ===www.aquaforum.ua===

Цитата:
Допис від hollek Переглянути допис
Всётаки я немогу успокоиться почему нельзя подключить на одну ЭПРА 2 лапмы паралельно как показано на схеме.
Извеняюсь за качество схемы.
Я конечно могу быть не прав, но просто хотелось бы узнать в чём?
А почему нельзя совать пальцы в розетку?

Aqua_fish поза форумом   Відповісти з цитуванням
Старий 27.11.2010, 20:53   #18
Живу я тут
  
 
Аватар для chack
 
Реєстрація: 12.02.2008
Звідки Ви: Оболонь, Петровка
Дописи: 8.891
сказав Дякую: 2.489
сказали Дякую 2.878 раз(и) в 2.065 повідомленні
Надіслати повідомлення для chack на Skype
Re: На 36 две по 18 ===www.aquaforum.ua===

hollek, где это вы выцарапали такую бредовую схему?
при таком включении загорится только одна лампа и она сгорит (не сразу), затем включится вторая лампа и тоже сгорит. При паралельном включении на каждую лампу должен идти свой дроссель. (катушка внутри, на плате). Тогда обе лампы будут работать. А так можно включить две по 18 на один эпра 36 только последовательно включив лампы!
__________________
Свет. ЭПРА, аквариумые лампы т5;т8; МГ-150; LED-комплекты и светильники системы СО2 под ключ. тел: 095 0105853; 098 6143112
Лучшие статьи месяца на Аквафоруме

chack поза форумом   Відповісти з цитуванням


Share/Bookmark

Відповідь


Тут присутні: 1 (учасників - 0 , гостей - 1)
 
Параметри теми
Параметри перегляду

Ваші права у розділі
Ви не можете створювати теми
Ви не можете писати дописи
Ви не можете долучати файли
Ви не можете редагувати дописи

BB-код є Увімк.
Усмішки Увімк.
[IMG] код Увімк.
HTML код Вимк.

Швидкий перехід


Часовий пояс GMT +3. Поточний час: 20:16.


vBulletin 3.8.7 ; Copyright © 2000-2026 Jelsoft Enterprises Limited
Переклад: © Віталій Стопчанський, 2004-2010
(с)Бешлега Олександр Анатолійович, 2002-2025. Використання матеріалів сайту без посилання на джерело заборонено.
Дякуємо за ліцензійну версію форума компанію Барбус, представника торгової марки Sera в Україні.


no new posts