 |
03.05.2009, 22:48
|
#1
|
|
Рассвет/закат в аквариуме
Живу я тут
Реєстрація: 02.12.2008
Звідки Ви: Россия, Ростов
Дописи: 136
сказав Дякую: 2
сказали Дякую 44 раз(и) в 18 повідомленні

03.05.2009, 22:48
Рейтинг:
(1 голосов - 5,00 средняя оценка)
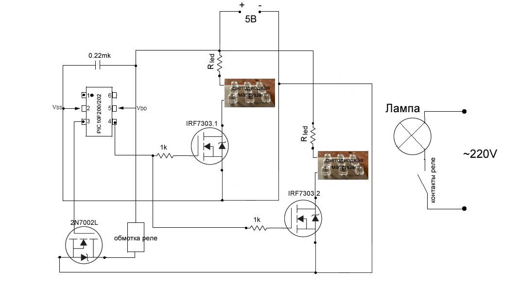
Вот такое вот устройство.
Состоит из микроконтроллера, полевого транзистора, нескольких резисторов, конденсатора и светодиодной матрицы. Напряжение питания 5 Вольт.
Матрица в данном случае состоит из 9 соединенных параллельно светодиодов. Диоды были только красные, но никто не мешает их заменить на белые или какие нравятся.
Из расчетов: следует расчитать номинал и мощность резистора Rled.
5.05.2009
В процессе размышлений пришла вот такая идея. Т.к. микросхема IRF7303 содержит 2 полевых транзистора по 5Ампер каждый, так зачем второму пропадать, подключим и его тоже. И так имеем 2 параллельных канала для светодиодов по 5Ампер каждый.
И последнее, у микроконтроллера остались еще свободные ноги, пусть тогда он после того как рассвет произошел включает основной свет, а на другую ногу можно повесить кнопку. Нажал - начали разгораться светодиоды, полностью зажглись - включился основной свет, еще раз нажал - основной свет выключился - начался закат.
З.Ы. Забыл: параллельно обмотки реле - диод.
Мініатюри долучень
Долучені файли
Востаннє редагував Акватаймер: 09.06.2009 о 20:15..
Причина: Обновление
|
|
Переглядів: 19314
|
|
Ці 6 користувач(ів) сказали Дякую Акватаймер за це повідомлення:
|
|
31.05.2009, 23:13
|
#2
|
|
Придивляюся
Реєстрація: 29.09.2007
Звідки Ви: ДОНЕЦК
Дописи: 19
сказав Дякую: 9
сказали Дякую 1 раз(и) в 1 повідомленні
|
Re: Светодиодный рассвет/закат ===www.aquaforum.ua===
этот аквотаймер чтоль реагирует на рассвет изакат и приэтом включает и выключает свет?
|
|
|
01.06.2009, 17:25
|
#3
|
|
Живу я тут
Реєстрація: 02.12.2008
Звідки Ви: Россия, Ростов
Дописи: 136
сказав Дякую: 2
сказали Дякую 44 раз(и) в 18 повідомленні
|
Re: Светодиодный рассвет/закат ===www.aquaforum.ua===
ТИТКОВ, Нет, Вы не поняли с помощью этого устройства можно в аквариуме самостоятельно делать рассвет или закат.
Вот так происходит закат  .
К устройству были подключены лента светодиодов (около 80см)
и светильник
 .
Востаннє редагував Акватаймер: 09.06.2009 о 20:18..
|
|
|
29.07.2011, 00:25
|
#4
|
|
Придивляюся
Реєстрація: 29.07.2011
Звідки Ви: Тульская область
Дописи: 3
сказав Дякую: 0
сказали Дякую 0 раз(и) в 0 повідомленні
|
Re: Светодиодный рассвет/закат ===www.aquaforum.ua===
подскажите пожалуйста, это надо потом программировать? если да, то как7
|
|
|
29.07.2011, 21:39
|
#5
|
|
Живу я тут
Реєстрація: 02.12.2008
Звідки Ви: Россия, Ростов
Дописи: 136
сказав Дякую: 2
сказали Дякую 44 раз(и) в 18 повідомленні
|
Re: Светодиодный рассвет/закат ===www.aquaforum.ua===
А что значит потом? Там вообще-то контроллер стоит, его и нужно программировать, а сейчас или потом это уже кому как.
|
|
|
01.08.2011, 14:37
|
#6
|
|
Придивляюся
Реєстрація: 29.07.2011
Звідки Ви: Тульская область
Дописи: 3
сказав Дякую: 0
сказали Дякую 0 раз(и) в 0 повідомленні
|
Re: Светодиодный рассвет/закат ===www.aquaforum.ua===
Цитата:
Допис від Акватаймер
А что значит потом? Там вообще-то контроллер стоит, его и нужно программировать, а сейчас или потом это уже кому как.
|
потом, это я имел ввиду после сборки. подскажите как и чем это сделать. А еще мне бы хотелось печатную платку плиз. Извините за назойливость
|
|
|
03.08.2011, 13:42
|
#7
|
|
Придивляюся
Реєстрація: 14.07.2011
Звідки Ви: Северодвинск
Дописи: 1
сказав Дякую: 0
сказали Дякую 0 раз(и) в 0 повідомленні
|
Re: Светодиодный рассвет/закат ===www.aquaforum.ua===
Интересная схема, а можно сделать вариант на 12-вольтовые диоды?
|
|
|
03.08.2011, 14:46
|
#8
|
|
Придивляюся
Реєстрація: 24.01.2010
Звідки Ви: Одесса
Дописи: 72
сказав Дякую: 17
сказали Дякую 73 раз(и) в 21 повідомленні
|
Відповідь: Светодиодный рассвет/закат ===www.aquaforum.ua===
A где взять прошивку?
|
|
|
03.10.2011, 22:38
|
#9
|
|
Придивляюся
Реєстрація: 29.07.2011
Звідки Ви: Тульская область
Дописи: 3
сказав Дякую: 0
сказали Дякую 0 раз(и) в 0 повідомленні
|
Re: Відповідь: Светодиодный рассвет/закат ===www.aquaforum.ua===
Цитата:
Допис від velotronik
A где взять прошивку?
|
похоже прошивку и все остальное своей головушкой и ручками 
|
|
|
16.06.2016, 15:03
|
#10
|
|
Придивляюся
Реєстрація: 16.06.2016
Звідки Ви: Украина
Дописи: 2
сказав Дякую: 2
сказали Дякую 4 раз(и) в 1 повідомленні
|
Re: Светодиодный рассвет/закат ===www.aquaforum.ua===
Собрал простейшую схему рассвета - заката на двух транзисторах. Резистор регулирует время рассвета и заката (приблизительно до 20 минут). Переключатель в одном положении - рассвет, во втором - закат. У меня вместо переключателя - таймер типа Cn101 на 12вольт. На выходе схемы напряжение ниже, чем на входе на 1-2вольта. Транзистору КТ817 (можно КТ819) нужен хороший радиатор. Схема рассчитана на ток до 2А. У меня запитано 138 светодиодов (46х3).
Востаннє редагував Antialex78: 16.06.2016 о 15:15..
|
|
|
|
Ці 4 користувач(ів) сказали Дякую Antialex78 за це повідомлення:
|
|
 |
|
Тут присутні: 1 (учасників - 0 , гостей - 1)
|
|
|
| Параметри теми |
|
|
| Параметри перегляду |
Лінійний вигляд
|
Ваші права у розділі
|
Ви не можете створювати теми
Ви не можете писати дописи
Ви не можете долучати файли
Ви не можете редагувати дописи
HTML код Вимк.
|
|
|
Часовий пояс GMT +3. Поточний час: 01:25.
|