 |
|
17.10.2011, 13:21
|
#61
|
|
Живу я тут
Реєстрація: 12.09.2011
Звідки Ви: Винница
Дописи: 230
сказав Дякую: 68
сказали Дякую 146 раз(и) в 64 повідомленні
|
Re: Тема для "Чуваков с паяльниками в одном месте" (с) Hippo ===www.aquaforum.ua===
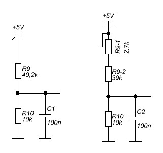
pimass, если прецезионника не найдешь, можно так как на рис ниже
__________________
Если хочешь, чтобы было сделано хорошо - делай сам.
|
|
|
|
cказали "Дякую" spav777 за цей допис:
|
|
17.10.2011, 13:42
|
#62
|
|
Живу я тут
Реєстрація: 12.09.2011
Звідки Ви: Винница
Дописи: 230
сказав Дякую: 68
сказали Дякую 146 раз(и) в 64 повідомленні
|
Re: Тема для "Чуваков с паяльниками в одном месте" (с) Hippo ===www.aquaforum.ua===
Не нашел на космодроме, там вообще прецезионных резисторов мало, давай пересчитаю делитель на обычных, чтоб напруга на выходе была 1,25 В та и все.
__________________
Если хочешь, чтобы было сделано хорошо - делай сам.
|
|
|
17.10.2011, 13:48
|
#63
|
|
Модератор Винницкого клуба аквариумистов
Реєстрація: 22.05.2009
Звідки Ви: Варшава-Вишенка
Дописи: 12.801
сказав Дякую: 2.464
сказали Дякую 5.200 раз(и) в 3.381 повідомленні
|
Re: Тема для "Чуваков с паяльниками в одном месте" (с) Hippo ===www.aquaforum.ua===
spav777, Ну давай, только вопрос как эту всю канитель на плате разместить? К стати, ты на работе сегодня до скольки? В обед заберу платы, заодно и глянешь.
__________________
Танцуют звезды и луна © Как там начало?
guns don't kill people, people kill people
[URL="http://www.aquaforum.ua/showthread.php?p=3238854#post3238854"][B][I][SIZE="4"][COLOR="Red"][FONT="Courier New"]Светодиоды Cree XT-E, термокомпаунд, драйвера Mean Well[/FONT][/COLOR][/SIZE][/I][/B][/URL]
__________________  
|
|
|
17.10.2011, 14:02
|
#64
|
|
Живу я тут
Реєстрація: 12.09.2011
Звідки Ви: Винница
Дописи: 230
сказав Дякую: 68
сказали Дякую 146 раз(и) в 64 повідомленні
|
Re: Тема для "Чуваков с паяльниками в одном месте" (с) Hippo ===www.aquaforum.ua===
Можно ставить R9=12кОм R10=3кОм, эти будут из стандартного ряда резисторов и кондер (тот, что параллельно R10) увеличить до 0,47мкФ
Резисторы желательно взять с допуском не более 1%
__________________
Если хочешь, чтобы было сделано хорошо - делай сам.
|
|
|
|
Ці 2 користувач(ів) сказали Дякую spav777 за це повідомлення:
|
|
17.10.2011, 15:07
|
#65
|
|
Модератор Винницкого клуба аквариумистов
Реєстрація: 22.05.2009
Звідки Ви: Варшава-Вишенка
Дописи: 12.801
сказав Дякую: 2.464
сказали Дякую 5.200 раз(и) в 3.381 повідомленні
|
Re: Тема для "Чуваков с паяльниками в одном месте" (с) Hippo ===www.aquaforum.ua===
Забрал платки рН усилков и клавиатур
__________________
Танцуют звезды и луна © Как там начало?
guns don't kill people, people kill people
[URL="http://www.aquaforum.ua/showthread.php?p=3238854#post3238854"][B][I][SIZE="4"][COLOR="Red"][FONT="Courier New"]Светодиоды Cree XT-E, термокомпаунд, драйвера Mean Well[/FONT][/COLOR][/SIZE][/I][/B][/URL]
__________________  
|
|
|
|
cказали "Дякую" pimass за цей допис:
|
|
17.10.2011, 20:15
|
#66
|
|
Живу я тут
Реєстрація: 03.02.2008
Звідки Ви: Винница
Дописи: 689
сказав Дякую: 299
сказали Дякую 303 раз(и) в 175 повідомленні
|
Re: Тема для "Чуваков с паяльниками в одном месте" (с) Hippo ===www.aquaforum.ua===
Поддержу тему, но с вопросом(сам почти ноль в етом).
Есть проблемка, после скачка напряжения перестали ел.таймеры(Feron) включаться.
Что может сгореть или так сказать "залипнуть"(понимаю что все что угодно. но на базаре говорили что что-то там оч чувствительно к етому, мож кто в курсе)?
ЗЫ: то есть дисплей работает, программа работает на нем , а при нужном времени включения(и принудительно), не подает ток на выход: на девайс включенный в него.
__________________
На безрыбье и сам крилем станешь!!!
|
|
|
17.10.2011, 21:06
|
#67
|
|
Модератор Винницкого клуба аквариумистов
Реєстрація: 22.05.2009
Звідки Ви: Варшава-Вишенка
Дописи: 12.801
сказав Дякую: 2.464
сказали Дякую 5.200 раз(и) в 3.381 повідомленні
|
Re: Тема для "Чуваков с паяльниками в одном месте" (с) Hippo ===www.aquaforum.ua===
может релюшка?
__________________
Танцуют звезды и луна © Как там начало?
guns don't kill people, people kill people
[URL="http://www.aquaforum.ua/showthread.php?p=3238854#post3238854"][B][I][SIZE="4"][COLOR="Red"][FONT="Courier New"]Светодиоды Cree XT-E, термокомпаунд, драйвера Mean Well[/FONT][/COLOR][/SIZE][/I][/B][/URL]
__________________  
|
|
|
|
cказали "Дякую" pimass за цей допис:
|
|
17.10.2011, 21:51
|
#68
|
|
Модератор Винницкого клуба аквариумистов
Реєстрація: 22.05.2009
Звідки Ви: Варшава-Вишенка
Дописи: 12.801
сказав Дякую: 2.464
сказали Дякую 5.200 раз(и) в 3.381 повідомленні
|
Re: Тема для "Чуваков с паяльниками в одном месте" (с) Hippo ===www.aquaforum.ua===
Вот собственно то, что уже есть

Плата рН усилка

Платка клавиатуры контроллера
__________________
Танцуют звезды и луна © Как там начало?
guns don't kill people, people kill people
[URL="http://www.aquaforum.ua/showthread.php?p=3238854#post3238854"][B][I][SIZE="4"][COLOR="Red"][FONT="Courier New"]Светодиоды Cree XT-E, термокомпаунд, драйвера Mean Well[/FONT][/COLOR][/SIZE][/I][/B][/URL]
__________________  
|
|
|
|
cказали "Дякую" pimass за цей допис:
|
|
18.10.2011, 10:40
|
#69
|
|
Живу я тут
Реєстрація: 12.09.2011
Звідки Ви: Винница
Дописи: 230
сказав Дякую: 68
сказали Дякую 146 раз(и) в 64 повідомленні
|
Re: Тема для "Чуваков с паяльниками в одном месте" (с) Hippo ===www.aquaforum.ua===
Grave, Если (когда он еще работал) клацал при включении нагрузки, могут быть проблемы с реле, или ключем управления реле (транзистор и т.п.).
Если же он включался бесшумно - значит выход сделан на симисторе, вероятно сдох симстор или оптопара.
А еше банальный вариант - предохранитель по силовой линии (может быть установлен на плате).
Вообще-то желательно фото потрохов, тогда понятнее будет с чем имеем дело.
__________________
Если хочешь, чтобы было сделано хорошо - делай сам.
|
|
|
18.10.2011, 10:42
|
#70
|
|
Живу я тут
Реєстрація: 12.09.2011
Звідки Ви: Винница
Дописи: 230
сказав Дякую: 68
сказали Дякую 146 раз(и) в 64 повідомленні
|
Re: Тема для "Чуваков с паяльниками в одном месте" (с) Hippo ===www.aquaforum.ua===
pimass, напомниш, чтобы взял тебе панельки 8-миножечные под микросхемы на платку.
__________________
Если хочешь, чтобы было сделано хорошо - делай сам.
|
|
|
18.10.2011, 10:45
|
#71
|
|
Модератор Винницкого клуба аквариумистов
Реєстрація: 22.05.2009
Звідки Ви: Варшава-Вишенка
Дописи: 12.801
сказав Дякую: 2.464
сказали Дякую 5.200 раз(и) в 3.381 повідомленні
|
Re: Тема для "Чуваков с паяльниками в одном месте" (с) Hippo ===www.aquaforum.ua===
spav777, Ну вот когда будут все запчасти, напомню... А что без панелек их запаять не получиться?
__________________
Танцуют звезды и луна © Как там начало?
guns don't kill people, people kill people
[URL="http://www.aquaforum.ua/showthread.php?p=3238854#post3238854"][B][I][SIZE="4"][COLOR="Red"][FONT="Courier New"]Светодиоды Cree XT-E, термокомпаунд, драйвера Mean Well[/FONT][/COLOR][/SIZE][/I][/B][/URL]
__________________  
|
|
|
18.10.2011, 10:47
|
#72
|
|
Бан за нарушения
Реєстрація: 06.11.2007
Звідки Ви: Донецк, зона АТО
Дописи: 19.780
сказав Дякую: 5.789
сказали Дякую 17.707 раз(и) в 6.926 повідомленні
|
Re: Тема для "Чуваков с паяльниками в одном месте" (с) Hippo ===www.aquaforum.ua===
Коллеги, а что ваяете, если не секрет ?
__________________
[I][B][COLOR=blue]С уважением, Сергей Таранченко[/COLOR][/B][/I]
|
|
|
18.10.2011, 10:50
|
#73
|
|
Модератор Винницкого клуба аквариумистов
Реєстрація: 22.05.2009
Звідки Ви: Варшава-Вишенка
Дописи: 12.801
сказав Дякую: 2.464
сказали Дякую 5.200 раз(и) в 3.381 повідомленні
|
Re: Тема для "Чуваков с паяльниками в одном месте" (с) Hippo ===www.aquaforum.ua===
Starcomputer, Контроллер пытаемся сваять на платформе Arduino.
__________________
Танцуют звезды и луна © Как там начало?
guns don't kill people, people kill people
[URL="http://www.aquaforum.ua/showthread.php?p=3238854#post3238854"][B][I][SIZE="4"][COLOR="Red"][FONT="Courier New"]Светодиоды Cree XT-E, термокомпаунд, драйвера Mean Well[/FONT][/COLOR][/SIZE][/I][/B][/URL]
__________________  
|
|
|
|
cказали "Дякую" pimass за цей допис:
|
|
18.10.2011, 10:56
|
#74
|
|
Живу я тут
Реєстрація: 12.09.2011
Звідки Ви: Винница
Дописи: 230
сказав Дякую: 68
сказали Дякую 146 раз(и) в 64 повідомленні
|
Re: Тема для "Чуваков с паяльниками в одном месте" (с) Hippo ===www.aquaforum.ua===
Starcomputer, практически тоже, что и Вы, но с претензией сделать девайс доступнее для повторения и ниже по цене.
__________________
Если хочешь, чтобы было сделано хорошо - делай сам.
|
|
|
|
cказали "Дякую" spav777 за цей допис:
|
|
18.10.2011, 10:59
|
#75
|
|
Бан за нарушения
Реєстрація: 06.11.2007
Звідки Ви: Донецк, зона АТО
Дописи: 19.780
сказав Дякую: 5.789
сказали Дякую 17.707 раз(и) в 6.926 повідомленні
|
Re: Тема для "Чуваков с паяльниками в одном месте" (с) Hippo ===www.aquaforum.ua===
Я так понял рН электрод там будет подключаться.
У меня тут при длительной работе рН электродов глюк непонятный:
Работает месяц (или около того) потом в один прекрасный день контроллер показывает 1,9 при подключенном электроде и 12,9 при отключенном.
Куда электрод не суй - показания не меняются. Электроды нормальные, рабочие, разные (стекло и пластик). На море и в пресняке одно и то-же.
Пока не разобрался, то ли усилок где-то что-то клинит от времени, то ли программа контроллера глючит.
Найду причину - отпишусь.
__________________
[I][B][COLOR=blue]С уважением, Сергей Таранченко[/COLOR][/B][/I]
|
|
|
 |
|
|
Тут присутні: 1 (учасників - 0 , гостей - 1)
|
|
|
| Параметри теми |
|
|
| Параметри перегляду |
Лінійний вигляд
|
Ваші права у розділі
|
Ви не можете створювати теми
Ви не можете писати дописи
Ви не можете долучати файли
Ви не можете редагувати дописи
HTML код Вимк.
|
|
|
Часовий пояс GMT +3. Поточний час: 00:54.
|