На головну сторінку Аквафорум
На головну сторінку




Назад   Аквафорум - форум акваріумістів та тераріумістів > Акваріум та обладнання > "Самоделкин" > Подача СО2 и удобрений

Примітки

Відповідь
 
Параметри теми Параметри перегляду
Старий 05.06.2012, 13:23  
Дозатор аквариумных удобрений от spav777
 
Аватар для spav777
Живу я тут

Реєстрація: 12.09.2011
Звідки Ви: Винница
Дописи: 230
 

сказав Дякую: 68
сказали Дякую 146 раз(и) в 64 повідомленні
spav777 spav777 поза форумом 05.06.2012, 13:23
Рейтинг: (12 голосов - 4,75 средняя оценка)

Дозатор аквариумных удобрений от spav777

Представляю вниманию общественности свою конструкцию дозатрора удобрений на основе популярных помп ULKA.
Конструкция не претендует на идеал, но реализовывает именно те функции, которые по моему скромному мнению должен содержать подобный девайс.
Вдохновило на постройку данного устройства два факта:
- во первых неудовлетворительная работа прежнего дозатора на основе шприцов (через месяца эксплуатации стали залипать поршни после суточного простоя);
- во вторых вызвала интерес статья "Принципиально новый дозатор!!!" от boba88 http://www.aquaforum.ua/showthread.php?t=69760 и решил, а почему бы не сваять что либо подобное, но свое.
Как упоминалось выше дозатор построен на четырех насосах-помпах ULKA EX5 230V 48W.
Выбор данной модели насосов продиктован только тем, что их можно было легко найти в продаже и стоят они относительно недорого (мне обошлись по 123грн/шт).
В принцпе возможно использовать любую другую модель насосов вибрационного типа на напряжение 220В (в контроллере предусмотрена калибровка производительности каждой помпы и регулировка подводимого напряжения).
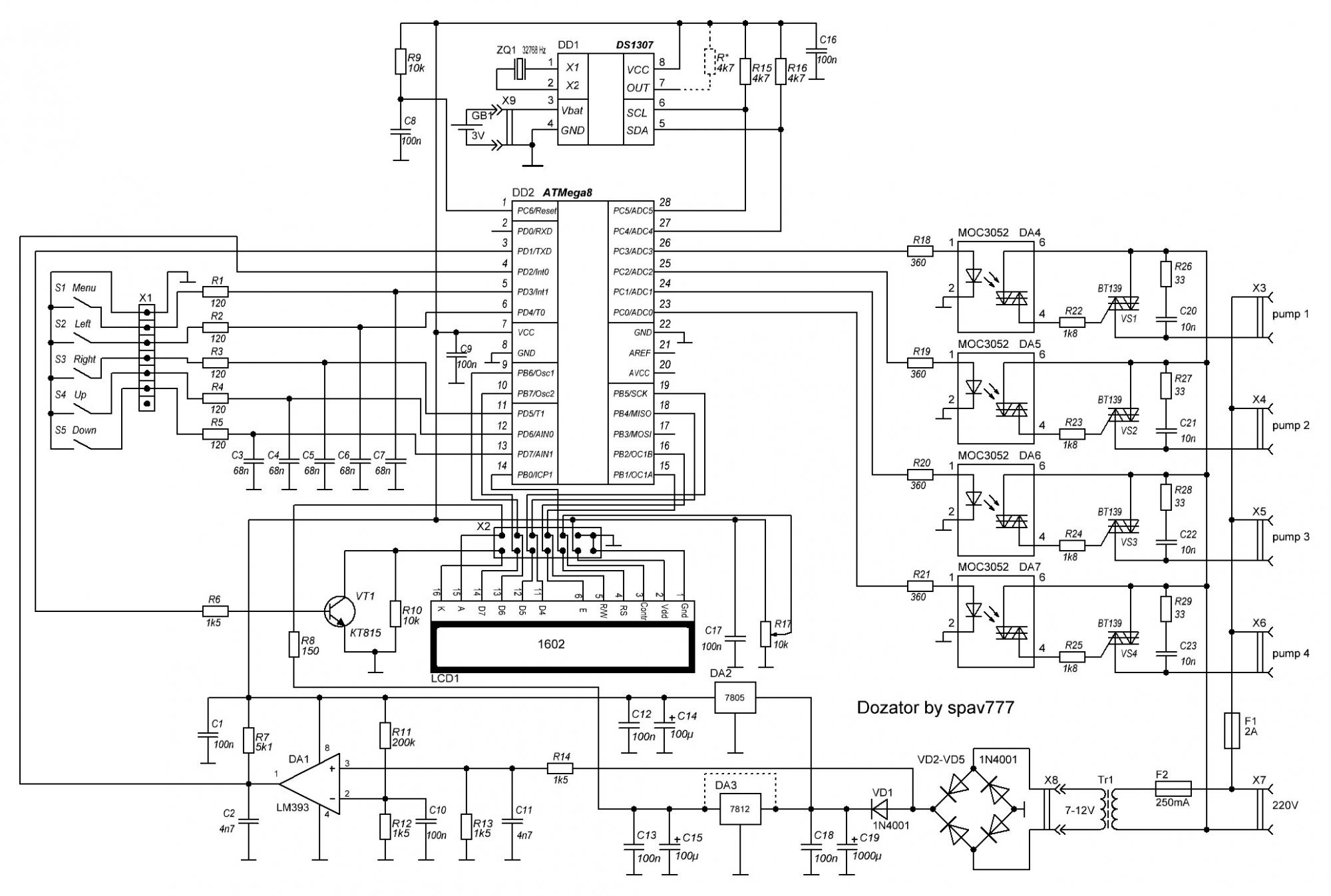
Мозгом данного устройства является микроконтроллер ATMega8. Почему именно ATMega8? Да просто валялся под руками без дела стробоскоп с вышмаленной лампой, а в нем оказался полностью рабочий, всеми горячё любимый микроконтроллер, вот от него и решил плясать.
Конструктивно устройство состоит из блока управления и четырех помп. У меня это все закреплено на куске листового полистирола.
Блок управления разместился в подходящей пластмассовой коробочке (любезно подареной электроиком на работе) от импортного трехфазного автомата.

Блок управления содержит:
- вышеупомянутый микроконтроллер ATMega8;
- часы реального времени DS1307 с кварцем и батарейкой;
- LCD индикатор 16х2 (с кирилицей);
- 4 силовых канала управления помпами на MOC3052+BT139 (моки без синхронизации перехода через ноль, для реализации ШИМ метода регулировки мощности на помпах, симсторы можно применить намного слабее, у меня просто к 139-ым личная симпатия);
- узел детектирования перехода сетевого напряжения через ноль на компараторе LM393;
- клавиатуру из пяти кнопок;
- стабилизированный источник питания +5В, +12В.

Функциональные возможности блока управления:
- энергонезависимые часы с календарем;
- в режиме главного экрана отображение: часы, день недели, число, месяц, год, активность таймеров помп;
- русифицированное меню;
- 4 канала управления насосами-помпами;
- регулировка мощности в каналах от 10% до 100% с шагом в 10% (общая для всех каналов);
- отдельная установка времени срабатывания для каждого канала;
- установка дней недели срабатывания (в любых комбинациях) помп, для каждого канала отдельно;
- отдельная настройка объема прокачки для каждого канала;
- калибровка каждого канала (с вводом калибровочных констант через меню);
- ручная проверка правильности калибровки помп;
- ручной режим прокачки помп;
- индикация колличества качков для каждой помпы, соответствующих установленному объему прокачки;
- все настраиваемые переменные записываются в EEPROM (при выключении питания часы, таймеры и калибровки не собьются);
- защта от детей (вход в меню настроек осуществляется длительным удержанием кнопки меню) - надеюсь все согласны, что если ребенок зайдет в меню и доберется до ручной прокачки помп, то в банке может мгновенно оказаться полугодовой запас химии, что не очень одобрят обитатели ;
- автоматический выход в главный экран по истечению некоторого времени (30-90сек);
- автоматическое снижение яркости подсветки.

Принцип дозирования удобрений основан на отсчете колличества качков помпы. Известно, что помпы данной конструкции (вибрационные) делают один качёк за один полный период сетевого напряжения.
Потому зная колличество жидкости, подаваемой помпой за один качек (определяется калибровкой), можно точно подать необходимый объем жидкости, отмеряв заданное колличество качков.
Колличество качков отмеряется контроллером путем отсчета периодов сетевого напряжения, поданых на помпу.
Широкие возможности по калибровке и регулировке подводимой мощности, позволяют применять практически любые модели вибрационных помп-насосов ULKA.
Электроника собрана на односторонней печатной плате, к которой на разъемах подключаются индикатор и клавиатура. Высоковольтные подключения реализованы на винтовых клемниках. Микросхемы установлены в панельки. Микроконтроллер применен в DIP корпусе. Батарея питания часов - литиевая 2032, установлена в вертикальный держатель.
Разъем для внутрисхемного программирования (ISP) не выводил, все шилось Лошадью.
Биты конфигурации микроконтроллера:
LOW 0x24
HIGH 0xD9
КРЕНку на 12В можно не ставить, если выход с трансформатора не больше 10В.
Индикатор - на свой вкус и цвет 1602 с кириллицей (их сейчас немерено - самых разных сортов и фасонов).
Свой вариант платы в SprintLayout прилагается.
Перечень элементов специально не делал - плата не сложная, номиналы можно отыскать по схеме логическим сопоставлением.
При прошивке контроллера необходимо кроме файла .hex загрузить и .eep, иначе правильная работа устройства не гарантируется.
Помпы в моем варианте закреплены в кассету из двух пластин полистирола и стянуты шпильками. В идеальном варианте можно приобрести специальные антивибрационные уголки-держатели для каждой помпы (но это примерно +100грн за 4 комплекта).
Данная модель помп имеет на выходе резьбовое соединение 1/8дюйма, поэтому для перехода на трубку использовал стандартные быстроразъёмные уголковые фитинги JG от осмосных систем (другие варианты под руку не подвернулись). Закручиваются очень туго - но надежно. В данные фитинги был вставлен ПВХ шланг 4х1 (наружный диаметр 6мм), другой конец которого уходит в банку. На заборный патрубок помп надеты ПВХ трубки диаметром 5х0.8мм (менише уже не надевались). Никаких обратных клапанов не применял, в конструкции самой помпы имеется два обратных клапана, которых вполне хватает, чтобы жидкость самотеком не возвращалась назад.

Проект не коммерческий (по крайней мере в данной версии прошивки), посему все желающие для личного пользования могут свободно собирать, модернизировать и использовать данный девайс на радость себе и обитателям своих аквариумов.
При публикации на других сайтах, обязательно ссылка на первоисточник.
Схема, плата, прошивка и инструкция по эксплуатации в архиве.

Мініатюри долучень
Щоб збільшити малюнок, клацніть по ньому
Назва:  фото_дозатор.jpg
Переглядів: 4935
Розмір:  209,5 КБ
ID:	239627   Щоб збільшити малюнок, клацніть по ньому
Назва:  фото_плата.jpg
Переглядів: 3870
Розмір:  213,7 КБ
ID:	239628   Щоб збільшити малюнок, клацніть по ньому
Назва:  дозатор_плата.JPG
Переглядів: 3307
Розмір:  569,4 КБ
ID:	239630   Щоб збільшити малюнок, клацніть по ньому
Назва:  дозатор_плата_кноп.JPG
Переглядів: 2758
Розмір:  134,7 КБ
ID:	239659   Щоб збільшити малюнок, клацніть по ньому
Назва:  дозатор_схема.jpg
Переглядів: 4534
Розмір:  254,9 КБ
ID:	242929  


Долучені файли
Тип файлу: rar Дозатор УДО by spav777.rar (1,34 МБ, 2749 переглядів)
Тип файлу: pdf Перечень элементов.pdf (278,3 КБ, 3985 переглядів)
Тип файлу: pdf Инструкция.pdf (521,3 КБ, 3779 переглядів)

__________________
Если хочешь, чтобы было сделано хорошо - делай сам.

Востаннє редагував spav777: 18.06.2012 о 22:39.. Причина: добавление перечня элементов
Переглядів: 167834
Відповісти з цитуванням
Ці 46 користувач(ів) сказали Дякую spav777 за це повідомлення:
-=Den=- (19.07.2012), ak27 (05.06.2012), Aleksandrit2000 (06.12.2014), Alserk-3 (14.07.2012), Badyoruy (28.06.2012), boba88 (05.06.2012), bumper (05.06.2012), Deadmau5 (16.02.2013), DEaD_MOPO3 (05.06.2012), Design (05.06.2012), Dimker (15.06.2012), dimul (10.11.2013), doctor (29.06.2012), Hippo (05.06.2012), igorlab (16.11.2012), Kondor (16.10.2013), Kristoff (18.07.2012), kusfu (05.06.2012), nikservice (02.12.2012), orthos (21.06.2012), pimass (05.06.2012), Poma (26.07.2012), Rusll (06.12.2014), rustr (14.09.2014), sae74 (05.06.2012), Sem (05.06.2012), Sergey160481 (10.08.2012), Sergeyg (05.06.2012), sergo1973 (18.02.2017), Starcomputer (05.06.2012), STARiK (24.06.2013), US5TC (24.03.2015), Vadim Art (05.06.2012), Vadim_VD (14.06.2012), Virtuallife (05.06.2012), VORONFM (19.01.2014), Zen (10.04.2015), _Vadim (07.08.2012), Александр Бешлега (05.06.2012), Виктор У (16.05.2013), виталий 1973 (17.07.2012), Влад Т (20.11.2012), Зелёный (06.08.2012), Наутилус (16.05.2013), самоделкин (13.10.2012), тешнер (17.03.2013)
Старий 30.09.2014, 13:25   #211
Придивляюся
  
 
Реєстрація: 27.09.2014
Звідки Ви: Ternopol. obl
Дописи: 11
сказав Дякую: 1
сказали Дякую 3 раз(и) в 3 повідомленні
Re: Дозатор аквариумных удобрений от spav777 ===www.aquaforum.ua===

Цитата:
Допис від arik17 Переглянути допис
в электронике не силен поэтому может ли кто то сделать дозатор на заказ или возможно у кого то есть на продажу? с предложениями прошу в личку.
Ваш прибор наполовину готов. Осталось дождаться от вас деталей для силовой части и микросхему часов.
Мініатюри долучень
Щоб збільшити малюнок, клацніть по ньому
Назва:  Фото1444.jpg
Переглядів: 434
Розмір:  29,2 КБ
ID:	459326   Щоб збільшити малюнок, клацніть по ньому
Назва:  Фото1445.jpg
Переглядів: 432
Розмір:  41,3 КБ
ID:	459327  

Andersat поза форумом   Відповісти з цитуванням
cказали "Дякую" Andersat за цей допис:
чмо (13.03.2015)
Старий 03.10.2014, 01:06   #212
Придивляюся
  
 
Реєстрація: 27.09.2014
Звідки Ви: Ternopol. obl
Дописи: 11
сказав Дякую: 1
сказали Дякую 3 раз(и) в 3 повідомленні
Re: Дозатор аквариумных удобрений от spav777 ===www.aquaforum.ua===

так какие фьюзы под пони прог поставить? (в двоичной форме) кто подскажет?

Andersat поза форумом   Відповісти з цитуванням
Старий 03.10.2014, 17:16   #213
Живу я тут
  
 
Аватар для Vadim_VD
 
Реєстрація: 02.11.2010
Звідки Ви: Донецк
Дописи: 122
сказав Дякую: 31
сказали Дякую 37 раз(и) в 28 повідомленні
Re: Дозатор аквариумных удобрений от spav777 ===www.aquaforum.ua===

Цитата:
Допис від Andersat Переглянути допис
так какие фьюзы под пони прог поставить? (в двоичной форме) кто подскажет?
Я ж вроде написал на предыдущей странице?!


__________________

Vadim_VD поза форумом   Відповісти з цитуванням
cказали "Дякую" Vadim_VD за цей допис:
Andersat (03.10.2014)
Старий 03.10.2014, 18:13   #214
Придивляюся
  
 
Реєстрація: 27.09.2014
Звідки Ви: Ternopol. obl
Дописи: 11
сказав Дякую: 1
сказали Дякую 3 раз(и) в 3 повідомленні
Re: Дозатор аквариумных удобрений от spav777 ===www.aquaforum.ua===

Ну в пони прог в таком формате выставляются, как на рисунке. т.е . нужно знать где галочка, а где пусто...
Мініатюри долучень
Щоб збільшити малюнок, клацніть по ньому
Назва:  fuse.jpg
Переглядів: 355
Розмір:  37,6 КБ
ID:	459848  

Andersat поза форумом   Відповісти з цитуванням
Старий 03.10.2014, 18:38   #215
Придивляюся
  
 
Реєстрація: 27.09.2014
Звідки Ви: Ternopol. obl
Дописи: 11
сказав Дякую: 1
сказали Дякую 3 раз(и) в 3 повідомленні
Re: Дозатор аквариумных удобрений от spav777 ===www.aquaforum.ua===

Да, спасибо, разобрался.
Должно быть так:
Мініатюри долучень
Щоб збільшити малюнок, клацніть по ньому
Назва:  fuse pony prog.JPG
Переглядів: 351
Розмір:  27,9 КБ
ID:	459851  

Andersat поза форумом   Відповісти з цитуванням
cказали "Дякую" Andersat за цей допис:
чмо (13.03.2015)
Старий 04.10.2014, 00:22   #216
Придивляюся
  
 
Реєстрація: 27.09.2014
Звідки Ви: Ternopol. obl
Дописи: 11
сказав Дякую: 1
сказали Дякую 3 раз(и) в 3 повідомленні
Re: Дозатор аквариумных удобрений от spav777 ===www.aquaforum.ua===

Цитата:
Допис від Valjoha Переглянути допис
2. При ручному включені помпи і калібровці, контролер зависає.
На рахунок 2 пункту писали перевірити діод після діодного мостика. Я перевірив, з ним все ок, є в когось ще якісь ідеї?
вилізла така ж проблема--при ручному включенні помпи зависає контролер.. що робити? мегу поміняв, lm393 теж.живлення чисте, пульсацій нема..Але коли програмую помпи на нормальну роботу від таймера--то працює... Прошивка???


Востаннє редагував Andersat: 04.10.2014 о 01:09..
Andersat поза форумом   Відповісти з цитуванням
Старий 04.10.2014, 15:50   #217
Придивляюся
  
 
Реєстрація: 27.09.2014
Звідки Ви: Ternopol. obl
Дописи: 11
сказав Дякую: 1
сказали Дякую 3 раз(и) в 3 повідомленні
Re: Дозатор аквариумных удобрений от spav777 ===www.aquaforum.ua===

Все запрацювало.причина--не працював детектор нуля на лм393 (був неправильно запаяний опір)
Осциллограма на виході детектора нуля ( 1 ножка lm393)
Мініатюри долучень
Щоб збільшити малюнок, клацніть по ньому
Назва:  1n lm393.jpg
Переглядів: 411
Розмір:  62,0 КБ
ID:	460009  


Востаннє редагував Andersat: 04.10.2014 о 17:32..
Andersat поза форумом   Відповісти з цитуванням
Старий 06.12.2014, 15:57   #218
Живу я тут
  
 
Аватар для Aleksandrit2000
 
Реєстрація: 22.10.2009
Звідки Ви: Белая Церковь
Дописи: 936
сказав Дякую: 825
сказали Дякую 457 раз(и) в 281 повідомленні
Re: Дозатор аквариумных удобрений от spav777 ===www.aquaforum.ua===

Привет.На заказ кто-то делает и продаёт?
__________________
Советую к прочтению http://www.aquaforum.ua/showthread.php?p=3220846#post3220846


__________________

Aleksandrit2000 поза форумом   Відповісти з цитуванням
cказали "Дякую" Aleksandrit2000 за цей допис:
чмо (13.03.2015)
Старий 07.12.2014, 13:26   #219
Придивляюся
  
 
Реєстрація: 22.11.2011
Звідки Ви: Харьков
Дописи: 14
сказав Дякую: 0
сказали Дякую 6 раз(и) в 5 повідомленні
Re: Дозатор аквариумных удобрений от spav777 ===www.aquaforum.ua===

Aleksandrit2000 , буду делать себе ( одну или две платы собирать -мне без разницы ) , НО попмпы пока не нарыл . Если этот вопрос решите - остальное решаемо .

anduha поза форумом   Відповісти з цитуванням
cказали "Дякую" anduha за цей допис:
Aleksandrit2000 (07.12.2014)
Старий 07.12.2014, 14:21   #220
Модератор Винницкого клуба аквариумистов
  
 
Аватар для pimass
 
Реєстрація: 22.05.2009
Звідки Ви: Варшава-Вишенка
Дописи: 12.801
сказав Дякую: 2.464
сказали Дякую 5.200 раз(и) в 3.381 повідомленні
Re: Дозатор аквариумных удобрений от spav777 ===www.aquaforum.ua===

Цитата:
Допис від anduha Переглянути допис
НО попмпы пока не нарыл .
Спросите у boba88, в свое время брал у него помпы.
__________________
Танцуют звезды и луна © Как там начало?

guns don't kill people, people kill people

[URL="http://www.aquaforum.ua/showthread.php?p=3238854#post3238854"][B][I][SIZE="4"][COLOR="Red"][FONT="Courier New"]Светодиоды Cree XT-E, термокомпаунд, драйвера Mean Well[/FONT][/COLOR][/SIZE][/I][/B][/URL]


__________________

pimass поза форумом   Відповісти з цитуванням
Ці 3 користувач(ів) сказали Дякую pimass за це повідомлення:
Aleksandrit2000 (07.12.2014), boba88 (20.12.2014), чмо (13.03.2015)
Старий 10.12.2014, 18:07   #221
Живу я тут
  
 
Аватар для chack
 
Реєстрація: 12.02.2008
Звідки Ви: Оболонь, Петровка
Дописи: 8.891
сказав Дякую: 2.489
сказали Дякую 2.878 раз(и) в 2.065 повідомленні
Надіслати повідомлення для chack на Skype
Re: Дозатор аквариумных удобрений от spav777 ===www.aquaforum.ua===

Andersat, откуда джойстик такой применили?
__________________
Свет. ЭПРА, аквариумые лампы т5;т8; МГ-150; LED-комплекты и светильники системы СО2 под ключ. тел: 095 0105853; 098 6143112
Лучшие статьи месяца на Аквафоруме

chack поза форумом   Відповісти з цитуванням
Старий 18.12.2014, 02:13   #222
Придивляюся
  
 
Реєстрація: 27.09.2014
Звідки Ви: Ternopol. obl
Дописи: 11
сказав Дякую: 1
сказали Дякую 3 раз(и) в 3 повідомленні
Re: Дозатор аквариумных удобрений от spav777 ===www.aquaforum.ua===

От какого то пульта ду.

Andersat поза форумом   Відповісти з цитуванням
cказали "Дякую" Andersat за цей допис:
чмо (13.03.2015)
Старий 20.12.2014, 16:07   #223
Придивляюся
  
 
Реєстрація: 27.09.2014
Звідки Ви: Ternopol. obl
Дописи: 11
сказав Дякую: 1
сказали Дякую 3 раз(и) в 3 повідомленні
Re: Дозатор аквариумных удобрений от spav777 ===www.aquaforum.ua===

Чистые платы аквадозатора могу сделать всем желающим. Мог бы конечно и спаять и прошить микроконтроллер--но нет в наличии всех запчастей, нужно заказывать в инет-магазинах.
http://kazus.ru/forums/showthread.php?t=104887&page=25 --примеры моих плат.
Мініатюри долучень
Щоб збільшити малюнок, клацніть по ньому
Назва:  4ks.jpg
Переглядів: 379
Розмір:  58,6 КБ
ID:	473537  

Andersat поза форумом   Відповісти з цитуванням
Старий 20.12.2014, 18:49   #224
Живу я тут
  
 
Аватар для boba88
 
Реєстрація: 17.03.2008
Звідки Ви: Одесса
Дописи: 5.232
сказав Дякую: 2.111
сказали Дякую 3.391 раз(и) в 1.744 повідомленні
Re: Дозатор аквариумных удобрений от spav777 ===www.aquaforum.ua===

Цитата:
Допис від Andersat Переглянути допис
Чистые платы аквадозатора могу сделать всем желающим.
Ну, а я, в свою очередь, готов снабдить комплектами помп первых трёх желающих. Скрытый текст

boba88 поза форумом   Відповісти з цитуванням
Ці 2 користувач(ів) сказали Дякую boba88 за це повідомлення:
Aleksandrit2000 (22.12.2014), чмо (13.03.2015)
Старий 22.12.2014, 13:57   #225
Придивляюся
  
 
Реєстрація: 21.01.2014
Звідки Ви: Украина
Дописи: 17
сказав Дякую: 0
сказали Дякую 5 раз(и) в 5 повідомленні
Re: Дозатор аквариумных удобрений от spav777 ===www.aquaforum.ua===

Добрый день. А сколько будет стоить такой дозатор в сборке. Хочу себе, а то иногда забываю по утрам добавить удобрения.

Jim 1984 поза форумом   Відповісти з цитуванням


Share/Bookmark

Відповідь


Тут присутні: 2 (учасників - 0 , гостей - 2)
 
Параметри теми
Параметри перегляду

Ваші права у розділі
Ви не можете створювати теми
Ви не можете писати дописи
Ви не можете долучати файли
Ви не можете редагувати дописи

BB-код є Увімк.
Усмішки Увімк.
[IMG] код Увімк.
HTML код Вимк.

Швидкий перехід


Часовий пояс GMT +3. Поточний час: 23:07.


vBulletin 3.8.7 ; Copyright © 2000-2026 Jelsoft Enterprises Limited
Переклад: © Віталій Стопчанський, 2004-2010
(с)Бешлега Олександр Анатолійович, 2002-2025. Використання матеріалів сайту без посилання на джерело заборонено.
Дякуємо за ліцензійну версію форума компанію Барбус, представника торгової марки Sera в Україні.


no new posts