 |
|
25.03.2016, 22:30
|
#16
|
|
Придивляюся
Реєстрація: 24.02.2016
Звідки Ви: Київ
Дописи: 31
сказав Дякую: 0
сказали Дякую 13 раз(и) в 9 повідомленні
|
Re: Нужна электрическая схема эпра ELT BE258x2 ===www.aquaforum.ua===
Получается, что остается только надеяться на исправность микросхемы с непонятной маркировкой. Если же делать для себя и есть время и интерес, то конечно можно восстановить, даже путем переделки с использованием других микросхем.
Я считаю, что если все детали кроме силовых транзисторов целые (как визуально так и на прозвонку), стоит попробовать. Выбор за вами
|
|
|
28.03.2016, 19:35
|
#17
|
|
Харьковский клуб аквариумистов
Реєстрація: 22.02.2015
Звідки Ви: харьков
Дописи: 46
сказав Дякую: 7
сказали Дякую 12 раз(и) в 6 повідомленні
|
Re: Нужна электрическая схема эпра ELT BE258x2 ===www.aquaforum.ua===
Микросхема мертва(( не все элементы можно найти, забросил, пусть валяется. Проще б/у купить...
__________________ 
|
|
|
06.04.2016, 11:42
|
#18
|
|
Живу я тут
Реєстрація: 05.09.2009
Звідки Ви: Харьков
Дописи: 4.259
сказав Дякую: 2.882
сказали Дякую 15.330 раз(и) в 2.908 повідомленні
|
Re: Нужна электрическая схема эпра ELT BE258x2 ===www.aquaforum.ua===
ПОПАЛА КО МНЕ НА ДИАГНОСТИКУ и ,возможно, ремонт подобная плата,что у Brv13.У меня сейчас ELT BE-236- 2.Это знач только на две 36вт лампы.Схемка по монтажке и элементам та же.Элементы практически те же,но с учетом меньшей мощности.
По первому анализу вижу прозвонкой пробой тр-ра корректора мощности,пробой диода сетевого моста.Соответственно повреждены низкооомные резисторы в цепи исток (транзистора)-общий.С улыбкой смотришь на сгоревший печатный предохранитель этого дрйвера. Наивно как-то.
Видать,это все же конструктивная недоработка производителя(испания),раз дефект практически повторяется.
Но все это можно поменять.Однако ту,упомянутую выше микросхемку MQ2ME так нигде и не нашел,шо это есть, и в Космодроме нету.Буду пока искать.Все же и для коллеги надо и мне в запас неплохо бы.Через пару дней поеду на радиорынок.
|
|
|
16.04.2016, 18:39
|
#19
|
|
Придивляюся
Реєстрація: 24.02.2016
Звідки Ви: Київ
Дописи: 31
сказав Дякую: 0
сказали Дякую 13 раз(и) в 9 повідомленні
|
Re: Нужна электрическая схема эпра ELT BE258x2 ===www.aquaforum.ua===
Добрый день! Наконец-таки и мне попались на ремонт именно такие ЭПРА.
Теперь после диагностики и анализа работы могу почти без сомнения сказать:
1. Микросхема MQ2ME - микроконтроллер, (это кодированное обозначение). Если даже и найдется такой, то в него нужно будет еще программу зашить...
2. Резистор(ы) в цепи транзистора корректора на "минус" не нужны! В других нормальных схемах корректоров он нужен как датчик тока, здесь же сигнал с него никуда не идет. Вместо них нужно впаять хорошую перемычку. Таким образом спасается схема управления с редкими микросхемами при пробое силового транзистора, потом гораздо упрощается ремонт.
3. Даные ЭПРА действительно не любят перепады напряжения, схема корректора плохо отрабатывает их (как бы инерционно), как результат это отображается на световом потоке ламп (прыгает напряжение - за ним и свет). Есть предположение что именно из-за резких скачков напряжения сети вылетает транзистор корректора.
4. ЭПРА запускается при напряжении в сети не ниже ~190В. А в наших сетях, особенно в сельской местности, бывает и меньше...
Если очень нужна будет принципиальная схема - могу позже выложить.
Кстати, в одном была такая же неисправность как описана в предыдущем сообщении, плюс еще два сгоревших маленьких транзистора. После замены деталей все заработало, микросхемы были целыми.
|
|
|
16.04.2016, 20:56
|
#20
|
|
Живу я тут
Реєстрація: 05.09.2009
Звідки Ви: Харьков
Дописи: 4.259
сказав Дякую: 2.882
сказали Дякую 15.330 раз(и) в 2.908 повідомленні
|
Re: Нужна электрическая схема эпра ELT BE258x2 ===www.aquaforum.ua===
...Одну плату мне удалось починить.Она работает.
В принципе, почти со всем согласен.У меня рабочее место для ремонта таких и подобных плат организовано через разделительный транс для безопасности,гальв. разделения от сети.Но он дает около 200в и я наблюдал тоже,что при 180в начинается включение пульсированием.Понял в чем дело сразу и,включив напрямую, это отпало.
...Насчет ненужности резисторов в цепи стока не соглашусь.Разработчика считать дураком не следует.Да,сигнал с этих резисторов не идет никуда цепью на измерение..Но создаваемое на них падение имп напряжения все же должно притормаживать транзистор корректора.При стоимости этих СМД резисторв до гривни,а их навалом,можно просто менять
...вырисовал некоторые места тогда.Но не все.Если есть полная схемка и вы будете добры её выложить,буду признателен.
|
|
|
16.04.2016, 23:16
|
#21
|
|
Харьковский клуб аквариумистов
Реєстрація: 22.02.2015
Звідки Ви: харьков
Дописи: 46
сказав Дякую: 7
сказали Дякую 12 раз(и) в 6 повідомленні
|
Re: Нужна электрическая схема эпра ELT BE258x2 ===www.aquaforum.ua===
Есть предположение что именно из-за резких скачков напряжения сети вылетает транзистор корректора,
Спасибо за ответ, мои эпра погорели из-за банального поппдания воды. Считаю ремонт нецелесообразным, т.к. нашел место, где 258-2 новые по 180 гр продают))) если кому нужно пишите, подскажу)
__________________ 
|
|
|
17.04.2016, 23:34
|
#22
|
|
Придивляюся
Реєстрація: 24.02.2016
Звідки Ви: Київ
Дописи: 31
сказав Дякую: 0
сказали Дякую 13 раз(и) в 9 повідомленні
|
Re: Нужна электрическая схема эпра ELT BE258x2 ===www.aquaforum.ua===
Ну, с водой и так понятно, от высокой влажности или конденсата также горят, или от перегрева если рядом с лампами стоят и никакой вентиляции... А когда все чисто и никаких признаков?..
Хорошо что нашли за такую цену, действительно недорого для такого уровня. Но лично мне не понравились "оригинальные" схемные решения примененные в этих эпра, для себя выбирал бы другие.
Разработчика ни в коем случае не считаю дураком, но у меня свое видение. Перековыряв сотни разных фирменных эпра у меня сложилось впечатление что часто производитель преднамеренно закладывает в конструкцию "слабые места", чтобы больше отведенного срока не работало, даже меньше. То кондер поставят меньшего номинала чем стоило бы, потом из него "кишки" вылазят, то в силовой цепи мааааленькие смд резисторчики, или вообще что-то "забудут" или посчитают ненужным ну в общем в таком духе.
|
|
|
18.04.2016, 13:21
|
#23
|
|
Живу я тут
Реєстрація: 05.09.2009
Звідки Ви: Харьков
Дописи: 4.259
сказав Дякую: 2.882
сказали Дякую 15.330 раз(и) в 2.908 повідомленні
|
Re: Нужна электрическая схема эпра ELT BE258x2 ===www.aquaforum.ua===
Цитата:
Допис від ElectroDe
что часто производитель преднамеренно закладывает в конструкцию "слабые места", чтобы больше отведенного срока не работало, даже меньше. То кондер поставят меньшего номинала чем стоило бы, потом из него "кишки" вылазят, то в силовой цепи мааааленькие смд резисторчики, или вообще что-то "забудут" или посчитают ненужным ну в общем в таком духе.
|
...Мое мнение таково.Ни за кого ручаться нельзя.Те платы,что были у меня, сделаны в Испании.НО...Близкий мне чел работает на одной из известных немецких электротех. фирм.Там за такую забывчивость или заведомую ошибку в решении можно пострадать на всю жизнь и перестанешь быть инженером.Другое дело,что отделы комплектации все время вынуждены подстраиваться под производителя элементов-китай.А те ребята могут кое-что нагло изменять...В борьбе за уменьшение стоимости изделия(а это все время делается) могут покупать пусть не брак,но могут им подсунуть почти-то...А деваться потом некуда...
|
|
|
18.04.2016, 20:29
|
#24
|
|
Придивляюся
Реєстрація: 24.02.2016
Звідки Ви: Київ
Дописи: 31
сказав Дякую: 0
сказали Дякую 13 раз(и) в 9 повідомленні
|
Re: Нужна электрическая схема эпра ELT BE258x2 ===www.aquaforum.ua===
Да, пожалуй, дело скорее в элементах.. В погоне за удешевлением и уменьшением габаритов делается все с очень малым запасом, или почти без него. Даже дорогие не-китайские компоненты хот и реже, но летят. От этого никто не застрахован. А про "забывчивость" или ошибки это я так.. На самом деле никого не обвиняю.
|
|
|
18.04.2016, 20:48
|
#25
|
|
Придивляюся
Реєстрація: 24.02.2016
Звідки Ви: Київ
Дописи: 31
сказав Дякую: 0
сказали Дякую 13 раз(и) в 9 повідомленні
|
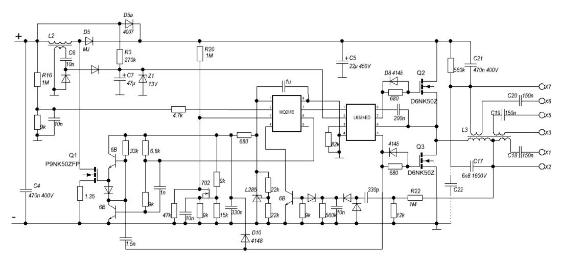
Re: Нужна электрическая схема эпра ELT BE258x2 ===www.aquaforum.ua===
Так, что-то мы немного отклонились от темы.
Вот моя срисованная схемка. Без входного фильтра и выпрямителя.

|
|
|
|
cказали "Дякую" ElectroDe за цей допис:
|
|
18.04.2016, 21:32
|
#26
|
|
Живу я тут
Реєстрація: 05.09.2009
Звідки Ви: Харьков
Дописи: 4.259
сказав Дякую: 2.882
сказали Дякую 15.330 раз(и) в 2.908 повідомленні
|
Re: Нужна электрическая схема эпра ELT BE258x2 ===www.aquaforum.ua===
ДАЖЕ не знаю,как выразить свое удовлетворение и благодарность за схему.Сколько рыл интернет, на такое не вышел.Спасибо.Я вырисовывал только важные узлы.Ваша ПОЛНОСТЬЮ соответствыует.Но надеялся,что может там кроме мку2е что-либо будет аналогов.НО...и так хорошо
|
|
|
19.04.2016, 12:00
|
#27
|
|
Придивляюся
Реєстрація: 24.02.2016
Звідки Ви: Київ
Дописи: 31
сказав Дякую: 0
сказали Дякую 13 раз(и) в 9 повідомленні
|
Re: Нужна электрическая схема эпра ELT BE258x2 ===www.aquaforum.ua===
Спасибо, я старался)
Еще такой вопрос: как у этих эпра с температурой? У меня при полной нагрузке 2х58 они становились ну оочень горячие (в комнате +23, расстояние до ламп 20см), у Вас тоже грелись?
|
|
|
|
cказали "Дякую" ElectroDe за цей допис:
|
|
21.04.2016, 07:56
|
#28
|
|
Харьковский клуб аквариумистов
Реєстрація: 22.02.2015
Звідки Ви: харьков
Дописи: 46
сказав Дякую: 7
сказали Дякую 12 раз(и) в 6 повідомленні
|
Re: Нужна электрическая схема эпра ELT BE258x2 ===www.aquaforum.ua===
Да, греются не слабо..., несмотря на то, что установлена без кожуха в алюминиевый профиль осветительной балки акватика.
__________________ 
|
|
|
21.04.2016, 14:13
|
#29
|
|
Живу я тут
Реєстрація: 05.09.2009
Звідки Ви: Харьков
Дописи: 4.259
сказав Дякую: 2.882
сказали Дякую 15.330 раз(и) в 2.908 повідомленні
|
Re: Нужна электрическая схема эпра ELT BE258x2 ===www.aquaforum.ua===
А ДАВАЙТЕ ПРОСТО разберемся что и как.Вы нагружаете две лампы по 58вт.Значит полезная мощность расходуется 58вт Х 2=116вт.Каков кпд ус-ва?Пусть 80%.Так тогда на нагрев идет почти 23 вт.Куда же нам от этого деться?Но получается,как чувствуем по температуре,что там оч гарячо.ЗНАЧИТ В САМОМ ДЕЛЕ,там не 23вт ,а поболее.А ЗНАЧИТ И кпд,НЕСМОТРЯ НА ОЧЕНЬ ХОРОШИЕ ТРАНЗИСТОРЫ НЕ 80%...
|
|
|
21.04.2016, 14:20
|
#30
|
|
Живу я тут
Реєстрація: 17.09.2004
Звідки Ви: Киев, Троещина
Дописи: 14.486
сказав Дякую: 4.642
сказали Дякую 8.508 раз(и) в 4.382 повідомленні
|
Re: Нужна электрическая схема эпра ELT BE258x2 ===www.aquaforum.ua===
Цитата:
Допис від dotsento
А ДАВАЙТЕ ПРОСТО разберемся что и как.Вы нагружаете две лампы по 58вт.Значит полезная мощность расходуется 58вт Х 2=116вт.Каков кпд ус-ва?Пусть 80%.Так тогда на нагрев идет почти 23 вт.Куда же нам от этого деться?Но получается,как чувствуем по температуре,что там оч гарячо.ЗНАЧИТ В САМОМ ДЕЛЕ,там не 23вт ,а поболее.А ЗНАЧИТ И кпд,НЕСМОТРЯ НА ОЧЕНЬ ХОРОШИЕ ТРАНЗИСТОРЫ НЕ 80%...
|
иииии ? 
__________________
Страна не ублюдков и не воров.
__________________  
|
|
|
 |
|
|
Тут присутні: 1 (учасників - 0 , гостей - 1)
|
|
|
| Параметри теми |
|
|
| Параметри перегляду |
Лінійний вигляд
|
Ваші права у розділі
|
Ви не можете створювати теми
Ви не можете писати дописи
Ви не можете долучати файли
Ви не можете редагувати дописи
HTML код Вимк.
|
|
|
Часовий пояс GMT +3. Поточний час: 20:40.
|