 |
|
17.01.2009, 12:46
|
|
|
`Украина. Продам отражатели (недорого)!
Moderator
Реєстрація: 15.05.2006
Звідки Ви: Днепр
Дописи: 8.585
сказав Дякую: 2.773
сказали Дякую 5.289 раз(и) в 2.715 повідомленні

17.01.2009, 12:46
Рейтинг:
(34 голосов - 3,56 средняя оценка)
Педлагаю вашему вниманию отражатели для люминесцентных ламп из нержавейки и анодированного алюминия.
Преимущества:
1. Зеркальная нержавейка в пленке с внутренней стороны-перед установкой пленка снимается и Вы получаете идеально гладкую и чистую поверхность.
2. Металлическая клипса из нержавейки в комплекте(Т5 либо Т8).
3. Крепление клипсы-винт+гайка.
4. Форма идентична Ювеловской - разносторонняя трапеция.
Цены в последних постах топика, обновляю время от времени, либо по запросу в ЛС или по телефону 067 567 12 50
или же на сайте, тут же можно и оформить заказ.
Возможно изготовление по эскизам заказчика отражателей любой формы.
На фото отражатели уже без пленки:
Фото отражателей IgLa:
Так же начато производство отражателей из анодированного структурированного зеркального алюминия. Отражатели из этого материала отражают на 39% больше света чем отражатели той же формы из зеркальной нержавейки.
Фото отражателей из структурированного алюминия
Отражатели для всех типов ламп. Отражатели по вашим проектам.
__________________
Аquaritm.com.ua
изготовление светильников, выносок, отсадников, фильтров и т.п. тел. KS 067 567 12 50 / МТС 095 858 15 01 Александр.
Востаннє редагував red1157: 07.10.2014 о 12:22..
|
|
Переглядів: 550176
|
|
Ці 177 користувач(ів) сказали Дякую red1157 за це повідомлення:
|
*VaLeRa* (24.07.2009), -Андрей- (18.08.2014), aides (05.06.2013), Aleksandrit2000 (05.11.2011), alep (08.02.2010), Alex Vest (29.08.2009), ALEXYALTA (04.12.2013), Andreyko (22.03.2010), Argo? (22.11.2016), asergey (29.09.2014), astra (25.01.2010), Atikata (20.05.2011), Bahan (30.07.2010), biabuchja (03.04.2010), black label (18.01.2010), Bli (13.03.2010), bmw (05.07.2009), Boris59 (09.09.2009), bosch (12.03.2015), Botanic (17.01.2009), chack (17.01.2009), Chaiinik (16.04.2009), CherNec (13.12.2010), Chip (17.01.2009), cihlida (07.03.2009), Cristal (21.11.2010), cwc (01.03.2016), dante36 (07.04.2010), Dao (01.05.2009), den1 (17.03.2010), der Fisch (26.08.2009), Dima222 (03.01.2011), dimast (17.01.2009), dimblch (19.09.2012), Djek8 (28.09.2011), DoBeR (18.10.2009), Doc (28.01.2010), Dragon_D (11.05.2014), dreaMaster (16.02.2009), el_koval (07.07.2013), Endreo (05.02.2013), EnergoAlex (04.02.2010), fishmen (22.01.2009), Floyd (11.01.2012), FoRRest (16.09.2009), Gardana (06.08.2012), GOREZ (22.11.2009), greenland (28.02.2011), Gutsik (05.06.2013), Hroosh (20.05.2013), iceSS (18.01.2009), ilanat (15.08.2010), intro (13.05.2011), ivaschyk (16.03.2009), jereb (23.02.2011), karasev.s (01.12.2012), KeeR (07.03.2009), Kent (29.09.2010), KHBneon (02.11.2012), konsta (18.02.2009), kosta-mars (16.03.2010), kota (21.12.2010), kronos (11.04.2011), ksy-kiev (30.09.2015), kusfu (29.08.2011), lenas (15.09.2012), Lisenko (27.02.2009), lsandry (17.01.2009), Ludokk (15.01.2010), magnym (16.03.2009), Makclaj (02.03.2011), maxfortuna (17.01.2009), mazapura (17.01.2009), mhunter (09.01.2010), MrBIP (11.12.2012), MSNc (17.09.2009), nickanya (17.07.2011), nikoffauna (27.10.2013), Novice (22.02.2009), OceanN (22.07.2011), Odin (11.03.2010), OEA (29.01.2009), olegmia (06.03.2018), Olexii (26.12.2010), PADLOCKA (04.12.2010), pel (30.09.2009), Petro_P (11.10.2010), plantis (19.07.2009), quartz (27.11.2011), Rich man (29.11.2017), RICON (27.01.2012), rock_jps (14.04.2009), Roll (08.01.2012), ROMAN ИВАНЧЕНКО (16.03.2010), Romen_s (21.08.2011), Rulitta (01.03.2011), Rusel_blr (13.03.2010), ruslikt (25.02.2010), Ryzhii (25.11.2012), S@shok (21.04.2012), Salton (26.01.2012), sapsan (24.11.2011), sash81 (06.03.2009), sea_ser (09.11.2012), Sem (17.01.2009), SER001 (16.05.2011), SergIN (10.02.2011), sergo1973 (05.02.2011), SERG_DOC (28.11.2010), Serhii (21.04.2009), serioha (15.12.2010), seva (21.01.2010), slava10 (11.02.2011), SparkDT (30.04.2013), Starcomputer (12.05.2011), Sten (16.08.2012), Suhov (15.07.2010), svk (30.01.2011), TIGR (21.02.2010), Ty3uK (21.01.2009), ua911 (18.05.2015), ura2011 (24.03.2012), us0kw (08.09.2010), valeron (02.11.2010), Vanilla (03.05.2010), vill (17.03.2010), vtretyak (20.02.2009), Vulkanzt (14.12.2012), Vutty (17.01.2009), whitefox (24.07.2012), wket (18.01.2013), Wolff (09.09.2013), worlon (23.01.2012), xxxFeLiXxxx (11.04.2010), zimba (15.04.2009), Zuich (24.03.2010), Zveer (13.09.2010), _serg_80 (27.10.2010), ~viktorman~ (27.01.2013), Александр Бешлега (19.01.2009), Аленушка (14.01.2010), Андрончик (17.07.2011), Анечка (31.07.2009), Брадяга_дорог (06.01.2014), Виктор У (18.01.2009), Влас (17.04.2011), Володимир (11.02.2013), Волошинка (08.02.2013), Д.К.А. (01.04.2010), Димася (09.01.2010), димон7777 (06.03.2009), ДонАлекс (21.05.2009), евгений79 (20.11.2010), Земляной Олег (17.01.2013), Капитошка (17.01.2014), Константин 47 (21.02.2010), Лукия (11.05.2009), Люблю_растения (19.01.2009), Макош (25.10.2010), Марикус (28.04.2015), Марусёна (19.01.2009), ОгнеЛо (18.08.2014), олег zuk (17.08.2009), Роміч Пасєка (21.06.2012), СанВаныч (11.04.2011), Сергей Николаевич (09.11.2010), Сергей Тео (15.11.2012), Сергей1965 (20.03.2010), Серега78 (16.06.2012), Ставридка (26.11.2010), тим 16 (17.01.2009), Трактирщик (18.01.2009), фёст (13.05.2013), Шагов Гена (07.03.2009), юрий rio 125 (13.02.2011), Янек (09.03.2012) |
22.10.2009, 21:49
|
#541
|
|
Придивляюся
Реєстрація: 16.10.2009
Звідки Ви: Днепропетровск
Дописи: 48
сказав Дякую: 10
сказали Дякую 10 раз(и) в 8 повідомленні
|
Re: Украина. Продам отражатели (недорого)! ===www.aquaforum.ua===
|
|
|
22.10.2009, 21:56
|
#542
|
|
Придивляюся
Реєстрація: 30.12.2008
Звідки Ви: КРивой Рог
Дописи: 44
сказав Дякую: 7
сказали Дякую 3 раз(и) в 2 повідомленні
|
Re: Украина. Продам отражатели (недорого)! ===www.aquaforum.ua===
Прайс если не затруднит skynikolai@yandex.ru
|
|
|
23.10.2009, 01:28
|
#543
|
|
Живу я тут
Реєстрація: 05.09.2009
Звідки Ви: Бровары
Дописи: 2.434
сказав Дякую: 444
сказали Дякую 2.234 раз(и) в 604 повідомленні
|
Re: Украина. Продам отражатели (недорого)! ===www.aquaforum.ua===
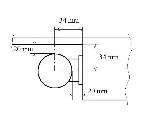
вот такое у меня положение вещей.
вторая лампа такая же, зеркальное отражение.
что сюда подойдёт? (T8 36W)
размеры линейкой мерял, думаю, погрешность в 1мм )
__________________
C yBa)I(eHueM, AJIekcaHgp.
|
|
|
25.10.2009, 17:27
|
#544
|
|
Живу я тут
Реєстрація: 25.10.2008
Звідки Ви: Киев, Отрадный
Дописи: 918
сказав Дякую: 969
сказали Дякую 693 раз(и) в 224 повідомленні
|
Re: Украина. Продам отражатели (недорого)! ===www.aquaforum.ua===
uBaHbI4, Cюда пойдет ІgLa Т8 (укороченая) и точно пойдет трапеция.
__________________
Управлять можно тем, что измеримо.
|
|
|
25.10.2009, 17:30
|
#545
|
|
Живу я тут
Реєстрація: 25.10.2008
Звідки Ви: Киев, Отрадный
Дописи: 918
сказав Дякую: 969
сказали Дякую 693 раз(и) в 224 повідомленні
|
Re: Украина. Продам отражатели (недорого)! ===www.aquaforum.ua===
Андрей 32, советую поставить 3 трапеции, одну из них сделать покороче.
__________________
Управлять можно тем, что измеримо.
|
|
|
25.10.2009, 19:45
|
#546
|
|
Живу я тут
Реєстрація: 05.09.2009
Звідки Ви: Бровары
Дописи: 2.434
сказав Дякую: 444
сказали Дякую 2.234 раз(и) в 604 повідомленні
|
Re: Украина. Продам отражатели (недорого)! ===www.aquaforum.ua===
Fishman_tv, а что значит укороченная?
Вот, зафоткал, на всякий случай. Т.е. лампа крепится к одной из стенок корпуса (от лампы до этой стенки 2 см), а до другой стенки значительно больше места (10 см).
__________________
C yBa)I(eHueM, AJIekcaHgp.
|
|
|
26.10.2009, 21:39
|
#547
|
|
Живу я тут
Реєстрація: 25.10.2008
Звідки Ви: Киев, Отрадный
Дописи: 918
сказав Дякую: 969
сказали Дякую 693 раз(и) в 224 повідомленні
|
Re: Украина. Продам отражатели (недорого)! ===www.aquaforum.ua===
uBaHbI4, наберите меня завтра-все обсудим!
__________________
Управлять можно тем, что измеримо.
|
|
|
27.10.2009, 02:08
|
#548
|
|
Живу я тут
Реєстрація: 07.02.2008
Звідки Ви: Днепр
Дописи: 1.467
сказав Дякую: 786
сказали Дякую 656 раз(и) в 340 повідомленні
|
Re: Украина. Продам отражатели (недорого)! ===www.aquaforum.ua===
Вот здесь был мой пост. Fishman_tv, сообщите пожалуйста сколько и куда платить.
|
|
|
27.10.2009, 15:57
|
#549
|
|
Придивляюся
Реєстрація: 12.06.2009
Звідки Ви: Геническ
Дописи: 22
сказав Дякую: 0
сказали Дякую 1 раз(и) в 1 повідомленні
|
Re: Украина. Продам отражатели (недорого)! ===www.aquaforum.ua===
Отражатели получил, установил, качеством доволен.
__________________ 
|
|
|
29.10.2009, 23:49
|
#550
|
|
Активний участник форуму
Реєстрація: 08.11.2008
Звідки Ви: Львів
Дописи: 112
сказав Дякую: 57
сказали Дякую 23 раз(и) в 16 повідомленні
|
Re: Украина. Продам отражатели (недорого)! ===www.aquaforum.ua===
Доброго вечора. Маю 2 лампи МГ OSRAM HCI-TS 150W/942 NDL PB RX7s "POWERBALL" (довжина 13,8 см, діаметр 2,3 см. http://catalog.myosram.com/zb2b/b2b/...browserminor=4 )керамічні контакти 2 шт. Хочу робити кришку під них і задаюсь питанням чи можна зробити рефлектор (отражатель) під такі лампи схеми чи графіка немаю. Можливо Ви щось маєте таке. Буду чекати відповіді.
sim-m-sim@mail.ru - відішліть будь-ласка прайси на рефлектори, бо ті ссилки що у вас на 1 сторінці нідочого доброго недоводять.
Востаннє редагував Ostap-83: 30.10.2009 о 16:37..
|
|
|
30.10.2009, 17:44
|
#551
|
|
Придивляюся
Реєстрація: 05.05.2009
Звідки Ви: Киев Харьковский
Дописи: 61
сказав Дякую: 31
сказали Дякую 17 раз(и) в 17 повідомленні
|
Re: Украина. Продам отражатели (недорого)! ===www.aquaforum.ua===
Добрый день!
Можно ли заказать отражатели Длина 90 см. ширина 8 см. (аквариум и крышка Акварика) Аквариум высокий 70 см. поэтому надо отражатели такой формы, что бы хорошо освещалось дно и в то же время был ровный рассеянный свет. Материал отражателей анодированный структурированный зеркальный алюминий. Напишите пожалуйста сколько будет стоить, срок изготовления. Спасибо с ув. Влада.
|
|
|
30.10.2009, 22:35
|
#552
|
|
Активний участник форуму
Реєстрація: 04.04.2009
Звідки Ви: Киев
Дописи: 310
сказав Дякую: 20
сказали Дякую 97 раз(и) в 58 повідомленні
|
Re: Украина. Продам отражатели (недорого)! ===www.aquaforum.ua===
Fishman_tv http://www.aquacave.com/lumenmax-eli...2275.html примерно вот такое изделие можно порезать с алюминия, размеры у меня есть, и на сколько потянет материал и порезка его ? и чем режете? перфорацию можно сделать по линиям сгиба?
|
|
|
30.10.2009, 22:37
|
#553
|
|
Активний участник форуму
Реєстрація: 04.04.2009
Звідки Ви: Киев
Дописи: 310
сказав Дякую: 20
сказали Дякую 97 раз(и) в 58 повідомленні
|
Re: Украина. Продам отражатели (недорого)! ===www.aquaforum.ua===
|
|
|
30.10.2009, 23:34
|
#554
|
|
Активний участник форуму
Реєстрація: 08.11.2008
Звідки Ви: Львів
Дописи: 112
сказав Дякую: 57
сказали Дякую 23 раз(и) в 16 повідомленні
|
Re: Украина. Продам отражатели (недорого)! ===www.aquaforum.ua===
Цитата:
Допис від Александр 28
|
Щось типу такого але на два цоколі.
|
|
|
30.10.2009, 23:48
|
#555
|
|
Активний участник форуму
Реєстрація: 04.04.2009
Звідки Ви: Киев
Дописи: 310
сказав Дякую: 20
сказали Дякую 97 раз(и) в 58 повідомленні
|
Re: Украина. Продам отражатели (недорого)! ===www.aquaforum.ua===
Fishman_tv где рыбак !? уснул что ли? мы все тут нервничаем! :-)))
|
|
|
 |
|
|
Тут присутні: 1 (учасників - 0 , гостей - 1)
|
|
|
| Параметри теми |
|
|
| Параметри перегляду |
Лінійний вигляд
|
Ваші права у розділі
|
Ви не можете створювати теми
Ви не можете писати дописи
Ви не можете долучати файли
Ви не можете редагувати дописи
HTML код Вимк.
|
|
|
Часовий пояс GMT +3. Поточний час: 06:07.
|