На головну сторінку Аквафорум
На головну сторінку




Назад   Аквафорум - форум акваріумістів та тераріумістів > Акваріум та обладнання > "Самоделкин" > Аквариумная автоматика

Примітки

Відповідь
 
Параметри теми Параметри перегляду
Старий 16.12.2009, 15:55  
Форумный Акваконтроллер
 
Аватар для Starcomputer
Бан за нарушения

Реєстрація: 06.11.2007
Звідки Ви: Донецк, зона АТО
Дописи: 19.780
 

сказав Дякую: 5.789
сказали Дякую 17.707 раз(и) в 6.926 повідомленні
Starcomputer Starcomputer поза форумом 16.12.2009, 15:55
Рейтинг: ()

Итак, после 20-ти с лишним страниц дискуссии пришли к определенным выводам

1. Периферия - 1-Wire. Платы заказные под SMD.
Основные платы:
- силовой блок (8 каналов);
- блок усилителей и АЦП (4 канала);
Количество одновременно подключаемых блоков не ограничено.

2. Контроллер на LPC2368 или аналоге.
На борту:
USB, LAN, СОМ, 1-Wire, дополнительная память.
.........................
Далее как и раньше все последние версии схемы буду выкладывать в топик

Мініатюри долучень
Щоб збільшити малюнок, клацніть по ньому
Назва:  Контроллер.jpg
Переглядів: 5208
Розмір:  410,4 КБ
ID:	57585  

__________________
[I][B][COLOR=blue]С уважением, Сергей Таранченко[/COLOR][/B][/I]

Востаннє редагував Starcomputer: 13.05.2010 о 14:57.. Причина: Чтобы не приходилось постоянно шерстить тему.
Переглядів: 190802
Відповісти з цитуванням
Ці 26 користувач(ів) сказали Дякую Starcomputer за це повідомлення:
agorin (16.12.2009), atom (01.02.2010), Baks (17.12.2009), biolog (22.01.2010), BlackAlex (17.12.2009), chack (21.01.2010), EVGENICH (16.12.2009), eVrajka (21.01.2010), IgorVin (31.01.2010), jakovru (18.12.2009), kvn79 (17.12.2009), Ludma (10.02.2011), mdg (10.02.2010), NIKITA2 (16.12.2009), S V (07.02.2010), sae74 (13.02.2010), Serbond (26.03.2010), solvi (16.12.2009), Ty3uK (25.12.2009), VOVKA (23.06.2010), Ye_Lviv (09.03.2010), _Vadim (03.02.2010), Влад Т (13.09.2012), Володя Череп (20.03.2010), Шаманчик (16.12.2009), ЭКСПЕРИМЕНТАТОР (05.02.2010)
Старий 29.01.2010, 13:56   #541
Живу я тут
  
 
Аватар для atom
 
Реєстрація: 07.05.2008
Звідки Ви: Нежин
Дописи: 133
сказав Дякую: 232
сказали Дякую 74 раз(и) в 33 повідомленні
Re: Форумный Акваконтроллер ===www.aquaforum.ua===

RJ45 Ethernet LAN Connector обычный разьем под витую пару такой как на сетевушках


__________________

atom поза форумом   Відповісти з цитуванням
cказали "Дякую" atom за цей допис:
Starcomputer (29.01.2010)
Старий 29.01.2010, 14:06   #542
Бан за нарушения
  
 
Аватар для Starcomputer
 
Реєстрація: 06.11.2007
Звідки Ви: Донецк, зона АТО
Дописи: 19.780
сказав Дякую: 5.789
сказали Дякую 17.707 раз(и) в 6.926 повідомленні
Re: Форумный Акваконтроллер ===www.aquaforum.ua===

Там что, трансформаторы встроены ?
__________________
[I][B][COLOR=blue]С уважением, Сергей Таранченко[/COLOR][/B][/I]

Starcomputer поза форумом   Відповісти з цитуванням
Старий 29.01.2010, 14:10   #543
Придивляюся
  
 
Реєстрація: 05.11.2009
Звідки Ви: Санкт-Петербург
Дописи: 48
сказав Дякую: 1
сказали Дякую 16 раз(и) в 10 повідомленні
Re: Форумный Акваконтроллер ===www.aquaforum.ua===

Цитата:
Допис від Starcomputer Переглянути допис
Там что, трансформаторы встроены ?
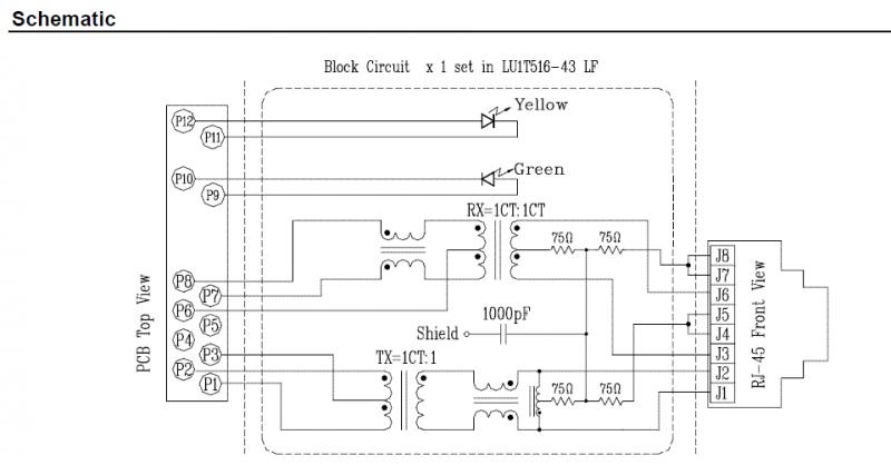
Да, похоже на вот такое: http://chipdip.ru/product0/880855739.aspx

Там и трансформаторы и светодиоды встроены.

tdg поза форумом   Відповісти з цитуванням
cказали "Дякую" tdg за цей допис:
Starcomputer (29.01.2010)
Старий 29.01.2010, 14:18   #544
Придивляюся
  
 
Реєстрація: 05.11.2009
Звідки Ви: Санкт-Петербург
Дописи: 48
сказав Дякую: 1
сказали Дякую 16 раз(и) в 10 повідомленні
Re: Форумный Акваконтроллер ===www.aquaforum.ua===

Цитата:
Допис від chack Переглянути допис
А пишущаяся прога будет подходить на вариант №3? И периферия?
То, что я пишу будет работать под Windows CE начиная с 3.0.
Работа с 1-wire будет через ком порт, используя переходник на DS2480.

Под более новые версии Windows CE ее точно придется собирать из исходников и возможно что-то менять.

tdg поза форумом   Відповісти з цитуванням
cказали "Дякую" tdg за цей допис:
chack (29.01.2010)
Старий 29.01.2010, 14:22   #545
Бан за нарушения
  
 
Аватар для Starcomputer
 
Реєстрація: 06.11.2007
Звідки Ви: Донецк, зона АТО
Дописи: 19.780
сказав Дякую: 5.789
сказали Дякую 17.707 раз(и) в 6.926 повідомленні
Re: Форумный Акваконтроллер ===www.aquaforum.ua===

Черт. Не могу даташит с электронной схемой найти.
__________________
[I][B][COLOR=blue]С уважением, Сергей Таранченко[/COLOR][/B][/I]

Starcomputer поза форумом   Відповісти з цитуванням
Старий 29.01.2010, 14:23   #546
Придивляюся
  
 
Реєстрація: 05.11.2009
Звідки Ви: Санкт-Петербург
Дописи: 48
сказав Дякую: 1
сказали Дякую 16 раз(и) в 10 повідомленні
Re: Форумный Акваконтроллер ===www.aquaforum.ua===

Цитата:
Допис від Sem Переглянути допис
tdg, плата .... место пустого много... Крепежных отверстий нет...(НОLE в орле посмотри.) Смысл в планарном исполнении мс, если такие габариты?
Есть идеи по компановки, чтобы место рациональнее использовать?
Крепежные отверсия - да, надо добавить... но куда?
Снизу все плотно - т.е. делать ее чуть шире?

Зато ее ЛУТом легко сделать - все дорожки широкие

tdg поза форумом   Відповісти з цитуванням
Старий 29.01.2010, 14:26   #547
Живу я тут
  
 
Реєстрація: 10.10.2005
Звідки Ви: Киев
Дописи: 10.118
сказав Дякую: 11.375
сказали Дякую 9.053 раз(и) в 4.067 повідомленні
Відповідь: Форумный Акваконтроллер ===www.aquaforum.ua===

Простите биолога ЛУТ - это лазерно-утюжная технология?

Mykhaylo поза форумом   Відповісти з цитуванням
Старий 29.01.2010, 14:27   #548
Придивляюся
  
 
Реєстрація: 05.11.2009
Звідки Ви: Санкт-Петербург
Дописи: 48
сказав Дякую: 1
сказали Дякую 16 раз(и) в 10 повідомленні
Re: Форумный Акваконтроллер ===www.aquaforum.ua===

Цитата:
Допис від Starcomputer Переглянути допис
Черт. Не могу даташит с электронной схемой найти.
Даташит:
http://lib.chipdip.ru/223/DOC000223145.pdf

tdg поза форумом   Відповісти з цитуванням
Старий 29.01.2010, 14:31   #549
Бан за нарушения
  
 
Аватар для Starcomputer
 
Реєстрація: 06.11.2007
Звідки Ви: Донецк, зона АТО
Дописи: 19.780
сказав Дякую: 5.789
сказали Дякую 17.707 раз(и) в 6.926 повідомленні
Re: Відповідь: Форумный Акваконтроллер ===www.aquaforum.ua===

Цитата:
Допис від Mykhaylo Переглянути допис
Простите биолога ЛУТ - это лазерно-утюжная технология?
Йесссс
__________________
[I][B][COLOR=blue]С уважением, Сергей Таранченко[/COLOR][/B][/I]

Starcomputer поза форумом   Відповісти з цитуванням
cказали "Дякую" Starcomputer за цей допис:
Mykhaylo (29.01.2010)
Старий 29.01.2010, 14:32   #550
Бан за нарушения
  
 
Аватар для Starcomputer
 
Реєстрація: 06.11.2007
Звідки Ви: Донецк, зона АТО
Дописи: 19.780
сказав Дякую: 5.789
сказали Дякую 17.707 раз(и) в 6.926 повідомленні
Re: Форумный Акваконтроллер ===www.aquaforum.ua===

Цитата:
Допис від tdg Переглянути допис
Это я видел и другие еще тоже. Везде пишет "Не установлен традиционный китайский"
Ладно, из дома попробую, там все установлено.
__________________
[I][B][COLOR=blue]С уважением, Сергей Таранченко[/COLOR][/B][/I]

Starcomputer поза форумом   Відповісти з цитуванням
Старий 29.01.2010, 14:41   #551
Придивляюся
  
 
Реєстрація: 05.11.2009
Звідки Ви: Санкт-Петербург
Дописи: 48
сказав Дякую: 1
сказали Дякую 16 раз(и) в 10 повідомленні
Re: Форумный Акваконтроллер ===www.aquaforum.ua===

Цитата:
Допис від Starcomputer Переглянути допис
Это я видел и другие еще тоже. Везде пишет "Не установлен традиционный китайский"
Ладно, из дома попробую, там все установлено.
Странно, там все на английском....
Мініатюри долучень
Щоб збільшити малюнок, клацніть по ньому
Назва:  Schematic.jpg
Переглядів: 393
Розмір:  36,5 КБ
ID:	55332  

tdg поза форумом   Відповісти з цитуванням
cказали "Дякую" tdg за цей допис:
Starcomputer (29.01.2010)
Старий 29.01.2010, 14:47   #552
Бан за нарушения
  
 
Аватар для Starcomputer
 
Реєстрація: 06.11.2007
Звідки Ви: Донецк, зона АТО
Дописи: 19.780
сказав Дякую: 5.789
сказали Дякую 17.707 раз(и) в 6.926 повідомленні
Re: Форумный Акваконтроллер ===www.aquaforum.ua===

Не он. Схема не та.
......................
Во ! Нашел таки
Долучені файли
Тип файлу: pdf fastjack-10base-t.pdf (207,6 КБ, 319 переглядів)
__________________
[I][B][COLOR=blue]С уважением, Сергей Таранченко[/COLOR][/B][/I]


Востаннє редагував Starcomputer: 29.01.2010 о 15:29..
Starcomputer поза форумом   Відповісти з цитуванням
Старий 29.01.2010, 18:30   #553
Живу я тут
  
 
Аватар для Yurik
 
Реєстрація: 02.07.2007
Звідки Ви: Одесса
Дописи: 984
сказав Дякую: 362
сказали Дякую 664 раз(и) в 310 повідомленні
Надіслати повідомлення для Yurik на ICQ Надіслати повідомлення для Yurik на MSN Надіслати повідомлення для Yurik на Skype
Re: Форумный Акваконтроллер ===www.aquaforum.ua===

Цитата:
Допис від Starcomputer Переглянути допис
У всех этих ARM Board есть один существенный для нас недостаток - разъемы выведены во все стороны, в корпус влепить будет проблема.
Я вообще-то на их основе пытаюсь схему сляпать
по поводу корпусов

__________________
С ув. Юрий


__________________


Востаннє редагував Starcomputer: 30.01.2010 о 20:44..
Yurik поза форумом   Відповісти з цитуванням
cказали "Дякую" Yurik за цей допис:
Starcomputer (29.01.2010)
Старий 30.01.2010, 19:24   #554
Бан за нарушения
  
 
Аватар для Starcomputer
 
Реєстрація: 06.11.2007
Звідки Ви: Донецк, зона АТО
Дописи: 19.780
сказав Дякую: 5.789
сказали Дякую 17.707 раз(и) в 6.926 повідомленні
Re: Форумный Акваконтроллер ===www.aquaforum.ua===

Так, ну где то так:

Во вложении рисунок в большем формате и схема в формате sPlan 7.0
...............
Прошу высказать свои комментарии и здравую критику, а также помочь по схеме подключения дисплея от S65 (LS020B8UD06). Годится схема подключения к любому LPC23ХХ.
А так имеем:
1. LAN
2. USB
3. COM0 (загрузчик программ)
4. COM1 (планируется BT)
5. Разъем для подключения SD-CARD.
Мініатюри долучень
Щоб збільшити малюнок, клацніть по ньому
Назва:  Контроллер.jpg
Переглядів: 336
Розмір:  321,8 КБ
ID:	55557  
Долучені файли
Тип файлу: rar Контроллер.rar (25,7 КБ, 212 переглядів)
__________________
[I][B][COLOR=blue]С уважением, Сергей Таранченко[/COLOR][/B][/I]

Starcomputer поза форумом   Відповісти з цитуванням
Ці 4 користувач(ів) сказали Дякую Starcomputer за це повідомлення:
chack (30.01.2010), Dr_Off (30.01.2010), kvn79 (30.01.2010), sae74 (30.01.2010)
Старий 30.01.2010, 21:30   #555
Живу я тут
  
 
Аватар для Sem
 
Реєстрація: 17.09.2004
Звідки Ви: Киев, Троещина
Дописи: 14.486
сказав Дякую: 4.642
сказали Дякую 8.508 раз(и) в 4.382 повідомленні
Надіслати повідомлення для Sem на ICQ Надіслати повідомлення для Sem на Skype
Re: Форумный Акваконтроллер ===www.aquaforum.ua===

Цитата:
Допис від Starcomputer Переглянути допис
и схема в формате sPlan 7.0
о, а я подумал в протеле-)))
Серега, все равно неврубаюсь. У такой большой мс и не аппаратного кома и юсб?
__________________
Страна не ублюдков и не воров.


__________________

Sem поза форумом   Відповісти з цитуванням


Share/Bookmark

Відповідь


Тут присутні: 1 (учасників - 0 , гостей - 1)
 
Параметри теми
Параметри перегляду

Ваші права у розділі
Ви не можете створювати теми
Ви не можете писати дописи
Ви не можете долучати файли
Ви не можете редагувати дописи

BB-код є Увімк.
Усмішки Увімк.
[IMG] код Увімк.
HTML код Вимк.

Швидкий перехід


Часовий пояс GMT +3. Поточний час: 20:51.


vBulletin 3.8.7 ; Copyright © 2000-2026 Jelsoft Enterprises Limited
Переклад: © Віталій Стопчанський, 2004-2010
(с)Бешлега Олександр Анатолійович, 2002-2025. Використання матеріалів сайту без посилання на джерело заборонено.
Дякуємо за ліцензійну версію форума компанію Барбус, представника торгової марки Sera в Україні.


no new posts