На головну сторінку Аквафорум
На головну сторінку




Назад   Аквафорум - форум акваріумістів та тераріумістів > Акваріум та обладнання > "Самоделкин" > Аквариумная автоматика
Аукцион Реєстрація ЧаПи Учасники Календар Нинішні дописи

Примітки

Відповідь
 
Параметри теми Параметри перегляду
Старий 14.03.2009, 01:01  
Изготовление акваконтроллера
 
Аватар для Starcomputer
Бан за нарушения

Реєстрація: 06.11.2007
Звідки Ви: Донецк, зона АТО
Дописи: 19.780
 

сказав Дякую: 5.789
сказали Дякую 17.707 раз(и) в 6.926 повідомленні
Starcomputer Starcomputer поза форумом 14.03.2009, 01:01
Рейтинг: (28 голосов - 4,64 средняя оценка)

Данная тема является прямым продолжением темы Разработка акваконтроллера, созданной AlexThunder, за что ему огромное спасибо
На данный момент разработка в целом закончена и благодарен всем, кто принимал участие в обсуждении и реализации проекта


С помощью Chack'а были заказаны и изготовлены печатные платы



И сейчас начнется наверно самый интересный этап - сборка и настройка

Схема, плата, прошивка находятся в архиве во вложении.
ИСХОДНИКОВ ПРОГРАММЫ НЕТ !!! ПРОШИВКУ ИЗМЕНИТЬ НЕЛЬЗЯ !!!
Необходимое программное обеспечение:
Схема - sPlan 6.0 (для версии 3 - 7.0)
Плата - Slayout 5.0 / 6.0

Внимание !!! В процессе сборки и наладки в схему могут быть внесены изменения ! Следите за обновлением архива !!!
...........
New_controller-2V1 - плата с косметическими правками и обозначением элементов.

Контроллер-V.3 - улучшенный вариант (симисторы в одну линию, питание +12V, два диммера, USB на борту, 4 усилителя, отдельный разъем для клавиатуры).

Version 3.1 SMD - версия 3 для СМД элементов.

Плата1V5smd - многоплатная версия от "Пупс" (контроллер + силовая часть + клавиатура + усилители + кулер для силовой части).

Контроллер V3 DIP - все нужное для сборки версии 3.0 DIP.

Firmware.rar - прошивки от Володя_Череп для нормальной работы с USB на ATTiny2313.

Прошивки.rar - архив прошивок:
ATmega_32 - стандартная прошивка
Atmega_32_EE - прошивка EEPROM
ATmega_32_9600 - скорость UART 9600
ATmega_32_PWM_244Hz - использование ШИМ для управления драйверами. Вход PWM LDD подключается непосредственно к выводу 13 или 14 ATmega.

Программирование fuse-битов:

При прошивке микроконтроллеров необходимо запрограммировать (записать 0) следующие fuse-биты:
- для ATmega32 - BOOTSZ0, BOOTSZ1, SPIEN
- для ATtiny2313 - CKSEL0, SUT0, BODLEVEL1, WDTON, SPIEN
- для ATtiny13 - SPIEN, CKDIV8, SUT0, CKSEL0 (данная микросхема используется для схемы регулировки венилятора)
Все остальные fuse-биты должны быть незапрограммированы (равны 1).
Uniprof:
Fuse-бит будет запрограммирован, если убрать галочку в соответствующем поле.
Fuse-бит будет незапрограммирован, если поставить галочку в соответствующем поле.
CodeVisionAVR:
Fuse-бит будет запрограммирован, если поставить галочку в соответствующем поле.
Fuse-бит будет незапрограммирован, если убрать галочку в соответствующем поле.
AVRDUDE:
ATmega: -U lfuse:w:0xff:m -U hfuse:w:0xd9:m
ATtiny2313: -U lfuse:w:0xee:m -U hfuse:w:0xcb:m -U efuse:w:0xff:m
ATtiny13: -U lfuse:w:0x6a:m -U hfuse:w:0xff:m

Мініатюри долучень
Щоб збільшити малюнок, клацніть по ньому
Назва:  Аккумулятор.jpg
Переглядів: 18633
Розмір:  31,1 КБ
ID:	218799  

Долучені файли
Тип файлу: rar Контроллер.rar (423,9 КБ, 19808 переглядів)
Тип файлу: rar AquaControl.rar (3,48 МБ, 19306 переглядів)
Тип файлу: rar New_controller-2V1.rar (59,8 КБ, 16035 переглядів)
Тип файлу: rar PL2303-USB.rar (2,03 МБ, 13840 переглядів)
Тип файлу: rar Новый контроллер-3.rar (43,5 КБ, 14896 переглядів)
Тип файлу: rar Плата для WH2004A.rar (278,0 КБ, 14187 переглядів)
Тип файлу: rar USB.rar (219,9 КБ, 13711 переглядів)
Тип файлу: zip Контроллер-V.3.zip (86,5 КБ, 15626 переглядів)
Тип файлу: zip Version 3.1 SMD.zip (158,5 КБ, 15580 переглядів)
Тип файлу: pdf Полезная информация.pdf (306,9 КБ, 21652 переглядів)
Тип файлу: rar Плата1v5smd.rar (165,9 КБ, 13676 переглядів)
Тип файлу: zip Контроллер V3 DIP.zip (151,0 КБ, 16056 переглядів)
Тип файлу: rar Firmware.rar (21,6 КБ, 12969 переглядів)
Тип файлу: rar Aqua Control 2007 HELP.rar (172,4 КБ, 13204 переглядів)
Тип файлу: rar THelper.rar (57,3 КБ, 12641 переглядів)
Тип файлу: rar Прошивки.rar (68,0 КБ, 11693 переглядів)

__________________
[I][B][COLOR=blue]С уважением, Сергей Таранченко[/COLOR][/B][/I]

Востаннє редагував Starcomputer: 19.04.2016 о 12:18.. Причина: Добавлен архив прошивок
Переглядів: 2236330
Відповісти з цитуванням
Ці 134 користувач(ів) сказали Дякую Starcomputer за це повідомлення:
+Максимус+ (31.08.2012), agorin (18.04.2009), aides (14.08.2013), AkaPain (07.02.2014), Aleksta (15.01.2012), ALEX77 (14.08.2009), AlexThunder (17.02.2010), alexv3 (10.04.2011), Alex_Ts (14.03.2009), Allcoholl (13.12.2009), ANTONENKO (02.04.2012), Antoxa106 (28.04.2013), AquaGomel (14.10.2010), arconas (05.02.2012), arik17 (12.10.2014), Ashatshem (09.02.2011), atom (17.05.2009), Baks (14.03.2009), BearIgor (23.03.2012), BELOUS (06.12.2011), biolog (21.11.2009), BlackAlex (14.03.2009), bmw (29.05.2009), bodom (25.05.2011), bonus78 (15.11.2009), Bosyak (19.01.2011), BpyH (29.01.2010), chack (14.03.2009), Cristal (15.06.2012), DEaD_MOPO3 (28.09.2011), Dimitr (12.02.2010), Dimker (15.06.2012), DiSan (25.12.2013), dolfik (05.01.2011), drv (31.08.2016), dubishe (21.12.2012), Dyshakz (14.02.2017), ersergey (14.04.2012), fylhttd (17.03.2009), gagari1 (13.02.2012), germanovitsh (01.11.2012), GrishaBGA (23.03.2009), Gutsik (17.07.2013), harn (04.07.2011), Heet (05.12.2009), iceSS (19.03.2009), igoritto (24.10.2010), IgorVin (10.02.2010), imac2008 (27.11.2010), iTango (08.08.2011), ivanaxion (31.08.2012), Kent (21.10.2010), kirilo777 (09.03.2012), klimnet (20.08.2012), klinok (05.09.2010), kluyt (17.08.2009), kollega-lg (21.04.2016), Koralove (24.10.2013), KostyaD (04.06.2009), kramar (14.03.2009), kusfu (28.09.2011), kvn79 (14.03.2009), Lexzx (24.03.2010), liss15 (14.10.2009), litlechina (05.05.2022), live steel (26.06.2012), lumen_xp (27.03.2012), LVit (27.11.2009), mact (14.05.2014), Makclaj (27.02.2011), masterross (11.12.2011), Mehannik (12.03.2015), MIhail (17.07.2011), myrko (15.04.2012), nbinc (12.05.2014), Nickname (25.06.2009), Nikolos667 (14.08.2011), Olzhich (18.03.2009), Oppozith (17.12.2012), Pastuh1234 (29.07.2012), pimass (15.03.2012), pulpit (21.11.2009), regiuscz (11.03.2011), rusianGrt (15.02.2010), rustr (20.09.2011), Ryzhii (10.04.2013), S V (10.01.2010), sae74 (15.02.2010), sergey_ln (28.02.2012), serjik2000 (03.07.2009), Sesh (31.05.2009), seva (19.01.2011), Shurhent (02.07.2011), Smile8 (28.09.2010), sobolev (21.09.2011), solvi (14.03.2009), sonokam (08.12.2011), sv46 (12.07.2011), Swen (15.06.2009), TakedaMaru (20.05.2013), telepuzic (22.02.2012), Tihon (04.01.2013), timofey (11.11.2009), Tiratore.d (08.11.2019), tolik_erema (04.03.2011), Ty3uK (22.03.2009), Umnik (13.01.2012), Uselink (10.02.2010), vad1972 (05.05.2010), Viktorrr (22.12.2012), vill (29.09.2010), Vitaha (26.11.2009), VitalyD (03.10.2010), VKabanov (29.04.2009), VladHNet (07.08.2009), VladVP (15.01.2012), _Vadim (11.02.2010), Амфибия (15.05.2009), Вася (14.07.2009), Володя Череп (14.03.2009), дух святой истины (16.03.2009), Ёжик в Тумане (28.02.2011), Зелёный (19.01.2012), Кениец (30.11.2009), Мираж (25.02.2012), Михаил. (14.07.2011), Молекула (04.04.2009), МСВ (19.02.2012), Пупс (20.07.2011), Рудницкий Олександр (18.01.2012), Снегозавр (20.02.2013), Шаманчик (27.10.2009), ЭКСПЕРИМЕНТАТОР (04.04.2009), Юрий Н. (17.08.2010)
Старий 05.12.2011, 08:48   #2971
Живу я тут
  
 
Аватар для pdv1965
 
Реєстрація: 03.11.2010
Звідки Ви: Мариуполь
Дописи: 368
сказав Дякую: 10
сказали Дякую 140 раз(и) в 88 повідомленні
Re: Изготовление акваконтроллера ===www.aquaforum.ua===

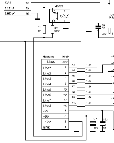
Ну там же на плате все написано, два отдельных разъема димеров один контакт- это выход, а другой-земля.На транзисторы, при помощи перемычек( возле разъема на силовую часть) подается или 5 или 12 вольт, в зависимости что Вы хотите регулировать. У меня димер крутит вентиляторы-поэтому подал 12 вольт. Все это есть на схеме, кроме транзистора перед пищалкой ,USB контроллера и ULN2803.

pdv1965 поза форумом   Відповісти з цитуванням
Старий 05.12.2011, 10:49   #2972
Живу я тут
  
 
Реєстрація: 18.11.2011
Звідки Ви: Россия
Дописи: 182
сказав Дякую: 11
сказали Дякую 12 раз(и) в 11 повідомленні
Re: Изготовление акваконтроллера ===www.aquaforum.ua===

pdv1965, ага спасибо, просто я наверное не Вашу печатку смотрел, там нет выпадающего "номинала".
- А на сколько тантал на 9 ноге ULN2803 ?
- А что лучше две LM358 или одна LM324 ?
Остальное теперь понятнее, ну если что думаю по схеме посмотрю...
Сейчас схемку немного подресую и выложу на суд, осилил все страницы темы, некоторые бегло...постараюсь сделать Выводы.

GreyJester поза форумом   Відповісти з цитуванням
Старий 05.12.2011, 10:57   #2973
Живу я тут
  
 
Аватар для pdv1965
 
Реєстрація: 03.11.2010
Звідки Ви: Мариуполь
Дописи: 368
сказав Дякую: 10
сказали Дякую 140 раз(и) в 88 повідомленні
Re: Изготовление акваконтроллера ===www.aquaforum.ua===

10 Mk
У меня на плате LM324
Моя Плата ля WH2004

pdv1965 поза форумом   Відповісти з цитуванням
cказали "Дякую" pdv1965 за цей допис:
GreyJester (05.12.2011)
Старий 05.12.2011, 14:11   #2974
Живу я тут
  
 
Реєстрація: 18.11.2011
Звідки Ви: Россия
Дописи: 182
сказав Дякую: 11
сказали Дякую 12 раз(и) в 11 повідомленні
Re: Изготовление акваконтроллера ===www.aquaforum.ua===

А подскажите +5 и VCC получается это разные напряжения?

GreyJester поза форумом   Відповісти з цитуванням
Старий 05.12.2011, 14:17   #2975
Бан за нарушения
  
 
Аватар для Starcomputer
 
Реєстрація: 06.11.2007
Звідки Ви: Донецк, зона АТО
Дописи: 19.780
сказав Дякую: 5.789
сказали Дякую 17.707 раз(и) в 6.926 повідомленні
Re: Изготовление акваконтроллера ===www.aquaforum.ua===

Разные.
__________________
[I][B][COLOR=blue]С уважением, Сергей Таранченко[/COLOR][/B][/I]

Starcomputer поза форумом   Відповісти з цитуванням
Старий 05.12.2011, 14:51   #2976
Живу я тут
  
 
Реєстрація: 18.11.2011
Звідки Ви: Россия
Дописи: 182
сказав Дякую: 11
сказали Дякую 12 раз(и) в 11 повідомленні
Re: Изготовление акваконтроллера ===www.aquaforum.ua===

А правильнее подключить AVcc к Vcc или к +5

GreyJester поза форумом   Відповісти з цитуванням
Старий 05.12.2011, 15:05   #2977
Живу я тут
  
 
Реєстрація: 28.06.2003
Звідки Ви: Киев
Дописи: 757
сказав Дякую: 831
сказали Дякую 833 раз(и) в 397 повідомленні
Відповідь: Re: Изготовление акваконтроллера ===www.aquaforum.ua===

GreyJester, AVcc обязательно подключать к Vcc, лучше через дроссель 10uH.

Володя Череп поза форумом   Відповісти з цитуванням
Старий 05.12.2011, 16:10   #2978
Живу я тут
  
 
Аватар для pdv1965
 
Реєстрація: 03.11.2010
Звідки Ви: Мариуполь
Дописи: 368
сказав Дякую: 10
сказали Дякую 140 раз(и) в 88 повідомленні
Re: Изготовление акваконтроллера ===www.aquaforum.ua===

В данном контроллере все это соединено вместе +5 вольт

pdv1965 поза форумом   Відповісти з цитуванням
Старий 05.12.2011, 17:26   #2979
Живу я тут
  
 
Реєстрація: 18.11.2011
Звідки Ви: Россия
Дописи: 182
сказав Дякую: 11
сказали Дякую 12 раз(и) в 11 повідомленні
Re: Изготовление акваконтроллера ===www.aquaforum.ua===

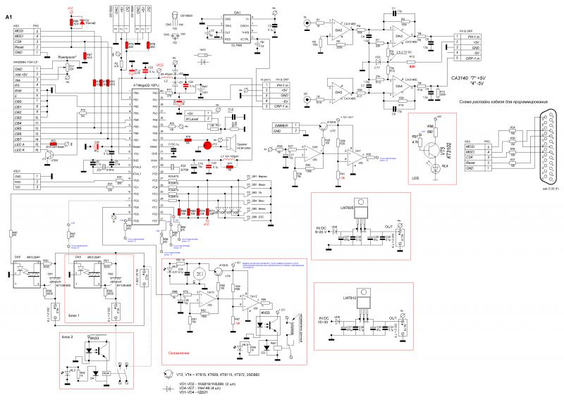
Вот что набросал, возможно тут и ошибки, но включил всё что замышлял и что вычитал из темы.

Хотел уточнить почему на схеме Юсупова катод дисплея через оптопару и к 12 вольтам, а тут анод через транзистор.

Теперь осталось купить детали (склоняюсь к SMD по максимуму...) и развести плату, может есть специалист в разводке и выполнит эту работу...
Мініатюри долучень
Щоб збільшити малюнок, клацніть по ньому
Назва:  оригинал.gif
Переглядів: 474
Розмір:  10,2 КБ
ID:	193894  
Долучені файли
Тип файлу: zip Схема.zip (55,7 КБ, 168 переглядів)


Востаннє редагував GreyJester: 06.12.2011 о 10:03..
GreyJester поза форумом   Відповісти з цитуванням
Старий 05.12.2011, 17:31   #2980
Бан за нарушения
  
 
Аватар для Starcomputer
 
Реєстрація: 06.11.2007
Звідки Ви: Донецк, зона АТО
Дописи: 19.780
сказав Дякую: 5.789
сказали Дякую 17.707 раз(и) в 6.926 повідомленні
Re: Изготовление акваконтроллера ===www.aquaforum.ua===

Схему изменили.
А чего Вас смущает ? Работает нормально.
__________________
[I][B][COLOR=blue]С уважением, Сергей Таранченко[/COLOR][/B][/I]

Starcomputer поза форумом   Відповісти з цитуванням
Старий 05.12.2011, 17:45   #2981
Живу я тут
  
 
Реєстрація: 18.11.2011
Звідки Ви: Россия
Дописи: 182
сказав Дякую: 11
сказали Дякую 12 раз(и) в 11 повідомленні
Re: Изготовление акваконтроллера ===www.aquaforum.ua===

Starcomputer, я добавил защиту от помех в контроллер (в теме ссылок было несколько на материал). Хочется чтоб по максимуму защита, на крайняк перемычки сделать или не впаять не долго (если кому не нужно это). Транзистор к спикеру, такое видел в металлоискатели и в схеме pdv1965. Затем вставил индикацию, кому нужно запаяют. Дорисовал вариант включения реле, можно продублировать все каналы или несколько (для переключения джамперы и тумблер) видел подобное у кого то на плате готовой , переплата конечно есть, но вдруг придётся постоянное напряжение коммутировать. Ещё проявил фантазию и нарисовал защиту чтоб нагреватель «точно» не работал при включении куллера (на охлаждение), хочу сделать донный обогрев (купил тросик в изоляции), можно переделать и на тиристор, для обычного нагревателя или возможно сюда ещё что подключить…
Дорисовал стабилизаторы напряжения…
Хотел бы уточни про заряд АКБ (как происходит это, возможен ли перезаряд, может добавить что к схеме) и его напряжение читал что лучше если более 4,5 вольт оно.
Вложил довольно простые схемы зарядок.
Мініатюри долучень
Щоб збільшити малюнок, клацніть по ньому
Назва:  Li-on зарядка.gif
Переглядів: 503
Розмір:  5,0 КБ
ID:	193905   Щоб збільшити малюнок, клацніть по ньому
Назва:  Li-on зарядка.jpg
Переглядів: 515
Розмір:  24,3 КБ
ID:	193906   Щоб збільшити малюнок, клацніть по ньому
Назва:  Li-on_зарядка.jpg
Переглядів: 557
Розмір:  29,6 КБ
ID:	193907  


Востаннє редагував GreyJester: 05.12.2011 о 18:12..
GreyJester поза форумом   Відповісти з цитуванням
Старий 05.12.2011, 20:08   #2982
Живу я тут
  
 
Аватар для Sem
 
Реєстрація: 17.09.2004
Звідки Ви: Киев, Троещина
Дописи: 14.486
сказав Дякую: 4.642
сказали Дякую 8.508 раз(и) в 4.382 повідомленні
Надіслати повідомлення для Sem на ICQ Надіслати повідомлення для Sem на Skype
Re: Изготовление акваконтроллера ===www.aquaforum.ua===

GreyJester, в 5-е переложи.
Много суеты а толку не вижу пока.
Если добавляять- то супервизор для проца...

Транзистор к спикеру..... спикер с генератором или без?

Таблетка на часах ходит года три.... смысл...
__________________
Страна не ублюдков и не воров.


__________________

Sem поза форумом   Відповісти з цитуванням
Старий 05.12.2011, 20:35   #2983
Живу я тут
  
 
Реєстрація: 18.11.2011
Звідки Ви: Россия
Дописи: 182
сказав Дякую: 11
сказали Дякую 12 раз(и) в 11 повідомленні
Re: Изготовление акваконтроллера ===www.aquaforum.ua===

Цитата:
Допис від Sem Переглянути допис
GreyJester, в 5-е переложи.
Много суеты а толку не вижу пока.
Если добавляять- то супервизор для проца...

Транзистор к спикеру..... спикер с генератором или без?

Таблетка на часах ходит года три.... смысл...
Спикер с генератором кажется, точно не помню, нужно посмотреть...
Супервизор... так эт не ко мне, я только повторяю, в построении и программирование я ни какой.
А причём тут таблетка, если тут АКБ..
Что значит 5-е переложи!?

Хотел уточнить, а с ног МК на управление нагрузками какое напряжение максимальное выходит?
А почему если мощный транзистор поставить, то не получится ленту LED (около 30 Ватт)повесить?

GreyJester поза форумом   Відповісти з цитуванням
Старий 05.12.2011, 20:38   #2984
Живу я тут
  
 
Аватар для Sem
 
Реєстрація: 17.09.2004
Звідки Ви: Киев, Троещина
Дописи: 14.486
сказав Дякую: 4.642
сказали Дякую 8.508 раз(и) в 4.382 повідомленні
Надіслати повідомлення для Sem на ICQ Надіслати повідомлення для Sem на Skype
Re: Изготовление акваконтроллера ===www.aquaforum.ua===

Цитата:
Допис від GreyJester Переглянути допис
Спикер с генератором кажется, точно не помню, нужно посмотреть...
Креститься надо -)))
Цитата:
Допис від GreyJester Переглянути допис
Супервизор... так эт не ко мне, я только повторяю, в построении и программирование я ни какой.
Это железная мс

Цитата:
Допис від GreyJester Переглянути допис
А причём тут таблетка, если тут АКБ..
Где?
Цитата:
Допис від GreyJester Переглянути допис
Что значит 5-е переложи!?
В 5-й версии, а не в 7-й -)))
__________________
Страна не ублюдков и не воров.


__________________

Sem поза форумом   Відповісти з цитуванням
Старий 05.12.2011, 20:44   #2985
Живу я тут
  
 
Реєстрація: 18.11.2011
Звідки Ви: Россия
Дописи: 182
сказав Дякую: 11
сказали Дякую 12 раз(и) в 11 повідомленні
Re: Изготовление акваконтроллера ===www.aquaforum.ua===

Sem, у меня только 7-ая, а сохранить в старую версию не могу, нет такого в меню.
Спасибо я посмотрел что такое супервизор.

Не пойму тут все говорят о АКБ а не о "таблетки"...
Мініатюри долучень
Щоб збільшити малюнок, клацніть по ньому
Назва:  Новый контроллер.jpg
Переглядів: 638
Розмір:  70,6 КБ
ID:	193970  

GreyJester поза форумом   Відповісти з цитуванням


Share/Bookmark

Відповідь


Тут присутні: 243 (учасників - 0 , гостей - 243)
 

Ваші права у розділі
Ви не можете створювати теми
Ви не можете писати дописи
Ви не можете долучати файли
Ви не можете редагувати дописи

BB-код є Увімк.
Усмішки Увімк.
[IMG] код Увімк.
HTML код Вимк.

Швидкий перехід


Часовий пояс GMT +3. Поточний час: 22:37.


vBulletin 3.8.7 ; Copyright © 2000-2025 Jelsoft Enterprises Limited
Переклад: © Віталій Стопчанський, 2004-2010
(с)Бешлега Олександр Анатолійович, 2002-2025. Використання матеріалів сайту без посилання на джерело заборонено.
Дякуємо за ліцензійну версію форума компанію Барбус, представника торгової марки Sera в Україні.


no new posts