На головну сторінку Аквафорум
На головну сторінку




Назад   Аквафорум - форум акваріумістів та тераріумістів > Акваріум та обладнання > "Самоделкин" > Аквариумная автоматика
Аукцион Реєстрація ЧаПи Учасники Календар Нинішні дописи

Примітки

Відповідь
 
Параметри теми Параметри перегляду
Старий 14.03.2009, 01:01  
Изготовление акваконтроллера
 
Аватар для Starcomputer
Бан за нарушения

Реєстрація: 06.11.2007
Звідки Ви: Донецк, зона АТО
Дописи: 19.780
 

сказав Дякую: 5.789
сказали Дякую 17.707 раз(и) в 6.926 повідомленні
Starcomputer Starcomputer поза форумом 14.03.2009, 01:01
Рейтинг: (28 голосов - 4,64 средняя оценка)

Данная тема является прямым продолжением темы Разработка акваконтроллера, созданной AlexThunder, за что ему огромное спасибо
На данный момент разработка в целом закончена и благодарен всем, кто принимал участие в обсуждении и реализации проекта


С помощью Chack'а были заказаны и изготовлены печатные платы



И сейчас начнется наверно самый интересный этап - сборка и настройка

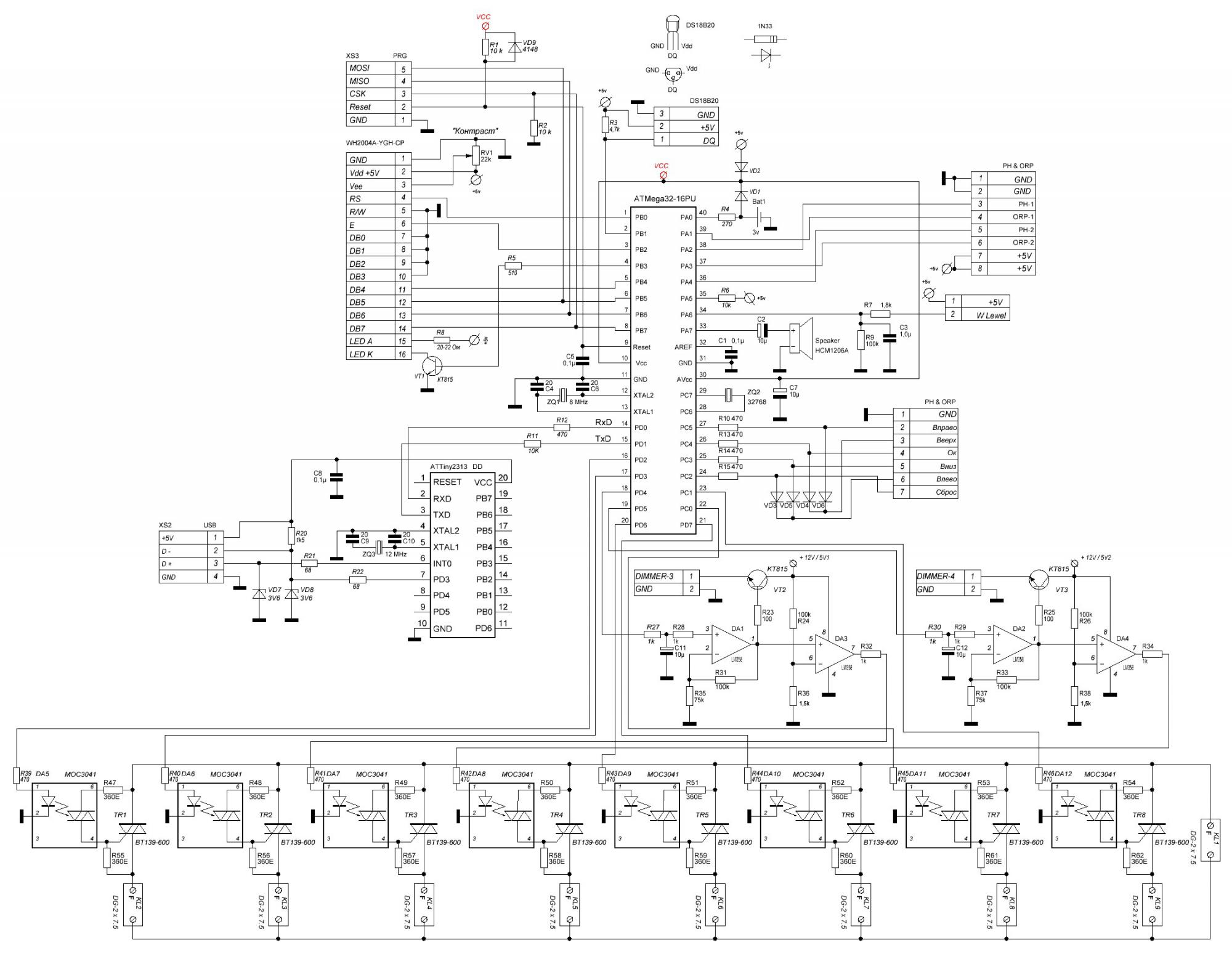
Схема, плата, прошивка находятся в архиве во вложении.
ИСХОДНИКОВ ПРОГРАММЫ НЕТ !!! ПРОШИВКУ ИЗМЕНИТЬ НЕЛЬЗЯ !!!
Необходимое программное обеспечение:
Схема - sPlan 6.0 (для версии 3 - 7.0)
Плата - Slayout 5.0 / 6.0

Внимание !!! В процессе сборки и наладки в схему могут быть внесены изменения ! Следите за обновлением архива !!!
...........
New_controller-2V1 - плата с косметическими правками и обозначением элементов.

Контроллер-V.3 - улучшенный вариант (симисторы в одну линию, питание +12V, два диммера, USB на борту, 4 усилителя, отдельный разъем для клавиатуры).

Version 3.1 SMD - версия 3 для СМД элементов.

Плата1V5smd - многоплатная версия от "Пупс" (контроллер + силовая часть + клавиатура + усилители + кулер для силовой части).

Контроллер V3 DIP - все нужное для сборки версии 3.0 DIP.

Firmware.rar - прошивки от Володя_Череп для нормальной работы с USB на ATTiny2313.

Прошивки.rar - архив прошивок:
ATmega_32 - стандартная прошивка
Atmega_32_EE - прошивка EEPROM
ATmega_32_9600 - скорость UART 9600
ATmega_32_PWM_244Hz - использование ШИМ для управления драйверами. Вход PWM LDD подключается непосредственно к выводу 13 или 14 ATmega.

Программирование fuse-битов:

При прошивке микроконтроллеров необходимо запрограммировать (записать 0) следующие fuse-биты:
- для ATmega32 - BOOTSZ0, BOOTSZ1, SPIEN
- для ATtiny2313 - CKSEL0, SUT0, BODLEVEL1, WDTON, SPIEN
- для ATtiny13 - SPIEN, CKDIV8, SUT0, CKSEL0 (данная микросхема используется для схемы регулировки венилятора)
Все остальные fuse-биты должны быть незапрограммированы (равны 1).
Uniprof:
Fuse-бит будет запрограммирован, если убрать галочку в соответствующем поле.
Fuse-бит будет незапрограммирован, если поставить галочку в соответствующем поле.
CodeVisionAVR:
Fuse-бит будет запрограммирован, если поставить галочку в соответствующем поле.
Fuse-бит будет незапрограммирован, если убрать галочку в соответствующем поле.
AVRDUDE:
ATmega: -U lfuse:w:0xff:m -U hfuse:w:0xd9:m
ATtiny2313: -U lfuse:w:0xee:m -U hfuse:w:0xcb:m -U efuse:w:0xff:m
ATtiny13: -U lfuse:w:0x6a:m -U hfuse:w:0xff:m

Мініатюри долучень
Щоб збільшити малюнок, клацніть по ньому
Назва:  Аккумулятор.jpg
Переглядів: 18948
Розмір:  31,1 КБ
ID:	218799  

Долучені файли
Тип файлу: rar Контроллер.rar (423,9 КБ, 20079 переглядів)
Тип файлу: rar AquaControl.rar (3,48 МБ, 19635 переглядів)
Тип файлу: rar New_controller-2V1.rar (59,8 КБ, 16310 переглядів)
Тип файлу: rar PL2303-USB.rar (2,03 МБ, 14118 переглядів)
Тип файлу: rar Новый контроллер-3.rar (43,5 КБ, 15146 переглядів)
Тип файлу: rar Плата для WH2004A.rar (278,0 КБ, 14426 переглядів)
Тип файлу: rar USB.rar (219,9 КБ, 13997 переглядів)
Тип файлу: zip Контроллер-V.3.zip (86,5 КБ, 15903 переглядів)
Тип файлу: zip Version 3.1 SMD.zip (158,5 КБ, 15845 переглядів)
Тип файлу: pdf Полезная информация.pdf (306,9 КБ, 21922 переглядів)
Тип файлу: rar Плата1v5smd.rar (165,9 КБ, 13997 переглядів)
Тип файлу: zip Контроллер V3 DIP.zip (151,0 КБ, 16342 переглядів)
Тип файлу: rar Firmware.rar (21,6 КБ, 13244 переглядів)
Тип файлу: rar Aqua Control 2007 HELP.rar (172,4 КБ, 13481 переглядів)
Тип файлу: rar THelper.rar (57,3 КБ, 12914 переглядів)
Тип файлу: rar Прошивки.rar (68,0 КБ, 11997 переглядів)

__________________
[I][B][COLOR=blue]С уважением, Сергей Таранченко[/COLOR][/B][/I]

Востаннє редагував Starcomputer: 19.04.2016 о 12:18.. Причина: Добавлен архив прошивок
Переглядів: 2342978
Відповісти з цитуванням
Ці 134 користувач(ів) сказали Дякую Starcomputer за це повідомлення:
+Максимус+ (31.08.2012), agorin (18.04.2009), aides (14.08.2013), AkaPain (07.02.2014), Aleksta (15.01.2012), ALEX77 (14.08.2009), AlexThunder (17.02.2010), alexv3 (10.04.2011), Alex_Ts (14.03.2009), Allcoholl (13.12.2009), ANTONENKO (02.04.2012), Antoxa106 (28.04.2013), AquaGomel (14.10.2010), arconas (05.02.2012), arik17 (12.10.2014), Ashatshem (09.02.2011), atom (17.05.2009), Baks (14.03.2009), BearIgor (23.03.2012), BELOUS (06.12.2011), biolog (21.11.2009), BlackAlex (14.03.2009), bmw (29.05.2009), bodom (25.05.2011), bonus78 (15.11.2009), Bosyak (19.01.2011), BpyH (29.01.2010), chack (14.03.2009), Cristal (15.06.2012), DEaD_MOPO3 (28.09.2011), Dimitr (12.02.2010), Dimker (15.06.2012), DiSan (25.12.2013), dolfik (05.01.2011), drv (31.08.2016), dubishe (21.12.2012), Dyshakz (14.02.2017), ersergey (14.04.2012), fylhttd (17.03.2009), gagari1 (13.02.2012), germanovitsh (01.11.2012), GrishaBGA (23.03.2009), Gutsik (17.07.2013), harn (04.07.2011), Heet (05.12.2009), iceSS (19.03.2009), igoritto (24.10.2010), IgorVin (10.02.2010), imac2008 (27.11.2010), iTango (08.08.2011), ivanaxion (31.08.2012), Kent (21.10.2010), kirilo777 (09.03.2012), klimnet (20.08.2012), klinok (05.09.2010), kluyt (17.08.2009), kollega-lg (21.04.2016), Koralove (24.10.2013), KostyaD (04.06.2009), kramar (14.03.2009), kusfu (28.09.2011), kvn79 (14.03.2009), Lexzx (24.03.2010), liss15 (14.10.2009), litlechina (05.05.2022), live steel (26.06.2012), lumen_xp (27.03.2012), LVit (27.11.2009), mact (14.05.2014), Makclaj (27.02.2011), masterross (11.12.2011), Mehannik (12.03.2015), MIhail (17.07.2011), myrko (15.04.2012), nbinc (12.05.2014), Nickname (25.06.2009), Nikolos667 (14.08.2011), Olzhich (18.03.2009), Oppozith (17.12.2012), Pastuh1234 (29.07.2012), pimass (15.03.2012), pulpit (21.11.2009), regiuscz (11.03.2011), rusianGrt (15.02.2010), rustr (20.09.2011), Ryzhii (10.04.2013), S V (10.01.2010), sae74 (15.02.2010), sergey_ln (28.02.2012), serjik2000 (03.07.2009), Sesh (31.05.2009), seva (19.01.2011), Shurhent (02.07.2011), Smile8 (28.09.2010), sobolev (21.09.2011), solvi (14.03.2009), sonokam (08.12.2011), sv46 (12.07.2011), Swen (15.06.2009), TakedaMaru (20.05.2013), telepuzic (22.02.2012), Tihon (04.01.2013), timofey (11.11.2009), Tiratore.d (08.11.2019), tolik_erema (04.03.2011), Ty3uK (22.03.2009), Umnik (13.01.2012), Uselink (10.02.2010), vad1972 (05.05.2010), Viktorrr (22.12.2012), vill (29.09.2010), Vitaha (26.11.2009), VitalyD (03.10.2010), VKabanov (29.04.2009), VladHNet (07.08.2009), VladVP (15.01.2012), _Vadim (11.02.2010), Амфибия (15.05.2009), Вася (14.07.2009), Володя Череп (14.03.2009), дух святой истины (16.03.2009), Ёжик в Тумане (28.02.2011), Зелёный (19.01.2012), Кениец (30.11.2009), Мираж (25.02.2012), Михаил. (14.07.2011), Молекула (04.04.2009), МСВ (19.02.2012), Пупс (20.07.2011), Рудницкий Олександр (18.01.2012), Снегозавр (20.02.2013), Шаманчик (27.10.2009), ЭКСПЕРИМЕНТАТОР (04.04.2009), Юрий Н. (17.08.2010)
Старий 25.12.2011, 20:11   #3076
Живу я тут
  
 
Аватар для MIhail
 
Реєстрація: 15.07.2011
Звідки Ви: Киев
Дописи: 347
сказав Дякую: 232
сказали Дякую 145 раз(и) в 83 повідомленні
Re: Изготовление акваконтроллера ===www.aquaforum.ua===

Цитата:
Допис від lumen_xp Переглянути допис
Sem, преобразоатель собран на attiny, это псевдоком, питание преобразователя от USB. Питание контроллера 5,2 В (вроде неплохой зарядник для USB устройств).

Скорость снизил вдвое. Соединение проходит только когда запускаю диспетчер задач что бы убить процесс. Пару коннектов проходит и опять программа зависает.
Ноут на роботе! Завтра напишу какую скорость поставил, работает ГУД
__________________
тел: 050 з85 0з 7I

MIhail поза форумом   Відповісти з цитуванням
Старий 26.12.2011, 19:46   #3077
Придивляюся
  
 
Реєстрація: 24.11.2011
Звідки Ви: Екатеринбург
Дописи: 42
сказав Дякую: 6
сказали Дякую 8 раз(и) в 4 повідомленні
Re: Изготовление акваконтроллера ===www.aquaforum.ua===

Вроде уже все перебрал. Нет стабильного коннекта. В чем может быть причина?

lumen_xp поза форумом   Відповісти з цитуванням
Старий 26.12.2011, 23:28   #3078
Живу я тут
  
 
Реєстрація: 28.06.2003
Звідки Ви: Киев
Дописи: 757
сказав Дякую: 831
сказали Дякую 833 раз(и) в 397 повідомленні
Відповідь: Re: Изготовление акваконтроллера ===www.aquaforum.ua===

Цитата:
Допис від lumen_xp Переглянути допис
Собрал преобразователь USB - UART на ATTINY 2313. Сам преобразователь работает, проверял!
lumen_xp, как Вы проверяли преобразователь? Замкнули Rx-Tx и увидели эхо?

Попробуйте закрыть программу "AquaControl" и запустить программу терминала для COM-порта. В Windows XP есть программа "Hyper Terminal". Для Windows 7 можно скачать ZOC или другую аналогичную программу. В терминале откройте виртуальный COM-порт, к которому подключен переходник с контроллером, задав параметры, которые использует программа "AquaControl": 19200, 8N1 (8 бит данных, нет битов четности, 1 стоп-бит). Управление потоком не используется. После этого рестартуйте контроллер (кратковременно замкните RST и землю). В окне терминала должна появиться строка "Start".

Если появятся случайные символы, то закройте порт и откройте его снова на скорости 2400. Если на этой скорости во время рестарта контроллера появится строка "Start", то это может означать, что контроллер работает на частоте 1 МГц, а не 8 МГц. В этом случае надо перепрошить фьюзы.

Володя Череп поза форумом   Відповісти з цитуванням
Ці 3 користувач(ів) сказали Дякую Володя Череп за це повідомлення:
lumen_xp (27.12.2011), MIhail (27.12.2011), rustr (10.01.2012)
Старий 27.12.2011, 05:55   #3079
Придивляюся
  
 
Реєстрація: 24.11.2011
Звідки Ви: Екатеринбург
Дописи: 42
сказав Дякую: 6
сказали Дякую 8 раз(и) в 4 повідомленні
Re: Відповідь: Re: Изготовление акваконтроллера ===www.aquaforum.ua===

Цитата:
Допис від Володя Череп Переглянути допис
lumen_xp, как Вы проверяли преобразователь? Замкнули Rx-Tx и увидели эхо?
Да, замыкал, подключался терминалом и получал ответ!

Цитата:
Попробуйте закрыть программу "AquaControl" и запустить программу терминала для COM-порта. В Windows XP есть программа "Hyper Terminal". Для Windows 7 можно скачать ZOC или другую аналогичную программу. В терминале откройте виртуальный COM-порт, к которому подключен переходник с контроллером, задав параметры, которые использует программа "AquaControl": 19200, 8N1 (8 бит данных, нет битов четности, 1 стоп-бит). Управление потоком не используется. После этого рестартуйте контроллер (кратковременно замкните RST и землю). В окне терминала должна появиться строка "Start".

Если появятся случайные символы, то закройте порт и откройте его снова на скорости 2400. Если на этой скорости во время рестарта контроллера появится строка "Start", то это может означать, что контроллер работает на частоте 1 МГц, а не 8 МГц. В этом случае надо перепрошить фьюзы.
На XP запустил HTerminal, настроил все как Вы сказали. Перезагрузил контроллер, получил Start. Могу сделать вывод, что фьюзы установлены верно.

Т.к. пока у меня нет мыслей что делать, может у Вас есть набор команд, при помощи которых я хотя бы настройки подсветки мог изменить. Несколько напрягает голубой ночничек)!

lumen_xp поза форумом   Відповісти з цитуванням
Старий 27.12.2011, 12:14   #3080
Живу я тут
  
 
Аватар для MIhail
 
Реєстрація: 15.07.2011
Звідки Ви: Киев
Дописи: 347
сказав Дякую: 232
сказали Дякую 145 раз(и) в 83 повідомленні
Re: Изготовление акваконтроллера ===www.aquaforum.ua===

Можно еще попробовать замкнуть rx tx и послать на разных скоростях куча текста(копировать, вставить). И смотреть как они проходят (нет ли потерь)
Фото можете выложить?
__________________
тел: 050 з85 0з 7I

MIhail поза форумом   Відповісти з цитуванням
Старий 27.12.2011, 12:21   #3081
Живу я тут
  
 
Аватар для MIhail
 
Реєстрація: 15.07.2011
Звідки Ви: Киев
Дописи: 347
сказав Дякую: 232
сказали Дякую 145 раз(и) в 83 повідомленні
Re: Відповідь: Re: Изготовление акваконтроллера ===www.aquaforum.ua===

Цитата:
Допис від Володя Череп Переглянути допис
lumen_xp, как Вы проверяли преобразователь? Замкнули Rx-Tx и увидели эхо?

Попробуйте закрыть программу "AquaControl" и запустить программу терминала для COM-порта. В Windows XP есть программа "Hyper Terminal". Для Windows 7 можно скачать ZOC или другую аналогичную программу. В терминале откройте виртуальный COM-порт, к которому подключен переходник с контроллером, задав параметры, которые использует программа "AquaControl": 19200, 8N1 (8 бит данных, нет битов четности, 1 стоп-бит). Управление потоком не используется. После этого рестартуйте контроллер (кратковременно замкните RST и землю). В окне терминала должна появиться строка "Start".

Если появятся случайные символы, то закройте порт и откройте его снова на скорости 2400. Если на этой скорости во время рестарта контроллера появится строка "Start", то это может означать, что контроллер работает на частоте 1 МГц, а не 8 МГц. В этом случае надо перепрошить фьюзы.
СПС в FAQ
__________________
тел: 050 з85 0з 7I

MIhail поза форумом   Відповісти з цитуванням
Старий 27.12.2011, 12:43   #3082
Придивляюся
  
 
Реєстрація: 24.11.2011
Звідки Ви: Екатеринбург
Дописи: 42
сказав Дякую: 6
сказали Дякую 8 раз(и) в 4 повідомленні
Re: Изготовление акваконтроллера ===www.aquaforum.ua===

Цитата:
Допис від MIhail Переглянути допис
Можно еще попробовать замкнуть rx tx и послать на разных скоростях куча текста(копировать, вставить). И смотреть как они проходят (нет ли потерь)
Фото можете выложить?
Фото чего? Как в HT приходит старт? Хорошо!
По поводу текста, попробую, только наверное вечерком.
Прямых команд общения с контроллером ни у кого нет видимо?

MIhail
а что с настройками? Какие Вы выставляли?

lumen_xp поза форумом   Відповісти з цитуванням
Старий 27.12.2011, 12:54   #3083
Живу я тут
  
 
Аватар для MIhail
 
Реєстрація: 15.07.2011
Звідки Ви: Киев
Дописи: 347
сказав Дякую: 232
сказали Дякую 145 раз(и) в 83 повідомленні
Re: Изготовление акваконтроллера ===www.aquaforum.ua===

Цитата:
Допис від lumen_xp Переглянути допис
Фото чего? Как в HT приходит старт? Хорошо!
По поводу текста, попробую, только наверное вечерком.
Прямых команд общения с контроллером ни у кого нет видимо?

MIhail
а что с настройками? Какие Вы выставляли?
Фото, имел ввиду вашего преобразователя!
По поводу настроек вечером отпишу
Если совсем будет плохо могу попробовать проснифить разговор так скажем компа с контролером во время изменения яркости экрана
Но надо разобраться! У меня же работает нормально
__________________
тел: 050 з85 0з 7I

MIhail поза форумом   Відповісти з цитуванням
Старий 27.12.2011, 18:30   #3084
Придивляюся
  
 
Реєстрація: 24.11.2011
Звідки Ви: Екатеринбург
Дописи: 42
сказав Дякую: 6
сказали Дякую 8 раз(и) в 4 повідомленні
Re: Изготовление акваконтроллера ===www.aquaforum.ua===

И так, брал прошивку, схему и пример печатки тут.

Сам преобразователь расположен на плате контроллера, сфотографировать сейчас нет возможности.

По линии Tx стоит согласно схеме 470 Ом и потом 200 Ом согласно схеме контроллера. По Rx 10к и 200 Ом.

Есть еще одна особенность, корпус камня TQFP44. Перемычки с Rx Tx (PD0 и PD1) идут под камнем.

Ни разу не сниферил COM, если есть возможность - вышлите. Надеюсь там можно вычленить команды.

lumen_xp поза форумом   Відповісти з цитуванням
Старий 27.12.2011, 20:28   #3085
Бан за нарушения
  
 
Аватар для Starcomputer
 
Реєстрація: 06.11.2007
Звідки Ви: Донецк, зона АТО
Дописи: 19.780
сказав Дякую: 5.789
сказали Дякую 17.707 раз(и) в 6.926 повідомленні
Re: Изготовление акваконтроллера ===www.aquaforum.ua===

Еще одна версия (наверно уже последняя).
Отличия:
- два диммера с нагрузкой до 2А;
- питание 12В нестабилизированное;
- 4 усилителя;
- USB на борту;
- клавиатурный разъем;
- более удобное размещение выходов.
Расположение симисторов позволяет посадить их все на один мощный радиатор.
Выходные транзисторы диммеров тоже ставятся на один радиатор.
.................
Зы. Соответствие платы - схемы не проверялось, так что милости прошу всех желающих
Также принимаются любые поправки / доработки.
Мініатюри долучень
Щоб збільшити малюнок, клацніть по ньому
Назва:  Контроллер.jpg
Переглядів: 918
Розмір:  276,9 КБ
ID:	199575   Щоб збільшити малюнок, клацніть по ньому
Назва:  Блок входов.JPG
Переглядів: 1081
Розмір:  166,4 КБ
ID:	199576   Щоб збільшити малюнок, клацніть по ньому
Назва:  Плата.jpg
Переглядів: 925
Розмір:  101,1 КБ
ID:	199577  
Долучені файли
Тип файлу: zip Контроллер.zip (118,4 КБ, 476 переглядів)
__________________
[I][B][COLOR=blue]С уважением, Сергей Таранченко[/COLOR][/B][/I]


Востаннє редагував Starcomputer: 27.12.2011 о 20:46..
Starcomputer поза форумом   Відповісти з цитуванням
Ці 7 користувач(ів) сказали Дякую Starcomputer за це повідомлення:
Ashatshem (13.01.2012), chack (28.12.2011), kvn79 (27.12.2011), sae74 (27.12.2011), Sem (27.12.2011), shurulya (27.12.2011), Володя Череп (27.12.2011)
Старий 27.12.2011, 21:32   #3086
Живу я тут
  
 
Реєстрація: 28.06.2003
Звідки Ви: Киев
Дописи: 757
сказав Дякую: 831
сказали Дякую 833 раз(и) в 397 повідомленні
Відповідь: Re: Відповідь: Re: Изготовление акваконтроллера ===www.aquaforum.ua===

Цитата:
Допис від lumen_xp Переглянути допис
Т.к. пока у меня нет мыслей что делать, может у Вас есть набор команд, при помощи которых я хотя бы настройки подсветки мог изменить. Несколько напрягает голубой ночничек)!
Яркость дисплея хранится в EEPROM по адресу 0x187. Значение по умолчанию - 0xFF (максимальная яркость). Изменить эту ячейку можно программатором. Команда по COM-порту для изменения яркости мне неизвестна.
Цитата:
Допис від Starcomputer Переглянути допис
Соответствие платы - схемы не проверялось
Сразу заметил, что резисторы R11 (10К) и R12 (470) на плате подключены правильно - соответственно к выводам 14 и 15 ATmega32, а на схеме подключены неправильно - к выводам 15 и 14 (т.е. наоборот).

Володя Череп поза форумом   Відповісти з цитуванням
Ці 2 користувач(ів) сказали Дякую Володя Череп за це повідомлення:
lumen_xp (28.12.2011), Starcomputer (28.12.2011)
Старий 28.12.2011, 06:24   #3087
Придивляюся
  
 
Реєстрація: 24.11.2011
Звідки Ви: Екатеринбург
Дописи: 42
сказав Дякую: 6
сказали Дякую 8 раз(и) в 4 повідомленні
Re: Изготовление акваконтроллера ===www.aquaforum.ua===

Володя Череп, спасибо!

Попробую поменять местами резисторы, выбросить 200 Ом-ные. Ну и видимо подключение у меня не совсем верное PD0 (Rx) - TxD (Attiny), PD1 (Tx) - RxD (Attiny). Не правильно понял как подключать и воткнул встречно. Не понятно почему старт прошел...

lumen_xp поза форумом   Відповісти з цитуванням
Старий 28.12.2011, 06:51   #3088
Придивляюся
  
 
Реєстрація: 16.12.2011
Звідки Ви: г. Хабаровск
Дописи: 6
сказав Дякую: 0
сказали Дякую 0 раз(и) в 0 повідомленні
Re: Изготовление акваконтроллера ===www.aquaforum.ua===

Цитата:
Допис від Starcomputer Переглянути допис
Еще одна версия (наверно уже последняя).
Спасибо большое, а прошивки или исходники есть?

dpopenkov поза форумом   Відповісти з цитуванням
Старий 28.12.2011, 07:29   #3089
Придивляюся
  
 
Реєстрація: 24.11.2011
Звідки Ви: Екатеринбург
Дописи: 42
сказав Дякую: 6
сказали Дякую 8 раз(и) в 4 повідомленні
Re: Изготовление акваконтроллера ===www.aquaforum.ua===

Цитата:
Допис від dpopenkov Переглянути допис
Спасибо большое, а прошивки или исходники есть?
Starcomputer может в топике написать об отсутствии исходников?

lumen_xp поза форумом   Відповісти з цитуванням
Старий 28.12.2011, 08:23   #3090
Придивляюся
  
 
Реєстрація: 21.12.2011
Звідки Ви: запорожье
Дописи: 4
сказав Дякую: 0
сказали Дякую 0 раз(и) в 0 повідомленні
Re: Изготовление акваконтроллера ===www.aquaforum.ua===

Добрый день, вот и я приблизился к завершению работы над устройством но есть другая проблема. Стоит Win7, спаял переходник на Attiny. Драйвера установились и в диспетчере появилось виртуальный порт но при включении программы AquaControl выдает "Невозможно открыть порт". На XP порт работает нормально. В чем может быть проблема?

Guplev поза форумом   Відповісти з цитуванням


Share/Bookmark

Відповідь


Тут присутні: 4 (учасників - 0 , гостей - 4)
 

Ваші права у розділі
Ви не можете створювати теми
Ви не можете писати дописи
Ви не можете долучати файли
Ви не можете редагувати дописи

BB-код є Увімк.
Усмішки Увімк.
[IMG] код Увімк.
HTML код Вимк.

Швидкий перехід


Часовий пояс GMT +3. Поточний час: 16:57.


vBulletin 3.8.7 ; Copyright © 2000-2026 Jelsoft Enterprises Limited
Переклад: © Віталій Стопчанський, 2004-2010
(с)Бешлега Олександр Анатолійович, 2002-2025. Використання матеріалів сайту без посилання на джерело заборонено.
Дякуємо за ліцензійну версію форума компанію Барбус, представника торгової марки Sera в Україні.


no new posts