 |
|
17.11.2010, 11:48
|
|
|
Еще один контроллер для аквариума
Живу я тут
Реєстрація: 03.11.2010
Звідки Ви: Мариуполь
Дописи: 368
сказав Дякую: 10
сказали Дякую 140 раз(и) в 88 повідомленні

17.11.2010, 11:48
Рейтинг:
(1 голосов - 4,00 средняя оценка)
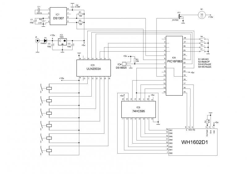
Хочу предложить еще один контроллер для аквариума.
1.Часы.
2.Управление 6 каналами.
3.Включение и выключение нагрузки в заданное время
(6 таймеров для управления устройствами).
4. Возможность включения нагрузки от 1-й минуты.
5. Отключение любого канала на заданное количество минут без изменения работы заданной программы.
6. Контроль температуры в пределах 0:+85 градусов.
7. Корректировка показаний датчика
8. Настройка температурного диапазона для обогревателя или охладителя.
9. Управление вентилятором 12В (250 скоростей управления вентилятором).
10. Отключение нагрузки при неисправности или отключении датчика.
Программа написана Русланом из Ростова и совместными усилиями доведена до нынешнего состояния. Платку разработал сам под SMD детали. Во вложении фото двух вариантов исполнения (в крышку и автономное) и схемка.

|
|
Переглядів: 121025
|
|
Ці 15 користувач(ів) сказали Дякую pdv1965 за це повідомлення:
|
abaro (18.02.2014), Bonsh (17.11.2010), chack (09.04.2012), malexmen (17.11.2010), Melkiy (19.11.2010), onikitin (06.11.2011), ProOFF (30.09.2011), Sim (30.01.2011), sport_rib (03.02.2011), Starcomputer (17.11.2010), ukraudio (12.02.2014), _Vadim (10.08.2011), Володимир (17.10.2012), Игорь-1 (04.03.2015), Шаманчик (20.11.2010) |
16.05.2012, 21:59
|
#181
|
|
Живу я тут
Реєстрація: 02.12.2008
Звідки Ви: Россия, Ростов
Дописи: 136
сказав Дякую: 2
сказали Дякую 44 раз(и) в 18 повідомленні
|
Re: Еще один контроллер для аквариума ===www.aquaforum.ua===
Ну тогда через недельку-другую, постараюсь секундный таймер сделать для какого-нибудь канала.
|
|
|
16.05.2012, 22:04
|
#182
|
|
Живу я тут
Реєстрація: 06.04.2012
Звідки Ви: Санкт-Петербург
Дописи: 176
сказав Дякую: 22
сказали Дякую 30 раз(и) в 26 повідомленні
|
Re: Еще один контроллер для аквариума ===www.aquaforum.ua===
|
|
|
25.05.2012, 14:13
|
#183
|
|
Придивляюся
Реєстрація: 25.05.2012
Звідки Ви: ЧЛБ
Дописи: 15
сказав Дякую: 3
сказали Дякую 0 раз(и) в 0 повідомленні
|
Re: Еще один контроллер для аквариума ===www.aquaforum.ua===
Есть тут еще пользователи данного контроллера ?
Я покупал его готовый у Руслана, но у контроллера есть проблемка. Иногда виснут часы на нем. Вместо секунд появляются различные символы и соответственно часы не идут. Это чаще всего случается при вкл/откл емкостной нагрузки (фильтр).
Руслан в этом вопросе помочь не смог.
Может кто сталкивался с подобной проблемой ? Как ее решить ?
Пробовал ставить по питанию различные кондерчики, не помогло. Даже запитывал его от аккумулятора (для проверки) результат тот же, виснет.
|
|
|
25.05.2012, 15:09
|
#184
|
|
Живу я тут
Реєстрація: 03.11.2010
Звідки Ви: Мариуполь
Дописи: 368
сказав Дякую: 10
сказали Дякую 140 раз(и) в 88 повідомленні
|
Re: Еще один контроллер для аквариума ===www.aquaforum.ua===
Емкость 0,1м х600 вольт надо ставить параллельно нагрузке( т.е. на выхода куда Вы втыкаете свое оборудование) а не по питанию. Это не даст выбросам тока повлиять на работу контроллера. По крутому можно поставить варистор.
|
|
|
25.05.2012, 15:10
|
#185
|
|
Живу я тут
Реєстрація: 06.04.2012
Звідки Ви: Санкт-Петербург
Дописи: 176
сказав Дякую: 22
сказали Дякую 30 раз(и) в 26 повідомленні
|
Re: Еще один контроллер для аквариума ===www.aquaforum.ua===
terfree, Зависает микроконтроллер? После перезагрузки время восстанавливается?
|
|
|
25.05.2012, 15:17
|
#186
|
|
Живу я тут
Реєстрація: 06.04.2012
Звідки Ви: Санкт-Петербург
Дописи: 176
сказав Дякую: 22
сказали Дякую 30 раз(и) в 26 повідомленні
|
Re: Еще один контроллер для аквариума ===www.aquaforum.ua===
Цитата:
Допис від pdv1965
Емкость 0,1м х600 вольт надо ставить параллельно нагрузке( т.е. на выхода куда Вы втыкаете свое оборудование) а не по питанию. Это не даст выбросам тока повлиять на работу контроллера. По крутому можно поставить варистор.
|
Про варистор не согласен! Высоковольтные варисторы применяются для изготовления ограничителей перенапряжения.
|
|
|
25.05.2012, 15:26
|
#187
|
|
Живу я тут
Реєстрація: 03.11.2010
Звідки Ви: Мариуполь
Дописи: 368
сказав Дякую: 10
сказали Дякую 140 раз(и) в 88 повідомленні
|
Re: Еще один контроллер для аквариума ===www.aquaforum.ua===
Ну согласен-несогласен -это ваша проблема. Варистор служит для ограничения перенапряжения т .е. сглаживает броски тока когда емкостная нагрузка начинает разряжатся ( при выключении). Но проще поставить конденсатор.
|
|
|
25.05.2012, 17:35
|
#188
|
|
Живу я тут
Реєстрація: 17.09.2004
Звідки Ви: Киев, Троещина
Дописи: 14.486
сказав Дякую: 4.642
сказали Дякую 8.508 раз(и) в 4.382 повідомленні
|
Re: Еще один контроллер для аквариума ===www.aquaforum.ua===
Цитата:
Допис від pdv1965
когда емкостная нагрузка начинает разряжатся .
|
Индуктивная. 
RC цепь параллельно нагрузке.
__________________
Страна не ублюдков и не воров.
__________________  
|
|
|
25.05.2012, 18:56
|
#189
|
|
Придивляюся
Реєстрація: 25.05.2012
Звідки Ви: ЧЛБ
Дописи: 15
сказав Дякую: 3
сказали Дякую 0 раз(и) в 0 повідомленні
|
Re: Еще один контроллер для аквариума ===www.aquaforum.ua===
Цитата:
Допис від Вячеслав Сергеев
terfree, Зависает микроконтроллер? После перезагрузки время восстанавливается?
|
Микроконтроллер вроде работает. Когда останавливаются часы, я захожу в меню установки времени, жму ОК, секунды сбрасываются на 0 и часы начинают идти с того времени, когда повисли. Затем я снова захожу в меню установки времени и выставляю текущее время.
Их зависоны не зависят от того, отключается нагрузка самим таймером или я просто выключаю внешний фильтр из соседней розетки. Поэтому емкость или RC цепочку непонятно куда ставить 
Я уже пробовал ставить в разные места, не помогло.
PS. Причем виснет он не постоянно, а как ему захочется и по закону подлости именно когда я уезжаю... И нагрузку из розеток в это время никто не дергает...
Востаннє редагував terfree: 25.05.2012 о 19:42..
|
|
|
27.05.2012, 00:58
|
#190
|
|
Живу я тут
Реєстрація: 02.12.2008
Звідки Ви: Россия, Ростов
Дописи: 136
сказав Дякую: 2
сказали Дякую 44 раз(и) в 18 повідомленні
|
Сенсорный МОД для аквариумного контроллера ===www.aquaforum.ua===
Предлагаю на испытание следующую модификацию.
Заключается она в переделке обычных тактовых кнопок в сенсорные произвольной формы.
Для переделывания понадобятся:
 Бумага
 Ножницы
 Шоколадка
Скотч, маркер,клей, провода, 4 резистора номиналом от 500кОм до 1МОм, руки.
Из бумаги, при помощи ножниц, вырезаем будущее основание для кнопок, любой формы. Далее берем шоколадку, съедаем ее, оставшуюся фольгу не выкидываем, из нее вырезаем будущие кнопки, к примеру размером 15х15мм.
Потом приклеиваем получившиеся алюминиевые площадки к бумаге-основанию, к площадкам присоединяем провода и аккуратно заклеиваем всё это дело скотчем. Берем маркер и пишем на кнопках названия, ну или рисуем там же картинки.
 Должно получится что-то вроде этого.
Из платы контроллера старые кнопки демонтируем, резисторы и провода с новыми кнопками припаиваем согласно схеме.

Прошивка : hex.zip
Видео: video.rar
|
|
|
|
cказали "Дякую" Акватаймер за цей допис:
|
|
27.05.2012, 12:23
|
#191
|
|
Придивляюся
Реєстрація: 25.05.2012
Звідки Ви: ЧЛБ
Дописи: 15
сказав Дякую: 3
сказали Дякую 0 раз(и) в 0 повідомленні
|
Re: Еще один контроллер для аквариума ===www.aquaforum.ua===
Выявил некоторую закономерность с зависанием контроллера.
У меня идет длинный провод на вентилятор, так вот если его отключить, контролер виснет значительно реже. Но все равно иногда виснет.
Может посоветуете что можно сделать в этом случае ?
|
|
|
27.05.2012, 14:54
|
#192
|
|
Живу я тут
Реєстрація: 02.12.2008
Звідки Ви: Россия, Ростов
Дописи: 136
сказав Дякую: 2
сказали Дякую 44 раз(и) в 18 повідомленні
|
Re: Еще один контроллер для аквариума ===www.aquaforum.ua===
Вопрос: виснет контроллер или часы?
Если часы, то есть подозрение что пропадает контакт батарейки, попробуйте их подогнуть, а может у вас батарейка разряжена?
Попробуйте пошевелить батарейку и посмотрите повиснуть часы или нет?
|
|
|
27.05.2012, 18:52
|
#193
|
|
Придивляюся
Реєстрація: 25.05.2012
Звідки Ви: ЧЛБ
Дописи: 15
сказав Дякую: 3
сказали Дякую 0 раз(и) в 0 повідомленні
|
Re: Еще один контроллер для аквариума ===www.aquaforum.ua===
Цитата:
Допис від Акватаймер
Вопрос: виснет контроллер или часы?
Если часы, то есть подозрение что пропадает контакт батарейки, попробуйте их подогнуть, а может у вас батарейка разряжена?
Попробуйте пошевелить батарейку и посмотрите повиснуть часы или нет?
|
А как тут различить, что это контроллер или часы ?
Когда проскакивает по сети помеха, останавливается время на часах. На индикаторе вижу например такое 09:12:А3
После этого я могу зайти в настройки, что-то поменять, сохранить их, выйти из меню. Но часы при этом как и останутся на месте (повисшие). Чтобы пошло время, мне надо зайти в настройку часов и нажать кнопку "выбор".
Может мне стоит перепрошить PIC контроллер, а то у меня достаточно старая версия ?
|
|
|
27.05.2012, 19:30
|
#194
|
|
Живу я тут
Реєстрація: 02.12.2008
Звідки Ви: Россия, Ростов
Дописи: 136
сказав Дякую: 2
сказали Дякую 44 раз(и) в 18 повідомленні
|
Re: Еще один контроллер для аквариума ===www.aquaforum.ua===
Ну если вы можете зайти в меню, то контроллер однозначно не повис, а остановились часы. Попробуйте пошевелить батарейку.
|
|
|
27.05.2012, 19:49
|
#195
|
|
Придивляюся
Реєстрація: 25.05.2012
Звідки Ви: ЧЛБ
Дописи: 15
сказав Дякую: 3
сказали Дякую 0 раз(и) в 0 повідомленні
|
Re: Еще один контроллер для аквариума ===www.aquaforum.ua===
Цитата:
Допис від Акватаймер
Ну если вы можете зайти в меню, то контроллер однозначно не повис, а остановились часы. Попробуйте пошевелить батарейку.
|
Попробовал, не помогает 
Замерил батарейку, она подсевшая, всего 1,5V. Завтра попробую заменить.
Востаннє редагував terfree: 27.05.2012 о 19:58..
|
|
|
 |
|
|
Тут присутні: 1 (учасників - 0 , гостей - 1)
|
|
|
Ваші права у розділі
|
Ви не можете створювати теми
Ви не можете писати дописи
Ви не можете долучати файли
Ви не можете редагувати дописи
HTML код Вимк.
|
|
|
Часовий пояс GMT +3. Поточний час: 23:25.
|