 |
|
14.03.2009, 01:01
|
|
|
Изготовление акваконтроллера
Бан за нарушения
Реєстрація: 06.11.2007
Звідки Ви: Донецк, зона АТО
Дописи: 19.780
сказав Дякую: 5.789
сказали Дякую 17.707 раз(и) в 6.926 повідомленні

14.03.2009, 01:01
Рейтинг:
(28 голосов - 4,64 средняя оценка)
Данная тема является прямым продолжением темы Разработка акваконтроллера, созданной AlexThunder, за что ему огромное спасибо 
На данный момент разработка в целом закончена и благодарен всем, кто принимал участие в обсуждении и реализации проекта
С помощью Chack'а были заказаны и изготовлены печатные платы
 
И сейчас начнется наверно самый интересный этап - сборка и настройка
Схема, плата, прошивка находятся в архиве во вложении.
ИСХОДНИКОВ ПРОГРАММЫ НЕТ !!! ПРОШИВКУ ИЗМЕНИТЬ НЕЛЬЗЯ !!!
Необходимое программное обеспечение:
Схема - sPlan 6.0 (для версии 3 - 7.0)
Плата - Slayout 5.0 / 6.0
Внимание !!! В процессе сборки и наладки в схему могут быть внесены изменения ! Следите за обновлением архива !!!
...........
New_controller-2V1 - плата с косметическими правками и обозначением элементов.
Контроллер-V.3 - улучшенный вариант (симисторы в одну линию, питание +12V, два диммера, USB на борту, 4 усилителя, отдельный разъем для клавиатуры).
Version 3.1 SMD - версия 3 для СМД элементов.
Плата1V5smd - многоплатная версия от "Пупс" (контроллер + силовая часть + клавиатура + усилители + кулер для силовой части).
Контроллер V3 DIP - все нужное для сборки версии 3.0 DIP.
Firmware.rar - прошивки от Володя_Череп для нормальной работы с USB на ATTiny2313.
Прошивки.rar - архив прошивок:
ATmega_32 - стандартная прошивка
Atmega_32_EE - прошивка EEPROM
ATmega_32_9600 - скорость UART 9600
ATmega_32_PWM_244Hz - использование ШИМ для управления драйверами. Вход PWM LDD подключается непосредственно к выводу 13 или 14 ATmega.
Программирование fuse-битов:
При прошивке микроконтроллеров необходимо запрограммировать (записать 0) следующие fuse-биты:
- для ATmega32 - BOOTSZ0, BOOTSZ1, SPIEN
- для ATtiny2313 - CKSEL0, SUT0, BODLEVEL1, WDTON, SPIEN
- для ATtiny13 - SPIEN, CKDIV8, SUT0, CKSEL0 (данная микросхема используется для схемы регулировки венилятора)
Все остальные fuse-биты должны быть незапрограммированы (равны 1).
Uniprof:
Fuse-бит будет запрограммирован, если убрать галочку в соответствующем поле.
Fuse-бит будет незапрограммирован, если поставить галочку в соответствующем поле.
CodeVisionAVR:
Fuse-бит будет запрограммирован, если поставить галочку в соответствующем поле.
Fuse-бит будет незапрограммирован, если убрать галочку в соответствующем поле.
AVRDUDE:
ATmega: -U lfuse:w:0xff:m -U hfuse:w:0xd9:m
ATtiny2313: -U lfuse:w:0xee:m -U hfuse:w:0xcb:m -U efuse:w:0xff:m
ATtiny13: -U lfuse:w:0x6a:m -U hfuse:w:0xff:m
Мініатюри долучень
Долучені файли
 |
Контроллер.rar (423,9 КБ, 20079 переглядів) |
 |
AquaControl.rar (3,48 МБ, 19635 переглядів) |
 |
New_controller-2V1.rar (59,8 КБ, 16308 переглядів) |
 |
PL2303-USB.rar (2,03 МБ, 14115 переглядів) |
 |
Новый контроллер-3.rar (43,5 КБ, 15144 переглядів) |
 |
Плата для WH2004A.rar (278,0 КБ, 14425 переглядів) |
 |
USB.rar (219,9 КБ, 13997 переглядів) |
 |
Контроллер-V.3.zip (86,5 КБ, 15901 переглядів) |
 |
Version 3.1 SMD.zip (158,5 КБ, 15845 переглядів) |
 |
Полезная информация.pdf (306,9 КБ, 21922 переглядів) |
 |
Плата1v5smd.rar (165,9 КБ, 13994 переглядів) |
 |
Контроллер V3 DIP.zip (151,0 КБ, 16341 переглядів) |
 |
Firmware.rar (21,6 КБ, 13244 переглядів) |
 |
Aqua Control 2007 HELP.rar (172,4 КБ, 13480 переглядів) |
 |
THelper.rar (57,3 КБ, 12912 переглядів) |
 |
Прошивки.rar (68,0 КБ, 11996 переглядів) |
__________________
[I][B][COLOR=blue]С уважением, Сергей Таранченко[/COLOR][/B][/I]
Востаннє редагував Starcomputer: 19.04.2016 о 12:18..
Причина: Добавлен архив прошивок
|
|
Переглядів: 2340650
|
|
Ці 134 користувач(ів) сказали Дякую Starcomputer за це повідомлення:
|
+Максимус+ (31.08.2012), agorin (18.04.2009), aides (14.08.2013), AkaPain (07.02.2014), Aleksta (15.01.2012), ALEX77 (14.08.2009), AlexThunder (17.02.2010), alexv3 (10.04.2011), Alex_Ts (14.03.2009), Allcoholl (13.12.2009), ANTONENKO (02.04.2012), Antoxa106 (28.04.2013), AquaGomel (14.10.2010), arconas (05.02.2012), arik17 (12.10.2014), Ashatshem (09.02.2011), atom (17.05.2009), Baks (14.03.2009), BearIgor (23.03.2012), BELOUS (06.12.2011), biolog (21.11.2009), BlackAlex (14.03.2009), bmw (29.05.2009), bodom (25.05.2011), bonus78 (15.11.2009), Bosyak (19.01.2011), BpyH (29.01.2010), chack (14.03.2009), Cristal (15.06.2012), DEaD_MOPO3 (28.09.2011), Dimitr (12.02.2010), Dimker (15.06.2012), DiSan (25.12.2013), dolfik (05.01.2011), drv (31.08.2016), dubishe (21.12.2012), Dyshakz (14.02.2017), ersergey (14.04.2012), fylhttd (17.03.2009), gagari1 (13.02.2012), germanovitsh (01.11.2012), GrishaBGA (23.03.2009), Gutsik (17.07.2013), harn (04.07.2011), Heet (05.12.2009), iceSS (19.03.2009), igoritto (24.10.2010), IgorVin (10.02.2010), imac2008 (27.11.2010), iTango (08.08.2011), ivanaxion (31.08.2012), Kent (21.10.2010), kirilo777 (09.03.2012), klimnet (20.08.2012), klinok (05.09.2010), kluyt (17.08.2009), kollega-lg (21.04.2016), Koralove (24.10.2013), KostyaD (04.06.2009), kramar (14.03.2009), kusfu (28.09.2011), kvn79 (14.03.2009), Lexzx (24.03.2010), liss15 (14.10.2009), litlechina (05.05.2022), live steel (26.06.2012), lumen_xp (27.03.2012), LVit (27.11.2009), mact (14.05.2014), Makclaj (27.02.2011), masterross (11.12.2011), Mehannik (12.03.2015), MIhail (17.07.2011), myrko (15.04.2012), nbinc (12.05.2014), Nickname (25.06.2009), Nikolos667 (14.08.2011), Olzhich (18.03.2009), Oppozith (17.12.2012), Pastuh1234 (29.07.2012), pimass (15.03.2012), pulpit (21.11.2009), regiuscz (11.03.2011), rusianGrt (15.02.2010), rustr (20.09.2011), Ryzhii (10.04.2013), S V (10.01.2010), sae74 (15.02.2010), sergey_ln (28.02.2012), serjik2000 (03.07.2009), Sesh (31.05.2009), seva (19.01.2011), Shurhent (02.07.2011), Smile8 (28.09.2010), sobolev (21.09.2011), solvi (14.03.2009), sonokam (08.12.2011), sv46 (12.07.2011), Swen (15.06.2009), TakedaMaru (20.05.2013), telepuzic (22.02.2012), Tihon (04.01.2013), timofey (11.11.2009), Tiratore.d (08.11.2019), tolik_erema (04.03.2011), Ty3uK (22.03.2009), Umnik (13.01.2012), Uselink (10.02.2010), vad1972 (05.05.2010), Viktorrr (22.12.2012), vill (29.09.2010), Vitaha (26.11.2009), VitalyD (03.10.2010), VKabanov (29.04.2009), VladHNet (07.08.2009), VladVP (15.01.2012), _Vadim (11.02.2010), Амфибия (15.05.2009), Вася (14.07.2009), Володя Череп (14.03.2009), дух святой истины (16.03.2009), Ёжик в Тумане (28.02.2011), Зелёный (19.01.2012), Кениец (30.11.2009), Мираж (25.02.2012), Михаил. (14.07.2011), Молекула (04.04.2009), МСВ (19.02.2012), Пупс (20.07.2011), Рудницкий Олександр (18.01.2012), Снегозавр (20.02.2013), Шаманчик (27.10.2009), ЭКСПЕРИМЕНТАТОР (04.04.2009), Юрий Н. (17.08.2010) |
14.12.2012, 23:09
|
#4741
|
|
Придивляюся
Реєстрація: 02.07.2010
Звідки Ви: Николаев
Дописи: 73
сказав Дякую: 42
сказали Дякую 68 раз(и) в 26 повідомленні
|
Re: Изготовление акваконтроллера ===www.aquaforum.ua===
Цитата:
Допис від kapelan
|
А цена?
|
|
|
14.12.2012, 23:54
|
#4742
|
|
Придивляюся
Реєстрація: 02.07.2010
Звідки Ви: Николаев
Дописи: 73
сказав Дякую: 42
сказали Дякую 68 раз(и) в 26 повідомленні
|
Re: Изготовление акваконтроллера ===www.aquaforum.ua===
Раз уж затронули тему переделки ATX и мои 5 копеек.
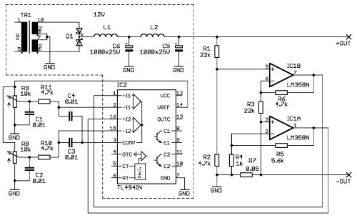
Без проблемно для переделки идут AT и ATX на TL494 и её аналогах. С "родного" транса, без перемотки получаем 0-24В, 0-10А. Стабилизация по току и напряжению. В качестве амперметра используем вольтметр подключенный к 1 ноге LM358. Для работы в режиме стабилизации тока - замкнуть выход и выставить желаемый ток отсечки подстроечником R8.
P.S.
При использовании в качестве зарядного НЕ ПУТАТЬ ПОЛЯРНОСТЬ ПОДКЛЮЧЕНИЯ К АКБ - выгорает в чистую вплоть до диодного моста первички (проверенно экспериментально  ).
У меня в качестве лабораторных БП уже более двух лет работают три переделанных ATX.
|
|
|
14.12.2012, 23:56
|
#4743
|
|
Живу я тут
Реєстрація: 17.09.2004
Звідки Ви: Киев, Троещина
Дописи: 14.486
сказав Дякую: 4.642
сказали Дякую 8.508 раз(и) в 4.382 повідомленні
|
Re: Изготовление акваконтроллера ===www.aquaforum.ua===
Оффтоп
nikservice, я их десятка три уж. -))
Еще блоков 30 лежит -)))
__________________
Страна не ублюдков и не воров.
__________________  
|
|
|
15.12.2012, 02:17
|
#4744
|
|
Живу я тут
Реєстрація: 12.02.2008
Звідки Ви: Оболонь, Петровка
Дописи: 8.891
сказав Дякую: 2.489
сказали Дякую 2.878 раз(и) в 2.065 повідомленні
|
Re: Изготовление акваконтроллера ===www.aquaforum.ua===
nikservice, интересное решение. Попробую. Вот только вывод №4 не может висеть в воздухе. Через резистор на землю его нужно..
А, еще вопрос: операционник запитываем от дежурки?
__________________
Свет. ЭПРА, аквариумые лампы т5;т8; МГ-150; LED-комплекты и светильники системы СО2 под ключ. тел: 095 0105853; 098 6143112
Лучшие статьи месяца на Аквафоруме
|
|
|
16.12.2012, 00:27
|
#4745
|
|
Придивляюся
Реєстрація: 02.07.2010
Звідки Ви: Николаев
Дописи: 73
сказав Дякую: 42
сказали Дякую 68 раз(и) в 26 повідомленні
|
Re: Изготовление акваконтроллера ===www.aquaforum.ua===
Цитата:
Допис від chack
nikservice, интересное решение. Попробую. Вот только вывод №4 не может висеть в воздухе. Через резистор на землю его нужно..
А, еще вопрос: операционник запитываем от дежурки?
|
У ATX от дежурки, у AT нет дежурки запитываем от питания TL494 (12нога)

У LM358 вывод (4) минус питания, он же GND., вывод (8) + U (питание).
В схемах с применением стандартной логики, стандартных ОУ, не принято обозначать ноги питания.
|
|
|
16.12.2012, 00:43
|
#4746
|
|
Живу я тут
Реєстрація: 12.02.2008
Звідки Ви: Оболонь, Петровка
Дописи: 8.891
сказав Дякую: 2.489
сказали Дякую 2.878 раз(и) в 2.065 повідомленні
|
Re: Изготовление акваконтроллера ===www.aquaforum.ua===
nikservice, вывод №4 - я спрашивал о 494.
__________________
Свет. ЭПРА, аквариумые лампы т5;т8; МГ-150; LED-комплекты и светильники системы СО2 под ключ. тел: 095 0105853; 098 6143112
Лучшие статьи месяца на Аквафоруме
|
|
|
16.12.2012, 11:05
|
#4747
|
|
Придивляюся
Реєстрація: 02.07.2010
Звідки Ви: Николаев
Дописи: 73
сказав Дякую: 42
сказали Дякую 68 раз(и) в 26 повідомленні
|
Re: Изготовление акваконтроллера ===www.aquaforum.ua===
Цитата:
Допис від chack
nikservice, вывод №4 - я спрашивал о 494.
|
Все остается согласно штатной схеме кроме ног 1,2,3,15,16 - они отрезаются от штатный цепей и подключаются к схеме на картинке. LM358 лучше запитать от TL494 (14 нога - внутренний стабилизатор). Вся вторичка распаивается (диоды, конденсаторы, дросель групповой стабилизации) остается только диод с 12 вольтовой обмотки. Конденсаторы ставить на 35В т.к. максимально выходное напряжение будет более двадцати вольт, обычно 24В.
|
|
|
16.12.2012, 11:19
|
#4748
|
|
Живу я тут
Реєстрація: 12.02.2008
Звідки Ви: Оболонь, Петровка
Дописи: 8.891
сказав Дякую: 2.489
сказали Дякую 2.878 раз(и) в 2.065 повідомленні
|
Re: Изготовление акваконтроллера ===www.aquaforum.ua===
__________________
Свет. ЭПРА, аквариумые лампы т5;т8; МГ-150; LED-комплекты и светильники системы СО2 под ключ. тел: 095 0105853; 098 6143112
Лучшие статьи месяца на Аквафоруме
|
|
|
|
cказали "Дякую" chack за цей допис:
|
|
16.12.2012, 22:30
|
#4749
|
|
Придивляюся
Реєстрація: 09.03.2012
Звідки Ви: Полоцк
Дописи: 14
сказав Дякую: 4
сказали Дякую 7 раз(и) в 2 повідомленні
|
Re: Изготовление акваконтроллера ===www.aquaforum.ua===
Добрый всем вечер. Такой вопрос, в строке где Ph1 в конце появляется периодически цифра в самом последнем месте. Электрод не подключен. Цифра значение меняет, при переходе в любое подменю и возврате - исчезает. В принципе ни на что не влияет и не сильно напрягает, но может кто лечил? Контроллер на меге32-pu16
|
|
|
17.12.2012, 09:52
|
#4750
|
|
Бан за нарушения
Реєстрація: 06.11.2007
Звідки Ви: Донецк, зона АТО
Дописи: 19.780
сказав Дякую: 5.789
сказали Дякую 17.707 раз(и) в 6.926 повідомленні
|
Re: Изготовление акваконтроллера ===www.aquaforum.ua===
Это просто недоработка программы  Идет сбой измерения (за счет какой-то импульсной наводки) и выводится рН типа 93578. Затем измерения идут нормально, но меняются только первые 4 позиции, а последняя цифра так и светится. Надо бы перед выводом результатов очищать экран, но это не реализовано.
__________________
[I][B][COLOR=blue]С уважением, Сергей Таранченко[/COLOR][/B][/I]
|
|
|
17.12.2012, 11:14
|
#4751
|
|
Живу я тут
Реєстрація: 28.06.2003
Звідки Ви: Киев
Дописи: 757
сказав Дякую: 831
сказали Дякую 833 раз(и) в 397 повідомленні
|
Відповідь: Re: Изготовление акваконтроллера ===www.aquaforum.ua===
Цитата:
Допис від shchz2
... в строке где Ph1 в конце появляется периодически цифра в самом последнем месте. Электрод не подключен ...
|
Выберите пункт меню Set PH и в настройках канала PH1 установите коэффициенты K1=1 и K2=0.
|
|
|
17.12.2012, 12:07
|
#4752
|
|
Придивляюся
Реєстрація: 09.03.2012
Звідки Ви: Полоцк
Дописи: 14
сказав Дякую: 4
сказали Дякую 7 раз(и) в 2 повідомленні
|
Re: Изготовление акваконтроллера ===www.aquaforum.ua===
Спасибо, попробую
|
|
|
20.12.2012, 21:27
|
#4753
|
|
Придивляюся
Реєстрація: 20.12.2012
Звідки Ви: Харьков
Дописи: 31
сказав Дякую: 7
сказали Дякую 2 раз(и) в 2 повідомленні
|
Re: Изготовление акваконтроллера ===www.aquaforum.ua===
А как себя ведут симисторы в акваконтроллере при индуктивной нагрузке и отсутствии снабберной цепочки?
|
|
|
20.12.2012, 21:38
|
#4754
|
|
Живу я тут
Реєстрація: 17.09.2004
Звідки Ви: Киев, Троещина
Дописи: 14.486
сказав Дякую: 4.642
сказали Дякую 8.508 раз(и) в 4.382 повідомленні
|
Re: Изготовление акваконтроллера ===www.aquaforum.ua===
Цитата:
Допис від dubishe
снабберной цепочки?
|
а кто ее запретил ставить?
__________________
Страна не ублюдков и не воров.
__________________  
|
|
|
21.12.2012, 08:15
|
#4755
|
|
Придивляюся
Реєстрація: 20.12.2012
Звідки Ви: Харьков
Дописи: 31
сказав Дякую: 7
сказали Дякую 2 раз(и) в 2 повідомленні
|
Re: Изготовление акваконтроллера ===www.aquaforum.ua===
Так места ж на плате под нее нет. У всех вроде за малым исключением работает стабильно.
|
|
|
 |
|
|
Тут присутні: 8 (учасників - 0 , гостей - 8)
|
|
|
Ваші права у розділі
|
Ви не можете створювати теми
Ви не можете писати дописи
Ви не можете долучати файли
Ви не можете редагувати дописи
HTML код Вимк.
|
|
|
Часовий пояс GMT +3. Поточний час: 11:12.
|