На головну сторінку Аквафорум
На головну сторінку




Назад   Аквафорум - форум акваріумістів та тераріумістів > Акваріум та обладнання > "Самоделкин" > Аквариумная автоматика
Аукцион Реєстрація ЧаПи Учасники Календар Нинішні дописи

Примітки

Відповідь
 
Параметри теми Параметри перегляду
Старий 17.03.2013, 17:53  
простейший таймер
Придивляюся

Реєстрація: 16.12.2012
Звідки Ви: Украина
Дописи: 68
 

сказав Дякую: 7
сказали Дякую 20 раз(и) в 14 повідомленні
teist teist поза форумом 17.03.2013, 17:53
Рейтинг: (1 голосов - 5,00 средняя оценка)

Аквариум у меня 3 месяца. Сначала света я давал побольше, часов 12-14.
Появились водоросли зеленые и черная борода. Уменьшил свет и стало
лучше. Теперь встал вопрос как регулировать этот свет без помощи
домашних. С работы прихожу вечером, свет пора выключать, а посмотреть
на аквас надо. Буду перерыв делать - выключать свет днем на пару часов.
Тогда вечером свет можно будет подольше держать. Назрел вопрос
таймера для акваса. Надо чтобы было недорого, гривен 50, дорогой мне не
нужен. Чтобы перерыв был, ну и компрессор у меня жужжит постоянно,
пусть этот таймер выключает его на время.
Переглядів: 27324
Відповісти з цитуванням
Старий 23.03.2013, 01:10   #31
Живу я тут
  
 
Аватар для pro100
 
Реєстрація: 17.12.2012
Звідки Ви: Харьков
Дописи: 1.094
сказав Дякую: 257
сказали Дякую 410 раз(и) в 351 повідомленні
Re: простейший таймер ===www.aquaforum.ua===

ну честно хоть убейте , но я Вас не пойму, ну купите вы 2 таймера ферон по 40 гривен и не заморачивайтесь

pro100 поза форумом   Відповісти з цитуванням
Старий 23.03.2013, 09:35   #32
Придивляюся
  
 
Реєстрація: 16.12.2012
Звідки Ви: Украина
Дописи: 68
сказав Дякую: 7
сказали Дякую 20 раз(и) в 14 повідомленні
Re: простейший таймер ===www.aquaforum.ua===

Самодельщик я, с детства. Уверен что самому можно сделать не
хуже китайского. Сколько времени мое устройство будет безотказно работать столько же времени оно будет мне греть, ... как то так.
Хорошая самоделка работает годы

Добавлено через 9 минут
Цитата:
Допис від klimnet Переглянути допис
а прошивки нет!!!
программа очень простая, без табло, поэтому будет обязательно.
Сейчас в отладке.


Востаннє редагував teist: 23.03.2013 о 09:45.. Причина: Добавлено сообщение
teist поза форумом   Відповісти з цитуванням
Старий 23.03.2013, 13:16   #33
Живу я тут
  
 
Реєстрація: 03.09.2012
Звідки Ви: Кропивницький
Дописи: 268
сказав Дякую: 211
сказали Дякую 111 раз(и) в 81 повідомленні
Re: простейший таймер ===www.aquaforum.ua===

Не пойму как будет настраиваться временной период.
Нужен ЮСБ порт, настроил раз с компа да и все.

Добавлено через 18 минут
Не пойму как будет настраиваться временной период.
Нужен ЮСБ порт, настроил раз с компа да и все.


__________________


Востаннє редагував Tiratore.d: 23.03.2013 о 13:34.. Причина: Добавлено сообщение
Tiratore.d поза форумом   Відповісти з цитуванням
Старий 30.03.2013, 20:47   #34
Придивляюся
  
 
Реєстрація: 16.12.2012
Звідки Ви: Украина
Дописи: 68
сказав Дякую: 7
сказали Дякую 20 раз(и) в 14 повідомленні
Re: простейший таймер ===www.aquaforum.ua===

Доработал печатную плату, вставил разъём для программатора.
Надоело вставлять в панельку тиньку каждый раз. Собрал без
силовой части. Вместо МОС 3082 временно поставил светодиоды
для наладки. Вроде все работает, как допаяю проверю еще раз.
Пока выкладываю фотку, делал мобилкой, и плату, делал в Sprint-Layout.
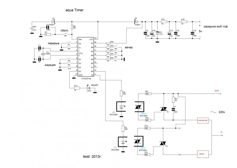
Принцип работы такой: нажимаем кнопку Reset это начало времени,
поэтому нажать надо утром когда свет должен включиться. Дальше
свет горит до обеда 6 часов. Потом перерыв. Регулируется двойным
переключателем от 0 до 3 часов. Затем свет включается опять. Регулируется счетверенным переключателем.
Тут выходит от 0 до 15 часов
но я решил ограничить программно чтобы за день свет горел не больше
15 часов всего. Если поставить больше по ошибке то не пройдет.
На следующий день свет включится в момент когда была нажата кнопка
и цикл повторится.
Мініатюри долучень
Щоб збільшити малюнок, клацніть по ньому
Назва:  DSC01470a.jpg
Переглядів: 688
Розмір:  68,2 КБ
ID:	321611  
Долучені файли
Тип файлу: rar aqua_Timer.rar (37,4 КБ, 323 переглядів)

teist поза форумом   Відповісти з цитуванням
Старий 02.04.2013, 00:56   #35
Живу я тут
  
 
Реєстрація: 03.09.2012
Звідки Ви: Кропивницький
Дописи: 268
сказав Дякую: 211
сказали Дякую 111 раз(и) в 81 повідомленні
Re: простейший таймер ===www.aquaforum.ua===

Вот теперь я понял алгоритм настройки времени.
Довольно таки неплохо!
Ждемс апробацию с силовой частью!


__________________

Tiratore.d поза форумом   Відповісти з цитуванням
Старий 07.04.2013, 11:25   #36
Придивляюся
  
 
Реєстрація: 16.12.2012
Звідки Ви: Украина
Дописи: 68
сказав Дякую: 7
сказали Дякую 20 раз(и) в 14 повідомленні
Re: простейший таймер ===www.aquaforum.ua===

Таймер собрал полностью,сейчас испытываю.
Оказалось что если DIP переключатель щелкнул это не значит
что он уже сработал. Надо ползунок доводить до упора.
Предохранитель поставил слабый 0.25А. Лучше 1А но у меня нет
а этот быстро сгорел, пока закоротил проволокой.
Исправил схему и плату.
Мініатюри долучень
Щоб збільшити малюнок, клацніть по ньому
Назва:  DSC01484A.jpg
Переглядів: 716
Розмір:  25,8 КБ
ID:	324123   Щоб збільшити малюнок, клацніть по ньому
Назва:  aqua_Timer.jpg
Переглядів: 710
Розмір:  33,5 КБ
ID:	324213  
Долучені файли
Тип файлу: rar aqua_Timer.rar (37,2 КБ, 342 переглядів)


Востаннє редагував teist: 07.04.2013 о 16:08.. Причина: добавил
teist поза форумом   Відповісти з цитуванням
cказали "Дякую" teist за цей допис:
Dani (20.05.2013)
Старий 12.04.2013, 15:54   #37
Живу я тут
  
 
Реєстрація: 03.09.2012
Звідки Ви: Кропивницький
Дописи: 268
сказав Дякую: 211
сказали Дякую 111 раз(и) в 81 повідомленні
Re: простейший таймер ===www.aquaforum.ua===

По деньгам во что вылилось?


__________________

Tiratore.d поза форумом   Відповісти з цитуванням
Старий 13.04.2013, 12:33   #38
Придивляюся
  
 
Реєстрація: 16.12.2012
Звідки Ви: Украина
Дописи: 68
сказав Дякую: 7
сказали Дякую 20 раз(и) в 14 повідомленні
Re: простейший таймер ===www.aquaforum.ua===

Все таки сумма получилась больше - 63грн.
Работает уже вторую неделю.

teist поза форумом   Відповісти з цитуванням
Старий 13.04.2013, 16:07   #39
Придивляюся
  
 
Реєстрація: 16.12.2012
Звідки Ви: Украина
Дописи: 68
сказав Дякую: 7
сказали Дякую 20 раз(и) в 14 повідомленні
Re: простейший таймер ===www.aquaforum.ua===

Здесь все по таймеру.
Долучені файли
Тип файлу: rar aqua_timer.rar (48,8 КБ, 343 переглядів)

teist поза форумом   Відповісти з цитуванням
cказали "Дякую" teist за цей допис:
Tiratore.d (15.04.2013)
Старий 13.05.2013, 21:12   #40
Придивляюся
  
 
Реєстрація: 16.12.2012
Звідки Ви: Украина
Дописи: 68
сказав Дякую: 7
сказали Дякую 20 раз(и) в 14 повідомленні
Re: простейший таймер ===www.aquaforum.ua===

Сейчас занимаюсь функцией закат/рассвет. Будет два светодиода по 10Вт,
которые будут медленно разгораться. Затем включатся основные лампы экономки.
На закате все наоборот сначала выключаются экономки потом медленно гаснут
светодиоды. В наших широтах сумерки длятся 30 минут, на юге меньше.
Сделаю наверное 30 минут без регулировки.
По частям все работает осталось собрать все в кучу на аквасе.

teist поза форумом   Відповісти з цитуванням
Ці 2 користувач(ів) сказали Дякую teist за це повідомлення:
styud (21.05.2013), TakedaMaru (20.05.2013)
Старий 20.05.2013, 12:53   #41
Живу я тут
  
 
Аватар для TakedaMaru
 
Реєстрація: 07.05.2013
Звідки Ви: Донбасс
Дописи: 437
сказав Дякую: 661
сказали Дякую 1.065 раз(и) в 332 повідомленні
Надіслати повідомлення для TakedaMaru на ICQ Надіслати повідомлення для TakedaMaru на Skype
Re: простейший таймер ===www.aquaforum.ua===

Агрегат замечательный по концепции если наладите мелкосерийное производство - то , думаю, желающие купить эти девайсы- появятся. Я б например, от такого бы не отказался (чтоб бюджет был гривен 200-250, но отечественный). Чтоб два канала на 220, плюс закат-рассвет-день на светодиодах.. И уж точно, наши делают гораздо аккуратнее кетайцев.
__________________
Non facile ad uanitate, sed ira amor. 0504252696 interdiu


__________________

TakedaMaru поза форумом   Відповісти з цитуванням
cказали "Дякую" TakedaMaru за цей допис:
aqrius (04.07.2013)
Старий 04.06.2013, 20:23   #42
Придивляюся
  
 
Реєстрація: 16.12.2012
Звідки Ви: Украина
Дописи: 68
сказав Дякую: 7
сказали Дякую 20 раз(и) в 14 повідомленні
Re: простейший таймер ===www.aquaforum.ua===

Наконец схему собрал в кучу,сейчас испытываю.
Чтобы сделать рассвет/закат добавил ключ на полевом
транзисторе и пришлось задействовать еще один блок
питания для светодиодов. На базаре стоит 35грн.
Полевой транзистор стоит 2грн с копейками и резисторы
двухваттные по 0,5 грн. В общем в 40 грн уложиться
можно. Светодиод поставил на большой радиатор, на
котором разместил доп. платку с ключом. Таким образом
основная плата осталась без изменений. Пока все
работает без сбоев.
Мініатюри долучень
Щоб збільшити малюнок, клацніть по ньому
Назва:  aqua_Timer AURORA.jpg
Переглядів: 678
Розмір:  36,2 КБ
ID:	340210  

teist поза форумом   Відповісти з цитуванням
Старий 05.06.2013, 12:25   #43
Модератор Сумского клуба аквариумистов
  
 
Аватар для manulo
 
Реєстрація: 14.04.2004
Звідки Ви: Сумы, Украина
Дописи: 2.779
сказав Дякую: 3.547
сказали Дякую 1.461 раз(и) в 857 повідомленні
Надіслати повідомлення для manulo на ICQ Надіслати повідомлення для manulo на Skype
Re: простейший таймер ===www.aquaforum.ua===

может тогда заменить зарядник от телефона на кренку, для большей юзабельности конструкции. Тоже не нанесет удар по бюджету...
__________________


__________________

manulo поза форумом   Відповісти з цитуванням
Старий 05.06.2013, 20:02   #44
Придивляюся
  
 
Реєстрація: 16.12.2012
Звідки Ви: Украина
Дописи: 68
сказав Дякую: 7
сказали Дякую 20 раз(и) в 14 повідомленні
Re: простейший таймер ===www.aquaforum.ua===

два блока питания это много, но плату переделывать...
завтра буду на базаре, куплю 12 Вольтовый блок питания
пока у меня от лабораторного светодиод питается.

teist поза форумом   Відповісти з цитуванням
Старий 06.06.2013, 18:20   #45
Живу я тут
  
 
Реєстрація: 19.08.2011
Звідки Ви: Киев
Дописи: 213
сказав Дякую: 570
сказали Дякую 290 раз(и) в 61 повідомленні
Re: простейший таймер ===www.aquaforum.ua===

имхо пора уже дисплей прикручивать. ну или хотя-бы индикаторы какие-нить светодиодные..

cahek80 поза форумом   Відповісти з цитуванням


Share/Bookmark

Відповідь


Тут присутні: 1 (учасників - 0 , гостей - 1)
 

Ваші права у розділі
Ви не можете створювати теми
Ви не можете писати дописи
Ви не можете долучати файли
Ви не можете редагувати дописи

BB-код є Увімк.
Усмішки Увімк.
[IMG] код Увімк.
HTML код Вимк.

Швидкий перехід


Часовий пояс GMT +3. Поточний час: 01:19.


vBulletin 3.8.7 ; Copyright © 2000-2026 Jelsoft Enterprises Limited
Переклад: © Віталій Стопчанський, 2004-2010
(с)Бешлега Олександр Анатолійович, 2002-2025. Використання матеріалів сайту без посилання на джерело заборонено.
Дякуємо за ліцензійну версію форума компанію Барбус, представника торгової марки Sera в Україні.


no new posts