 |
25.09.2014, 19:46
|
#1
|
|
Простой драйвер мощьного светодиода
Активний участник форуму
Реєстрація: 17.09.2013
Звідки Ви: 3-я планета
Дописи: 681
сказав Дякую: 125
сказали Дякую 275 раз(и) в 203 повідомленні

25.09.2014, 19:46
Рейтинг:
()
АХТУНГ!!! в этой статье рассматривается модификация компьютерного БП в котором есть опасные напряжения 400Вольт, если не уверены в своих навыках - не рискуйте повторять схему!!!
Не так давно в продаже появились мощьные светодиоды на 50 и 100Вт, причём по очень демократичной цене, но готовые драйвера на них стоят как подбитый боинг, поэтому решил драйвер сделать самостоятельно, вариант с линейными стабилизаторами тут неуместен, слишком низкий КПД получается и как следсвие драйвер потребует актвиного охлаждения что неприемлимо. а микросхемы импульсных понижающих драйверов как правило либо не подходят для притания 100Вт светодиода (не вытягивают по току и напряжению) либо изначально стоят чутьли не дороже самого светодиода, что тоже неприемлимо. да и гдето еще нужно добыть те самые 36В. Вариан повышающего драйвера не рассматривал т.к. довольно глупо из 220 делать 12, а затем опять повышать, двойное преобзразование это двойная потеря КПД. Также рассматривал модификацию БП ATX, идея была в том чтобы подстороить выходное нарпяжение до нужного значения, и ввести цепь обратной связи по току, но от этой идеи тоже отказался т.к. такие фокусы возможны только на БП собраных на старой логике типа TL494, а относительно новые супервизоры контролируют все напряжения и обмануть их очень сложно, да и каждый новый экземпляр драйвера потребует времени чтобы вникнуть в конретную схему. т.к. они постонно меняются.
Забегая наперед - скажу что у меня получилось сделать драйвер 50-100(или даже 2Х100Вт) светодиода используя абсолютно любой ATX БП либо даже любой другой импульсный БП, используя всего 6 простых деталей которые могут быть выпаяны из других БП, т.е. по деталям практически нашару.
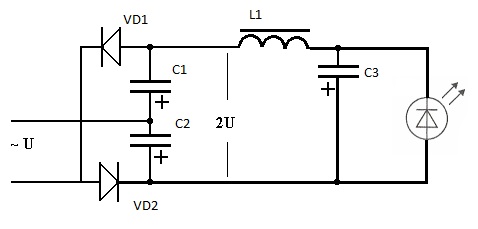
Собствено схема во вложении, проверена, работает отлично, на 100Вт светодиоде достаточно пассивного охлаждения. да там и грется нечему.
Номиналы:
VD1,VD2 - диоды шотки, выпаиваются из любого БП, только нужно брать на напряжение не менее 100V, я использовал F16C20C на родном радиаторе
конденсаторы С1,C2 - задают ток через светодиод, для 1.5А у меня встали на 1мкф, конденсаторы обязательно керамические, пленочные или другие высокочастотные, дргие взорвутся), тоже лучше на 100V, хотя и 50V скорее всего будут работать. в БП есть хотябы 1 такой.
конденсатор С3 - сглаживает импульсы, лучше брать в несколько раз большей емкоси чем С1 и С2, лучше 100V, но если светодиод не отключать во время работы схемы то подойдет и на 50V, я взял на 2мкф, тоже выпаивается из донора
дроссель L1 - можно самый простой из БП (10-15 витков на ферритовом стержне), их обычно парочку есть на любом БП
чуть попозже выложу фотки того что получилось у меня.
драйвер впаивается на "половинку" 12в обмотки трансформатора и выдает призблизительно 52В на холостом ходу, и 32-36В под нагрузкой что тоже уже не является безопасным напряжением, об этом следует помнить!
если подключить драйвер к полной длинне обмотки то на выходе будет больше 100В на холостом ходу, и можно будет подключить 2 светодиода последовательно.
чуть попозже скину фотки куда на плате подпаивается драйвер
Востаннє редагував icetechno: 25.09.2014 о 20:25..
Причина: опечатка в заголовке)
|
|
Переглядів: 4024
|
25.09.2014, 20:06
|
#2
|
|
Активний участник форуму
Реєстрація: 17.09.2013
Звідки Ви: 3-я планета
Дописи: 681
сказав Дякую: 125
сказали Дякую 275 раз(и) в 203 повідомленні
|
Re: Простой драйер мощьного светодиода ===www.aquaforum.ua===
12В переменки можно найти на одной из выделенных дорожек которые идут на выпрямительные диоды(второй провод на минус, любой черный провод), между крайними выводами будет 24в, после уменожения этого хватит на 2 светодиода вклчюенных последовательно.
также стоит помнить что не всякий мультиметр измерит напряжение такой частоты.
И пару слов о недостатках этой схемы:
1. Стабилизация тока отсутсвует, вернее есть стабилизация напряжения и ограничение тока(емкостями конденсаторов), но изменение сопротивления светодиода при нагреве никак не учитывается, у меня получилось что ток плавает в пределах 1500-1600 мА, но т.к. светодиод может 3А то мне както побоку, т.е. раскачивать светодиод на 100% небезопасно, лучше ограничится 90%.
2. конденсаторы нужно подбирать, по емкости и по качеству
3. Незлья отключать сам светодиод от схемы во время работы, в конденсаторах накопится напряжение холостого хода и пробьёт диод при следующем подключении, чтобы избежать этого недостатка я подпаял С3 непосредсвенно на выводы светодиода, он погасит внезапные скачки напряжения т.к. он по емкости больше.
Востаннє редагував icetechno: 29.09.2014 о 01:38..
|
|
|
|
cказали "Дякую" icetechno за цей допис:
|
|
25.09.2014, 21:01
|
#3
|
|
Активний участник форуму
Реєстрація: 17.09.2013
Звідки Ви: 3-я планета
Дописи: 681
сказав Дякую: 125
сказали Дякую 275 раз(и) в 203 повідомленні
|
Re: Простой драйвер мощьного светодиода ===www.aquaforum.ua===
фото "в железе"
|
|
|
|
cказали "Дякую" icetechno за цей допис:
|
|
 |
|
Тут присутні: 1 (учасників - 0 , гостей - 1)
|
|
|
Ваші права у розділі
|
Ви не можете створювати теми
Ви не можете писати дописи
Ви не можете долучати файли
Ви не можете редагувати дописи
HTML код Вимк.
|
|
|
Часовий пояс GMT +3. Поточний час: 17:03.
|