 |
|
14.03.2009, 01:01
|
|
|
Изготовление акваконтроллера
Бан за нарушения
Реєстрація: 06.11.2007
Звідки Ви: Донецк, зона АТО
Дописи: 19.780
сказав Дякую: 5.789
сказали Дякую 17.707 раз(и) в 6.926 повідомленні

14.03.2009, 01:01
Рейтинг:
(28 голосов - 4,64 средняя оценка)
Данная тема является прямым продолжением темы Разработка акваконтроллера, созданной AlexThunder, за что ему огромное спасибо 
На данный момент разработка в целом закончена и благодарен всем, кто принимал участие в обсуждении и реализации проекта
С помощью Chack'а были заказаны и изготовлены печатные платы
 
И сейчас начнется наверно самый интересный этап - сборка и настройка
Схема, плата, прошивка находятся в архиве во вложении.
ИСХОДНИКОВ ПРОГРАММЫ НЕТ !!! ПРОШИВКУ ИЗМЕНИТЬ НЕЛЬЗЯ !!!
Необходимое программное обеспечение:
Схема - sPlan 6.0 (для версии 3 - 7.0)
Плата - Slayout 5.0 / 6.0
Внимание !!! В процессе сборки и наладки в схему могут быть внесены изменения ! Следите за обновлением архива !!!
...........
New_controller-2V1 - плата с косметическими правками и обозначением элементов.
Контроллер-V.3 - улучшенный вариант (симисторы в одну линию, питание +12V, два диммера, USB на борту, 4 усилителя, отдельный разъем для клавиатуры).
Version 3.1 SMD - версия 3 для СМД элементов.
Плата1V5smd - многоплатная версия от "Пупс" (контроллер + силовая часть + клавиатура + усилители + кулер для силовой части).
Контроллер V3 DIP - все нужное для сборки версии 3.0 DIP.
Firmware.rar - прошивки от Володя_Череп для нормальной работы с USB на ATTiny2313.
Прошивки.rar - архив прошивок:
ATmega_32 - стандартная прошивка
Atmega_32_EE - прошивка EEPROM
ATmega_32_9600 - скорость UART 9600
ATmega_32_PWM_244Hz - использование ШИМ для управления драйверами. Вход PWM LDD подключается непосредственно к выводу 13 или 14 ATmega.
Программирование fuse-битов:
При прошивке микроконтроллеров необходимо запрограммировать (записать 0) следующие fuse-биты:
- для ATmega32 - BOOTSZ0, BOOTSZ1, SPIEN
- для ATtiny2313 - CKSEL0, SUT0, BODLEVEL1, WDTON, SPIEN
- для ATtiny13 - SPIEN, CKDIV8, SUT0, CKSEL0 (данная микросхема используется для схемы регулировки венилятора)
Все остальные fuse-биты должны быть незапрограммированы (равны 1).
Uniprof:
Fuse-бит будет запрограммирован, если убрать галочку в соответствующем поле.
Fuse-бит будет незапрограммирован, если поставить галочку в соответствующем поле.
CodeVisionAVR:
Fuse-бит будет запрограммирован, если поставить галочку в соответствующем поле.
Fuse-бит будет незапрограммирован, если убрать галочку в соответствующем поле.
AVRDUDE:
ATmega: -U lfuse:w:0xff:m -U hfuse:w:0xd9:m
ATtiny2313: -U lfuse:w:0xee:m -U hfuse:w:0xcb:m -U efuse:w:0xff:m
ATtiny13: -U lfuse:w:0x6a:m -U hfuse:w:0xff:m
Мініатюри долучень
Долучені файли
 |
Контроллер.rar (423,9 КБ, 20117 переглядів) |
 |
AquaControl.rar (3,48 МБ, 19674 переглядів) |
 |
New_controller-2V1.rar (59,8 КБ, 16351 переглядів) |
 |
PL2303-USB.rar (2,03 МБ, 14150 переглядів) |
 |
Новый контроллер-3.rar (43,5 КБ, 15183 переглядів) |
 |
Плата для WH2004A.rar (278,0 КБ, 14464 переглядів) |
 |
USB.rar (219,9 КБ, 14043 переглядів) |
 |
Контроллер-V.3.zip (86,5 КБ, 15973 переглядів) |
 |
Version 3.1 SMD.zip (158,5 КБ, 15888 переглядів) |
 |
Полезная информация.pdf (306,9 КБ, 22170 переглядів) |
 |
Плата1v5smd.rar (165,9 КБ, 14039 переглядів) |
 |
Контроллер V3 DIP.zip (151,0 КБ, 16398 переглядів) |
 |
Firmware.rar (21,6 КБ, 13279 переглядів) |
 |
Aqua Control 2007 HELP.rar (172,4 КБ, 13517 переглядів) |
 |
THelper.rar (57,3 КБ, 12955 переглядів) |
 |
Прошивки.rar (68,0 КБ, 12029 переглядів) |
__________________
[I][B][COLOR=blue]С уважением, Сергей Таранченко[/COLOR][/B][/I]
Востаннє редагував Starcomputer: 19.04.2016 о 12:18..
Причина: Добавлен архив прошивок
|
|
Переглядів: 2373195
|
|
Ці 134 користувач(ів) сказали Дякую Starcomputer за це повідомлення:
|
+Максимус+ (31.08.2012), agorin (18.04.2009), aides (14.08.2013), AkaPain (07.02.2014), Aleksta (15.01.2012), ALEX77 (14.08.2009), AlexThunder (17.02.2010), alexv3 (10.04.2011), Alex_Ts (14.03.2009), Allcoholl (13.12.2009), ANTONENKO (02.04.2012), Antoxa106 (28.04.2013), AquaGomel (14.10.2010), arconas (05.02.2012), arik17 (12.10.2014), Ashatshem (09.02.2011), atom (17.05.2009), Baks (14.03.2009), BearIgor (23.03.2012), BELOUS (06.12.2011), biolog (21.11.2009), BlackAlex (14.03.2009), bmw (29.05.2009), bodom (25.05.2011), bonus78 (15.11.2009), Bosyak (19.01.2011), BpyH (29.01.2010), chack (14.03.2009), Cristal (15.06.2012), DEaD_MOPO3 (28.09.2011), Dimitr (12.02.2010), Dimker (15.06.2012), DiSan (25.12.2013), dolfik (05.01.2011), drv (31.08.2016), dubishe (21.12.2012), Dyshakz (14.02.2017), ersergey (14.04.2012), fylhttd (17.03.2009), gagari1 (13.02.2012), germanovitsh (01.11.2012), GrishaBGA (23.03.2009), Gutsik (17.07.2013), harn (04.07.2011), Heet (05.12.2009), iceSS (19.03.2009), igoritto (24.10.2010), IgorVin (10.02.2010), imac2008 (27.11.2010), iTango (08.08.2011), ivanaxion (31.08.2012), Kent (21.10.2010), kirilo777 (09.03.2012), klimnet (20.08.2012), klinok (05.09.2010), kluyt (17.08.2009), kollega-lg (21.04.2016), Koralove (24.10.2013), KostyaD (04.06.2009), kramar (14.03.2009), kusfu (28.09.2011), kvn79 (14.03.2009), Lexzx (24.03.2010), liss15 (14.10.2009), litlechina (05.05.2022), live steel (26.06.2012), lumen_xp (27.03.2012), LVit (27.11.2009), mact (14.05.2014), Makclaj (27.02.2011), masterross (11.12.2011), Mehannik (12.03.2015), MIhail (17.07.2011), myrko (15.04.2012), nbinc (12.05.2014), Nickname (25.06.2009), Nikolos667 (14.08.2011), Olzhich (18.03.2009), Oppozith (17.12.2012), Pastuh1234 (29.07.2012), pimass (15.03.2012), pulpit (21.11.2009), regiuscz (11.03.2011), rusianGrt (15.02.2010), rustr (20.09.2011), Ryzhii (10.04.2013), S V (10.01.2010), sae74 (15.02.2010), sergey_ln (28.02.2012), serjik2000 (03.07.2009), Sesh (31.05.2009), seva (19.01.2011), Shurhent (02.07.2011), Smile8 (28.09.2010), sobolev (21.09.2011), solvi (14.03.2009), sonokam (08.12.2011), sv46 (12.07.2011), Swen (15.06.2009), TakedaMaru (20.05.2013), telepuzic (22.02.2012), Tihon (04.01.2013), timofey (11.11.2009), Tiratore.d (08.11.2019), tolik_erema (04.03.2011), Ty3uK (22.03.2009), Umnik (13.01.2012), Uselink (10.02.2010), vad1972 (05.05.2010), Viktorrr (22.12.2012), vill (29.09.2010), Vitaha (26.11.2009), VitalyD (03.10.2010), VKabanov (29.04.2009), VladHNet (07.08.2009), VladVP (15.01.2012), _Vadim (11.02.2010), Амфибия (15.05.2009), Вася (14.07.2009), Володя Череп (14.03.2009), дух святой истины (16.03.2009), Ёжик в Тумане (28.02.2011), Зелёный (19.01.2012), Кениец (30.11.2009), Мираж (25.02.2012), Михаил. (14.07.2011), Молекула (04.04.2009), МСВ (19.02.2012), Пупс (20.07.2011), Рудницкий Олександр (18.01.2012), Снегозавр (20.02.2013), Шаманчик (27.10.2009), ЭКСПЕРИМЕНТАТОР (04.04.2009), Юрий Н. (17.08.2010) |
23.05.2009, 22:48
|
#931
|
|
Придивляюся
Реєстрація: 16.04.2009
Звідки Ви: Minsk
Дописи: 16
сказав Дякую: 26
сказали Дякую 6 раз(и) в 3 повідомленні
|
Re: Изготовление акваконтроллера ===www.aquaforum.ua===
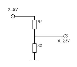
Вопросец! Хочу прикрутить к своему АК2 микруху МРХ4115А. У нее Выход организован 0...5В, а АЦП меги по доп входу прожёвывает 0...2,5В. Юсупов на своем сайте пишет:
Цитата:
|
Если на выходе датчика напряжение в предалах 0...5В, как к примеру для датчика давления MPX4115A, то на входе дополнительно следует использовать резистивный делитель, который уменьшит входное напряжение в два раза.
|
Я так понимаю это выглядит следующим образом:
ЗЫЖ А какие значения резисторов должны быть?
|
|
|
23.05.2009, 23:30
|
#932
|
|
Активний участник форуму
Реєстрація: 04.04.2006
Звідки Ви: Киев
Дописи: 407
сказав Дякую: 67
сказали Дякую 515 раз(и) в 179 повідомленні
|
Re: Изготовление акваконтроллера ===www.aquaforum.ua===
Цитата:
Допис від Vitoldos
Я так понимаю это выглядит следующим образом:
ЗЫЖ А какие значения резисторов должны быть?
|
Можешь ставить от 1 до 10 ком, главное чтобы они (оба) были одиннакового номинала.

|
|
|
24.05.2009, 00:21
|
#933
|
|
Живу я тут. Мохоманьяк
Реєстрація: 10.08.2007
Звідки Ви: Санкт-Петербург
Дописи: 219
сказав Дякую: 99
сказали Дякую 154 раз(и) в 73 повідомленні
|
Re: Изготовление акваконтроллера ===www.aquaforum.ua===
Цитата:
Допис від Vitoldos
Хочу прикрутить к своему АК2 MPX4115A
|
А для чего он вам?
__________________ 
|
|
|
|
cказали "Дякую" all_himik за цей допис:
|
|
25.05.2009, 00:07
|
#934
|
|
Живу я тут
Реєстрація: 12.02.2008
Звідки Ви: Оболонь, Петровка
Дописи: 8.891
сказав Дякую: 2.489
сказали Дякую 2.878 раз(и) в 2.065 повідомленні
|
Re: Изготовление акваконтроллера ===www.aquaforum.ua===
рН усилитель не работает, с чего бы это?.. На выходе первой микросхемы ( вывод 6) минус напряжения питания.
__________________
Свет. ЭПРА, аквариумые лампы т5;т8; МГ-150; LED-комплекты и светильники системы СО2 под ключ. тел: 095 0105853; 098 6143112
Лучшие статьи месяца на Аквафоруме
|
|
|
25.05.2009, 00:34
|
#935
|
|
Живу я тут
Реєстрація: 28.06.2003
Звідки Ви: Киев
Дописи: 757
сказав Дякую: 831
сказали Дякую 833 раз(и) в 397 повідомленні
|
Re: Изготовление акваконтроллера ===www.aquaforum.ua===
Какое напряжение на остальных выводах этой микросхемы, если замкнуть между собой контакты BNC-разъема?
На выводах 2, 3 и 6 должно быть 0V, на выводе 4 -5V, на выводе 7 +5V.
|
|
|
|
Ці 2 користувач(ів) сказали Дякую Володя Череп за це повідомлення:
|
|
25.05.2009, 00:43
|
#936
|
|
Живу я тут
Реєстрація: 12.02.2008
Звідки Ви: Оболонь, Петровка
Дописи: 8.891
сказав Дякую: 2.489
сказали Дякую 2.878 раз(и) в 2.065 повідомленні
|
Re: Изготовление акваконтроллера ===www.aquaforum.ua===
BNC не замыкал. Но " на вход не реагирует". Там всего-то три резистора и на тебе((
__________________
Свет. ЭПРА, аквариумые лампы т5;т8; МГ-150; LED-комплекты и светильники системы СО2 под ключ. тел: 095 0105853; 098 6143112
Лучшие статьи месяца на Аквафоруме
|
|
|
25.05.2009, 09:16
|
#937
|
|
Бан за нарушения
Реєстрація: 06.11.2007
Звідки Ви: Донецк, зона АТО
Дописи: 19.780
сказав Дякую: 5.789
сказали Дякую 17.707 раз(и) в 6.926 повідомленні
|
Re: Изготовление акваконтроллера ===www.aquaforum.ua===
Олег, да сопли где-то или стабилитрон наоборот впаян. проверь все внимательно. У меня тоже сопли были, убрал - заработало. 
__________________
[I][B][COLOR=blue]С уважением, Сергей Таранченко[/COLOR][/B][/I]
|
|
|
25.05.2009, 09:48
|
#938
|
|
Живу я тут
Реєстрація: 12.02.2008
Звідки Ви: Оболонь, Петровка
Дописи: 8.891
сказав Дякую: 2.489
сказали Дякую 2.878 раз(и) в 2.065 повідомленні
|
Re: Изготовление акваконтроллера ===www.aquaforum.ua===
Не нашел соплей. Стабилитрон впаян правильно, на катоде 2,6в.
Единственное, что еще смущает, это на "-" не -5В, а -4.74В. Соответственно на выходе микрухи -4.73В., а не "0".
__________________
Свет. ЭПРА, аквариумые лампы т5;т8; МГ-150; LED-комплекты и светильники системы СО2 под ключ. тел: 095 0105853; 098 6143112
Лучшие статьи месяца на Аквафоруме
|
|
|
25.05.2009, 10:47
|
#939
|
|
Живу я тут. Мохоманьяк
Реєстрація: 10.08.2007
Звідки Ви: Санкт-Петербург
Дописи: 219
сказав Дякую: 99
сказали Дякую 154 раз(и) в 73 повідомленні
|
Re: Изготовление акваконтроллера ===www.aquaforum.ua===
Есть вопрос по 1wire
Далласы при использовании миниджека как на картинке сажать или стоит что-нибудь поменять или навесить для нормальной работы при "горячих" включениях/отключениях? Нужен ли экран?

__________________ 
|
|
|
25.05.2009, 11:09
|
#940
|
|
Живу я тут
Реєстрація: 23.03.2009
Звідки Ви: Бердянск
Дописи: 335
сказав Дякую: 72
сказали Дякую 64 раз(и) в 55 повідомленні
|
Re: Изготовление акваконтроллера ===www.aquaforum.ua===
Используй просто экранированный провод для подключения.
|
|
|
|
cказали "Дякую" Dr_Off за цей допис:
|
|
25.05.2009, 11:12
|
#941
|
|
Бан за нарушения
Реєстрація: 06.11.2007
Звідки Ви: Донецк, зона АТО
Дописи: 19.780
сказав Дякую: 5.789
сказали Дякую 17.707 раз(и) в 6.926 повідомленні
|
Re: Изготовление акваконтроллера ===www.aquaforum.ua===
Я каждый датчик подключаю через отдельный экранированный кабель (использую удлинители от наушников, там и джек стоит и кабель герметичный). Запараллеливаются они уже непосредственно на разъемах на входе контроллера. Хотя во многих промышленных разработках на этих датчиках сеть сделана просто из телефонного кабеля.
__________________
[I][B][COLOR=blue]С уважением, Сергей Таранченко[/COLOR][/B][/I]
|
|
|
|
cказали "Дякую" Starcomputer за цей допис:
|
|
25.05.2009, 11:29
|
#942
|
|
Живу я тут
Реєстрація: 13.02.2009
Звідки Ви: Киев, Татарка
Дописи: 266
сказав Дякую: 14
сказали Дякую 105 раз(и) в 85 повідомленні
|
Re: Изготовление акваконтроллера ===www.aquaforum.ua===
all_himik, В разрыв DQ между контроллером и разъемом поставь около 300 Ом .
Это если у тебя при включении миниджек замыкает +5В и DQ.
Проверь тестером момент включения джека без контроллера и далласов.
|
|
|
|
cказали "Дякую" enfogar за цей допис:
|
|
25.05.2009, 12:08
|
#943
|
|
Живу я тут. Мохоманьяк
Реєстрація: 10.08.2007
Звідки Ви: Санкт-Петербург
Дописи: 219
сказав Дякую: 99
сказали Дякую 154 раз(и) в 73 повідомленні
|
Re: Изготовление акваконтроллера ===www.aquaforum.ua===
Цитата:
Допис від Dr_Off
Используй просто экранированный провод для подключения.
|
По экрану можно землю пустить или надо отдельной жилой?
Цитата:
Допис від enfogar
В разрыв DQ между контроллером и разъемом поставь около 300 Ом .
Это если у тебя при включении миниджек замыкает +5В и DQ.
Проверь тестером момент включения джека без контроллера и далласов.
|
Дык я лучше сразу и поставлю. А 390Е пойдёт (ближайшее что есть под рукой)?
__________________ 
|
|
|
25.05.2009, 12:11
|
#944
|
|
Живу я тут
Реєстрація: 13.02.2009
Звідки Ви: Киев, Татарка
Дописи: 266
сказав Дякую: 14
сказали Дякую 105 раз(и) в 85 повідомленні
|
Re: Изготовление акваконтроллера ===www.aquaforum.ua===
По экрану - землю.
У меня 360Е - работает, пробуй
|
|
|
|
cказали "Дякую" enfogar за цей допис:
|
|
25.05.2009, 12:33
|
#945
|
|
Живу я тут
Реєстрація: 30.08.2007
Звідки Ви: Київ, Конотоп.
Дописи: 3.087
сказав Дякую: 2.108
сказали Дякую 2.629 раз(и) в 1.010 повідомленні
|
Re: Изготовление акваконтроллера ===www.aquaforum.ua===
Цитата:
Допис від all_himik
Есть вопрос по 1wire
Далласы при использовании миниджека как на картинке сажать или стоит что-нибудь поменять или навесить для нормальной работы при "горячих" включениях/отключениях? Нужен ли экран?

|
Я использую готовый кабель с разъемом USB 1.5 метра. При этом нет замыканий при "входит и выхоодит". Каждый DALLAS на собственном кабеле висит. (кабель взят от UPSа) ... Кабель экранированный.
__________________
С уважением, Вячеслав.
|
|
|
 |
|
|
Тут присутні: 1 (учасників - 0 , гостей - 1)
|
|
|
Ваші права у розділі
|
Ви не можете створювати теми
Ви не можете писати дописи
Ви не можете долучати файли
Ви не можете редагувати дописи
HTML код Вимк.
|
|
|
Часовий пояс GMT +3. Поточний час: 23:39.
|