На головну сторінку Аквафорум
На головну сторінку




Назад   Аквафорум - форум акваріумістів та тераріумістів > Барахолка > Объявления: куплю, продам, обменяю, отдам, приму, услуги... > Продам > Аквариумы, оборудование, грунты, декорации

Примітки

 
 
Параметри теми Параметри перегляду
Prev Попередній допис   Наступний допис Next
Старий 23.01.2015, 15:50   #1
(!)Харьков. Украина. Комплектующие для светодиодных светильников (190118)
 
Аватар для Senturio
Живу я тут

Реєстрація: 19.02.2009
Звідки Ви: ХАРЬКОВ
Дописи: 2.389
Надіслати повідомлення для Senturio на ICQ Надіслати повідомлення для Senturio на Skype
 

сказав Дякую: 1.381
сказали Дякую 1.462 раз(и) в 710 повідомленні
Senturio Senturio поза форумом 23.01.2015, 15:50
Рейтинг: (18 голосов - 2,56 средняя оценка)

Продам комплектующие для сборки светодиодных светильников любителям мастерить своими руками.

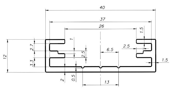
ПРОФИЛИ АЛЮМИНИЕВЫЕ

Продажа профиля в размер Заказчика возможна при заказе с фурнитурой.

Профиль АН-110. Производство Украина. Ширина 110 мм высота 17,8 мм. Стоимость 600 грн/метр.

Заглушки под профили


Заглушки под профиль АН-110. Черный акрил 3 мм. Вариант под контроллер SenturioN и вариант под провод d=5 мм. 90 грн/компл
Заглушки тип 3373/1 на профиль БПО-3373 - материал литой акрил 3 мм, цвет черный. Комплект из двух штук (см фото) - 80 грн. (1 комплект)
Заглушки тип 3372-3 на профиль БПО3373 зеркальные Материал акрил 3 мм. Комплект - 90 грн

Защитное стекло

Стекло защитное под профиль АН-110. 2 мм акрир. Стоимость 100 грн/м.

Крепежные саморезы


Крепеж заглушки ан110-у - винт 2,2 мм с потайной головкой - 25 коп/шт.

Ножки для светильников



Ножки для профиля Ан-110:
проволока 4 мм, основание пвх черный - на стекло до 12 мм. Длина выдвижной части 10см. Высота 8 см. Стоимость комплекта 160 грн.

Держатели покровного стекла

Комплект держателей покровного стекла - 4 шт. Материал акрил -2.5 мм. Рассчитаны для установки на прямые углы аквариума со стеклом 3-6 мм. Стоимость 50 грн.

Подвесы для светильников


Подвесы для светильников с регулируемой высотой - 150 грн/компл. В наличии более 20 шт.
Комплектация: верхний зажим 2 шт; нижний цанговый зажим 2 шт; трос в силиконе с наконечником (1,2 м) 2 шт Нагрузка на один подвес 12 кг

Кабель многожильный 6х0.22 в ПВХ изоляции цвет черный - 15 грн/м Подходит для светильников на базе контроллеров. Количество ограничено!

Обсуждение с фото и видео готовых светильников можно посмотреть в моих темах на форумах "Аквафанат", на моей странице "В контакте" http://vk.com/id21425561 и здесь в данной теме, а также узнать впечатления у форумчан Андрей ХТЗ_123, 78lesha, Георг, владимир456, Wetalik, Kove, Алан Юсупов и др.

Контроллеры

Контроллер SenturioN. Стоимость 60уе.
Функции контроллера:
1. 6 каналов регулирования ШИМ с предустановленными драйверами под их управлением
2. Возможность управления по каналу Bluetooth либо по шнуру USB с помощью внешней программы под ОС Windows или Андроид.
3. 4 предустановленные режимы работы с кнопки на панели контроллера (как пример 1 режим - яркость всех каналов 10%, 2 режим - тоже но 100%, 3 режим - работа в ночном режиме (синие диоды яркость 4 %), 4 режим - заданный пользователем по суточному графику)
4. Контроль системы охлаждения профиля (при наличии) - датчиком температуры профиля. Температура отображается в меню программы. Регулировка скорости вращения вентиляторов идет по заданному графику пользователем.
5. Два таймера с секундным отсчетом времени. Изначально они проектировались под отключение системы подачи СО2 (э/м клапан) и работу с системой дозирования удобрений. Можно подключить любое другое устройство 220 В питание (компрессор, автокормушка, система автодолива).
6. Кнопка отключения питания внешнего фильтра на панели контроллера. Промежуток времени отключения задается пользователем. Эта функция нужна при кормлении рыб - если работает автокормушка, либо при кормлении сухим кормом.
7. 10 различных вариантов спектра свечения записываемых в память контроллера.
8. Сохранение настроек при отключении питания.
9. Безопасное напряжение питания -24 В.
Размер контроллера 55*46 мм. Разьем подключения шнура Micro usb.
Комплектуется драйверами и платой реле - в стоимость не включены.
Контроллером комплектуются светильники серии FullSpectrum

Светодиоды сверх яркие фирм Osram, Cree, Lumis
Белые диоды:
Osram Oslon 80 (корпус 3030) LUW CR7P-LSLU-HPHR-1 (ССT 6500K, 80 CRI 180 лм/Вт, 405 лм на токе 1 А, макс. ток 1 А) - 1,2 уе
CREE XTEAWT-0-1C0-S50-FB (корпус 3535) (CCT 6500 К, 70 CRI, 172-180 lm, 2.75-3.0 V @350mA,85°C / 1500 mA max)- 1 уе


Цветные диоды:
Osram сквайр (3030) 660 нм (3 поколение) -1,2 уе
Cree XPG3 (RoyalBlue) (350 мА - 2,866В, поток 35 лм, 1500 мА - 3,096 В) длина волны - 445-455 нм на звезде – 1,2 уе
Сree XPEBRD-L1-R20 (Red) - красный, длина волны 630 нм - 1.0 уе
Cree XPEBBL-L1-B40 (Blue) длина волны - 470-475 нм (макс ток 1 А, световой поток 700 мА- 74 лм, 1000 мА- 96 лм) - 1,1 уе
Lumis L35C-49511C1A-LXVV (Сyan) длина волны 490 нм (макс ток 1 А, световой поток 700 мА- 165 лм) -1 уе
Lumis L35U-40511C2A-LGVV (UV ) 405-407 нм (макс ток 1 А) - 1.4 уе

Светодиодные линейки фирмы Samsung на светодиодах Samsung серии LM301В CRI-80
Спектр 6500 К длина 430 мм (кол-во диодов 18 шт) – яркость 1750 лм при токе на линейку 450 мА - 5,7 уе
Спектр 4000 К длина 430 мм (кол-во диодов 18 шт) - яркость 1650 лм при токе 450 мА - 5,5 уе

Максимальный ток на линейку 1000 мА.
Линейки можно разрезать на отрезки длиной 150 мм. При этом соединять последовательно соблюдая питающий ток не выше 200 мА.


Светодиоды сверх яркие фирмы Lumis
L35U-39011C2A-390-UV (bin B6 1300 мВ 500 мА, макс ток-700 мА) (390 nm) - 2 уе
L35U-39011C2A-410-UV (bin G1 1300 мВ 500 мА, макс ток-700 мА) (410 nm) - 1.8 уе

Возможны поставки диодов других серий под заказ.

Новинки
Диод Lumis L35U4011 (Violet) длина волны 420...425 нм( 900-1000 мвт@350 мА, 1А макс ток). Стоимость 1.2 уе.


Сборка на 10 диодов - (6 канальная) для травника - стоимость 12,8 уе. Набор диодов (белые Сree XTE -6 шт, цветные Cree XPE2 470 нм -1 шт, Сree 630 нм -1 шт, Lumis 490 нм -1 шт, PK2N-3LPE-ASD - 1 шт). Потребление на токах 1 А -белые, 700 мА цветные (макс) - 27 Вт. Световой поток - 2545 лм, поток PPF 38 мкмоль/c.


Последние исследования специалистов Осрам в области светотехники для растений на базе LED - советую ознакомится при подборе светодиодов и создании полноспектральных светильников. Файл в PDF, язык английский.

ДРАЙВЕРЫ


Драйверы для светодиодов фирмы MEAN WELL (Тайвань)

APC-12-700 (ток 700 мА, мощность 12 Вт) - 8 уе
APC- 16-700 (ток 700 мА, мощность 16 Вт) - 8 уе
APC-25-700 (ток 700 мА, мощность -25 Вт) – 10 уе
APC-35-700 (ток 700 мА, мощность - 35 Вт) - 12 уе
APC – 16-350 (ток 350 мА, мощность 16 Вт) – 8 уе
APC – 35-350 (ток 350 мА, мощность 35 Вт) – 15 уе
LPC-100-700 (700 мА, 70-143 В, мощность 100 Вт) - 29 уе
LPC-150-700 (700 мА, 107-215 В, мощность 150 Вт) - 38 уе - позволяет подключать около 66 диодов 3 Вт !

Драйверы для больших светильников с регулировкой тока серия HLG
HLG-60H-C700 (350-700 мА, 50-100 В) на 30 диодов 3 Вт - 38 уе
HLG-80H-C700 (350-700 мА, 64-129 В)на 40 диодов 3 Вт- 45 уe
HLG-120-C700 (350-700 мА, 107-214 В) на 65 диодов - 59 уe
HLG-120-C1050 (525-1050 мА, 72-143 В) - 59 уе

Управляемые драйверы для светильников с плавной регулировкой яркости

LDD-700H
от 1 до 14 светодиодов с ШИМ управлением тока на частоте 100Гц-1кГц - 6,5$
LDD-1000H
от 1 до 14 светодиодов с ШИМ управлением тока на частоте 100Гц-1кГц - 7$
LDH 45A-700 питание от 9 до 18 В DC . Ток 700 мА. Данные драйверы позволяют использовать аккумуляторы 12 В или блоки питания ПК для питания светильников на LED.
от 5 до 21 светодиода с ШИМ управлением тока на частоте 100Гц-1кГц – 13 уе
LDH 45A-1050 питание от 9 до 18 В DC . Ток 1050 мА.
от 10 до 15 светодиодов с ШИМ управлением тока на частоте 100Гц-1кГц – 13,5 уе

Драйверы для светодиодов фирмы EaglRise.

ELP040C0350LX (ток 350 мА, мощность 40 Вт) - 17 уе
ELP040C0700LX (ток 700 мА, 40-60 В, мощность 40 Вт) - 17 уе
ЕLР060C0700LХ (ток 700 мА, до 86 В, мощность 60 Вт) - 19 уе
В источниках питания предусмотрена самовосстанавливающаяся защита от перегрева, от перегрузок и короткого замыкания.

БЛОКИ ПИТАНИЯ

Блоки питания Mean Wel для питания управляемых драйверов:
LRS-50-48 (48 В, 1,1 А - мощность 52 Вт) - 15 уе
NES-75-48 (48 В, 1,6 А) - 20,5 уе
RS-100-48 (48 В, 2,3 А) - 24,5 уe
NES-100-48 (48 В, 2,3 А) - 22 ye
LRS 100-48 (48 В, 2.3 А) – 23 уе
RS-150-48 (24 В, 6,5 А) - 27 уе
NES-200-48 (48 В, 4,4 А) - 38 уе
LRS-200-48 (48 В, 5,9 А) - 36 уе
LRS-350-48 (48 В, 7,3 А) - 40 уе


Также возможен заказ другой продукции фирмы MeanWell, по запросу можно получить подробный прайс лист.

Услуги:
Порезка профиля в размер Заказчика - 10 грн. Порезка защитного стекла – 5 грн.
Фрезеровка в алюминиевом профиле отверстий под вентиляторы и корпуса контроллеров – от 180 грн (в зависимости от сложности и времени обработки).
Услуги по проектированию крепежа светильников в крышки или изготовление нестандартных ножек для светильников рассчитывается в каждом случае индивидуально, для расчета просьба отправлять чертежи в CorelDraw версии 11 и ниже или AutoCad версии 2005 или фото на электронную почту abc_is@mail.ru.
Пример выполнения корпуса под светильник для моря на LED матрицах на фото ниже - чертежи корректировали по ходу сборки тестовых образцов 2 раза но итогом заказчик остался доволен. Описание данного светильника можно посмотреть тут http://www.aquaforum.ua/showthread.p...36#post3102236.

Отправка возможна перевозчиками Укрпошта и Новая почта – понедельник, четверг.
Упаковка в картон для защиты от повреждений - 10 грн.
Оплата на карту Приватбанка по курсу на момент заказа.
Доставка заказов по Харькову и области – 7 грн/км в рабочее время с 10.00 до 18.00.
Контактный телефон – 0632525251. Skype – senturio3. Viber 0632525251

Мініатюри долучень
Щоб збільшити малюнок, клацніть по ньому
Назва:  Профиль П40-.jpg
Переглядів: 3337
Розмір:  31,3 КБ
ID:	479528   Щоб збільшити малюнок, клацніть по ньому
Назва:  профили фото.jpg
Переглядів: 4549
Розмір:  41,1 КБ
ID:	479529   Щоб збільшити малюнок, клацніть по ньому
Назва:  светодиоды линейка.jpg
Переглядів: 3986
Розмір:  37,7 КБ
ID:	479530   Щоб збільшити малюнок, клацніть по ньому
Назва:  крепеж стекло.jpg
Переглядів: 3717
Розмір:  46,4 КБ
ID:	479531   Щоб збільшити малюнок, клацніть по ньому
Назва:  вид света Осрам 6500К.jpg
Переглядів: 3390
Розмір:  126,7 КБ
ID:	479534  

Щоб збільшити малюнок, клацніть по ньому
Назва:  фрезеровка пример работы.jpg
Переглядів: 3638
Розмір:  75,3 КБ
ID:	481488   Щоб збільшити малюнок, клацніть по ньому
Назва:  Ножки к БПО форма 1.jpg
Переглядів: 3340
Розмір:  82,3 КБ
ID:	484543   Щоб збільшити малюнок, клацніть по ньому
Назва:  Ножки к БПО форма 2.jpg
Переглядів: 3193
Розмір:  101,0 КБ
ID:	484544   Щоб збільшити малюнок, клацніть по ньому
Назва:  ножка двойная вар1 кр.jpg
Переглядів: 3150
Розмір:  47,1 КБ
ID:	488201   Щоб збільшити малюнок, клацніть по ньому
Назва:  ножки Д4 общий вид.jpg
Переглядів: 2849
Розмір:  58,6 КБ
ID:	488496  

Щоб збільшити малюнок, клацніть по ньому
Назва:  ножки  Д4 на акве.jpg
Переглядів: 3054
Розмір:  101,0 КБ
ID:	488497   Horticulture Lighting with LEDs_external.pdf   Щоб збільшити малюнок, клацніть по ньому
Назва:  Заглушки на 4 балки прозрасный акрил.jpg
Переглядів: 2490
Розмір:  17,4 КБ
ID:	494342   Щоб збільшити малюнок, клацніть по ньому
Назва:  фото ножек для светильника.jpg
Переглядів: 3308
Розмір:  72,1 КБ
ID:	494343   Щоб збільшити малюнок, клацніть по ньому
Назва:  линзы 45 град.jpg
Переглядів: 2387
Розмір:  22,2 КБ
ID:	494856  

Щоб збільшити малюнок, клацніть по ньому
Назва:  драйверы+линза разобр.jpg
Переглядів: 2694
Розмір:  152,6 КБ
ID:	496515   Щоб збільшити малюнок, клацніть по ньому
Назва:  драйвер LDD.jpg
Переглядів: 2216
Розмір:  85,4 КБ
ID:	496516   Щоб збільшити малюнок, клацніть по ньому
Назва:  корпус сбоку.jpg
Переглядів: 2432
Розмір:  62,7 КБ
ID:	504076   Щоб збільшити малюнок, клацніть по ньому
Назва:  корпуса без крышки.jpg
Переглядів: 2245
Розмір:  82,2 КБ
ID:	504077   Щоб збільшити малюнок, клацніть по ньому
Назва:  драйверы EagleRise 40 W.jpg
Переглядів: 2343
Розмір:  104,5 КБ
ID:	523226  

Щоб збільшити малюнок, клацніть по ньому
Назва:  профиль П40 шампань.jpg
Переглядів: 2608
Розмір:  111,4 КБ
ID:	524187   Щоб збільшити малюнок, клацніть по ньому
Назва:  подвесы низ.jpg
Переглядів: 2526
Розмір:  101,1 КБ
ID:	524239   Щоб збільшити малюнок, клацніть по ньому
Назва:  подвесы крепление.jpg
Переглядів: 2149
Розмір:  81,8 КБ
ID:	524240   Щоб збільшити малюнок, клацніть по ньому
Назва:  держатели стекла комплект.jpg
Переглядів: 2342
Розмір:  86,5 КБ
ID:	526434   Щоб збільшити малюнок, клацніть по ньому
Назва:  Держатель покровного стекла установка.jpg
Переглядів: 2219
Розмір:  158,8 КБ
ID:	526435  

Щоб збільшити малюнок, клацніть по ньому
Назва:  IMG_3567.JPG
Переглядів: 2317
Розмір:  98,1 КБ
ID:	526436   Щоб збільшити малюнок, клацніть по ньому
Назва:  контролер вид спереди.jpg
Переглядів: 2501
Розмір:  304,1 КБ
ID:	526628   Щоб збільшити малюнок, клацніть по ньому
Назва:  корпус матовый крупно.jpg
Переглядів: 2202
Розмір:  87,7 КБ
ID:	531490   Щоб збільшити малюнок, клацніть по ньому
Назва:  заглушка на 2 и 3 профиля.jpg
Переглядів: 2401
Розмір:  114,1 КБ
ID:	535000   Щоб збільшити малюнок, клацніть по ньому
Назва:  заглушка на 2 профиля.jpg
Переглядів: 2707
Розмір:  128,1 КБ
ID:	535001  

Щоб збільшити малюнок, клацніть по ньому
Назва:  тдс+рн.jpg
Переглядів: 2122
Розмір:  104,5 КБ
ID:	537396   Щоб збільшити малюнок, клацніть по ньому
Назва:  ph метр.jpg
Переглядів: 1925
Розмір:  18,6 КБ
ID:	537397   Щоб збільшити малюнок, клацніть по ньому
Назва:  заглушки БПО стекло защитное.JPG
Переглядів: 2275
Розмір:  259,8 КБ
ID:	540466   Щоб збільшити малюнок, клацніть по ньому
Назва:  теплопрооводклей.jpg
Переглядів: 1957
Розмір:  58,7 КБ
ID:	542408   Щоб збільшити малюнок, клацніть по ньому
Назва:  подвесы компл.jpg
Переглядів: 2072
Розмір:  414,6 КБ
ID:	542548  

Щоб збільшити малюнок, клацніть по ньому
Назва:  ножка бпо3373-3.jpg
Переглядів: 2141
Розмір:  94,8 КБ
ID:	545571   Щоб збільшити малюнок, клацніть по ньому
Назва:  ножка п40-4.jpg
Переглядів: 2046
Розмір:  145,7 КБ
ID:	545572   Щоб збільшити малюнок, клацніть по ньому
Назва:  бпо3373 с заглушкой тип 1.jpg
Переглядів: 2714
Розмір:  335,1 КБ
ID:	549681   Щоб збільшити малюнок, клацніть по ньому
Назва:  Ножка П40-11.jpg
Переглядів: 2119
Розмір:  279,6 КБ
ID:	550092   Щоб збільшити малюнок, клацніть по ньому
Назва:  ножки П40-11и.jpg
Переглядів: 2689
Розмір:  1,12 МБ
ID:	550093  

Щоб збільшити малюнок, клацніть по ньому
Назва:  IMG_4529.JPG
Переглядів: 1935
Розмір:  280,8 КБ
ID:	557341   Щоб збільшити малюнок, клацніть по ньому
Назва:  заглушки бпо3373 зеркало.jpg
Переглядів: 1985
Розмір:  374,8 КБ
ID:	582975   Щоб збільшити малюнок, клацніть по ньому
Назва:  заглушка Р74-у.JPG
Переглядів: 2045
Розмір:  201,0 КБ
ID:	596557   Щоб збільшити малюнок, клацніть по ньому
Назва:  Ножка .JPG
Переглядів: 1909
Розмір:  233,8 КБ
ID:	596558   Щоб збільшити малюнок, клацніть по ньому
Назва:  контроллер 6 сh макро.jpg
Переглядів: 2001
Розмір:  340,7 КБ
ID:	619445  

Щоб збільшити малюнок, клацніть по ньому
Назва:  заглушка ан110.jpg
Переглядів: 2013
Розмір:  234,0 КБ
ID:	627135  

__________________
Системы кондиционирования вентиляции отопления. Тепловые насосы - за ними будущее!!!

Востаннє редагував Senturio: 14.01.2025 о 14:35..
Переглядів: 217929
Відповісти з цитуванням
Ці 28 користувач(ів) сказали Дякую Senturio за це повідомлення:
A.Lonko (28.12.2015), AleksanderSH (20.03.2017), Aleksandrit2000 (02.03.2015), Argo? (25.11.2016), dima_s (24.05.2016), igor_likvo (01.04.2017), Knyaz (09.09.2017), madTomato (15.04.2016), Mike Creative (27.05.2018), Mixt (20.07.2015), MrLelik (24.01.2019), nanolab (30.06.2015), nickanya (03.03.2015), nikservice (09.05.2015), Pol_Kiev (16.05.2016), posokhis (13.12.2016), ressi (04.10.2015), ryuras (08.11.2016), Sekhmet (23.03.2016), sergio70 (02.06.2017), sergo1973 (21.02.2017), serg_yu (22.04.2015), Sinkler (25.12.2015), tumoxasan (03.12.2015), Vals (07.06.2017), ~viktorman~ (22.07.2017), Андрей ХТЗ 123 (05.02.2015), водяной 67 (22.03.2015)


Share/Bookmark

 

Мітки
led светильник, ph метр, изготовление светильника, Профиль для led, светодиоды


Тут присутні: 1 (учасників - 0 , гостей - 1)
 
Параметри теми
Параметри перегляду

Ваші права у розділі
Ви не можете створювати теми
Ви не можете писати дописи
Ви не можете долучати файли
Ви не можете редагувати дописи

BB-код є Увімк.
Усмішки Увімк.
[IMG] код Увімк.
HTML код Вимк.

Швидкий перехід


Часовий пояс GMT +3. Поточний час: 10:27.


vBulletin 3.8.7 ; Copyright © 2000-2026 Jelsoft Enterprises Limited
Переклад: © Віталій Стопчанський, 2004-2010
(с)Бешлега Олександр Анатолійович, 2002-2025. Використання матеріалів сайту без посилання на джерело заборонено.
Дякуємо за ліцензійну версію форума компанію Барбус, представника торгової марки Sera в Україні.


no new posts