 |
|
15.10.2011, 16:32
|
#31
|
|
Живу я тут
Реєстрація: 12.09.2011
Звідки Ви: Винница
Дописи: 230
сказав Дякую: 68
сказали Дякую 146 раз(и) в 64 повідомленні
|
Re: Тема для "Чуваков с паяльниками в одном месте" (с) Hippo ===www.aquaforum.ua===
Цитата:
Допис від Hippo
насколько я понял - вашей компашке интересен сам процесс.
|
не без этого.
__________________
Если хочешь, чтобы было сделано хорошо - делай сам.
|
|
|
15.10.2011, 16:36
|
#32
|
|
Живу я тут
Реєстрація: 09.01.2011
Звідки Ви: -
Дописи: 328
сказав Дякую: 582
сказали Дякую 65 раз(и) в 56 повідомленні
|
Re: Тема для "Чуваков с паяльниками в одном месте" (с) Hippo ===www.aquaforum.ua===
Вот такая у меня схемка. Инфу брал от сюда. тыц
|
|
|
|
cказали "Дякую" kusfu за цей допис:
|
|
15.10.2011, 16:41
|
#33
|
|
Живу я тут
Реєстрація: 12.09.2011
Звідки Ви: Винница
Дописи: 230
сказав Дякую: 68
сказали Дякую 146 раз(и) в 64 повідомленні
|
Re: Тема для "Чуваков с паяльниками в одном месте" (с) Hippo ===www.aquaforum.ua===
-=Den=-,
в схеме порт С задействован на индикацию, а ведь он совмещен с мультиплексором внутреннего АЦП, к которому необходимо подключить выход усилка pH электрода?
__________________
Если хочешь, чтобы было сделано хорошо - делай сам.
|
|
|
15.10.2011, 17:04
|
#34
|
|
Бан за нарушения
Реєстрація: 04.01.2009
Звідки Ви: Полтава
Дописи: 5.494
сказав Дякую: 6.242
сказали Дякую 5.758 раз(и) в 2.264 повідомленні
|
Re: Тема для "Чуваков с паяльниками в одном месте" (с) Hippo ===www.aquaforum.ua===
А я с Вашим модератором Заказал такую штуку, и она уже в Украине.
Вот теперь ждемс...
__________________ 
|
|
|
15.10.2011, 17:10
|
#35
|
|
Живу я тут
Реєстрація: 09.01.2011
Звідки Ви: -
Дописи: 328
сказав Дякую: 582
сказали Дякую 65 раз(и) в 56 повідомленні
|
Re: Тема для "Чуваков с паяльниками в одном месте" (с) Hippo ===www.aquaforum.ua===
sae74, заказали и молчали...
|
|
|
15.10.2011, 17:11
|
#36
|
|
Бан за нарушения
Реєстрація: 04.01.2009
Звідки Ви: Полтава
Дописи: 5.494
сказав Дякую: 6.242
сказали Дякую 5.758 раз(и) в 2.264 повідомленні
|
Re: Тема для "Чуваков с паяльниками в одном месте" (с) Hippo ===www.aquaforum.ua===
kusfu, так а че говорить то?
Не че еще не сделано.
__________________ 
|
|
|
15.10.2011, 17:53
|
#37
|
|
Модератор Винницкого клуба аквариумистов
Реєстрація: 22.05.2009
Звідки Ви: Варшава-Вишенка
Дописи: 12.801
сказав Дякую: 2.464
сказали Дякую 5.200 раз(и) в 3.381 повідомленні
|
Re: Тема для "Чуваков с паяльниками в одном месте" (с) Hippo ===www.aquaforum.ua===
kusfu, Дурное дело не хитрое (заказать  ), как склеим покажем 
__________________
Танцуют звезды и луна © Как там начало?
guns don't kill people, people kill people
[URL="http://www.aquaforum.ua/showthread.php?p=3238854#post3238854"][B][I][SIZE="4"][COLOR="Red"][FONT="Courier New"]Светодиоды Cree XT-E, термокомпаунд, драйвера Mean Well[/FONT][/COLOR][/SIZE][/I][/B][/URL]
__________________  
|
|
|
|
cказали "Дякую" pimass за цей допис:
|
|
15.10.2011, 19:08
|
#38
|
|
Живу я тут
Реєстрація: 12.09.2011
Звідки Ви: Винница
Дописи: 230
сказав Дякую: 68
сказали Дякую 146 раз(и) в 64 повідомленні
|
Re: Тема для "Чуваков с паяльниками в одном месте" (с) Hippo ===www.aquaforum.ua===
__________________
Если хочешь, чтобы было сделано хорошо - делай сам.
|
|
|
|
Ці 7 користувач(ів) сказали Дякую spav777 за це повідомлення:
|
|
15.10.2011, 19:34
|
#39
|
|
Живу я тут
Реєстрація: 12.09.2011
Звідки Ви: Винница
Дописи: 230
сказав Дякую: 68
сказали Дякую 146 раз(и) в 64 повідомленні
|
Re: Тема для "Чуваков с паяльниками в одном месте" (с) Hippo ===www.aquaforum.ua===
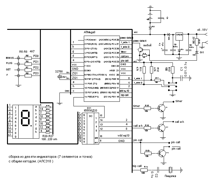
kusfu, а я в свое время спаял по такой схемке от сюда
преймущество - хорошая индикация (функции заточены больше как часы)
недостатки - всего два канала таймер и термостат; спешат часы (возможно кварц попался такой, но я не заморачивался), но на управление простым аквасом пойдет.
__________________
Если хочешь, чтобы было сделано хорошо - делай сам.
|
|
|
|
cказали "Дякую" spav777 за цей допис:
|
|
15.10.2011, 22:17
|
#40
|
|
Живу я тут
Реєстрація: 12.09.2011
Звідки Ви: Винница
Дописи: 230
сказав Дякую: 68
сказали Дякую 146 раз(и) в 64 повідомленні
|
Re: Тема для "Чуваков с паяльниками в одном месте" (с) Hippo ===www.aquaforum.ua===
pimass, Дима если разработка универсального контроллера, "переплюновшего Юсуповский" увенчается успехом, попробуем замутить для него более дешевую платформу, чем Ардуин. Тогда можно будет подумать и о конкуренции.
__________________
Если хочешь, чтобы было сделано хорошо - делай сам.
|
|
|
15.10.2011, 22:21
|
#41
|
|
Модератор Винницкого клуба аквариумистов
Реєстрація: 22.05.2009
Звідки Ви: Варшава-Вишенка
Дописи: 12.801
сказав Дякую: 2.464
сказали Дякую 5.200 раз(и) в 3.381 повідомленні
|
Re: Тема для "Чуваков с паяльниками в одном месте" (с) Hippo ===www.aquaforum.ua===
spav777, Ну вообще я не рассматриваю это как коммерческий проект, как говаривает Игорь "Пытливый ум рукам покоя не дает"  Что касательно Ардуины, меня подкупил тот момент, что не надо ни каких плат травить не нужно практически ни чего паять, такой себе конструктор, для среднего и старшего школьного возраста.. Помнишь, были в детстве такие наборы?  Ну и ещё не маловажный факт который делает +1 Ардуино, в сети куча писаного под аквариумы софта.....
З.Ы. Предлагалась данная платформа в топике про форумный контроллер, но великие электрогуру сказали "мол а кто софт писать будет бла-бла-бла" и заморочились они с приблудой с пальцетыком, не ну че модно... Только вот за год существования проекта создана одна силовая плата (вроде как даже в единичном экземпляре)...
__________________
Танцуют звезды и луна © Как там начало?
guns don't kill people, people kill people
[URL="http://www.aquaforum.ua/showthread.php?p=3238854#post3238854"][B][I][SIZE="4"][COLOR="Red"][FONT="Courier New"]Светодиоды Cree XT-E, термокомпаунд, драйвера Mean Well[/FONT][/COLOR][/SIZE][/I][/B][/URL]
__________________  
|
|
|
15.10.2011, 23:05
|
#42
|
|
Живу я тут
Реєстрація: 05.02.2010
Звідки Ви: Винница
Дописи: 356
сказав Дякую: 716
сказали Дякую 150 раз(и) в 113 повідомленні
|
Re: Тема для "Чуваков с паяльниками в одном месте" (с) Hippo ===www.aquaforum.ua===
Цитата:
Допис від spav777
Протеус чтото уже показывает?
|
Часы стартуют, диоды включаются и выключаются в нужное время и в протеусе и на макетке. Застрял немного на управлении кнопками. Появится время - возьмусь за продолжение...
Цитата:
|
Какие функциональные возможности планируется возложить на девайс?
|
Пока просто хочу трехканальный таймер.
Цитата:
|
в схеме порт С задействован на индикацию, а ведь он совмещен с мультиплексором внутреннего АЦП, к которому необходимо подключить выход усилка pH электрода?
|
Это я вкурсе, но для мне пока рано думать об pH электроде. Хотя сразу не сделаешь - так и останется 
|
|
|
15.10.2011, 23:37
|
#43
|
|
Живу я тут
Реєстрація: 12.09.2011
Звідки Ви: Винница
Дописи: 230
сказав Дякую: 68
сказали Дякую 146 раз(и) в 64 повідомленні
|
Re: Тема для "Чуваков с паяльниками в одном месте" (с) Hippo ===www.aquaforum.ua===
-=Den=-, подключить индикатор можно используя всего 6 проводов, используя внешние дешифратор и регистр сдвига, зато освободятся порты для дальнейших апгредов.
Еще одна экономия может быть в использовании для клавиатуры всего одного вывода МК в виде резистивного делителя напряжения, очень популярный ход у буржуинов (также дает упрощение програмного кода, так как не нужно динамическое сканирование, но задействуется АЦП).
__________________
Если хочешь, чтобы было сделано хорошо - делай сам.
|
|
|
|
cказали "Дякую" spav777 за цей допис:
|
|
15.10.2011, 23:49
|
#44
|
|
Живу я тут
Реєстрація: 12.09.2011
Звідки Ви: Винница
Дописи: 230
сказав Дякую: 68
сказали Дякую 146 раз(и) в 64 повідомленні
|
Re: Тема для "Чуваков с паяльниками в одном месте" (с) Hippo ===www.aquaforum.ua===
Цитата:
Допис від pimass
и заморочились они с приблудой с пальцетыком
|
это та Ардуновская платформ, что под Андроид? Я, чесно говоря, топик только мельком видел.
Цитата:
Допис від pimass
Только вот за год существования проекта создана одна силовая плата (вроде как даже в единичном экземпляре)...
|
Ну это из серии:
- А за неделю смогешь?
- Нееееа, тут уже помошник понадобится!
__________________
Если хочешь, чтобы было сделано хорошо - делай сам.
|
|
|
15.10.2011, 23:57
|
#45
|
|
Модератор Винницкого клуба аквариумистов
Реєстрація: 22.05.2009
Звідки Ви: Варшава-Вишенка
Дописи: 12.801
сказав Дякую: 2.464
сказали Дякую 5.200 раз(и) в 3.381 повідомленні
|
Re: Тема для "Чуваков с паяльниками в одном месте" (с) Hippo ===www.aquaforum.ua===
Цитата:
Допис від spav777
это та Ардуновская платформ, что под Андроид?
|
Нет там планшет под Виндой..... Тыц
__________________
Танцуют звезды и луна © Как там начало?
guns don't kill people, people kill people
[URL="http://www.aquaforum.ua/showthread.php?p=3238854#post3238854"][B][I][SIZE="4"][COLOR="Red"][FONT="Courier New"]Светодиоды Cree XT-E, термокомпаунд, драйвера Mean Well[/FONT][/COLOR][/SIZE][/I][/B][/URL]
__________________  
|
|
|
 |
|
|
Тут присутні: 1 (учасників - 0 , гостей - 1)
|
|
|
| Параметри теми |
|
|
| Параметри перегляду |
Лінійний вигляд
|
Ваші права у розділі
|
Ви не можете створювати теми
Ви не можете писати дописи
Ви не можете долучати файли
Ви не можете редагувати дописи
HTML код Вимк.
|
|
|
Часовий пояс GMT +3. Поточний час: 19:48.
|