 |
|
26.06.2014, 17:32
|
|
|
Термостат
Придивляюся
Реєстрація: 24.11.2010
Звідки Ви: Чернигов
Дописи: 68
сказав Дякую: 48
сказали Дякую 13 раз(и) в 13 повідомленні

26.06.2014, 17:32
Рейтинг:
()
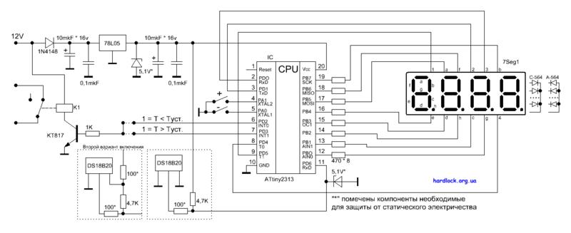
Доброе время суток всем.
Извините за создание отдельной темы - но нуждаюсь в совете...
Перекурил очень много статей и схем по термостату для аквы, в итоге все нуждается в жестком допиливании.
Требуется термометр-термостат с индикацией до десяток, с функцией управления кулером (охлаждением), программируемым гистерезисом.
Тыкните носом - буду очень благодарен
|
|
Переглядів: 12211
|
16.10.2014, 00:29
|
#16
|
|
Живу я тут. Мохоманьяк
Реєстрація: 07.01.2010
Звідки Ви: Сумы
Дописи: 1.377
сказав Дякую: 685
сказали Дякую 822 раз(и) в 393 повідомленні
|
Re: Термостат ===www.aquaforum.ua===
Цитата:
Допис від dotsento
Zen, спасибо,но почему-то не открывается схемка.
|
все работает. на первой странице там и схемка и прошивка. вот схемку скачал)
__________________  
|
|
|
|
Ці 2 користувач(ів) сказали Дякую Zen за це повідомлення:
|
|
16.10.2014, 00:32
|
#17
|
|
Живу я тут
Реєстрація: 17.09.2004
Звідки Ви: Киев, Троещина
Дописи: 14.486
сказав Дякую: 4.642
сказали Дякую 8.508 раз(и) в 4.382 повідомленні
|
Re: Термостат ===www.aquaforum.ua===
да.... только 2313 уже несколько лет как сняты с производства))
и фиг их найдешь
__________________
Страна не ублюдков и не воров.
__________________  
|
|
|
16.10.2014, 10:16
|
#18
|
|
Живу я тут
Реєстрація: 05.09.2009
Звідки Ви: Харьков
Дописи: 4.259
сказав Дякую: 2.882
сказали Дякую 15.330 раз(и) в 2.908 повідомленні
|
Re: Термостат ===www.aquaforum.ua===
Для реального представления заглянул по поводу ATtiny2313, для интереса, на http://www.kosmodrom.com.ua (Харьковск склад-магазина).
..Там этих контр.неск разновидностей столько,что хватит на неск лет.Стоимость,в зависимости от модификации от 20 грн. и выше.Бери не хочу.Звиняйте,милости просим в маг.Они как-то и отправляли по почте в иные города.
...Zen!C какой буквой вы контр ставили?
Востаннє редагував dotsento: 16.10.2014 о 10:31..
|
|
|
|
cказали "Дякую" dotsento за цей допис:
|
|
16.10.2014, 10:20
|
#19
|
|
Живу я тут
Реєстрація: 17.09.2004
Звідки Ви: Киев, Троещина
Дописи: 14.486
сказав Дякую: 4.642
сказали Дякую 8.508 раз(и) в 4.382 повідомленні
|
Re: Термостат ===www.aquaforum.ua===
На нашем радиорынке я не встречал.
Может давно спрашивал.
__________________
Страна не ублюдков и не воров.
__________________  
|
|
|
|
cказали "Дякую" Sem за цей допис:
|
|
16.10.2014, 10:26
|
#20
|
|
Живу я тут
Реєстрація: 05.09.2009
Звідки Ви: Харьков
Дописи: 4.259
сказав Дякую: 2.882
сказали Дякую 15.330 раз(и) в 2.908 повідомленні
|
Re: Термостат ===www.aquaforum.ua===
Sem, "Космодром"пока не брехал.По крайней мере, я не сталкивался.Если к ним приходишь на радиорынке или в филиал,то по компу сразу смотрят и сразу же отоварят.Фирма поднялась еще когда Спектрумы(Sinclair) делали.А это 88-92гг.Когда смотришь их товар,глаза разбегаются.Ой много чего ..
|
|
|
16.10.2014, 10:29
|
#21
|
|
Живу я тут
Реєстрація: 17.09.2004
Звідки Ви: Киев, Троещина
Дописи: 14.486
сказав Дякую: 4.642
сказали Дякую 8.508 раз(и) в 4.382 повідомленні
|
Re: Термостат ===www.aquaforum.ua===
dotsento, Оффтоп
не вопрос. Синклеры\спектрумы \пентагоны я и сам десятками шлепал ))
И Львовский вариант и Питерский ))
__________________
Страна не ублюдков и не воров.
__________________  
Востаннє редагував Sem: 16.10.2014 о 10:41..
|
|
|
16.10.2014, 10:31
|
#22
|
|
Живу я тут
Реєстрація: 05.09.2009
Звідки Ви: Харьков
Дописи: 4.259
сказав Дякую: 2.882
сказали Дякую 15.330 раз(и) в 2.908 повідомленні
|
Re: Термостат ===www.aquaforum.ua===
Так я же о фирме...
|
|
|
16.10.2014, 10:41
|
#23
|
|
Живу я тут
Реєстрація: 17.09.2004
Звідки Ви: Киев, Троещина
Дописи: 14.486
сказав Дякую: 4.642
сказали Дякую 8.508 раз(и) в 4.382 повідомленні
|
Re: Термостат ===www.aquaforum.ua===
dotsento, Оффтоп
наш радиорынок так и называется Космодром. Потому как в изначально народ собирался на площади Космонавтов
__________________
Страна не ублюдков и не воров.
__________________  
|
|
|
16.10.2014, 10:52
|
#24
|
|
Живу я тут
Реєстрація: 05.09.2009
Звідки Ви: Харьков
Дописи: 4.259
сказав Дякую: 2.882
сказали Дякую 15.330 раз(и) в 2.908 повідомленні
|
Re: Термостат ===www.aquaforum.ua===
Возможно и так .Но Kyiv не Kharkov.Тут другая история радиорынка и основателей "Космодрома.Выхожу....
|
|
|
16.10.2014, 19:59
|
#25
|
|
Живу я тут. Мохоманьяк
Реєстрація: 07.01.2010
Звідки Ви: Сумы
Дописи: 1.377
сказав Дякую: 685
сказали Дякую 822 раз(и) в 393 повідомленні
|
Re: Термостат ===www.aquaforum.ua===
Цитата:
Допис від Sem
да.... только 2313 уже несколько лет как сняты с производства))
и фиг их найдешь
|
та их в любом радиомагазине навалом  ))
__________________  
|
|
|
|
cказали "Дякую" Zen за цей допис:
|
|
16.10.2014, 20:06
|
#26
|
|
Живу я тут. Мохоманьяк
Реєстрація: 07.01.2010
Звідки Ви: Сумы
Дописи: 1.377
сказав Дякую: 685
сказали Дякую 822 раз(и) в 393 повідомленні
|
Re: Термостат ===www.aquaforum.ua===
Цитата:
Допис від dotsento
Для реального представления заглянул по поводу ATtiny2313, для интереса, на http://www.kosmodrom.com.ua (Харьковск склад-магазина).
...Zen!C какой буквой вы контр ставили?
|
вот такой ATtiny2313A-SU
__________________  
|
|
|
|
cказали "Дякую" Zen за цей допис:
|
|
17.10.2014, 18:55
|
#27
|
|
Живу я тут
Реєстрація: 03.11.2010
Звідки Ви: Мариуполь
Дописи: 368
сказав Дякую: 10
сказали Дякую 140 раз(и) в 88 повідомленні
|
Re: Термостат ===www.aquaforum.ua===
|
|
|
18.10.2014, 00:50
|
#28
|
|
Живу я тут
Реєстрація: 17.09.2004
Звідки Ви: Киев, Троещина
Дописи: 14.486
сказав Дякую: 4.642
сказали Дякую 8.508 раз(и) в 4.382 повідомленні
|
Re: Термостат ===www.aquaforum.ua===
pdv1965, запустился?
__________________
Страна не ублюдков и не воров.
__________________  
|
|
|
|
cказали "Дякую" Sem за цей допис:
|
|
18.10.2014, 09:38
|
#29
|
|
Живу я тут
Реєстрація: 03.11.2010
Звідки Ви: Мариуполь
Дописи: 368
сказав Дякую: 10
сказали Дякую 140 раз(и) в 88 повідомленні
|
Re: Термостат ===www.aquaforum.ua===
Руки не дошли до сборки да и дисплей редкий.
|
|
|
18.10.2014, 11:53
|
#30
|
|
Живу я тут
Реєстрація: 05.09.2009
Звідки Ви: Харьков
Дописи: 4.259
сказав Дякую: 2.882
сказали Дякую 15.330 раз(и) в 2.908 повідомленні
|
Re: Термостат ===www.aquaforum.ua===
pdv1965, Это конечно ТОП модель.Но ни коим образом не критикуя данный девайс,возникают вопросы.Просто вопросы.Конечно понятно,что для аквариума не реально,но и ненужно поддерживать такую точность,как 0,1 *С.Шикарный дисплей...и Вообще... 
...И тут мой взгляд падает на два моих терморегулятора Москальского производства 1978 года.Они у меня работают 35 лет и ни одного сбоя.Основой их является сильфонная камера(мембр.)с расширяющимся наполнителем приводящая в действие микропереключатель.Точность на практике +/-1*С.Мощность до 100вт.  .Никакой электроники!
...Остается добавить,что стоимость этого регулятора была около 5(!!!)рублей.По надежности- почти как советский Холодильник из 5 комлектующих и работавших 35-40 лет.
...Не подумайте,что я против современных контроллеров!Я двумя руками за!
Но все же...Зачем зайцу стоп сигнал? 
Для не видевших такого ус-ва с простым дисплеем приложу фото.
|
|
|
|
cказали "Дякую" dotsento за цей допис:
|
|
 |
|
|
Тут присутні: 1 (учасників - 0 , гостей - 1)
|
|
|
| Параметри теми |
|
|
| Параметри перегляду |
Лінійний вигляд
|
Ваші права у розділі
|
Ви не можете створювати теми
Ви не можете писати дописи
Ви не можете долучати файли
Ви не можете редагувати дописи
HTML код Вимк.
|
|
|
Часовий пояс GMT +3. Поточний час: 03:43.
|