По мотивам одноименного семинара в Одессе на фестивале "Микроаквариум 2013"
В данной статье мы рассмотрим некоторые технологические моменты, которые помогут аквариумистам, особенно начинающим, своими руками делать декор в аквариум, создавать композиции из растений и делать либо совершенствовать готовое аквариумное оборудование.
Оборудование
1. Портативный внешний фильтр-комбайн (первоисточники здесь
http://www.aquaforum.ua/showthread.php?t=153849 http://www.aquaforum.ua/showthread.php?t=155438 )
Фильтр состоит из заборной трубки с префильтром, внешней прямоточной помпы, колбы магистрального фильтра и набора картриджей, сливной трубки с флейтой. В качестве фильтрующего элемента могут быть использованы как картриджи пористостью 5-50 мкм, так и угольные картриджи. При необходимости, в девайс вместо (или вместе с) колбой, может быть врезан УФ стерилизатор

Девайс в режиме работы внешнего фильтра

При подключении вместо заборной трубки сифона, получаем аквариумный пылесос.
2. Обратное фальшдно
Я не знаю, кто конкретно является автором данного решения- его история теряется где-то в глубине украинского форума аквариумистов, но данное фото любезно предоставлено российским аквариумистом Д. Метальниковым (aka Metal). Где он его взял- я не знаю)) Но на основе его он делал свой обратный донник
Привычное, «прямое» фальшдно достаточно хорошо известно. Кроме того, оно далеко не всегда применимо. Поэтому, я на нем останавливаться не буду. В данном случае, мы имеем очень изящное решение фальшдна «обратного».
Выхлоп воды из внутреннего фильтра уходит под грунт. В магистрали выполнена флейта- это дает возможность уменьшить поток воды через грунт, не уменьшая общей прокачки помпы. Вода, проходя через грунт, обеспечивает идеальное снабжение кислородом нитрифицирующих бактерий, не дает грунту закисать. Взвесь, выдуваемая водой из грунта, тут же улавливается губкой, установленной на помпе.
3. Внутренний фильтр- реактор СО2 (Первоисточник здесь
http://www.aquaforum.ua/showthread.php?t=104658 )
В небольших аквариумах-травниках, не оборудованных внешними фильтрами, куда можно врезать внешний активный реактор или атомайзер, вопрос растворения газа без существенного ухудшения внешнего вида аквариума из-за наличия внутреннего активного реактора довольно актуален. Данный девайс способен решить проблему растворения СО2, оставаясь, при этом, достаточно компактным, чтобы иметь возможность «спрятаться».
На вход помпы устанавливаются губки разной пористости- от крупной до мелкой, после чего они устанавливаются в стакан так, стобы был обеспечен зазор между нижней губкой и дном. Габки насквозь прокалываются жесткой трубкой, на конце которой желательно установить рябиновую ветку. Пузырьки СО2 от ветки поднимаются вверх, постоянно растворяясь, при этом, в потоке набегающей воды. Балластные газы и не растворенный СО2, при достижении ими под губками некоего «критического» объема, просто выходят на поверхность сквозь губки.

Вид фильтра-реактор в сборе.
4.Подводная подсветка
Подводная подсветка- это всегда красиво! Главная сложность- гидроизоляция проводов светодиодов, которые, как правило, для этого используются. Я это делаю так.
Устанавливаем светодиоды в крышечки от ПЭТ бутылок, предварительно выполнив в них отверстия необходимого диаметра.

Герметизируем провода с помощью термопистолета, эпоксидки, силикона. Для дальнейшей установки подсветки в аквариум, сразу вклеиваем присоски.
5. Штуцера в крышках от ПЭТ бутылок
Часто бывает необходимо выполнить штуцера в крышках от ПЭТ бутылок
Подогреваем заклепку от строительного пистолета над огнем и прожигаем в крышке отверстие нужного диаметра

Быстро опускаем заклепку в емкость с водой. В результате получаем аккуратное отверстие в крышке

Подрезаем шланг от капельницы ножницами на клин для простой установки в отверстие

Затягиваем шланг в отверстие плоскогубцами от наружной к внутренней стороне крышки

Обмазываем место входа шланга в крышку суперклеем с внеутренней стороны

Устанавливаем в шланг до упора трубку нужного диаметра, предварительно промазав ее суперклеем, и протягиваем шланг вместе с трубкой через отверстие в крышке

Подрезаем шланг вместе с трубкой в нужную длину.

Установив крышку на горизонтальную поверхность, заливаем полость внутри пояска эпоксидкой. Поверхность, перед этим, желательно загрунтовать суперклеем и дать ему подсохнуть так, чтоб он немного прилипал к пальцам. Эпоксидка, в этом случае, будет надежнее удерживаться на п/э или п/п поверхности крышки.
6. Аквариумный противогаз
Проблема очистки воздуха, подаваемого в аквариум, часто возникает при длительном нахождении аквариума в зоне строительных работ. Сам аквариум, при этом, желательно «запечатать», а воздух можно подавать из компрессора через данное приспособление.
Девайс представляет из себя некую разъемную емкость (у меня два 20-и кубовых шприца, вставленных один в другой) в которые засыпан активированный уголь.

После сборки приспособление врезается в магистраль компрессора
7. Силиконовый шов
Часто бывает необходимо выполнить ровный аккуратный шов из силиконового герметика.
На мой взгляд, из всех способов, которые мне встречались, этот- самый удобный. Покажу на примере кухонной раковины
Отклеив поверхности рядом с наносимым швом малярной лентой, выполняем шов.

Смешав 1 часть любого жидкого моющего средства с 4-5 частями воды, смачиваем расшивку, которой придадим поверхности шва нужный профиль. Я делаю расшивку из пластиковой карточки.

Периодически смачивая расшивку в мыльной воде, оформляем поверхность силиконового шва.
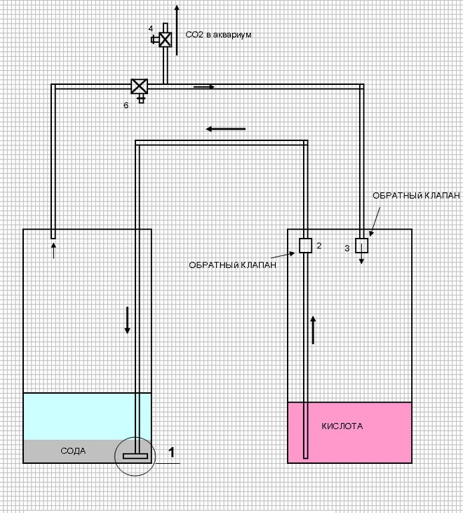
8.Генератор СО2 Юрия- TPV (первоисточник здесь
http://www.aquaforum.ua/showthread.php?t=83441 )
Получение углекислого газа для подачи в аквариум без использования дорогостоящего баллонного оборудования с высокой стабильностью является вопросом, который волнует многих аквариумистов.

Клапанная схема позволяет получать стабильную подачу углекислого газа в диапазоне от 2-3 до 300 пузырьков в минуту

Бесклапанная схема позволяет получать стабильную подачу газа в диапазоне 15-150 пузырьков в минуту. Однако она намного проще, технологичнее, чем бесклапанная и не зависит от качества покупных комплектующих- обратных клапанов.
Декор
1. Кладка под бутовый камень
Очень эффектно в аквариуме смотрится декор, имитирующий бутовую кладку. В такой технике можно делать домики, ограждения и т.д. В данном случае, я покажу как с помощью такой техники выполнен «очаг».
Заранее подобрав и хорошенько отмыв от пыли щебень , кладем нужную конструкцию, склеивая камни между собой термопистолетом.

К сожалению, термоклей в воде легко отстает от поверхности. Поэтому после сборки с помощью эпоксидки и одноразового шприца, проклеиваем еще раз все стыки.

Для придание бОльшей декоративности и сходства с реальной бутовой кладкой, после отвердевания эпоксидки аккуратно затираем швы затиркой для кафельной плитки нужного цвета.
2. Горки
В аквариуме часто необходимо сделать разнообразные горки, скалы и т.д., имеющие внешний вид аналогичный основному аквриумному грунту. В этом случае, нам на помощь приходит собственно грунт и эпоксидный клей.
Подготавливаем шаблон из пенопласта, эпоксидный клей и грунт, который будет в аквариуме

Смешав эпокидку с грунтом, обмазываем наш шаблон. Если есть необходимость в отверстиях- вставляем деревянные палочки, щедро смазанные растительным маслом- они потом легко вынутся. После отверждения эпоксидки, удаляем пенопласт.
Одно из преимуществ такого декора- высокая пористость. А это- дополнительный плюс в будущем с т.з. азотного цикла. Особенно, если декор установлен в районе выхлопа из фильтра.
3.Декор из соломы и бамбука
Очень эффектно смотрится натуральный декор из просяной соломы (обычный веник) и бамбука. Из них можно делать разные шалашики, заборы, крыши и т.д.
-декор из соломенного мата
Нарезанную солому с обычного веника раскладываем слоем нужной толщины и прострачиваем на швейной машинке. Каждый шов повторяем трижды.

Придаем соломенному мату нужную форму и фиксируем
Из бамбуковых палочек можно делать очень интересные заборчики. Для этого, на лист бумаги на несколько капель клея приклеивается две параллельные палочка. Затем на суперклей прклеиваются поперечные. После этого, бумага аккуратно удаляется и палочки перевязываются 2-3 раза толстой ниткой

Декор типа "сруб" Бамбуковые трубки подрезаются в нужный размер, затем аккуратно засверливаются и нанизываются на палочки, соответствующие диаметру отверстий.

После сборки бамбуковый и соломенный декор варятся до того момента, пока они не утонут, аналогично обычным коряжкам
Примеры простейшего декора
Простейший декор, сделанный для аквариума в детском кафе (Мариуполь, аквариум Serpentarius) из камня, медной проволоки в изоляции, штукатурной сетки, шпажек для канапэ и эпоксидного клея.
