 |
|
14.03.2009, 01:01
|
|
|
Изготовление акваконтроллера
Бан за нарушения
Реєстрація: 06.11.2007
Звідки Ви: Донецк, зона АТО
Дописи: 19.780
сказав Дякую: 5.789
сказали Дякую 17.707 раз(и) в 6.926 повідомленні

14.03.2009, 01:01
Рейтинг:
(28 голосов - 4,64 средняя оценка)
Данная тема является прямым продолжением темы Разработка акваконтроллера, созданной AlexThunder, за что ему огромное спасибо 
На данный момент разработка в целом закончена и благодарен всем, кто принимал участие в обсуждении и реализации проекта
С помощью Chack'а были заказаны и изготовлены печатные платы
 
И сейчас начнется наверно самый интересный этап - сборка и настройка
Схема, плата, прошивка находятся в архиве во вложении.
ИСХОДНИКОВ ПРОГРАММЫ НЕТ !!! ПРОШИВКУ ИЗМЕНИТЬ НЕЛЬЗЯ !!!
Необходимое программное обеспечение:
Схема - sPlan 6.0 (для версии 3 - 7.0)
Плата - Slayout 5.0 / 6.0
Внимание !!! В процессе сборки и наладки в схему могут быть внесены изменения ! Следите за обновлением архива !!!
...........
New_controller-2V1 - плата с косметическими правками и обозначением элементов.
Контроллер-V.3 - улучшенный вариант (симисторы в одну линию, питание +12V, два диммера, USB на борту, 4 усилителя, отдельный разъем для клавиатуры).
Version 3.1 SMD - версия 3 для СМД элементов.
Плата1V5smd - многоплатная версия от "Пупс" (контроллер + силовая часть + клавиатура + усилители + кулер для силовой части).
Контроллер V3 DIP - все нужное для сборки версии 3.0 DIP.
Firmware.rar - прошивки от Володя_Череп для нормальной работы с USB на ATTiny2313.
Прошивки.rar - архив прошивок:
ATmega_32 - стандартная прошивка
Atmega_32_EE - прошивка EEPROM
ATmega_32_9600 - скорость UART 9600
ATmega_32_PWM_244Hz - использование ШИМ для управления драйверами. Вход PWM LDD подключается непосредственно к выводу 13 или 14 ATmega.
Программирование fuse-битов:
При прошивке микроконтроллеров необходимо запрограммировать (записать 0) следующие fuse-биты:
- для ATmega32 - BOOTSZ0, BOOTSZ1, SPIEN
- для ATtiny2313 - CKSEL0, SUT0, BODLEVEL1, WDTON, SPIEN
- для ATtiny13 - SPIEN, CKDIV8, SUT0, CKSEL0 (данная микросхема используется для схемы регулировки венилятора)
Все остальные fuse-биты должны быть незапрограммированы (равны 1).
Uniprof:
Fuse-бит будет запрограммирован, если убрать галочку в соответствующем поле.
Fuse-бит будет незапрограммирован, если поставить галочку в соответствующем поле.
CodeVisionAVR:
Fuse-бит будет запрограммирован, если поставить галочку в соответствующем поле.
Fuse-бит будет незапрограммирован, если убрать галочку в соответствующем поле.
AVRDUDE:
ATmega: -U lfuse:w:0xff:m -U hfuse:w:0xd9:m
ATtiny2313: -U lfuse:w:0xee:m -U hfuse:w:0xcb:m -U efuse:w:0xff:m
ATtiny13: -U lfuse:w:0x6a:m -U hfuse:w:0xff:m
Мініатюри долучень
Долучені файли
 |
Контроллер.rar (423,9 КБ, 20080 переглядів) |
 |
AquaControl.rar (3,48 МБ, 19637 переглядів) |
 |
New_controller-2V1.rar (59,8 КБ, 16311 переглядів) |
 |
PL2303-USB.rar (2,03 МБ, 14120 переглядів) |
 |
Новый контроллер-3.rar (43,5 КБ, 15147 переглядів) |
 |
Плата для WH2004A.rar (278,0 КБ, 14428 переглядів) |
 |
USB.rar (219,9 КБ, 13997 переглядів) |
 |
Контроллер-V.3.zip (86,5 КБ, 15906 переглядів) |
 |
Version 3.1 SMD.zip (158,5 КБ, 15849 переглядів) |
 |
Полезная информация.pdf (306,9 КБ, 21924 переглядів) |
 |
Плата1v5smd.rar (165,9 КБ, 13997 переглядів) |
 |
Контроллер V3 DIP.zip (151,0 КБ, 16342 переглядів) |
 |
Firmware.rar (21,6 КБ, 13245 переглядів) |
 |
Aqua Control 2007 HELP.rar (172,4 КБ, 13482 переглядів) |
 |
THelper.rar (57,3 КБ, 12919 переглядів) |
 |
Прошивки.rar (68,0 КБ, 11999 переглядів) |
__________________
[I][B][COLOR=blue]С уважением, Сергей Таранченко[/COLOR][/B][/I]
Востаннє редагував Starcomputer: 19.04.2016 о 12:18..
Причина: Добавлен архив прошивок
|
|
Переглядів: 2345533
|
|
Ці 134 користувач(ів) сказали Дякую Starcomputer за це повідомлення:
|
+Максимус+ (31.08.2012), agorin (18.04.2009), aides (14.08.2013), AkaPain (07.02.2014), Aleksta (15.01.2012), ALEX77 (14.08.2009), AlexThunder (17.02.2010), alexv3 (10.04.2011), Alex_Ts (14.03.2009), Allcoholl (13.12.2009), ANTONENKO (02.04.2012), Antoxa106 (28.04.2013), AquaGomel (14.10.2010), arconas (05.02.2012), arik17 (12.10.2014), Ashatshem (09.02.2011), atom (17.05.2009), Baks (14.03.2009), BearIgor (23.03.2012), BELOUS (06.12.2011), biolog (21.11.2009), BlackAlex (14.03.2009), bmw (29.05.2009), bodom (25.05.2011), bonus78 (15.11.2009), Bosyak (19.01.2011), BpyH (29.01.2010), chack (14.03.2009), Cristal (15.06.2012), DEaD_MOPO3 (28.09.2011), Dimitr (12.02.2010), Dimker (15.06.2012), DiSan (25.12.2013), dolfik (05.01.2011), drv (31.08.2016), dubishe (21.12.2012), Dyshakz (14.02.2017), ersergey (14.04.2012), fylhttd (17.03.2009), gagari1 (13.02.2012), germanovitsh (01.11.2012), GrishaBGA (23.03.2009), Gutsik (17.07.2013), harn (04.07.2011), Heet (05.12.2009), iceSS (19.03.2009), igoritto (24.10.2010), IgorVin (10.02.2010), imac2008 (27.11.2010), iTango (08.08.2011), ivanaxion (31.08.2012), Kent (21.10.2010), kirilo777 (09.03.2012), klimnet (20.08.2012), klinok (05.09.2010), kluyt (17.08.2009), kollega-lg (21.04.2016), Koralove (24.10.2013), KostyaD (04.06.2009), kramar (14.03.2009), kusfu (28.09.2011), kvn79 (14.03.2009), Lexzx (24.03.2010), liss15 (14.10.2009), litlechina (05.05.2022), live steel (26.06.2012), lumen_xp (27.03.2012), LVit (27.11.2009), mact (14.05.2014), Makclaj (27.02.2011), masterross (11.12.2011), Mehannik (12.03.2015), MIhail (17.07.2011), myrko (15.04.2012), nbinc (12.05.2014), Nickname (25.06.2009), Nikolos667 (14.08.2011), Olzhich (18.03.2009), Oppozith (17.12.2012), Pastuh1234 (29.07.2012), pimass (15.03.2012), pulpit (21.11.2009), regiuscz (11.03.2011), rusianGrt (15.02.2010), rustr (20.09.2011), Ryzhii (10.04.2013), S V (10.01.2010), sae74 (15.02.2010), sergey_ln (28.02.2012), serjik2000 (03.07.2009), Sesh (31.05.2009), seva (19.01.2011), Shurhent (02.07.2011), Smile8 (28.09.2010), sobolev (21.09.2011), solvi (14.03.2009), sonokam (08.12.2011), sv46 (12.07.2011), Swen (15.06.2009), TakedaMaru (20.05.2013), telepuzic (22.02.2012), Tihon (04.01.2013), timofey (11.11.2009), Tiratore.d (08.11.2019), tolik_erema (04.03.2011), Ty3uK (22.03.2009), Umnik (13.01.2012), Uselink (10.02.2010), vad1972 (05.05.2010), Viktorrr (22.12.2012), vill (29.09.2010), Vitaha (26.11.2009), VitalyD (03.10.2010), VKabanov (29.04.2009), VladHNet (07.08.2009), VladVP (15.01.2012), _Vadim (11.02.2010), Амфибия (15.05.2009), Вася (14.07.2009), Володя Череп (14.03.2009), дух святой истины (16.03.2009), Ёжик в Тумане (28.02.2011), Зелёный (19.01.2012), Кениец (30.11.2009), Мираж (25.02.2012), Михаил. (14.07.2011), Молекула (04.04.2009), МСВ (19.02.2012), Пупс (20.07.2011), Рудницкий Олександр (18.01.2012), Снегозавр (20.02.2013), Шаманчик (27.10.2009), ЭКСПЕРИМЕНТАТОР (04.04.2009), Юрий Н. (17.08.2010) |
15.11.2009, 02:14
|
#1696
|
|
Активний участник форуму
Реєстрація: 29.05.2009
Звідки Ви: Тернопіль
Дописи: 143
сказав Дякую: 33
сказали Дякую 90 раз(и) в 51 повідомленні
|
Re: Изготовление акваконтроллера ===www.aquaforum.ua===
Цитата:
Допис від BlackAlex
Ты не представляеш какой это гембель найти дата-кабель для старой мобилы... Купил два, по 10 грн, один таки с 2303, второй залит наглухо - буду вскрывать... Искать приходится чуть ли не на помойке - нет больше таких кабелей.
|
Ну якщо один на PL2303, то на вході не ДБ9, а юсб-коннектор(папка)... А другий, той що залитий, дуже легко вскривається кусачками, просто треба відкусувати резину, і за 3-4хв перед вами відкриються кишки кабеля, як правило там мах232(3232), або нім232(3232), інколи може бути ad232(3232), це в принципі все одне і те ж, тільки напруги живлення у мах3232 і його аналогів не 5В а 3,3В 
Таких кабелів є ще досить багато у фірмах, що торгують обладнанням для ремонту моб. тел. - завалялись, треба питати...
В мене є ціла куча непотрібних кабелів, але що там всередині, можу тільки здогадуватись. Поки знайшов собі потрібний, покусав 4 кабеля  Найпростіше зробити на 2-х КТ315 
Востаннє редагував bmw: 15.11.2009 о 02:23..
|
|
|
15.11.2009, 09:10
|
#1697
|
|
Придивляюся
Реєстрація: 11.10.2009
Звідки Ви: Украина,Киев
Дописи: 33
сказав Дякую: 21
сказали Дякую 3 раз(и) в 3 повідомленні
|
Re: Изготовление акваконтроллера ===www.aquaforum.ua===
Цитата:
Допис від bmw
Найпростіше зробити на 2-х КТ315
|
схемкой не поделитесь? зарание спасибо!!!
|
|
|
15.11.2009, 09:21
|
#1698
|
|
Активний участник форуму
Реєстрація: 27.03.2009
Звідки Ви: Latvija
Дописи: 189
сказав Дякую: 63
сказали Дякую 75 раз(и) в 41 повідомленні
|
Re: Изготовление акваконтроллера ===www.aquaforum.ua===
Цитата:
Допис від BlackAlex
Ты не представляеш какой это гембель найти дата-кабель для старой мобилы... Купил два, по 10 грн, один таки с 2303, второй залит наглухо - буду вскрывать... Искать приходится чуть ли не на помойке - нет больше таких кабелей.
|
Никакого гембеля  Выбор широчайший, цена вопроса 4 бакса. Вот, к примеру такой http://cgi.ebay.com/DKU-5-USB-DATA-C...item3a549b073c
|
|
|
15.11.2009, 11:16
|
#1700
|
|
Активний участник форуму
Реєстрація: 29.05.2009
Звідки Ви: Тернопіль
Дописи: 143
сказав Дякую: 33
сказали Дякую 90 раз(и) в 51 повідомленні
|
Re: Изготовление акваконтроллера ===www.aquaforum.ua===
bonus78, в цій темі на 110-ій сторінці.
Цитата:
Допис від Baks
Это я так понимаю вместо max 232, преобразователь уровня. По шлейфу проводов видно

|
|
|
|
|
cказали "Дякую" bmw за цей допис:
|
|
15.11.2009, 12:07
|
#1701
|
|
Придивляюся
Реєстрація: 11.10.2009
Звідки Ви: Украина,Киев
Дописи: 33
сказав Дякую: 21
сказали Дякую 3 раз(и) в 3 повідомленні
|
Re: Изготовление акваконтроллера ===www.aquaforum.ua===
проверьте пожалуста ато схемка слипая 
и вообще не видно номеров сом порта, подпешите если не трудно
Востаннє редагував bonus78: 15.11.2009 о 23:03..
|
|
|
15.11.2009, 16:32
|
#1702
|
|
Живу я тут
Реєстрація: 23.03.2009
Звідки Ви: Бердянск
Дописи: 335
сказав Дякую: 72
сказали Дякую 64 раз(и) в 55 повідомленні
|
Re: Изготовление акваконтроллера ===www.aquaforum.ua===
Сверху вниз, слева направо, в шахматном порядке
1-6-2-7-3-8-4-9-5
|
|
|
|
cказали "Дякую" Dr_Off за цей допис:
|
|
16.11.2009, 13:53
|
#1703
|
|
Активний участник форуму
Реєстрація: 29.05.2009
Звідки Ви: Тернопіль
Дописи: 143
сказав Дякую: 33
сказали Дякую 90 раз(и) в 51 повідомленні
|
Re: Изготовление акваконтроллера ===www.aquaforum.ua===
Цитата:
Допис від bonus78
проверьте пожалуста ато схемка слипая 
и вообще не видно номеров сом порта, подпешите если не трудно
|
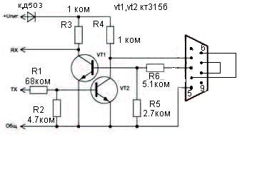
Ось так:
R1=6.8k
R2=4.7k
R3=R4=1k
R5=2.7k
R6=5.1k
Востаннє редагував bmw: 16.11.2009 о 14:37..
|
|
|
|
Ці 2 користувач(ів) сказали Дякую bmw за це повідомлення:
|
|
16.11.2009, 14:06
|
#1704
|
|
Живу я тут
Реєстрація: 12.02.2008
Звідки Ви: Оболонь, Петровка
Дописи: 8.891
сказав Дякую: 2.489
сказали Дякую 2.878 раз(и) в 2.065 повідомленні
|
Re: Изготовление акваконтроллера ===www.aquaforum.ua===
Есть шнур для СОМ-порта от сименс, RS-232 написано. Но нет распиновки. Проводов выходит 7шт.
1.оранж.
2.желт.
3.зел.
4.синий.
5.бел.
6.черн.
7.красн.
Знаю вроде черн; красн и белый.
Подскажите, пжста. Правильно так и что-куда.
Сеньк.
__________________
Свет. ЭПРА, аквариумые лампы т5;т8; МГ-150; LED-комплекты и светильники системы СО2 под ключ. тел: 095 0105853; 098 6143112
Лучшие статьи месяца на Аквафоруме
|
|
|
16.11.2009, 14:33
|
#1705
|
|
Активний участник форуму
Реєстрація: 29.05.2009
Звідки Ви: Тернопіль
Дописи: 143
сказав Дякую: 33
сказали Дякую 90 раз(и) в 51 повідомленні
|
Re: Изготовление акваконтроллера ===www.aquaforum.ua===
chack, по кольорах я би не став розрізняти, китайці переважно паяють аби-як.
Краще втикнути в СОМ-порт і пройтись по ногах осцилографом в момент, коли йде звертання. Знайти треба +5В ,корпусний і RX/TX.
|
|
|
|
cказали "Дякую" bmw за цей допис:
|
|
16.11.2009, 14:41
|
#1706
|
|
Бан за нарушения
Реєстрація: 06.11.2007
Звідки Ви: Донецк, зона АТО
Дописи: 19.780
сказав Дякую: 5.789
сказали Дякую 17.707 раз(и) в 6.926 повідомленні
|
Re: Изготовление акваконтроллера ===www.aquaforum.ua===
chack, тестер и вперед. 
А еще есть такая штука как Яндекс. Ты знаешь - удобно:

__________________
[I][B][COLOR=blue]С уважением, Сергей Таранченко[/COLOR][/B][/I]
|
|
|
|
cказали "Дякую" Starcomputer за цей допис:
|
|
16.11.2009, 17:22
|
#1707
|
|
Живу я тут
Реєстрація: 17.09.2004
Звідки Ви: Киев, Троещина
Дописи: 14.486
сказав Дякую: 4.642
сказали Дякую 8.508 раз(и) в 4.382 повідомленні
|
Re: Изготовление акваконтроллера ===www.aquaforum.ua===
Starcomputer, ниче не напутал? -)))
__________________
Страна не ублюдков и не воров.
__________________  
|
|
|
16.11.2009, 17:33
|
#1708
|
|
Бан за нарушения
Реєстрація: 06.11.2007
Звідки Ви: Донецк, зона АТО
Дописи: 19.780
сказав Дякую: 5.789
сказали Дякую 17.707 раз(и) в 6.926 повідомленні
|
Re: Изготовление акваконтроллера ===www.aquaforum.ua===
Цитата:
Допис від Sem
Starcomputer, ниче не напутал? -)))
|
А мне там путать нечего  Это не мое. Просто в инете масса распиновок любых переходников. Я так свой доисторический нашел. 
__________________
[I][B][COLOR=blue]С уважением, Сергей Таранченко[/COLOR][/B][/I]
|
|
|
16.11.2009, 20:39
|
#1709
|
|
Живу я тут
Реєстрація: 12.02.2008
Звідки Ви: Оболонь, Петровка
Дописи: 8.891
сказав Дякую: 2.489
сказали Дякую 2.878 раз(и) в 2.065 повідомленні
|
Re: Изготовление акваконтроллера ===www.aquaforum.ua===
Сергей, это не то.
А что тестер? Он поможет если плата с микрухой открыта, а тут все залито прямо в корпусе ком-порта.
Цитата:
Допис від bmw
Знайти треба +5В ,корпусний і RX/TX.
|
А +5в зачем искать?
__________________
Свет. ЭПРА, аквариумые лампы т5;т8; МГ-150; LED-комплекты и светильники системы СО2 под ключ. тел: 095 0105853; 098 6143112
Лучшие статьи месяца на Аквафоруме
|
|
|
17.11.2009, 00:38
|
#1710
|
|
Живу я тут
Реєстрація: 12.02.2008
Звідки Ви: Оболонь, Петровка
Дописи: 8.891
сказав Дякую: 2.489
сказали Дякую 2.878 раз(и) в 2.065 повідомленні
|
Re: Изготовление акваконтроллера ===www.aquaforum.ua===
Нашел вот. Но провода в моем кабеле уже отпаяны. Что делать?
__________________
Свет. ЭПРА, аквариумые лампы т5;т8; МГ-150; LED-комплекты и светильники системы СО2 под ключ. тел: 095 0105853; 098 6143112
Лучшие статьи месяца на Аквафоруме
|
|
|
 |
|
|
Тут присутні: 45 (учасників - 0 , гостей - 45)
|
|
|
| Параметри теми |
|
|
| Параметри перегляду |
Лінійний вигляд
|
Ваші права у розділі
|
Ви не можете створювати теми
Ви не можете писати дописи
Ви не можете долучати файли
Ви не можете редагувати дописи
HTML код Вимк.
|
|
|
Часовий пояс GMT +3. Поточний час: 02:17.
|