 |
|
11.09.2007, 16:43
|
#1
|
|
Живу я тут
Реєстрація: 17.09.2004
Звідки Ви: Киев, Троещина
Дописи: 14.486
сказав Дякую: 4.642
сказали Дякую 8.508 раз(и) в 4.382 повідомленні
|
Ответ: Универсальный таймер для управления светом и прочими нагрузками! ===www.aquaforum.ua===
Цитата:
Допис від Sem
Попробую сделать пару плат-если жена не прибьет за порчу утюга  
|
Запустил в ПРоте что-то работает.
Температуру не читает.
__________________  
|
|
|
11.09.2007, 17:28
|
#2
|
|
Живу я тут
Реєстрація: 25.07.2006
Звідки Ви: Кривой Рог
Дописи: 264
сказав Дякую: 63
сказали Дякую 148 раз(и) в 71 повідомленні
|
Ответ: Универсальный таймер для управления светом и прочими нагрузками! ===www.aquaforum.ua===
А если сравнить с этой разработкой.
http://www.montan-a.hotmail.ru/samodel/Aqua_1.htm
Хотя, это устройство больше интересно травникам.
__________________
><((((º>
|
|
|
11.09.2007, 17:32
|
#3
|
|
Живу я тут
Реєстрація: 17.09.2004
Звідки Ви: Киев, Троещина
Дописи: 14.486
сказав Дякую: 4.642
сказали Дякую 8.508 раз(и) в 4.382 повідомленні
|
Ответ: Универсальный таймер для управления светом и прочими нагрузками! ===www.aquaforum.ua===
Цитата:
Допис від Сай
|
Хотя, это устройство больше интересно всем, но стоимость не соизмерима.
__________________  
|
|
|
11.09.2007, 22:26
|
#4
|
|
Живу я тут
Реєстрація: 19.01.2006
Звідки Ви: Киев
Дописи: 3.951
сказав Дякую: 1.011
сказали Дякую 1.080 раз(и) в 573 повідомленні
|
Ответ: Универсальный таймер для управления светом и прочими нагрузками! ===www.aquaforum.ua===
Цитата:
Допис від Сай
|
интересная штука, вот только где брать электроды. и почем
|
|
|
11.09.2007, 15:57
|
#5
|
|
Живу я тут
Реєстрація: 19.01.2006
Звідки Ви: Киев
Дописи: 3.951
сказав Дякую: 1.011
сказали Дякую 1.080 раз(и) в 573 повідомленні
|
Ответ: Универсальный таймер для управления светом и прочими нагрузками! ===www.aquaforum.ua===
платы я думаю заказывать на электронмаше, доступ до деталей по оптовым ценам тоже есть. Да и прошить тоже не проблема, будем делать. Все равно что один паять, что 10 - толкьо затрат больше, но думаю желающие на него найдутся.
|
|
|
11.09.2007, 20:20
|
#6
|
|
Живу я тут
Реєстрація: 24.07.2006
Звідки Ви: Днепродзержинск
Дописи: 742
сказав Дякую: 193
сказали Дякую 228 раз(и) в 122 повідомленні
|
Ответ: Универсальный таймер для управления светом и прочими нагрузками! ===www.aquaforum.ua===
не знаю, придёт ли кто нибудь к конвеерной сборке, но я экземплярчик бы купил наверно...
хорошая штука..
просто с паялом не дружу совсем.. причём очень совсем.. 
__________________
"Баранку вам от бублика, а не Шарапова!" (с) В.Ф.Я.
__________________ 
|
|
|
28.01.2010, 18:14
|
#7
|
|
Придивляюся
Реєстрація: 26.01.2010
Звідки Ви: Дергачи
Дописи: 85
сказав Дякую: 10
сказали Дякую 14 раз(и) в 12 повідомленні
|
Re: Универсальный таймер для управления светом и прочими нагрузками! ===www.aquaforum.ua===
Так как было написано, там по программе внутренний генератор,а для часов внешний приходит на 12 ногу как на писано.
Востаннє редагував p630304: 28.01.2010 о 23:50..
|
|
|
01.02.2010, 00:27
|
#8
|
|
Придивляюся
Реєстрація: 26.01.2010
Звідки Ви: Дергачи
Дописи: 85
сказав Дякую: 10
сказали Дякую 14 раз(и) в 12 повідомленні
|
Re: Универсальный таймер для управления светом и прочими нагрузками! ===www.aquaforum.ua===
|
|
|
29.03.2010, 18:44
|
#9
|
|
Придивляюся
Реєстрація: 14.06.2009
Звідки Ви: Германия
Дописи: 90
сказав Дякую: 66
сказали Дякую 49 раз(и) в 28 повідомленні
|
Re: Универсальный таймер для управления светом и прочими нагрузками! ===www.aquaforum.ua===
Кто-нибудь может сказать, баг с сылками в этой теме только у меня?
Или тема умерла?
|
|
|
29.03.2010, 18:53
|
#10
|
|
Живу я тут
Реєстрація: 12.02.2008
Звідки Ви: Оболонь, Петровка
Дописи: 8.891
сказав Дякую: 2.489
сказали Дякую 2.878 раз(и) в 2.065 повідомленні
|
Re: Универсальный таймер для управления светом и прочими нагрузками! ===www.aquaforum.ua===
jakovru, "новость не найдена".
Снесли. Время...
__________________
Свет. ЭПРА, аквариумые лампы т5;т8; МГ-150; LED-комплекты и светильники системы СО2 под ключ. тел: 095 0105853; 098 6143112
Лучшие статьи месяца на Аквафоруме
|
|
|
|
cказали "Дякую" chack за цей допис:
|
|
14.08.2010, 01:47
|
#11
|
|
Придивляюся
Реєстрація: 02.07.2010
Звідки Ви: Николаев
Дописи: 73
сказав Дякую: 42
сказали Дякую 68 раз(и) в 26 повідомленні
|
Re: Универсальный таймер для управления светом и прочими нагрузками! ===www.aquaforum.ua===
Отличный таймер
повторён неоднократно
всё работает
рабочая ссылка на схему и прогу
http://aquacontrol.narod.ru/samodel/...yta/index.html
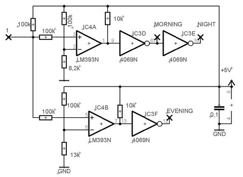
Диммер не использовал - дороговаты ЭПРА, доработал схемку, при помощи компаратора сделал два уровня освещения, утро -> один светильник, день -> добавляется ещё один, вечер -> выключается второй, ночь -> выключается первый -> включается ночная подсветка.
исполнительные цепи без изменений, вход 1 к первой ноге пика.
В итоге имеем:
управление тремя светильниками
управление тремя нагрузками при помощи пяти таймеров
поддержание заданной температуры
отключение фильтра на 5 - 95 минут
|
|
|
|
Ці 2 користувач(ів) сказали Дякую nikservice за це повідомлення:
|
|
11.09.2007, 23:44
|
#12
|
|
Живу я тут
Реєстрація: 19.01.2006
Звідки Ви: Киев
Дописи: 3.951
сказав Дякую: 1.011
сказали Дякую 1.080 раз(и) в 573 повідомленні
|
Ответ: Универсальный таймер для управления светом и прочими нагрузками! ===www.aquaforum.ua===
дороговато, тут говорили про 400 грн за все устройство...
|
|
|
12.09.2007, 00:16
|
#13
|
|
Живу я тут
Реєстрація: 19.01.2006
Звідки Ви: Киев
Дописи: 3.951
сказав Дякую: 1.011
сказали Дякую 1.080 раз(и) в 573 повідомленні
|
Ответ: Универсальный таймер для управления светом и прочими нагрузками! ===www.aquaforum.ua===
У меня есть выход на оптовые каналы, цены, не проблема. Главное платы и рабочии прошивки. На счет плат договариваюсь, есть концы.
Кстати рассыпуха оже может хорошо сказатся на цене, одни разъемы по 2-3 грн, ну и питание добавит. Тут как в супермаркете - вроде все недорогое, а сумма набегает - "будь здоров"
|
|
|
12.09.2007, 00:24
|
#14
|
|
Живу я тут
Реєстрація: 25.07.2006
Звідки Ви: Кривой Рог
Дописи: 264
сказав Дякую: 63
сказали Дякую 148 раз(и) в 71 повідомленні
|
Ответ: Универсальный таймер для управления светом и прочими нагрузками! ===www.aquaforum.ua===
Все равно цена выходит заманчивая, что бы это устройство сделать.
Самый дешевый контроллер 900 грн. Про аквамедик ... молчу.
__________________
><((((º>
|
|
|
12.09.2007, 07:49
|
#15
|
|
Живу я тут
Реєстрація: 30.04.2006
Звідки Ви: Киев. Воскресенка
Дописи: 1.492
сказав Дякую: 232
сказали Дякую 332 раз(и) в 253 повідомленні
|
Ответ: Универсальный таймер для управления светом и прочими нагрузками! ===www.aquaforum.ua===
Как много интересных терминов и всяческих новых слов! 
А можно для тех, кто не только не дружит "на глухо" с паяльником, а ВООБЩЕ не разбирается в этих, проводках, транзисторах и прочих штучках? 
Господа! Интересует цена. Извините за прямолинейность, конечно. Но из прочитаного на посте я понял процентов тридцать от силы 
Кто сделал? Работает? Сколько стоит? Инструкция по применению (хотя бы устная) будет? Кто и за сколько изваяет этот прибамбас? 
__________________
"жы" и "шы" пиши с буквами "Ж" и "Ш"
|
|
|
|
Ці 2 користувач(ів) сказали Дякую Шебутной за це повідомлення:
|
|
 |
|
|
Тут присутні: 1 (учасників - 0 , гостей - 1)
|
|
|
| Параметри теми |
|
|
| Параметри перегляду |
Комбінований вигляд
|
Ваші права у розділі
|
Ви не можете створювати теми
Ви не можете писати дописи
Ви не можете долучати файли
Ви не можете редагувати дописи
HTML код Вимк.
|
|
|
Часовий пояс GMT +3. Поточний час: 10:26.
|