 |
|
17.11.2010, 11:48
|
#1
|
|
Еще один контроллер для аквариума
Живу я тут
Реєстрація: 03.11.2010
Звідки Ви: Мариуполь
Дописи: 368
сказав Дякую: 10
сказали Дякую 140 раз(и) в 88 повідомленні

17.11.2010, 11:48
Рейтинг:
(1 голосов - 4,00 средняя оценка)
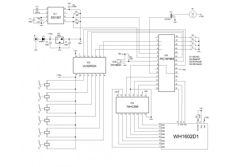
Хочу предложить еще один контроллер для аквариума.
1.Часы.
2.Управление 6 каналами.
3.Включение и выключение нагрузки в заданное время
(6 таймеров для управления устройствами).
4. Возможность включения нагрузки от 1-й минуты.
5. Отключение любого канала на заданное количество минут без изменения работы заданной программы.
6. Контроль температуры в пределах 0:+85 градусов.
7. Корректировка показаний датчика
8. Настройка температурного диапазона для обогревателя или охладителя.
9. Управление вентилятором 12В (250 скоростей управления вентилятором).
10. Отключение нагрузки при неисправности или отключении датчика.
Программа написана Русланом из Ростова и совместными усилиями доведена до нынешнего состояния. Платку разработал сам под SMD детали. Во вложении фото двух вариантов исполнения (в крышку и автономное) и схемка.

|
|
Переглядів: 119868
|
|
Ці 15 користувач(ів) сказали Дякую pdv1965 за це повідомлення:
|
abaro (18.02.2014), Bonsh (17.11.2010), chack (09.04.2012), malexmen (17.11.2010), Melkiy (19.11.2010), onikitin (06.11.2011), ProOFF (30.09.2011), Sim (30.01.2011), sport_rib (03.02.2011), Starcomputer (17.11.2010), ukraudio (12.02.2014), _Vadim (10.08.2011), Володимир (17.10.2012), Игорь-1 (04.03.2015), Шаманчик (20.11.2010) |
17.11.2010, 13:09
|
#2
|
|
Живу я тут
Реєстрація: 17.09.2004
Звідки Ви: Киев, Троещина
Дописи: 14.486
сказав Дякую: 4.642
сказали Дякую 8.508 раз(и) в 4.382 повідомленні
|
Re: Еще один контроллер для аквариума ===www.aquaforum.ua===
.... а дальше ?
__________________
Страна не ублюдков и не воров.
__________________  
|
|
|
17.11.2010, 13:13
|
#3
|
|
Живу я тут
Реєстрація: 03.09.2009
Звідки Ви: Kyiv Сырец<=>Нивки
Дописи: 863
сказав Дякую: 155
сказали Дякую 415 раз(и) в 263 повідомленні
|
Re: Еще один контроллер для аквариума ===www.aquaforum.ua===
Цитата:
Допис від Sem
.... а дальше ?
|
далі буде.... 
__________________
Неважно, как далеко вы ушли по неправильному пути – возвращайтесь.
|
|
|
17.11.2010, 13:49
|
#4
|
|
Живу я тут
Реєстрація: 03.11.2010
Звідки Ви: Мариуполь
Дописи: 368
сказав Дякую: 10
сказали Дякую 140 раз(и) в 88 повідомленні
|
Re: Еще один контроллер для аквариума ===www.aquaforum.ua===
А дальше могу выложить плату и прошивку (если интересно).
Могу собрать готовое изделие, или это или скажем Юсуповское (но уже за деньги).
|
|
|
|
Ці 3 користувач(ів) сказали Дякую pdv1965 за це повідомлення:
|
|
17.11.2010, 14:57
|
#5
|
|
Живу я тут
Реєстрація: 02.12.2009
Звідки Ви: Хмельницкий
Дописи: 1.450
сказав Дякую: 3.154
сказали Дякую 1.282 раз(и) в 602 повідомленні
|
Re: Еще один контроллер для аквариума ===www.aquaforum.ua===
Цитата:
Допис від pdv1965
А дальше могу выложить плату и прошивку (если интересно).
Могу собрать готовое изделие, или это или скажем Юсуповское (но уже за деньги).
|
Интерисует стоимость такого устройства если Вам заказать собрать его?
__________________ 
|
|
|
17.11.2010, 16:42
|
#6
|
|
Живу я тут
Реєстрація: 03.11.2010
Звідки Ви: Мариуполь
Дописи: 368
сказав Дякую: 10
сказали Дякую 140 раз(и) в 88 повідомленні
|
Re: Еще один контроллер для аквариума ===www.aquaforum.ua===
А смотря в какой комплектации:
-налаженная плата(350 гр)
-налаженная плата с блоком питания и силовой частью(450 гр)
-все в сборе и в корпусе(с начало надо оговаривать тип корпуса,выходные разъемы )
|
|
|
17.11.2010, 16:52
|
#7
|
|
Живу я тут
Реєстрація: 17.09.2004
Звідки Ви: Киев, Троещина
Дописи: 14.486
сказав Дякую: 4.642
сказали Дякую 8.508 раз(и) в 4.382 повідомленні
|
Re: Еще один контроллер для аквариума ===www.aquaforum.ua===
pdv1965, на чем программите?
__________________
Страна не ублюдков и не воров.
__________________  
|
|
|
17.11.2010, 17:07
|
#8
|
|
Живу я тут
Реєстрація: 03.11.2010
Звідки Ви: Мариуполь
Дописи: 368
сказав Дякую: 10
сказали Дякую 140 раз(и) в 88 повідомленні
|
Re: Еще один контроллер для аквариума ===www.aquaforum.ua===
Повторюсь-программы я не пишу (пользуюсь чужими с разрешения). А вот довести программу до металла-это пожалуйста.
Программатор PICKit-2 (клон),сделал сам. Пишу им и PIC и ATMEGA.
|
|
|
|
cказали "Дякую" pdv1965 за цей допис:
|
|
17.11.2010, 17:16
|
#9
|
|
Живу я тут
Реєстрація: 17.09.2004
Звідки Ви: Киев, Троещина
Дописи: 14.486
сказав Дякую: 4.642
сказали Дякую 8.508 раз(и) в 4.382 повідомленні
|
Re: Еще один контроллер для аквариума ===www.aquaforum.ua===
Я просто не понимаю выгоды схемотехнического решения вот этого девайса.
Использовать регистр 595 для 8-битной адресации?
Можно и 4-х битную использовать.
То же с 2003.
На выход Пика оптосимистор и все.....
__________________
Страна не ублюдков и не воров.
__________________  
|
|
|
17.11.2010, 17:19
|
#10
|
|
Живу я тут
Реєстрація: 03.11.2010
Звідки Ви: Мариуполь
Дописи: 368
сказав Дякую: 10
сказали Дякую 140 раз(и) в 88 повідомленні
|
Re: Еще один контроллер для аквариума ===www.aquaforum.ua===
Для этого надо программу переписывать.
Оптосимисторов надо 6 корпусов ,а ток один(правда без развязки).Размеры намного меньше .Вот моя плата
Востаннє редагував pdv1965: 17.11.2010 о 17:26..
|
|
|
|
Ці 2 користувач(ів) сказали Дякую pdv1965 за це повідомлення:
|
|
19.11.2010, 14:13
|
#11
|
|
Придивляюся
Реєстрація: 13.04.2008
Звідки Ви: г. Сызрань
Дописи: 11
сказав Дякую: 6
сказали Дякую 8 раз(и) в 4 повідомленні
|
Re: Еще один контроллер для аквариума ===www.aquaforum.ua===
Не плохо было бы на программу глянуть, если это не коммерческая тайна.
|
|
|
|
cказали "Дякую" Melkiy за цей допис:
|
|
19.11.2010, 14:55
|
#12
|
|
Живу я тут
Реєстрація: 03.11.2010
Звідки Ви: Мариуполь
Дописи: 368
сказав Дякую: 10
сказали Дякую 140 раз(и) в 88 повідомленні
|
Re: Еще один контроллер для аквариума ===www.aquaforum.ua===
А программа не моя. У меня только HEX .
|
|
|
20.11.2010, 20:25
|
#13
|
|
Придивляюся
Реєстрація: 11.05.2009
Звідки Ви: Полтава
Дописи: 63
сказав Дякую: 65
сказали Дякую 57 раз(и) в 19 повідомленні
|
Re: Еще один контроллер для аквариума ===www.aquaforum.ua===
ну так выложи фотки собраного девайса (платы). Дай другим попробовать собрать
|
|
|
22.11.2010, 10:46
|
#14
|
|
Живу я тут
Реєстрація: 03.11.2010
Звідки Ви: Мариуполь
Дописи: 368
сказав Дякую: 10
сказали Дякую 140 раз(и) в 88 повідомленні
|
Re: Еще один контроллер для аквариума ===www.aquaforum.ua===
Так фото и схема в первом посту, выкладываю плату и программу.
|
|
|
22.11.2010, 11:05
|
#15
|
|
Живу я тут
Реєстрація: 17.09.2004
Звідки Ви: Киев, Троещина
Дописи: 14.486
сказав Дякую: 4.642
сказали Дякую 8.508 раз(и) в 4.382 повідомленні
|
Re: Еще один контроллер для аквариума ===www.aquaforum.ua===
pdv1965, можно как-то связаться с автором программы?
Спасибо.
__________________
Страна не ублюдков и не воров.
__________________  
|
|
|
 |
|
|
Тут присутні: 1 (учасників - 0 , гостей - 1)
|
|
|
Ваші права у розділі
|
Ви не можете створювати теми
Ви не можете писати дописи
Ви не можете долучати файли
Ви не можете редагувати дописи
HTML код Вимк.
|
|
|
Часовий пояс GMT +3. Поточний час: 22:51.
|