 |
|
14.03.2009, 01:01
|
#1
|
|
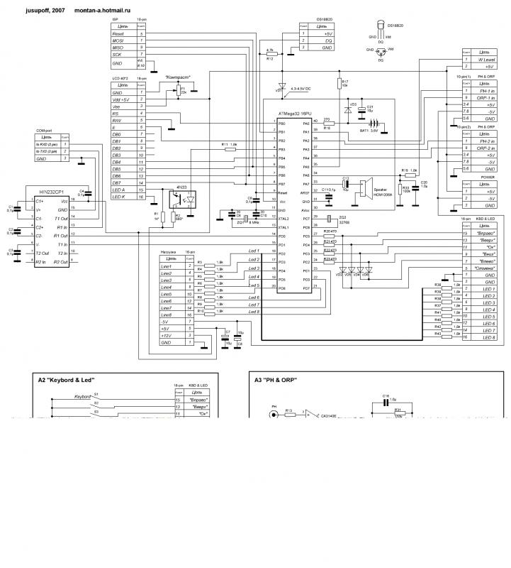
Изготовление акваконтроллера
Бан за нарушения
Реєстрація: 06.11.2007
Звідки Ви: Донецк, зона АТО
Дописи: 19.780
сказав Дякую: 5.789
сказали Дякую 17.707 раз(и) в 6.926 повідомленні

14.03.2009, 01:01
Рейтинг:
(28 голосов - 4,64 средняя оценка)
Данная тема является прямым продолжением темы Разработка акваконтроллера, созданной AlexThunder, за что ему огромное спасибо 
На данный момент разработка в целом закончена и благодарен всем, кто принимал участие в обсуждении и реализации проекта
С помощью Chack'а были заказаны и изготовлены печатные платы
 
И сейчас начнется наверно самый интересный этап - сборка и настройка
Схема, плата, прошивка находятся в архиве во вложении.
ИСХОДНИКОВ ПРОГРАММЫ НЕТ !!! ПРОШИВКУ ИЗМЕНИТЬ НЕЛЬЗЯ !!!
Необходимое программное обеспечение:
Схема - sPlan 6.0 (для версии 3 - 7.0)
Плата - Slayout 5.0 / 6.0
Внимание !!! В процессе сборки и наладки в схему могут быть внесены изменения ! Следите за обновлением архива !!!
...........
New_controller-2V1 - плата с косметическими правками и обозначением элементов.
Контроллер-V.3 - улучшенный вариант (симисторы в одну линию, питание +12V, два диммера, USB на борту, 4 усилителя, отдельный разъем для клавиатуры).
Version 3.1 SMD - версия 3 для СМД элементов.
Плата1V5smd - многоплатная версия от "Пупс" (контроллер + силовая часть + клавиатура + усилители + кулер для силовой части).
Контроллер V3 DIP - все нужное для сборки версии 3.0 DIP.
Firmware.rar - прошивки от Володя_Череп для нормальной работы с USB на ATTiny2313.
Прошивки.rar - архив прошивок:
ATmega_32 - стандартная прошивка
Atmega_32_EE - прошивка EEPROM
ATmega_32_9600 - скорость UART 9600
ATmega_32_PWM_244Hz - использование ШИМ для управления драйверами. Вход PWM LDD подключается непосредственно к выводу 13 или 14 ATmega.
Программирование fuse-битов:
При прошивке микроконтроллеров необходимо запрограммировать (записать 0) следующие fuse-биты:
- для ATmega32 - BOOTSZ0, BOOTSZ1, SPIEN
- для ATtiny2313 - CKSEL0, SUT0, BODLEVEL1, WDTON, SPIEN
- для ATtiny13 - SPIEN, CKDIV8, SUT0, CKSEL0 (данная микросхема используется для схемы регулировки венилятора)
Все остальные fuse-биты должны быть незапрограммированы (равны 1).
Uniprof:
Fuse-бит будет запрограммирован, если убрать галочку в соответствующем поле.
Fuse-бит будет незапрограммирован, если поставить галочку в соответствующем поле.
CodeVisionAVR:
Fuse-бит будет запрограммирован, если поставить галочку в соответствующем поле.
Fuse-бит будет незапрограммирован, если убрать галочку в соответствующем поле.
AVRDUDE:
ATmega: -U lfuse:w:0xff:m -U hfuse:w:0xd9:m
ATtiny2313: -U lfuse:w:0xee:m -U hfuse:w:0xcb:m -U efuse:w:0xff:m
ATtiny13: -U lfuse:w:0x6a:m -U hfuse:w:0xff:m
Мініатюри долучень
Долучені файли
 |
Контроллер.rar (423,9 КБ, 20104 переглядів) |
 |
AquaControl.rar (3,48 МБ, 19665 переглядів) |
 |
New_controller-2V1.rar (59,8 КБ, 16342 переглядів) |
 |
PL2303-USB.rar (2,03 МБ, 14138 переглядів) |
 |
Новый контроллер-3.rar (43,5 КБ, 15171 переглядів) |
 |
Плата для WH2004A.rar (278,0 КБ, 14452 переглядів) |
 |
USB.rar (219,9 КБ, 14020 переглядів) |
 |
Контроллер-V.3.zip (86,5 КБ, 15935 переглядів) |
 |
Version 3.1 SMD.zip (158,5 КБ, 15874 переглядів) |
 |
Полезная информация.pdf (306,9 КБ, 22152 переглядів) |
 |
Плата1v5smd.rar (165,9 КБ, 14026 переглядів) |
 |
Контроллер V3 DIP.zip (151,0 КБ, 16375 переглядів) |
 |
Firmware.rar (21,6 КБ, 13269 переглядів) |
 |
Aqua Control 2007 HELP.rar (172,4 КБ, 13505 переглядів) |
 |
THelper.rar (57,3 КБ, 12943 переглядів) |
 |
Прошивки.rar (68,0 КБ, 12020 переглядів) |
__________________
[I][B][COLOR=blue]С уважением, Сергей Таранченко[/COLOR][/B][/I]
Востаннє редагував Starcomputer: 19.04.2016 о 12:18..
Причина: Добавлен архив прошивок
|
|
Переглядів: 2364413
|
|
Ці 134 користувач(ів) сказали Дякую Starcomputer за це повідомлення:
|
+Максимус+ (31.08.2012), agorin (18.04.2009), aides (14.08.2013), AkaPain (07.02.2014), Aleksta (15.01.2012), ALEX77 (14.08.2009), AlexThunder (17.02.2010), alexv3 (10.04.2011), Alex_Ts (14.03.2009), Allcoholl (13.12.2009), ANTONENKO (02.04.2012), Antoxa106 (28.04.2013), AquaGomel (14.10.2010), arconas (05.02.2012), arik17 (12.10.2014), Ashatshem (09.02.2011), atom (17.05.2009), Baks (14.03.2009), BearIgor (23.03.2012), BELOUS (06.12.2011), biolog (21.11.2009), BlackAlex (14.03.2009), bmw (29.05.2009), bodom (25.05.2011), bonus78 (15.11.2009), Bosyak (19.01.2011), BpyH (29.01.2010), chack (14.03.2009), Cristal (15.06.2012), DEaD_MOPO3 (28.09.2011), Dimitr (12.02.2010), Dimker (15.06.2012), DiSan (25.12.2013), dolfik (05.01.2011), drv (31.08.2016), dubishe (21.12.2012), Dyshakz (14.02.2017), ersergey (14.04.2012), fylhttd (17.03.2009), gagari1 (13.02.2012), germanovitsh (01.11.2012), GrishaBGA (23.03.2009), Gutsik (17.07.2013), harn (04.07.2011), Heet (05.12.2009), iceSS (19.03.2009), igoritto (24.10.2010), IgorVin (10.02.2010), imac2008 (27.11.2010), iTango (08.08.2011), ivanaxion (31.08.2012), Kent (21.10.2010), kirilo777 (09.03.2012), klimnet (20.08.2012), klinok (05.09.2010), kluyt (17.08.2009), kollega-lg (21.04.2016), Koralove (24.10.2013), KostyaD (04.06.2009), kramar (14.03.2009), kusfu (28.09.2011), kvn79 (14.03.2009), Lexzx (24.03.2010), liss15 (14.10.2009), litlechina (05.05.2022), live steel (26.06.2012), lumen_xp (27.03.2012), LVit (27.11.2009), mact (14.05.2014), Makclaj (27.02.2011), masterross (11.12.2011), Mehannik (12.03.2015), MIhail (17.07.2011), myrko (15.04.2012), nbinc (12.05.2014), Nickname (25.06.2009), Nikolos667 (14.08.2011), Olzhich (18.03.2009), Oppozith (17.12.2012), Pastuh1234 (29.07.2012), pimass (15.03.2012), pulpit (21.11.2009), regiuscz (11.03.2011), rusianGrt (15.02.2010), rustr (20.09.2011), Ryzhii (10.04.2013), S V (10.01.2010), sae74 (15.02.2010), sergey_ln (28.02.2012), serjik2000 (03.07.2009), Sesh (31.05.2009), seva (19.01.2011), Shurhent (02.07.2011), Smile8 (28.09.2010), sobolev (21.09.2011), solvi (14.03.2009), sonokam (08.12.2011), sv46 (12.07.2011), Swen (15.06.2009), TakedaMaru (20.05.2013), telepuzic (22.02.2012), Tihon (04.01.2013), timofey (11.11.2009), Tiratore.d (08.11.2019), tolik_erema (04.03.2011), Ty3uK (22.03.2009), Umnik (13.01.2012), Uselink (10.02.2010), vad1972 (05.05.2010), Viktorrr (22.12.2012), vill (29.09.2010), Vitaha (26.11.2009), VitalyD (03.10.2010), VKabanov (29.04.2009), VladHNet (07.08.2009), VladVP (15.01.2012), _Vadim (11.02.2010), Амфибия (15.05.2009), Вася (14.07.2009), Володя Череп (14.03.2009), дух святой истины (16.03.2009), Ёжик в Тумане (28.02.2011), Зелёный (19.01.2012), Кениец (30.11.2009), Мираж (25.02.2012), Михаил. (14.07.2011), Молекула (04.04.2009), МСВ (19.02.2012), Пупс (20.07.2011), Рудницкий Олександр (18.01.2012), Снегозавр (20.02.2013), Шаманчик (27.10.2009), ЭКСПЕРИМЕНТАТОР (04.04.2009), Юрий Н. (17.08.2010) |
14.03.2009, 01:44
|
#2
|
|
Живу я тут
Реєстрація: 07.03.2006
Звідки Ви: Запорожье
Дописи: 1.126
сказав Дякую: 401
сказали Дякую 368 раз(и) в 193 повідомленні
|
Re: Изготовление акваконтроллера ===www.aquaforum.ua===
вы планируете реализовывать свое детище? какова будет цена?
|
|
|
14.03.2009, 01:46
|
#3
|
|
Живу я тут
Реєстрація: 19.01.2006
Звідки Ви: Киев
Дописи: 3.951
сказав Дякую: 1.011
сказали Дякую 1.080 раз(и) в 573 повідомленні
|
Re: Изготовление акваконтроллера ===www.aquaforum.ua===
Отмечусь.... по старой Юсуповской схеме - постоянные сбои МК, вешается из за выходов, у меня по 255 часов в сутки бывает, приходится перешвать кристалл. Юсупов рекомендует сделать "нормальный экран". буду прокидывать питание проводами. Кстати, Есть от Саши рекомендащия по прошивке МК. он советует некоторые фузы поменять. Кому то интересно?
ЗЫ 2Чак - а где брал голубые дисплеи? Зеленые поднадоели.
|
|
|
14.03.2009, 01:57
|
#4
|
|
Бан за нарушения
Реєстрація: 06.11.2007
Звідки Ви: Донецк, зона АТО
Дописи: 19.780
сказав Дякую: 5.789
сказали Дякую 17.707 раз(и) в 6.926 повідомленні
|
Re: Изготовление акваконтроллера ===www.aquaforum.ua===
Саша, полгода без выключения, на часах 00:52:29
Питание без прокладки проводов.
Все рекомендации выкладывай сюда, всем интересно.
__________________
[I][B][COLOR=blue]С уважением, Сергей Таранченко[/COLOR][/B][/I]
|
|
|
14.03.2009, 01:58
|
#5
|
|
Бан за нарушения
Реєстрація: 06.11.2007
Звідки Ви: Донецк, зона АТО
Дописи: 19.780
сказав Дякую: 5.789
сказали Дякую 17.707 раз(и) в 6.926 повідомленні
|
Re: Изготовление акваконтроллера ===www.aquaforum.ua===
Цитата:
Допис від kramar
вы планируете реализовывать свое детище? какова будет цена?
|
Об этом не думали. 
__________________
[I][B][COLOR=blue]С уважением, Сергей Таранченко[/COLOR][/B][/I]
|
|
|
14.03.2009, 01:58
|
#6
|
|
Живу я тут
Реєстрація: 12.02.2008
Звідки Ви: Оболонь, Петровка
Дописи: 8.891
сказав Дякую: 2.489
сказали Дякую 2.878 раз(и) в 2.065 повідомленні
|
Re: Изготовление акваконтроллера ===www.aquaforum.ua===
Цитата:
Допис від BlackAlex
ЗЫ 2Чак - а где брал голубые дисплеи? Зеленые поднадоели.
|
Саша, к сожалению их там уже нет. я продал по 250 "лишние", как мне казалось, а теперь сам купил за 300грн. Это который большой ВС2004В-В. Размер его 146х62.5мм
И меньший остался один синий, такой, как вы раньше зеленые ставили.
Выкупил все харьковский "Хартрон", 50шт.
Узнавал насчет заказа партии из Тайваня. На сл. неделе дадут ответ. Но доставка 10 недель. Напрягает.
__________________
Свет. ЭПРА, аквариумые лампы т5;т8; МГ-150; LED-комплекты и светильники системы СО2 под ключ. тел: 095 0105853; 098 6143112
Лучшие статьи месяца на Аквафоруме
|
|
|
14.03.2009, 02:35
|
#7
|
|
Живу я тут
Реєстрація: 19.01.2006
Звідки Ви: Киев
Дописи: 3.951
сказав Дякую: 1.011
сказали Дякую 1.080 раз(и) в 573 повідомленні
|
Re: Изготовление акваконтроллера ===www.aquaforum.ua===
chack, мой знакомый предлпгпл партию из китая, по сходной цене, но то 40-50 штук. Будет спрос - закажем. Просто сколько не искал, а наработки с 1999 года - зеленые чувствительно дешевле. Не понятно почему... Диоды то подешевели изрядно, была идея перепаивать зеленые на синие.
|
|
|
14.03.2009, 02:38
|
#8
|
|
Живу я тут
Реєстрація: 19.01.2006
Звідки Ви: Киев
Дописи: 3.951
сказав Дякую: 1.011
сказали Дякую 1.080 раз(и) в 573 повідомленні
|
Re: Изготовление акваконтроллера ===www.aquaforum.ua===
Цитата:
Допис від Starcomputer
Все рекомендации выкладывай сюда, всем интересно.
|
молчать я не собираюсь, но я устал по гарантии перешивать процессор. Все работает, но глючит, Юсупов советовал многое, остается только бубен. Или пересмостреть программу, но это практически нереально. Слетает внутренниц код, когда включается индуктивная нагрузка. Вот только не понятно почему. Фузы, фмльтра С, я использовал, теперь буду шунтировать дорожки питания.
Зы ,по прошивке - могу прошить, но у вас цены вкуснее на ценные комплектующие - гонят туда-сюда - дешевле распаять и подарить кабель. У меня опт в закупке получается дороже, чем ты закупал рассыпуху, ну за исключением совсем мелкого - резисторы, кондеры, разъемы. "СА" для уселителя - в киеве колеблется на базаре на 80% в цене. Причем не зависит от поставщика, у каждого на новой неделе новая цена. Надо просить Отца узнать цену на Митино. На 10 комплектах уже вкусно.
Востаннє редагував BlackAlex: 14.03.2009 о 02:44..
|
|
|
14.03.2009, 02:49
|
#9
|
|
Бан за нарушения
Реєстрація: 06.11.2007
Звідки Ви: Донецк, зона АТО
Дописи: 19.780
сказав Дякую: 5.789
сказали Дякую 17.707 раз(и) в 6.926 повідомленні
|
Re: Изготовление акваконтроллера ===www.aquaforum.ua===
Цитата:
Допис від BlackAlex
но я устал по гарантии перешивать процессор
|
Саша, хочешь верь, хочешь нет, но за все время НИ ОДНОГО сбоя.
Может быть блок питания недостаточно мощный ставил ? Или выходной кондер на нем недостаточной емкости ? В общем ладно, завтра приезжают платы, комплектовка есть, за неделю по вечерам спаяю, посмотрим.
Версию прошивки я ставил 1.06
П.С. свет пропадал много раз, пару раз на полдня - все Ок.
__________________
[I][B][COLOR=blue]С уважением, Сергей Таранченко[/COLOR][/B][/I]
|
|
|
14.03.2009, 02:55
|
#10
|
|
Живу я тут
Реєстрація: 19.01.2006
Звідки Ви: Киев
Дописи: 3.951
сказав Дякую: 1.011
сказали Дякую 1.080 раз(и) в 573 повідомленні
|
Re: Изготовление акваконтроллера ===www.aquaforum.ua===
БП - 2А 12В Импульсник, шунт - 4700 на входе, на каждом плече еще по пару тыщ мкф. Прямо на ногах питания 0,1-1 мкф. Протянул месяца 3-5. Для себя не проблема, но я продал пару. Теперь надо бороть, проблема не во времени, а в отказах. Юсупов ничего больше посоветовать не может. МК уходит в режим програмрования и дает 3х значные цифры минут, секунд. Такое ощущение что он уходит в 16ричную систему счисления... "И стало их FF..." ХЗ, для меня это серьезная проблема. Очень.
ЗЫЫ 600мА акумулятор не спас.
|
|
|
14.03.2009, 09:24
|
#11
|
|
Живу я тут
Реєстрація: 12.02.2008
Звідки Ви: Оболонь, Петровка
Дописи: 8.891
сказав Дякую: 2.489
сказали Дякую 2.878 раз(и) в 2.065 повідомленні
|
BlackAlex, может партия МК глючные попались?
Цитата:
Допис від BlackAlex
chack, мой знакомый предлпгпл партию из китая, по сходной цене, но то 40-50 штук. Будет спрос - закажем. Просто сколько не искал, а наработки с 1999 года - зеленые чувствительно дешевле. Не понятно почему... Диоды то подешевели изрядно, была идея перепаивать зеленые на синие.
|
Еще раз говорю, не нужно такие вещи брать китайские. Тем более, что есть доступ к серьезной и солидной фирме Болимин из Тайваня, которая поставляет дисплеи на самолеты и другую сложную технику.
А зеленые, так они конечно дешевле, а без индикатора еще дешевле  
п.с. знаю, что в Питере есть на одном складе пару десятков синих больших дисплеев, но продадут ли нам?
__________________
Свет. ЭПРА, аквариумые лампы т5;т8; МГ-150; LED-комплекты и светильники системы СО2 под ключ. тел: 095 0105853; 098 6143112
Лучшие статьи месяца на Аквафоруме
Востаннє редагував Starcomputer: 14.03.2009 о 11:49..
|
|
|
14.03.2009, 12:29
|
#12
|
|
Активний участник форуму
Реєстрація: 04.04.2006
Звідки Ви: Киев
Дописи: 407
сказав Дякую: 67
сказали Дякую 515 раз(и) в 179 повідомленні
|
Re: Изготовление акваконтроллера ===www.aquaforum.ua===
Цитата:
Допис від BlackAlex
Все работает, но глючит, Юсупов советовал многое, остается только бубен. Или пересмостреть программу, но это практически нереально. Слетает внутренниц код, когда включается индуктивная нагрузка. Вот только не понятно почему. Фузы, фмльтра С, я использовал, теперь буду шунтировать дорожки питания.
|
Саша, ты уверен что при прошивании, незабыли прошить EE_1_06.HEX (eeprom) ? Просто у меня похожее было, когда забыл прошить data memory
Давай я тебе нормально камень прошью, чего ты мучаешся.
|
|
|
|
cказали "Дякую" Baks за цей допис:
|
|
14.03.2009, 20:26
|
#13
|
|
Бан за нарушения
Реєстрація: 06.11.2007
Звідки Ви: Донецк, зона АТО
Дописи: 19.780
сказав Дякую: 5.789
сказали Дякую 17.707 раз(и) в 6.926 повідомленні
|
Re: Изготовление акваконтроллера ===www.aquaforum.ua===
Олег, платы получил. Качество действительно супер !!!
__________________
[I][B][COLOR=blue]С уважением, Сергей Таранченко[/COLOR][/B][/I]
|
|
|
|
cказали "Дякую" Starcomputer за цей допис:
|
|
14.03.2009, 21:23
|
#14
|
|
Живу я тут
Реєстрація: 12.02.2008
Звідки Ви: Оболонь, Петровка
Дописи: 8.891
сказав Дякую: 2.489
сказали Дякую 2.878 раз(и) в 2.065 повідомленні
|
Re: Изготовление акваконтроллера ===www.aquaforum.ua===
Starcomputer, Сергей, а на кнопки чего только два контакта? Механически надежно?
__________________
Свет. ЭПРА, аквариумые лампы т5;т8; МГ-150; LED-комплекты и светильники системы СО2 под ключ. тел: 095 0105853; 098 6143112
Лучшие статьи месяца на Аквафоруме
|
|
|
14.03.2009, 22:26
|
#15
|
|
Живу я тут
Реєстрація: 07.05.2008
Звідки Ви: Нежин
Дописи: 133
сказав Дякую: 232
сказали Дякую 74 раз(и) в 33 повідомленні
|
Re: Изготовление акваконтроллера ===www.aquaforum.ua===
Starcomputer, спасибо за разводку платы!
chack, спасибо за изготовление платы! качество бомба!
Олег вот ссылка на программатор о котором я сегодня с тобой говорил
http://prottoss.com/projects/AVR910....programmer.htm
__________________ 
|
|
|
|
cказали "Дякую" atom за цей допис:
|
|
 |
|
|
Тут присутні: 2 (учасників - 0 , гостей - 2)
|
|
|
Ваші права у розділі
|
Ви не можете створювати теми
Ви не можете писати дописи
Ви не можете долучати файли
Ви не можете редагувати дописи
HTML код Вимк.
|
|
|
Часовий пояс GMT +3. Поточний час: 12:10.
|