 |
|
14.03.2009, 01:01
|
|
|
Изготовление акваконтроллера
Бан за нарушения
Реєстрація: 06.11.2007
Звідки Ви: Донецк, зона АТО
Дописи: 19.780
сказав Дякую: 5.789
сказали Дякую 17.707 раз(и) в 6.926 повідомленні

14.03.2009, 01:01
Рейтинг:
(28 голосов - 4,64 средняя оценка)
Данная тема является прямым продолжением темы Разработка акваконтроллера, созданной AlexThunder, за что ему огромное спасибо 
На данный момент разработка в целом закончена и благодарен всем, кто принимал участие в обсуждении и реализации проекта
С помощью Chack'а были заказаны и изготовлены печатные платы
 
И сейчас начнется наверно самый интересный этап - сборка и настройка
Схема, плата, прошивка находятся в архиве во вложении.
ИСХОДНИКОВ ПРОГРАММЫ НЕТ !!! ПРОШИВКУ ИЗМЕНИТЬ НЕЛЬЗЯ !!!
Необходимое программное обеспечение:
Схема - sPlan 6.0 (для версии 3 - 7.0)
Плата - Slayout 5.0 / 6.0
Внимание !!! В процессе сборки и наладки в схему могут быть внесены изменения ! Следите за обновлением архива !!!
...........
New_controller-2V1 - плата с косметическими правками и обозначением элементов.
Контроллер-V.3 - улучшенный вариант (симисторы в одну линию, питание +12V, два диммера, USB на борту, 4 усилителя, отдельный разъем для клавиатуры).
Version 3.1 SMD - версия 3 для СМД элементов.
Плата1V5smd - многоплатная версия от "Пупс" (контроллер + силовая часть + клавиатура + усилители + кулер для силовой части).
Контроллер V3 DIP - все нужное для сборки версии 3.0 DIP.
Firmware.rar - прошивки от Володя_Череп для нормальной работы с USB на ATTiny2313.
Прошивки.rar - архив прошивок:
ATmega_32 - стандартная прошивка
Atmega_32_EE - прошивка EEPROM
ATmega_32_9600 - скорость UART 9600
ATmega_32_PWM_244Hz - использование ШИМ для управления драйверами. Вход PWM LDD подключается непосредственно к выводу 13 или 14 ATmega.
Программирование fuse-битов:
При прошивке микроконтроллеров необходимо запрограммировать (записать 0) следующие fuse-биты:
- для ATmega32 - BOOTSZ0, BOOTSZ1, SPIEN
- для ATtiny2313 - CKSEL0, SUT0, BODLEVEL1, WDTON, SPIEN
- для ATtiny13 - SPIEN, CKDIV8, SUT0, CKSEL0 (данная микросхема используется для схемы регулировки венилятора)
Все остальные fuse-биты должны быть незапрограммированы (равны 1).
Uniprof:
Fuse-бит будет запрограммирован, если убрать галочку в соответствующем поле.
Fuse-бит будет незапрограммирован, если поставить галочку в соответствующем поле.
CodeVisionAVR:
Fuse-бит будет запрограммирован, если поставить галочку в соответствующем поле.
Fuse-бит будет незапрограммирован, если убрать галочку в соответствующем поле.
AVRDUDE:
ATmega: -U lfuse:w:0xff:m -U hfuse:w:0xd9:m
ATtiny2313: -U lfuse:w:0xee:m -U hfuse:w:0xcb:m -U efuse:w:0xff:m
ATtiny13: -U lfuse:w:0x6a:m -U hfuse:w:0xff:m
Мініатюри долучень
Долучені файли
 |
Контроллер.rar (423,9 КБ, 20089 переглядів) |
 |
AquaControl.rar (3,48 МБ, 19644 переглядів) |
 |
New_controller-2V1.rar (59,8 КБ, 16322 переглядів) |
 |
PL2303-USB.rar (2,03 МБ, 14126 переглядів) |
 |
Новый контроллер-3.rar (43,5 КБ, 15156 переглядів) |
 |
Плата для WH2004A.rar (278,0 КБ, 14436 переглядів) |
 |
USB.rar (219,9 КБ, 14004 переглядів) |
 |
Контроллер-V.3.zip (86,5 КБ, 15916 переглядів) |
 |
Version 3.1 SMD.zip (158,5 КБ, 15863 переглядів) |
 |
Полезная информация.pdf (306,9 КБ, 21936 переглядів) |
 |
Плата1v5smd.rar (165,9 КБ, 14008 переглядів) |
 |
Контроллер V3 DIP.zip (151,0 КБ, 16354 переглядів) |
 |
Firmware.rar (21,6 КБ, 13254 переглядів) |
 |
Aqua Control 2007 HELP.rar (172,4 КБ, 13491 переглядів) |
 |
THelper.rar (57,3 КБ, 12925 переглядів) |
 |
Прошивки.rar (68,0 КБ, 12007 переглядів) |
__________________
[I][B][COLOR=blue]С уважением, Сергей Таранченко[/COLOR][/B][/I]
Востаннє редагував Starcomputer: 19.04.2016 о 12:18..
Причина: Добавлен архив прошивок
|
|
Переглядів: 2353928
|
|
Ці 134 користувач(ів) сказали Дякую Starcomputer за це повідомлення:
|
+Максимус+ (31.08.2012), agorin (18.04.2009), aides (14.08.2013), AkaPain (07.02.2014), Aleksta (15.01.2012), ALEX77 (14.08.2009), AlexThunder (17.02.2010), alexv3 (10.04.2011), Alex_Ts (14.03.2009), Allcoholl (13.12.2009), ANTONENKO (02.04.2012), Antoxa106 (28.04.2013), AquaGomel (14.10.2010), arconas (05.02.2012), arik17 (12.10.2014), Ashatshem (09.02.2011), atom (17.05.2009), Baks (14.03.2009), BearIgor (23.03.2012), BELOUS (06.12.2011), biolog (21.11.2009), BlackAlex (14.03.2009), bmw (29.05.2009), bodom (25.05.2011), bonus78 (15.11.2009), Bosyak (19.01.2011), BpyH (29.01.2010), chack (14.03.2009), Cristal (15.06.2012), DEaD_MOPO3 (28.09.2011), Dimitr (12.02.2010), Dimker (15.06.2012), DiSan (25.12.2013), dolfik (05.01.2011), drv (31.08.2016), dubishe (21.12.2012), Dyshakz (14.02.2017), ersergey (14.04.2012), fylhttd (17.03.2009), gagari1 (13.02.2012), germanovitsh (01.11.2012), GrishaBGA (23.03.2009), Gutsik (17.07.2013), harn (04.07.2011), Heet (05.12.2009), iceSS (19.03.2009), igoritto (24.10.2010), IgorVin (10.02.2010), imac2008 (27.11.2010), iTango (08.08.2011), ivanaxion (31.08.2012), Kent (21.10.2010), kirilo777 (09.03.2012), klimnet (20.08.2012), klinok (05.09.2010), kluyt (17.08.2009), kollega-lg (21.04.2016), Koralove (24.10.2013), KostyaD (04.06.2009), kramar (14.03.2009), kusfu (28.09.2011), kvn79 (14.03.2009), Lexzx (24.03.2010), liss15 (14.10.2009), litlechina (05.05.2022), live steel (26.06.2012), lumen_xp (27.03.2012), LVit (27.11.2009), mact (14.05.2014), Makclaj (27.02.2011), masterross (11.12.2011), Mehannik (12.03.2015), MIhail (17.07.2011), myrko (15.04.2012), nbinc (12.05.2014), Nickname (25.06.2009), Nikolos667 (14.08.2011), Olzhich (18.03.2009), Oppozith (17.12.2012), Pastuh1234 (29.07.2012), pimass (15.03.2012), pulpit (21.11.2009), regiuscz (11.03.2011), rusianGrt (15.02.2010), rustr (20.09.2011), Ryzhii (10.04.2013), S V (10.01.2010), sae74 (15.02.2010), sergey_ln (28.02.2012), serjik2000 (03.07.2009), Sesh (31.05.2009), seva (19.01.2011), Shurhent (02.07.2011), Smile8 (28.09.2010), sobolev (21.09.2011), solvi (14.03.2009), sonokam (08.12.2011), sv46 (12.07.2011), Swen (15.06.2009), TakedaMaru (20.05.2013), telepuzic (22.02.2012), Tihon (04.01.2013), timofey (11.11.2009), Tiratore.d (08.11.2019), tolik_erema (04.03.2011), Ty3uK (22.03.2009), Umnik (13.01.2012), Uselink (10.02.2010), vad1972 (05.05.2010), Viktorrr (22.12.2012), vill (29.09.2010), Vitaha (26.11.2009), VitalyD (03.10.2010), VKabanov (29.04.2009), VladHNet (07.08.2009), VladVP (15.01.2012), _Vadim (11.02.2010), Амфибия (15.05.2009), Вася (14.07.2009), Володя Череп (14.03.2009), дух святой истины (16.03.2009), Ёжик в Тумане (28.02.2011), Зелёный (19.01.2012), Кениец (30.11.2009), Мираж (25.02.2012), Михаил. (14.07.2011), Молекула (04.04.2009), МСВ (19.02.2012), Пупс (20.07.2011), Рудницкий Олександр (18.01.2012), Снегозавр (20.02.2013), Шаманчик (27.10.2009), ЭКСПЕРИМЕНТАТОР (04.04.2009), Юрий Н. (17.08.2010) |
22.03.2011, 22:21
|
#2626
|
|
Живу я тут
Реєстрація: 31.07.2010
Звідки Ви: Белоруссия, Гомель
Дописи: 413
сказав Дякую: 38
сказали Дякую 192 раз(и) в 87 повідомленні
|
Re: Відповідь: Re: Изготовление акваконтроллера ===www.aquaforum.ua===
Цитата:
Допис від Володя Череп
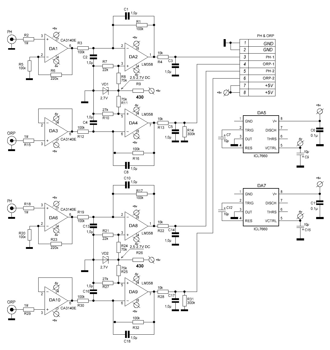
При нулевом напряжении на центральном контакте BNC-разъема "PH" (т.е. замыкании на землю) на 39-м выводе МК (вход ADC1) должно быть 1,2В. При напряжении 0,4В на центральном контакте BNC-разъема на 39-м выводе МК должно быть около 0В.
|
При закорачивании ПШ разъема на 39 ноге контроллера у меня 3.5 вольт и они не меняются, что в закороченном что не в закороченном там все равно 3.5 И еще на стабилитроне вместо 2.7 у меня 2.85... Хз куда рыть... укажите хотя бы направление...
п.с. на всех са3140 правильный вольтаж на 7 +5 на 4 -5
|
|
|
22.03.2011, 22:50
|
#2627
|
|
Придивляюся
Реєстрація: 22.03.2011
Звідки Ви: Vinnitsa
Дописи: 2
сказав Дякую: 0
сказали Дякую 0 раз(и) в 0 повідомленні
|
Re: Відповідь: Re: Изготовление акваконтроллера ===www.aquaforum.ua===
Добрый вечер! Ребята, а подскажите чайнику, у кого можно заказать платы для этого замечательного контроллера?
|
|
|
23.03.2011, 01:54
|
#2628
|
|
Живу я тут
Реєстрація: 28.06.2003
Звідки Ви: Киев
Дописи: 757
сказав Дякую: 831
сказали Дякую 833 раз(и) в 397 повідомленні
|
Відповідь: Re: Відповідь: Re: Изготовление акваконтроллера ===www.aquaforum.ua===
Цитата:
Допис від AquaGomel
И еще на стабилитроне вместо 2.7 у меня 2.85...
|
Не страшно. В этом случае при закорачивании разъема "PH" на 39-й ноге МК должно быть 1,3В.
Цитата:
Допис від AquaGomel
Хз куда рыть... укажите хотя бы направление...
|
Если напряжение на выводах питания микросхем в норме, то надо проверить напряжение в разных точках пути следования сигнала.
DA2:
pin 2,3,6 - 0V
DA3:
pin 2, 3 - 0,65V (напряжение на стабилитроне * 22 / (22 + 75) )
pin 6 - 1,3V (2 * напряжение на pin 2)
Если напряжение в указанных точках в пределах нормы, то отключите питание, вытащите МК из панельки, затем включите питание и еще раз проверьте напряжение на 39-м контакте панельки. Если без МК там будет 1,3V, значит проблема в МК (МК надо перепрошить или заменить на другой). Если же там по-прежнему будет 3,5V, то надо искать дефект платы или монтажа (при выключенном питании проверить сопротивление между 39-м контактом панельки и 6-м выводом микросхемы DA3 - должно быть 10 КОм; проверить сопротивление между 39-м контактом панельки и соседними дорожками на плате контроллера при отключенной плате усилителя - оно должно быть больше пределов измерения тестера).
Востаннє редагував Володя Череп: 16.03.2012 о 23:42..
|
|
|
|
cказали "Дякую" Володя Череп за цей допис:
|
|
23.03.2011, 03:04
|
#2629
|
|
Живу я тут
Реєстрація: 31.07.2010
Звідки Ви: Белоруссия, Гомель
Дописи: 413
сказав Дякую: 38
сказали Дякую 192 раз(и) в 87 повідомленні
|
Re: Изготовление акваконтроллера ===www.aquaforum.ua===
Сопротивления в норме... А вот с напряжением полный разброд...

Да и еще без подключения платы усилителя на 39 ноге у меня напруга 1.15 и на контактах PHin и mVin тоже 1.15 т.е. сам контроллер работает верно а вот с усилителе не понятки... Как можно проверить усилитель отдельно от контроллера есть ли какие точки для проверки, буду признателен за любую инфу...
Востаннє редагував AquaGomel: 23.03.2011 о 11:47..
|
|
|
23.03.2011, 10:34
|
#2630
|
|
Бан за нарушения
Реєстрація: 06.11.2007
Звідки Ви: Донецк, зона АТО
Дописи: 19.780
сказав Дякую: 5.789
сказали Дякую 17.707 раз(и) в 6.926 повідомленні
|
Re: Відповідь: Re: Изготовление акваконтроллера ===www.aquaforum.ua===
__________________
[I][B][COLOR=blue]С уважением, Сергей Таранченко[/COLOR][/B][/I]
|
|
|
23.03.2011, 10:51
|
#2631
|
|
Живу я тут
Реєстрація: 03.11.2010
Звідки Ви: Мариуполь
Дописи: 368
сказав Дякую: 10
сказали Дякую 140 раз(и) в 88 повідомленні
|
Re: Изготовление акваконтроллера ===www.aquaforum.ua===
А в чем проблема-вот цитата из правил форума. Кроме того Вы 2-а года торговали платами и индикаторами на этом форуме?
2.3. ДОПУСКАЕТСЯ обсуждение:
2.3.1. всех проблем, связанных с содержанием обитателей аквариума;
2.3.2. оборудования и предметов ухода за аквариумом;
2.3.3. растений, предназначенных для оформления аквариума (водоема) как внутри него, так и вне, но лишь в той мере, в какой это связано с содержанием рыб;
2.3.4. кормов, лекарств для рыб и специальных добавках для улучшения качества воды, произрастания растений;
2.3.5. вопросов торговли ЕДИНИЧНЫМИ экземплярами рыб, оборудования и принадлежностей и обмена животными непосредственно между участниками данного форума. Предложения по торговле с оптовой поставкой, а также от лица фирм, торговых объединений, частных предпринимателей будет рассматриваться как РЕКЛАМА. Такие предложения должны быть размещены согласно правилам размещения рекламы;
|
|
|
23.03.2011, 10:57
|
#2632
|
|
Бан за нарушения
Реєстрація: 06.11.2007
Звідки Ви: Донецк, зона АТО
Дописи: 19.780
сказав Дякую: 5.789
сказали Дякую 17.707 раз(и) в 6.926 повідомленні
|
Re: Изготовление акваконтроллера ===www.aquaforum.ua===
Цитата:
Допис від pdv1965
Кроме того Вы 2-а года торговали платами и индикаторами на этом форуме?
|
Конкретно я на этом форуме за 4 года продал только две лишние платы контроллера через раздел продам.
К тому же указания модераторов в теме не обсуждаются.
__________________
[I][B][COLOR=blue]С уважением, Сергей Таранченко[/COLOR][/B][/I]
|
|
|
23.03.2011, 11:11
|
#2633
|
|
Живу я тут
Реєстрація: 03.11.2010
Звідки Ви: Мариуполь
Дописи: 368
сказав Дякую: 10
сказали Дякую 140 раз(и) в 88 повідомленні
|
Re: Изготовление акваконтроллера ===www.aquaforum.ua===
Под словом Вы я имел ввиду участников форума.
А если указания модераторов идут вопреки с правилами форума?
|
|
|
23.03.2011, 11:22
|
#2634
|
|
Бан за нарушения
Реєстрація: 06.11.2007
Звідки Ви: Донецк, зона АТО
Дописи: 19.780
сказав Дякую: 5.789
сказали Дякую 17.707 раз(и) в 6.926 повідомленні
|
Re: Изготовление акваконтроллера ===www.aquaforum.ua===
Цитата:
Допис від pdv1965
А если указания модераторов идут вопреки с правилами форума?
|
Вы можете пожаловаться Администратору форума на противоправные с Вашей точки зрения действия модератора.
Хотя если Вы уж так печетесь о букве правил:
Цитата:
1.4. Модераторы следят за соответствием установленной для данного форума тематики и обеспечивают нормальное течение обсуждений по затрагиваемым темам, правильность использования общепринятых терминов и определений, норм установленного языка общения. Модератор может вмешаться в любое обсуждение темы и, в случае нарушения правил пользования, вынести одному или нескольким участником предупреждения с указанием конкретного нарушения, вплоть до закрытия данной текущей темы. Действия Модератора в конкретных условиях не обсуждаются и должны быть приняты к немедленному исполнению.
В частном порядке (но не в рамках тематики форума) у Администратора можно попросить разъяснения на действия Модератора. Решение Администратора ОКОНЧАТЕЛЬНОЕ как для участников, так и для Модераторов.
|
Дальнейшее обсуждение данного вопроса в теме будет расценено как нарушение правил.
Цитата:
Допис від pdv1965
Под словом Вы я имел ввиду участников форума.
|
В данной теме продавались платы из коллективного заказа, который был сделан по просьбе форумчан.
__________________
[I][B][COLOR=blue]С уважением, Сергей Таранченко[/COLOR][/B][/I]
|
|
|
23.03.2011, 11:26
|
#2635
|
|
Живу я тут
Реєстрація: 03.11.2010
Звідки Ви: Мариуполь
Дописи: 368
сказав Дякую: 10
сказали Дякую 140 раз(и) в 88 повідомленні
|
Re: Изготовление акваконтроллера ===www.aquaforum.ua===
Так и я ответил на просьбу форумчанина помочь с изготовлением плат.
Кроме того я сразу убрал свое предложение и перешел на общение индивидуально.
|
|
|
23.03.2011, 11:28
|
#2636
|
|
Бан за нарушения
Реєстрація: 06.11.2007
Звідки Ви: Донецк, зона АТО
Дописи: 19.780
сказав Дякую: 5.789
сказали Дякую 17.707 раз(и) в 6.926 повідомленні
|
Re: Изготовление акваконтроллера ===www.aquaforum.ua===
Цитата:
Допис від pdv1965
Кроме того я сразу убрал свое предложение и перешел на общение индивидуально.
|
Я видел. Поэтому было сделано общее предупреждение, а не лично Вам.
__________________
[I][B][COLOR=blue]С уважением, Сергей Таранченко[/COLOR][/B][/I]
|
|
|
23.03.2011, 11:31
|
#2637
|
|
Живу я тут
Реєстрація: 03.11.2010
Звідки Ви: Мариуполь
Дописи: 368
сказав Дякую: 10
сказали Дякую 140 раз(и) в 88 повідомленні
|
Re: Изготовление акваконтроллера ===www.aquaforum.ua===
Хорошо, вопрос закрыли. Ну и похвастаться соловым блоком.
|
|
|
23.03.2011, 13:11
|
#2638
|
|
Живу я тут
Реєстрація: 28.06.2003
Звідки Ви: Киев
Дописи: 757
сказав Дякую: 831
сказали Дякую 833 раз(и) в 397 повідомленні
|
Відповідь: Re: Изготовление акваконтроллера ===www.aquaforum.ua===
Цитата:
Допис від AquaGomel
Сопротивления в норме... А вот с напряжением полный разброд...
|
А что не так с напряжением? В Вашем сообщении есть ссылка на какое-то изображение, но самого изображения не видно.
Цитата:
Допис від AquaGomel
Как можно проверить усилитель отдельно от контроллера есть ли какие точки для проверки, буду признателен за любую инфу...
|
Для этого надо подключить три средних контакта (+5V, GND, -5V) разъема "PH & ORP" платы усилителя к биполярному источнику питания и, замкнув контакты BNC-разъема "PH", проверить напряжение в точках, указанных в моем предыдущем сообщении. Но в Вашем случае этого можно уже не делать. Изменение напряжения на 39-й ноге при отключении платы усилителя указывает, что 39-й нога в норме.
Сообщите напряжение в указанных точках. Посмотрим, что не так.
|
|
|
23.03.2011, 13:46
|
#2639
|
|
Живу я тут
Реєстрація: 31.07.2010
Звідки Ви: Белоруссия, Гомель
Дописи: 413
сказав Дякую: 38
сказали Дякую 192 раз(и) в 87 повідомленні
|
Re: Відповідь: Re: Изготовление акваконтроллера ===www.aquaforum.ua===
Цитата:
Допис від Володя Череп
Сообщите напряжение в указанных точках. Посмотрим, что не так.
|
Еще раз выкладываю фото прямо тут.
И продублирую значения напряжений:
DA2: 6 -3.2в 2- 0.36в 3 - 0.6в
DA3: 6- 3.61в 2-0в 3 -0.75в
При подключении усилителя к контроллеру на Phin и mVin становится около 3.4-3.6 в при отключении усилителя 1.2в...
Вот такие вот пироги... то ли у меня руки кривые то ли... на этом варианты заканчиваются ... 
|
|
|
|
cказали "Дякую" AquaGomel за цей допис:
|
|
23.03.2011, 17:13
|
#2640
|
|
Живу я тут
Реєстрація: 28.06.2003
Звідки Ви: Киев
Дописи: 757
сказав Дякую: 831
сказали Дякую 833 раз(и) в 397 повідомленні
|
Відповідь: Изготовление акваконтроллера ===www.aquaforum.ua===
Каким паяльником паялись микросхемы - с регулировкой температуры (при какой температуре?) или без нее? Наиболее вероятной причиной мне кажется перегрев микросхем при пайке, но перед тем, как перепаивать микросхемы, надо как-то объяснить странное напряжение на 3-м выводе DA2 и 2-м выводе DA3.
Я рекомендовал измерять напряжение при замкнутых контактах BNC-разъема "PH". Замкнули ли Вы эти контакты между собой во время измерения напряжения?
На фотографии не видно резистора 1M между центральным контактом BNC-разъема "PH" и 3-м выводом микросхемы DA2. Этот резистор запаян с обратной стороны платы или центральный контакт BNC-разъема "PH" припаян непосредственно к 3-му выводу микросхемы DA2 без этого резистора?
Осмотрите обратную сторону платы на предмет наличия случайных перемычек припоя между дорожками. Подозреваю наличие такой перемычки между землей и дорожкой от 2-го вывода микросхемы DA3.
|
|
|
 |
|
|
Тут присутні: 42 (учасників - 0 , гостей - 42)
|
|
|
Ваші права у розділі
|
Ви не можете створювати теми
Ви не можете писати дописи
Ви не можете долучати файли
Ви не можете редагувати дописи
HTML код Вимк.
|
|
|
Часовий пояс GMT +3. Поточний час: 14:44.
|