 |
|
09.04.2016, 08:38
|
#1
|
|
Живу я тут
Реєстрація: 21.07.2009
Звідки Ви: Оболонь
Дописи: 587
сказав Дякую: 86
сказали Дякую 102 раз(и) в 82 повідомленні
|
Re: Контроллер на базе Arduino Mega 2560 + 3.2" TFT Touch LCD ===www.aquaforum.ua===
так у многих дата желтый. Пришлось вскрывать датчик и заново герметизировать чтоб распиновку понять. Подключение таки правильное. Попробовать укоротить кабель? (я к родному дорастил еще метр т.к метровый для меня короткий) но у народа и с 5 метровыми пашут? Кстати в понедельник попробую уже с другим датчиком Не сочтите за рекламу но из того что уже в Украине в наличии этот вроде как самый дешевый http://ardu.net/ru/datchiki-i-sensor...190873537.html
__________________
реанимация компьютеров, серверов, сетей, телефонов-планшетов.
|
|
|
09.04.2016, 08:40
|
#2
|
|
Бан за нарушения
Реєстрація: 04.01.2009
Звідки Ви: Полтава
Дописи: 5.494
сказав Дякую: 6.242
сказали Дякую 5.758 раз(и) в 2.264 повідомленні
|
Re: Контроллер на базе Arduino Mega 2560 + 3.2" TFT Touch LCD ===www.aquaforum.ua===
alex_palace, Могу сказать что у Вас первого не работает датчик на этой программе.
В чем причина - не знаю.
__________________ 
|
|
|
09.04.2016, 10:13
|
#3
|
|
Живу я тут
Реєстрація: 21.07.2009
Звідки Ви: Оболонь
Дописи: 587
сказав Дякую: 86
сказали Дякую 102 раз(и) в 82 повідомленні
|
Re: Контроллер на базе Arduino Mega 2560 + 3.2" TFT Touch LCD ===www.aquaforum.ua===
как в том анекдоте.. "то-ли свисток попадется без дырки, то-ли акула попадется глухая" ... Пришла тут идейка в процедуру поиска датчика временно добавить явный вывод чего-либо (либо включить какой нибудь светодиод на свободном пине либо текст ... чтоб увидеть явно что он пытается хотя-бы его искать... Датчик таки 100% рабочий 
__________________
реанимация компьютеров, серверов, сетей, телефонов-планшетов.
|
|
|
09.04.2016, 10:27
|
#4
|
|
Живу я тут
Реєстрація: 21.07.2009
Звідки Ви: Оболонь
Дописи: 587
сказав Дякую: 86
сказали Дякую 102 раз(и) в 82 повідомленні
|
Re: Контроллер на базе Arduino Mega 2560 + 3.2" TFT Touch LCD ===www.aquaforum.ua===
sae74,
Сел только что построчно сравнивать DS18x20_Temperature и DS_Datchik
в первом !ds.search(addr)) в Вашем PortDatchTemp.search (address)
У меня из-за новой версии UTFT компилится на 1.6.8 и OneWire обновленный через автообновления. Заменил на addr в аргументе. Скомпилировалось нормально, попробую в понедельник залить и проверить.
УПД - посмотрел на http://www.pjrc.com/teensy/td_libs_OneWire.html - таки аддр а не аддресс (возможно таки или менять в скетче или Вашу библиотеку надо біло вставлять а не обновленную.. скорее всего вопрос будет с вероятностью 99% закрыт! Те датчики что приедут один использую для контроля температуры воздуха в нише с аквой а второй если подскажете к какому пину  использую для контроля температуры рампы с ЛЕД-лентой.
Кстати и с питанием вопрос закрываю - приехал вчера блок питания http://ru.aliexpress.com/item/24V-sw...ilNewVersion=2 (покупал со скидкой за 6.5 ) т.к лента у меня в сумме максимальных яркостей кушает чуть меньше 6 ампер то добавив сайлент-вентилятор поставлю http://ardu.net/ru/istochniki-pitani...219893846.html и от него возьму 5в и на мегу и на релюшки. Тогда останется только сваять корпус и вместо нескольких блоков буду питать одним 24 вольтовым. (вторым вариантом будет разобрать мой Мейнвилл 600 ваттник, вынуть из кожуха и убрать родной вентилятор 50 мм который таки слишком шумный и сменить его на общий 150 мм
В принципе вырисовывается неплохое устройство  Датчик PH уже заказываю (правда 1) останется вопрос корпуса и входных и выходных разьемов.
УПД может кто сдаст точку альтернативную http://voron.ua/ ? Заказываю корпус, розетки и разьемы под ленту и датчики тут... но может у кого выходы есть на еще дешевле?
__________________
реанимация компьютеров, серверов, сетей, телефонов-планшетов.
Востаннє редагував alex_palace: 09.04.2016 о 11:11..
|
|
|
09.04.2016, 10:37
|
#5
|
|
Бан за нарушения
Реєстрація: 04.01.2009
Звідки Ви: Полтава
Дописи: 5.494
сказав Дякую: 6.242
сказали Дякую 5.758 раз(и) в 2.264 повідомленні
|
Re: Контроллер на базе Arduino Mega 2560 + 3.2" TFT Touch LCD ===www.aquaforum.ua===
alex_palace, Я писал именно под те библиотеки что выложил вместе с исходником.
Если Вы что то изменили то меняйте везде где есть ссылки на измененный код.
__________________ 
|
|
|
|
cказали "Дякую" sae74 за цей допис:
|
|
09.04.2016, 11:32
|
#6
|
|
Живу я тут
Реєстрація: 21.07.2009
Звідки Ви: Оболонь
Дописи: 587
сказав Дякую: 86
сказали Дякую 102 раз(и) в 82 повідомленні
|
Re: Контроллер на базе Arduino Mega 2560 + 3.2" TFT Touch LCD ===www.aquaforum.ua===
Специально скачал и попробовал скомпилить в среде что выложена со скетчем. В неизмененном варианте компилируется без проблем. Как только меняю ITDB32S на ITDB32WC (под мой єкран) ругается на отсутствие оного в библиотеке. Подменяю UTFT на свою, начинают сыпаться зависимости  уже по библиотеке УТФТ... (требует менять и утфт ФАТ и тач..) при их замене прихожу к тому-же что и несколькими страницами раньше - ошибки сетевых библиотек.. вообщем изначальная таки проблема в несоответствующем дисплее зацепившим все остальное
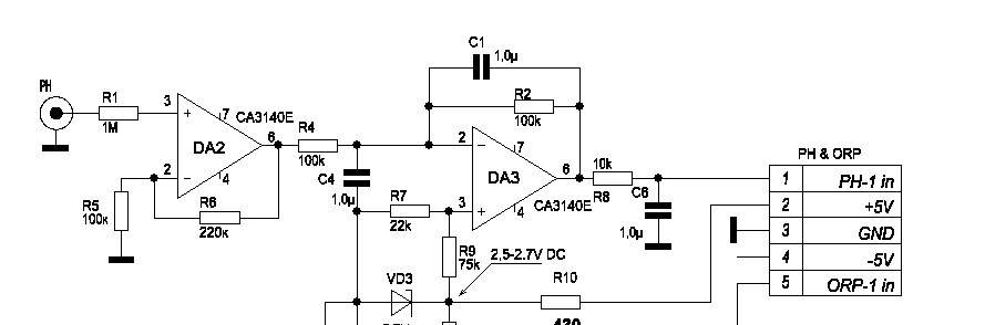
sae74, CA3140E на Вороне не нахожу
с таким вариантом будет работать?
Скрытый текст
тут все по списку есть, и собирается аж гривен на 30-40 
__________________
реанимация компьютеров, серверов, сетей, телефонов-планшетов.
|
|
|
09.04.2016, 11:55
|
#7
|
|
Бан за нарушения
Реєстрація: 04.01.2009
Звідки Ви: Полтава
Дописи: 5.494
сказав Дякую: 6.242
сказали Дякую 5.758 раз(и) в 2.264 повідомленні
|
Re: Контроллер на базе Arduino Mega 2560 + 3.2" TFT Touch LCD ===www.aquaforum.ua===
alex_palace, если сам усилитель работает - то на моем скетче тоже работать будет.
Попробуйте только сам драйвер добавить в мою УТФТ.
__________________ 
|
|
|
10.04.2016, 23:53
|
#8
|
|
Придивляюся
Реєстрація: 16.08.2010
Звідки Ви: Херсонская обл.
Дописи: 53
сказав Дякую: 10
сказали Дякую 11 раз(и) в 7 повідомленні
|
Re: Контроллер на базе Arduino Mega 2560 + 3.2" TFT Touch LCD ===www.aquaforum.ua===
Цитата:
Допис від alex_palace
....... CA3140E на Вороне не нахожу ............
|
Брал на Олх по 12 грн. неделю назад, сам долго искал и на Вороне то же, на Космодроме по 50 грн.
Если интересно, поищу ссылку. TL-ми заменить насколько я понял нельзя, только одну из них разве что.
|
|
|
|
Ці 2 користувач(ів) сказали Дякую sergey_ln за це повідомлення:
|
|
11.04.2016, 06:20
|
#9
|
|
Живу я тут
Реєстрація: 21.07.2009
Звідки Ви: Оболонь
Дописи: 587
сказав Дякую: 86
сказали Дякую 102 раз(и) в 82 повідомленні
|
Re: Контроллер на базе Arduino Mega 2560 + 3.2" TFT Touch LCD ===www.aquaforum.ua===
Цитата:
Допис від sergey_ln
Брал на Олх по 12 грн. неделю назад, сам долго искал и на Вороне то же, на Космодроме по 50 грн.
Если интересно, поищу ссылку. TL-ми заменить насколько я понял нельзя, только одну из них разве что.
|
т.е схема под спойлером не будет работать?
__________________
реанимация компьютеров, серверов, сетей, телефонов-планшетов.
|
|
|
09.04.2016, 12:08
|
#10
|
|
Живу я тут
Реєстрація: 21.07.2009
Звідки Ви: Оболонь
Дописи: 587
сказав Дякую: 86
сказали Дякую 102 раз(и) в 82 повідомленні
|
Re: Контроллер на базе Arduino Mega 2560 + 3.2" TFT Touch LCD ===www.aquaforum.ua===
усилитель взял из соседней темы http://www.aquaforum.ua/archive/inde...34275-p-7.html
попробовать могу (и скорее всего замена utft.h и папок в библиотеке даст скомпилить но вот будет ли изображение и будет ли точно работать тач.. вариантов под єтот єкран нарыл минимум 7 или 8 но каждый надо допиливать, изображение есть но тач зеркален или изображение сдвинуто или ... вариантов море  этот вариант самый близкий к реальности... после того как китайцы стали тулить в экраны что ни попадя вспомнился времен распада совка анекдот насчет того что китайские пи..расы тоже жовтоблакитни.. потому что пи..расы  3.95 экранчик тоже еле завел  тоже допиливать напильником пришлось в отличии от такого-же но оригинала . выглядит 1 к 1 но начинка разная
Думаю таки в понедельник и на 1.68 все заведется.. Сравнил внутрянку библиотеки термодатчика и в моей версии (последней) таки аддрр а в Вашей аддресс  ) вот и нашлось ...
таки надеюсь уже на следующей неделе готовый вариант уже принести домой и имплантировать
заказал все и под обвязку и под усилитель РН
останется придумать крепление помп.
сложость в придумывании как использовать противовибрационный родной подвес... уж больно крепление хитрое 
__________________
реанимация компьютеров, серверов, сетей, телефонов-планшетов.
Востаннє редагував alex_palace: 09.04.2016 о 12:13..
|
|
|
|
cказали "Дякую" alex_palace за цей допис:
|
|
09.04.2016, 12:11
|
#11
|
|
Бан за нарушения
Реєстрація: 04.01.2009
Звідки Ви: Полтава
Дописи: 5.494
сказав Дякую: 6.242
сказали Дякую 5.758 раз(и) в 2.264 повідомленні
|
Re: Контроллер на базе Arduino Mega 2560 + 3.2" TFT Touch LCD ===www.aquaforum.ua===
alex_palace,там отдельно библиотеки на экран, на тач, на карту памяти, на датчик температуры
__________________ 
|
|
|
11.04.2016, 11:20
|
#12
|
|
Живу я тут
Реєстрація: 21.07.2009
Звідки Ви: Оболонь
Дописи: 587
сказав Дякую: 86
сказали Дякую 102 раз(и) в 82 повідомленні
|
Re: Контроллер на базе Arduino Mega 2560 + 3.2" TFT Touch LCD ===www.aquaforum.ua===
Цитата:
Допис від sae74
alex_palace,там отдельно библиотеки на экран, на тач, на карту памяти, на датчик температуры
|
на 1.06 в комплекте после замены всех библиотек УТФТ на от 1.68 все заработало. Датчик нашелся. Экран наконец стал на место и тач работает  )
На 1.68 принципиально не ищет датчик даже со старыми библиотеками...
Теперь вопрос - датчик температуры лед я так понял будет работать только если он 5й по счету?
__________________
реанимация компьютеров, серверов, сетей, телефонов-планшетов.
|
|
|
09.04.2016, 12:43
|
#13
|
|
Бан за нарушения
Реєстрація: 04.01.2009
Звідки Ви: Полтава
Дописи: 5.494
сказав Дякую: 6.242
сказали Дякую 5.758 раз(и) в 2.264 повідомленні
|
Re: Контроллер на базе Arduino Mega 2560 + 3.2" TFT Touch LCD ===www.aquaforum.ua===
Цитата:
Допис від alex_palace
останется придумать крепление помп.
сложость в придумывании как использовать противовибрационный родной подвес... уж больно крепление хитрое
|
я прикрепил так.
Эти помпы тихие когда заполнены и работают не вхолостую.
__________________ 
|
|
|
11.04.2016, 11:32
|
#14
|
|
Живу я тут
Реєстрація: 21.07.2009
Звідки Ви: Оболонь
Дописи: 587
сказав Дякую: 86
сказали Дякую 102 раз(и) в 82 повідомленні
|
Re: Контроллер на базе Arduino Mega 2560 + 3.2" TFT Touch LCD ===www.aquaforum.ua===
sae74, Огромная просьба, а не могли-бы скинуть исходник кнопок с цифрами? (или хотя-бы размеры в пикселях) Хочу чуть под себя допилить и цифры поменять на надписи (1 - R 2 - G .. 9 - Ka 8 - Fe ) может уже оборзел но мне таки было-бы удобнее  )) из РАВ их уже не поднимает никто кроме ардуинки.
__________________
реанимация компьютеров, серверов, сетей, телефонов-планшетов.
|
|
|
11.04.2016, 13:20
|
#15
|
|
Бан за нарушения
Реєстрація: 04.01.2009
Звідки Ви: Полтава
Дописи: 5.494
сказав Дякую: 6.242
сказали Дякую 5.758 раз(и) в 2.264 повідомленні
|
Re: Контроллер на базе Arduino Mega 2560 + 3.2" TFT Touch LCD ===www.aquaforum.ua===
alex_palace, Могу скинуть, но только вечером.
Так что от вас нужно что бы Вы мне об этом напомнили.
А размер 32*32 это цифры от 1 до 9
Датчик заработал?
__________________ 
|
|
|
 |
|
|
Тут присутні: 3 (учасників - 0 , гостей - 3)
|
|
|
Ваші права у розділі
|
Ви не можете створювати теми
Ви не можете писати дописи
Ви не можете долучати файли
Ви не можете редагувати дописи
HTML код Вимк.
|
|
|
Часовий пояс GMT +3. Поточний час: 00:28.
|