На сайт Всеукраинской Ассоциации аквариумистов
На главную страницу форума




Это восстановленная версия форума после взлома!

Здесь можно только просматривать информацию, но нельзя ни войти под своим логином, ни зарегистрироваться, ни написать ответ.
Основной форум тут: http://www.aquaforum.ua
Огромная благодарность Валерию Фоменко (vfomenko), проделавшему колоссальную работу по восстановлению удаленных постов из логов БД.


Вернуться   Аквариум - Форум аквариумистов Aquaforum.kiev.ua > Аквариум и оборудование > "Самоделкин"


Сайт Всеукраинской Ассоциации аквариумистов  

Фотогалерея (Киев)
Фотогалерея (Москва)

Интернет-магазин аквариумных товаров

Справка Пользователи Календарь Поиск Сообщения за день Все разделы прочитаны

"Самоделкин" Все, что можно сделать руками самостоятельно, оригинальные технические решения, пособия для "Очумелых ручек"





Ответ
 
Опции темы Поиск в этой теме Опции просмотра
Старый 21-04-2006, 21:20   #1
@lex
Живу я тут
 
Регистрация: Apr 2006
Адрес: Днепропетровск
Сообщения: 34
Поблагодарил(а): 31
Поблагодарили 8 Раз(а) в 7 Сообщениях
Репутация: 18
Датчик утечки воды

После чтения разных форумов сложилось мнение что протечка внешнего фильтра и (или) УФ стерилизатора и (или) шлангов в местах соединения и др. аквариумного оборудования не редки.
И заметить такую течь можно не сразу. Может кто-то знает какие то заводские датчики утечки воды, которые можно установить в тумбочку с фильтром и прочим оборудованием.
@lex вне форума   Ответить с цитированием
Старый 21-04-2006, 22:28   #2
Slesh
Член Всеукраинской Ассоциации аквариумистов
 
Аватар для Slesh
 
Регистрация: Jul 2003
Адрес: Киев
Сообщения: 547
Поблагодарил(а): 35
Поблагодарили 32 Раз(а) в 19 Сообщениях
Репутация: выкл.
Отправить сообщение для  Slesh с помощью ICQ
Re: Датчик утечки воды

есть решения в КИТ наборах, надо только переделать сам датчик влажности и растянуть его по шлангу или другому девайсу где Вы хотите установить контроль.

но проблем, на радиорынке их нет, или нужно заказывать или делать самому (очень простая схемка)
Вложения
Тип файла: rar Датчик уровня воды.rar (104.2 Кбайт, 674 просмотров)
__________________
[i]!I]

Последний раз редактировалось Slesh, 21-04-2006 в 22:30.
Slesh вне форума   Ответить с цитированием
Эти 4 пользователя(ей) сказали спасибо Slesh за это полезное сообщение:
edyk (02-05-2006), I 4-rever (10-05-2006), Володя Череп (25-04-2006), Павлик Морозов (24-04-2006)
Старый 23-04-2006, 13:27   #3
@lex
Живу я тут
 
Регистрация: Apr 2006
Адрес: Днепропетровск
Сообщения: 34
Поблагодарил(а): 31
Поблагодарили 8 Раз(а) в 7 Сообщениях
Репутация: 18
Re: Датчик утечки воды

Огромное спасибо.
Хочу завтра отдать местным мастерам что б они оцениели стоимость и возможность изготовления данного устройства.
@lex вне форума   Ответить с цитированием
Старый 09-05-2006, 23:22   #4
Павлик Морозов
Член Всеукраинской Ассоциации аквариумистов
 
Аватар для Павлик Морозов
 
Регистрация: Jul 2004
Адрес: Чернигов
Сообщения: 689
Поблагодарил(а): 33
Поблагодарили 40 Раз(а) в 21 Сообщениях
Репутация: 111
Отправить сообщение для  Павлик Морозов с помощью ICQ
Re: Датчик утечки воды

Кто сделал этот датчик (или разобрался в схеме), есть ряд вопросов... помогите!!!
Лучше по Асе переговорить 197978707
__________________
Если повернуться к проблеме лицом, она начинает терять свою силу, открывая причину своего возникновения…
Павлик Морозов вне форума   Ответить с цитированием
Старый 10-05-2006, 09:54   #5
Antonio
Живу я тут
 
Аватар для Antonio
 
Регистрация: Jun 2005
Адрес: Киев, Позняки
Сообщения: 432
Поблагодарил(а): 68
Поблагодарили 53 Раз(а) в 44 Сообщениях
Репутация: 91
Отправить сообщение для  Antonio с помощью ICQ
Re: Датчик утечки воды

Сейчас модным является установка датчиков утечки воды в ванных и кухнях. На полу ставится датчик утечки воды, который соединяется с электрическим вентелем на водопроводной трубе.
Если где-то протекает вода, вентиль закрывает подачу воды в квартиру. Стоит это все в районе 300 у.е.
Вопрос Алексу.
Что Вы хотите добиться своим датчиком? Каков вы ожидаете результат? Писк серены? но если дома никого нет, то это все равно.
__________________
С уважением
Антон
Antonio вне форума   Ответить с цитированием
Старый 10-05-2006, 13:05   #6
Павлик Морозов
Член Всеукраинской Ассоциации аквариумистов
 
Аватар для Павлик Морозов
 
Регистрация: Jul 2004
Адрес: Чернигов
Сообщения: 689
Поблагодарил(а): 33
Поблагодарили 40 Раз(а) в 21 Сообщениях
Репутация: 111
Отправить сообщение для  Павлик Морозов с помощью ICQ
Re: Датчик утечки воды

я хочу эту схему подключить к помпе; в результате - когда датчики теряют контакт с кодой включается помпа для подачи воды из отдельной ёмкости. Вот только куда помпу присадачить на схеме никак не пойму....
__________________
Если повернуться к проблеме лицом, она начинает терять свою силу, открывая причину своего возникновения…
Павлик Морозов вне форума   Ответить с цитированием
Старый 10-05-2006, 13:44   #7
elektro-kot
Живу я тут
 
Аватар для elektro-kot
 
Регистрация: Mar 2005
Адрес: Израиль г.Петах-Тиква.
Сообщения: 692
Поблагодарил(а): 255
Поблагодарили 154 Раз(а) в 117 Сообщениях
Репутация: 86
Отправить сообщение для elektro-kot с помощью MSN
Re: Датчик утечки воды

Помпу подключать нужно через рэле(я надеюсь вы его к схеме подключили).Для комутации помпы в разрыв подключите контакты рэле.Обратите внимание что у рэле есть нормально-открытые и нормально закрытые онтакты.
__________________
With huge respect!
elektro-kot вне форума   Ответить с цитированием
Старый 10-05-2006, 18:57   #8
Павлик Морозов
Член Всеукраинской Ассоциации аквариумистов
 
Аватар для Павлик Морозов
 
Регистрация: Jul 2004
Адрес: Чернигов
Сообщения: 689
Поблагодарил(а): 33
Поблагодарили 40 Раз(а) в 21 Сообщениях
Репутация: 111
Отправить сообщение для  Павлик Морозов с помощью ICQ
Re: Датчик утечки воды

Я в этом деле ЧАНИК. Можно всё это нарисовать, а реле на какие контакты на схеме подключается, и какое именно реле нужно (марка). Я ещё не начал делать - прежде нужно всё разузнать....
__________________
Если повернуться к проблеме лицом, она начинает терять свою силу, открывая причину своего возникновения…
Павлик Морозов вне форума   Ответить с цитированием
Старый 10-05-2006, 19:32   #9
@lex
Живу я тут
 
Регистрация: Apr 2006
Адрес: Днепропетровск
Сообщения: 34
Поблагодарил(а): 31
Поблагодарили 8 Раз(а) в 7 Сообщениях
Репутация: 18
Re: Датчик утечки воды

Цитата:
Сообщение от Antonio
Вопрос Алексу.
Что Вы хотите добиться своим датчиком? Каков вы ожидаете результат? Писк серены? но если дома никого нет, то это все равно.

Вопрос о датчике утечки воды встал после покупки UV-лампы Атман, там где я покупал меня предупредили что они не очень надежные, через какое-то время начинают давать течь, а так как помпа у меня на 1200L - я и задумался как отключить помпу в случае утечки воды. От датчика хочу световой и звуковой сигналы (на случай протечки ночью) и конечно отключение помпы от сети.
@lex вне форума   Ответить с цитированием
Старый 10-05-2006, 19:50   #10
elektro-kot
Живу я тут
 
Аватар для elektro-kot
 
Регистрация: Mar 2005
Адрес: Израиль г.Петах-Тиква.
Сообщения: 692
Поблагодарил(а): 255
Поблагодарили 154 Раз(а) в 117 Сообщениях
Репутация: 86
Отправить сообщение для elektro-kot с помощью MSN
Re: Датчик утечки воды

Цитата:
Сообщение от Павлик Морозов
Я в этом деле ЧАНИК. Можно всё это нарисовать, а реле на какие контакты на схеме подключается, и какое именно реле нужно (марка). Я ещё не начал делать - прежде нужно всё разузнать....
Рэле будет использоваться как комутатор нагрузки(помпа в вашем случае).Теперь:если щема будет запитана от источника питания 14-15В,то вам понадобится рэле с обмоткой на напряжение 12В,из советских на сколько я помню можно использовать рэле типа РЭС-9 или 10.Итак у рэле есть обмотка (электромагнит)вывода этой обмотки подключаем на схему к контактам 1 и 7(полюсовка не имеет значения).Что получили,а получили мы датчик который управляет нашим рэле,т.е при попадании воды на датчик мы слышем "ТИК"-означает что рэле сработало.Теперь нужно заставить наше рэле управлять помпой-разрезаем один из проводов идущих к помпе(любой,но только один из двух),в руках у нас получилось 2 провода(бывшый,теперь разрезаный),эти два провода теперь необходимо подключить к контактам рэле которые выполнят роль выключателя.
__________________
With huge respect!
elektro-kot вне форума   Ответить с цитированием
Этот пользователь сказал спасибо elektro-kot за это полезное сообщение:
Старый 10-05-2006, 20:03   #11
elektro-kot
Живу я тут
 
Аватар для elektro-kot
 
Регистрация: Mar 2005
Адрес: Израиль г.Петах-Тиква.
Сообщения: 692
Поблагодарил(а): 255
Поблагодарили 154 Раз(а) в 117 Сообщениях
Репутация: 86
Отправить сообщение для elektro-kot с помощью MSN
Re: Датчик утечки воды

извиняюсь за качество,и за метод исполнения
__________________
With huge respect!

Последний раз редактировалось elektro-kot, 21-05-2006 в 03:11.
elektro-kot вне форума   Ответить с цитированием
Старый 10-05-2006, 21:23   #12
Slesh
Член Всеукраинской Ассоциации аквариумистов
 
Аватар для Slesh
 
Регистрация: Jul 2003
Адрес: Киев
Сообщения: 547
Поблагодарил(а): 35
Поблагодарили 32 Раз(а) в 19 Сообщениях
Репутация: выкл.
Отправить сообщение для  Slesh с помощью ICQ
Re: Датчик утечки воды

у тех же КИТов есть исполнительный елемент, что бы присобачить к датчику.
ищем NK146, там схема есть, тоже очень простая себестоимость ок.7 грн.
если купить набор 18 грн. в разборе и ок. 25 в сборке, на Караваевых посмотрите там 2 точки есть.

вот нашел у себя схемку,

описание работы устройства (инфа с сайта КИТ) но только это для 4-х канального, представляем что у нас 1 канал
********************************************
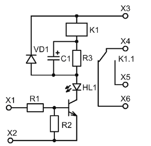
Все четыре канала блока реле выполнены по идентичным схемам. Каждый канал состоит из транзисторного ключа VT1…VT4, электромагнитного реле K1…K4, светодиода VD5…VD8. Светодиод VD5…VD8 индицирует срабатывание реле K1…K4. Резисторный делитель в цепи базы транзистора VT1…VT4 обеспечивает привязку напряжения срабатывания устройства к стандартным ТТЛ уровням. В цепь коллектора VT1…VT4, через параллельно соединённые резистор R9…R12 и конденсатор C1…C4, включена обмотка электромагнитного реле K1…K4, контактная группа K1.1…K4.1 которого замыкает-размыкает (в зависимости от точек подключения нагрузки, а именно точки X8…X11-X12…X15 на замыкание, X8…X11-X16…X19 на размыкание реле соответственно) цепь питания нагрузки. При замыкании электронного ключа VT1…VT4, конденсатор C1…C4, заряжаясь через обмотку реле K1…K4, создаёт импульс тока, достаточный для притяжения якоря этого реле. После заряда конденсатора якорь реле удерживается меньшим током, протекающим через резистор R9…R12, что делает устройство экономичнее с точки зрения потребления тока. Диод VD1…VD4 защищает транзистор VT1…VT4 от импульсного пробоя в момент его закрытия.
Источник управляющих сигналов подключается к точкам X2 (1-ый канал), X3 (2-ой канал), X4 (3-ий канал), X5 (5-ый канал), X6 (земля).
Нагрузки подключаются к точкам X8…X11-X12…X15 на замыкание, X8…X11-X16…X19 на размыкание реле соответственно.
Напряжение питание подается на точки X1, X20, либо X7, X21.
При необходимости коммутации нагрузки с током потребления свыше 6А реле K1…K4 можно заменить более сильноточным (с аналогичными параметрами замыкания первичной обмотки) или использовать реле K1…K4 для включения другого, более мощного.
*************************************************
Миниатюры
Нажмите на изображение для увеличения
Название:  cxema.gif
Просмотров: 734
Размер:	5.9 Кбайт
ID:	411  
__________________
[i]!I]

Последний раз редактировалось Slesh, 10-05-2006 в 21:29.
Slesh вне форума   Ответить с цитированием
Старый 11-05-2006, 13:31   #13
Павлик Морозов
Член Всеукраинской Ассоциации аквариумистов
 
Аватар для Павлик Морозов
 
Регистрация: Jul 2004
Адрес: Чернигов
Сообщения: 689
Поблагодарил(а): 33
Поблагодарили 40 Раз(а) в 21 Сообщениях
Репутация: 111
Отправить сообщение для  Павлик Морозов с помощью ICQ
Re: Датчик утечки воды

Цитата:
Сообщение от elektro-kot
Теперь:если щема будет запитана от источника питания 14-15В,то вам понадобится рэле с обмоткой на напряжение 12В,из советских на сколько я помню можно использовать рэле типа РЭС-9 или 10..
вопросик - а если напряжение будет меньше - 9 вольт, какое5 релу лучше использовать?

Цитата:
Сообщение от elektro-kot
т.е при попадании воды на датчик мы слышем "ТИК"-означает что рэле сработало.Теперь нужно заставить наше рэле управлять помпой.
вопросик 2 - если вода попадает на клемы, то срабатывает реле ... на включение или выключение???
__________________
Если повернуться к проблеме лицом, она начинает терять свою силу, открывая причину своего возникновения…
Павлик Морозов вне форума   Ответить с цитированием
Старый 11-05-2006, 21:55   #14
elektro-kot
Живу я тут
 
Аватар для elektro-kot
 
Регистрация: Mar 2005
Адрес: Израиль г.Петах-Тиква.
Сообщения: 692
Поблагодарил(а): 255
Поблагодарили 154 Раз(а) в 117 Сообщениях
Репутация: 86
Отправить сообщение для elektro-kot с помощью MSN
Re: Датчик утечки воды

Судя по схеме которая дана выше,я имею ввиду та что запакована в RAR(самая первая),то рэле буден срабатывать при попадении воды на включение,т.е вам нужно использовать контакты которые являются нормально-открытые,тогда при наличии воды рэлюха сработает,замкнутся контакты и включится помпа.
Далее по-поводу рэле:при 9 вольтах питания вам необходимо найти рэле на 7 вольт,а такое более сложно отыскать,потому и соватую питать шему от 14-15В и использовать рэле на 12В.
__________________
With huge respect!
elektro-kot вне форума   Ответить с цитированием
Этот пользователь сказал спасибо elektro-kot за это полезное сообщение:
Ответ


Здесь присутствуют: 1 (пользователей - 0 , гостей - 1)
 
Опции темы Поиск в этой теме
Поиск в этой теме:

Расширенный поиск
Опции просмотра

Ваши права в разделе
Вы не можете создавать темы
Вы не можете отвечать на сообщения
Вы не можете прикреплять файлы
Вы не можете редактировать сообщения

BB-коды Вкл.
Смайлы Вкл.
[IMG] код Вкл.
HTML код Выкл.

Похожие темы
Тема Автор Раздел Ответов Последнее сообщение
Расчет дозировки жидких удобрений (PMDD). naman Статьи по аквариумистике 0 15-12-2005 15:01
Жесткость воды Павлик Морозов Проект "Возьмёмся за руки!" 3 14-10-2005 15:41
"Омагниченная вода" в домашнем хозяйстве :) taaaaaa Флейм 20 04-07-2005 14:33
Домашний анализ воды. 007 Проект "Возьмёмся за руки!" 0 27-02-2005 19:20


Часовой пояс GMT +3, время: 21:32.


Русский vBulletin v3.5.2, Copyright ©2000-2026, Jelsoft Enterprises Ltd.
Перевод сделал zCarot



admin@aquaforum.kiev.ua