 |
|
14.03.2009, 01:01
|
|
|
Изготовление акваконтроллера
Бан за нарушения
Реєстрація: 06.11.2007
Звідки Ви: Донецк, зона АТО
Дописи: 19.780
сказав Дякую: 5.789
сказали Дякую 17.707 раз(и) в 6.926 повідомленні

14.03.2009, 01:01
Рейтинг:
(28 голосов - 4,64 средняя оценка)
Данная тема является прямым продолжением темы Разработка акваконтроллера, созданной AlexThunder, за что ему огромное спасибо 
На данный момент разработка в целом закончена и благодарен всем, кто принимал участие в обсуждении и реализации проекта
С помощью Chack'а были заказаны и изготовлены печатные платы
 
И сейчас начнется наверно самый интересный этап - сборка и настройка
Схема, плата, прошивка находятся в архиве во вложении.
ИСХОДНИКОВ ПРОГРАММЫ НЕТ !!! ПРОШИВКУ ИЗМЕНИТЬ НЕЛЬЗЯ !!!
Необходимое программное обеспечение:
Схема - sPlan 6.0 (для версии 3 - 7.0)
Плата - Slayout 5.0 / 6.0
Внимание !!! В процессе сборки и наладки в схему могут быть внесены изменения ! Следите за обновлением архива !!!
...........
New_controller-2V1 - плата с косметическими правками и обозначением элементов.
Контроллер-V.3 - улучшенный вариант (симисторы в одну линию, питание +12V, два диммера, USB на борту, 4 усилителя, отдельный разъем для клавиатуры).
Version 3.1 SMD - версия 3 для СМД элементов.
Плата1V5smd - многоплатная версия от "Пупс" (контроллер + силовая часть + клавиатура + усилители + кулер для силовой части).
Контроллер V3 DIP - все нужное для сборки версии 3.0 DIP.
Firmware.rar - прошивки от Володя_Череп для нормальной работы с USB на ATTiny2313.
Прошивки.rar - архив прошивок:
ATmega_32 - стандартная прошивка
Atmega_32_EE - прошивка EEPROM
ATmega_32_9600 - скорость UART 9600
ATmega_32_PWM_244Hz - использование ШИМ для управления драйверами. Вход PWM LDD подключается непосредственно к выводу 13 или 14 ATmega.
Программирование fuse-битов:
При прошивке микроконтроллеров необходимо запрограммировать (записать 0) следующие fuse-биты:
- для ATmega32 - BOOTSZ0, BOOTSZ1, SPIEN
- для ATtiny2313 - CKSEL0, SUT0, BODLEVEL1, WDTON, SPIEN
- для ATtiny13 - SPIEN, CKDIV8, SUT0, CKSEL0 (данная микросхема используется для схемы регулировки венилятора)
Все остальные fuse-биты должны быть незапрограммированы (равны 1).
Uniprof:
Fuse-бит будет запрограммирован, если убрать галочку в соответствующем поле.
Fuse-бит будет незапрограммирован, если поставить галочку в соответствующем поле.
CodeVisionAVR:
Fuse-бит будет запрограммирован, если поставить галочку в соответствующем поле.
Fuse-бит будет незапрограммирован, если убрать галочку в соответствующем поле.
AVRDUDE:
ATmega: -U lfuse:w:0xff:m -U hfuse:w:0xd9:m
ATtiny2313: -U lfuse:w:0xee:m -U hfuse:w:0xcb:m -U efuse:w:0xff:m
ATtiny13: -U lfuse:w:0x6a:m -U hfuse:w:0xff:m
Мініатюри долучень
Долучені файли
 |
Контроллер.rar (423,9 КБ, 20088 переглядів) |
 |
AquaControl.rar (3,48 МБ, 19644 переглядів) |
 |
New_controller-2V1.rar (59,8 КБ, 16321 переглядів) |
 |
PL2303-USB.rar (2,03 МБ, 14124 переглядів) |
 |
Новый контроллер-3.rar (43,5 КБ, 15156 переглядів) |
 |
Плата для WH2004A.rar (278,0 КБ, 14436 переглядів) |
 |
USB.rar (219,9 КБ, 14003 переглядів) |
 |
Контроллер-V.3.zip (86,5 КБ, 15915 переглядів) |
 |
Version 3.1 SMD.zip (158,5 КБ, 15863 переглядів) |
 |
Полезная информация.pdf (306,9 КБ, 21936 переглядів) |
 |
Плата1v5smd.rar (165,9 КБ, 14008 переглядів) |
 |
Контроллер V3 DIP.zip (151,0 КБ, 16354 переглядів) |
 |
Firmware.rar (21,6 КБ, 13253 переглядів) |
 |
Aqua Control 2007 HELP.rar (172,4 КБ, 13490 переглядів) |
 |
THelper.rar (57,3 КБ, 12925 переглядів) |
 |
Прошивки.rar (68,0 КБ, 12005 переглядів) |
__________________
[I][B][COLOR=blue]С уважением, Сергей Таранченко[/COLOR][/B][/I]
Востаннє редагував Starcomputer: 19.04.2016 о 12:18..
Причина: Добавлен архив прошивок
|
|
Переглядів: 2353674
|
|
Ці 134 користувач(ів) сказали Дякую Starcomputer за це повідомлення:
|
+Максимус+ (31.08.2012), agorin (18.04.2009), aides (14.08.2013), AkaPain (07.02.2014), Aleksta (15.01.2012), ALEX77 (14.08.2009), AlexThunder (17.02.2010), alexv3 (10.04.2011), Alex_Ts (14.03.2009), Allcoholl (13.12.2009), ANTONENKO (02.04.2012), Antoxa106 (28.04.2013), AquaGomel (14.10.2010), arconas (05.02.2012), arik17 (12.10.2014), Ashatshem (09.02.2011), atom (17.05.2009), Baks (14.03.2009), BearIgor (23.03.2012), BELOUS (06.12.2011), biolog (21.11.2009), BlackAlex (14.03.2009), bmw (29.05.2009), bodom (25.05.2011), bonus78 (15.11.2009), Bosyak (19.01.2011), BpyH (29.01.2010), chack (14.03.2009), Cristal (15.06.2012), DEaD_MOPO3 (28.09.2011), Dimitr (12.02.2010), Dimker (15.06.2012), DiSan (25.12.2013), dolfik (05.01.2011), drv (31.08.2016), dubishe (21.12.2012), Dyshakz (14.02.2017), ersergey (14.04.2012), fylhttd (17.03.2009), gagari1 (13.02.2012), germanovitsh (01.11.2012), GrishaBGA (23.03.2009), Gutsik (17.07.2013), harn (04.07.2011), Heet (05.12.2009), iceSS (19.03.2009), igoritto (24.10.2010), IgorVin (10.02.2010), imac2008 (27.11.2010), iTango (08.08.2011), ivanaxion (31.08.2012), Kent (21.10.2010), kirilo777 (09.03.2012), klimnet (20.08.2012), klinok (05.09.2010), kluyt (17.08.2009), kollega-lg (21.04.2016), Koralove (24.10.2013), KostyaD (04.06.2009), kramar (14.03.2009), kusfu (28.09.2011), kvn79 (14.03.2009), Lexzx (24.03.2010), liss15 (14.10.2009), litlechina (05.05.2022), live steel (26.06.2012), lumen_xp (27.03.2012), LVit (27.11.2009), mact (14.05.2014), Makclaj (27.02.2011), masterross (11.12.2011), Mehannik (12.03.2015), MIhail (17.07.2011), myrko (15.04.2012), nbinc (12.05.2014), Nickname (25.06.2009), Nikolos667 (14.08.2011), Olzhich (18.03.2009), Oppozith (17.12.2012), Pastuh1234 (29.07.2012), pimass (15.03.2012), pulpit (21.11.2009), regiuscz (11.03.2011), rusianGrt (15.02.2010), rustr (20.09.2011), Ryzhii (10.04.2013), S V (10.01.2010), sae74 (15.02.2010), sergey_ln (28.02.2012), serjik2000 (03.07.2009), Sesh (31.05.2009), seva (19.01.2011), Shurhent (02.07.2011), Smile8 (28.09.2010), sobolev (21.09.2011), solvi (14.03.2009), sonokam (08.12.2011), sv46 (12.07.2011), Swen (15.06.2009), TakedaMaru (20.05.2013), telepuzic (22.02.2012), Tihon (04.01.2013), timofey (11.11.2009), Tiratore.d (08.11.2019), tolik_erema (04.03.2011), Ty3uK (22.03.2009), Umnik (13.01.2012), Uselink (10.02.2010), vad1972 (05.05.2010), Viktorrr (22.12.2012), vill (29.09.2010), Vitaha (26.11.2009), VitalyD (03.10.2010), VKabanov (29.04.2009), VladHNet (07.08.2009), VladVP (15.01.2012), _Vadim (11.02.2010), Амфибия (15.05.2009), Вася (14.07.2009), Володя Череп (14.03.2009), дух святой истины (16.03.2009), Ёжик в Тумане (28.02.2011), Зелёный (19.01.2012), Кениец (30.11.2009), Мираж (25.02.2012), Михаил. (14.07.2011), Молекула (04.04.2009), МСВ (19.02.2012), Пупс (20.07.2011), Рудницкий Олександр (18.01.2012), Снегозавр (20.02.2013), Шаманчик (27.10.2009), ЭКСПЕРИМЕНТАТОР (04.04.2009), Юрий Н. (17.08.2010) |
12.03.2012, 23:36
|
#3601
|
|
Придивляюся
Реєстрація: 16.08.2010
Звідки Ви: Херсонская обл.
Дописи: 53
сказав Дякую: 10
сказали Дякую 11 раз(и) в 7 повідомленні
|
Re: Изготовление акваконтроллера ===www.aquaforum.ua===
Цитата:
Допис від Starcomputer
sergey_ln, проверьте плату, нет ли где замыканий.
|
Спасибо, замыканий не было, но на входе диммеров поставил 10К вместо 1К, в магазине дали, а я не проверил. Но мне кажется проблемма не в этом, потому как ни чего не изменилось.
Тут походу я "протупил" с программой. Пытался выставить срабатывание по таймеру, а не по температуре. Если выставляю температура, то все работает, а при таймере - ШИМ 100%, и ни чего не меняется.
К компу подключил через MAX232 на СОМ порт. С USB на тиньке так ни чего у меня не вышло.
|
|
|
13.03.2012, 00:03
|
#3602
|
|
Модератор Винницкого клуба аквариумистов
Реєстрація: 22.05.2009
Звідки Ви: Варшава-Вишенка
Дописи: 12.801
сказав Дякую: 2.464
сказали Дякую 5.200 раз(и) в 3.381 повідомленні
|
Re: Изготовление акваконтроллера ===www.aquaforum.ua===
Собрал и я только что то не стартует собака (
Подключил БП 12в 1А
Кренка греется шо дурная
На штырях 12В возле кренки напряжение 3,9В падает на 3,3 и БП вырубается на 5В штырях напряжение 1,4-1,5В
Интересно, что уже сгорело на плате?
Перекинул провода на клемнике На штырях 12В - 26,1В, на 5В штырях - 10,3 вольта..... Теперь точно что то сгорело, правда пищалка попискивала дважды....
__________________
Танцуют звезды и луна © Как там начало?
guns don't kill people, people kill people
[URL="http://www.aquaforum.ua/showthread.php?p=3238854#post3238854"][B][I][SIZE="4"][COLOR="Red"][FONT="Courier New"]Светодиоды Cree XT-E, термокомпаунд, драйвера Mean Well[/FONT][/COLOR][/SIZE][/I][/B][/URL]
__________________  
Востаннє редагував pimass: 13.03.2012 о 00:45..
|
|
|
13.03.2012, 00:41
|
#3603
|
|
Живу я тут
Реєстрація: 19.10.2011
Звідки Ви: Одесса
Дописи: 120
сказав Дякую: 11
сказали Дякую 25 раз(и) в 15 повідомленні
|
Re: Изготовление акваконтроллера ===www.aquaforum.ua===
Да, соединение через Тинку, но по рекомендации Володи Черепа немного измененной схеме.
|
|
|
|
cказали "Дякую" МСВ за цей допис:
|
|
13.03.2012, 01:00
|
#3604
|
|
Живу я тут
Реєстрація: 12.12.2005
Звідки Ви: Киев
Дописи: 540
сказав Дякую: 107
сказали Дякую 110 раз(и) в 62 повідомленні
|
Re: Изготовление акваконтроллера ===www.aquaforum.ua===
Цитата:
Допис від pimass
Собрал и я только что то не стартует собака (
Подключил БП 12в 1А
Кренка греется шо дурная
На штырях 12В возле кренки напряжение 3,9В падает на 3,3 и БП вырубается на 5В штырях напряжение 1,4-1,5В
Интересно, что уже сгорело на плате?
Перекинул провода на клемнике На штырях 12В - 26,1В, на 5В штырях - 10,3 вольта..... Теперь точно что то сгорело, правда пищалка попискивала дважды....
|
Дорогой мой, а ты перед кренками диодный мост ставил или так напрямую перемнку подключал?
Судя по фото у тебя на плате стоит кренка на 5В, а где 12 вольтовая кренка?
Проверь свой блок питания, возможно он выдаёт 12В 1А переменки, а ты их на кренку напрямую. Нехорошо ей.
__________________ 
|
|
|
13.03.2012, 01:31
|
#3605
|
|
Живу я тут
Реєстрація: 28.06.2003
Звідки Ви: Киев
Дописи: 757
сказав Дякую: 831
сказали Дякую 833 раз(и) в 397 повідомленні
|
Re: Изготовление акваконтроллера ===www.aquaforum.ua===
Цитата:
Допис від МСВ
соединение через Тинку, но по рекомендации Володи Черепа немного измененной схеме.
|
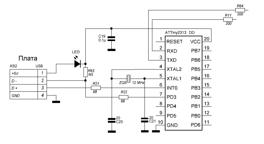
Так как напряжение питания ATtiny2313 (3,3 В) не совпадает с напряжением питания ATmega32 (4,3-4,7 В), то с целью уменьшения утечки тока по сигнальной линии RXD ATtiny2313 резистор R11 лучше взять не 200 Ом, а 10 кОм, как показано на схеме CDC-232 for ATtiny2313-20 с сайта разработчика переходника. Я пробовал этот вариант и убедился, что на скорости UART 9600 (с модифицированными прошивками из архива Firmware.rar) он работает.
|
|
|
|
cказали "Дякую" Володя Череп за цей допис:
|
|
13.03.2012, 07:57
|
#3606
|
|
Живу я тут
Реєстрація: 12.12.2005
Звідки Ви: Киев
Дописи: 540
сказав Дякую: 107
сказали Дякую 110 раз(и) в 62 повідомленні
|
Re: Изготовление акваконтроллера ===www.aquaforum.ua===
Цитата:
Допис від Володя Череп
Так как напряжение питания ATtiny2313 (3,3 В) не совпадает с напряжением питания ATmega32 (4,3-4,7 В), то с целью уменьшения утечки тока по сигнальной линии RXD ATtiny2313 резистор R11 лучше взять не 200 Ом, а 10 кОм, как показано на схеме CDC-232 for ATtiny2313-20 с сайта разработчика переходника. Я пробовал этот вариант и убедился, что на скорости UART 9600 (с модифицированными прошивками из архива Firmware.rar) он работает.
|
Спасибо, но ещё хотелось бы ещё получить комент по поводу изменения схемы на входе самой тиньки.
Заранее спасибо.
__________________ 
|
|
|
13.03.2012, 08:29
|
#3607
|
|
Модератор Винницкого клуба аквариумистов
Реєстрація: 22.05.2009
Звідки Ви: Варшава-Вишенка
Дописи: 12.801
сказав Дякую: 2.464
сказали Дякую 5.200 раз(и) в 3.381 повідомленні
|
Re: Изготовление акваконтроллера ===www.aquaforum.ua===
Цитата:
Допис від Пупс
Судя по фото у тебя на плате стоит кренка на 5В, а где 12 вольтовая кренка?
|
Кренка 7805 как на схеме. Чо касательно БП, то AC/DC adapter (input AC 100-240V 50/60Hz output DC 12V 1000mA), по ходу выход постоянка. По идее все верно.
__________________
Танцуют звезды и луна © Как там начало?
guns don't kill people, people kill people
[URL="http://www.aquaforum.ua/showthread.php?p=3238854#post3238854"][B][I][SIZE="4"][COLOR="Red"][FONT="Courier New"]Светодиоды Cree XT-E, термокомпаунд, драйвера Mean Well[/FONT][/COLOR][/SIZE][/I][/B][/URL]
__________________  
|
|
|
13.03.2012, 09:30
|
#3608
|
|
Бан за нарушения
Реєстрація: 06.11.2007
Звідки Ви: Донецк, зона АТО
Дописи: 19.780
сказав Дякую: 5.789
сказали Дякую 17.707 раз(и) в 6.926 повідомленні
|
Re: Изготовление акваконтроллера ===www.aquaforum.ua===
Цитата:
Допис від pimass
Чо касательно БП, то AC/DC adapter (input AC 100-240V 50/60Hz output DC 12V 1000mA), по ходу выход постоянка
|
Тогда откуда:
Цитата:
Допис від pimass
На штырях 12В - 26,1В, на 5В штырях - 10,3 вольта.....
|
Если блок питания 12В, то откуда взялось 26,1В ? Больше чем на блоке быть не может.
Цитата:
Допис від pimass
Перекинул провода на клемнике
|
Если как на фото и красный это плюс, то неправильно. Плюс должен быть справа.
..........................
Где то на плате замыкание по +5В. Вот кренка в нормальном режиме и греется и не выдает нужное напряжение.
При дисплее на полную яркость и небольшом радиаторе нагрев едва заметен.
__________________
[I][B][COLOR=blue]С уважением, Сергей Таранченко[/COLOR][/B][/I]
|
|
|
|
cказали "Дякую" Starcomputer за цей допис:
|
|
13.03.2012, 09:32
|
#3609
|
|
Бан за нарушения
Реєстрація: 06.11.2007
Звідки Ви: Донецк, зона АТО
Дописи: 19.780
сказав Дякую: 5.789
сказали Дякую 17.707 раз(и) в 6.926 повідомленні
|
Re: Изготовление акваконтроллера ===www.aquaforum.ua===
Цитата:
Допис від Пупс
хотелось бы ещё получить комент по поводу изменения схемы на входе самой тиньки.
|
Согласовать уровни тинки с ЮСБ можно либо ограничив уровни (это делается стабилитронами), либо запитав тинку от 3,3В, это делается с помощью светодиода, тогда стабилитроны не нужны. Работаю оба варианта. Светодиод можно впаять в разрыв шлейфа от разъема на плате к ЮСБ, стабилитроны просто выпаять. Все остальное без изменений.
__________________
[I][B][COLOR=blue]С уважением, Сергей Таранченко[/COLOR][/B][/I]
|
|
|
|
cказали "Дякую" Starcomputer за цей допис:
|
|
13.03.2012, 09:39
|
#3610
|
|
Живу я тут
Реєстрація: 17.09.2004
Звідки Ви: Киев, Троещина
Дописи: 14.486
сказав Дякую: 4.642
сказали Дякую 8.508 раз(и) в 4.382 повідомленні
|
Re: Изготовление акваконтроллера ===www.aquaforum.ua===
Серега, а стабилитроны тебе чем не угодили?
__________________
Страна не ублюдков и не воров.
__________________  
|
|
|
13.03.2012, 09:41
|
#3611
|
|
Живу я тут
Реєстрація: 17.09.2004
Звідки Ви: Киев, Троещина
Дописи: 14.486
сказав Дякую: 4.642
сказали Дякую 8.508 раз(и) в 4.382 повідомленні
|
Re: Изготовление акваконтроллера ===www.aquaforum.ua===
pimass, есть такое секретное слово- тестер.
Скрытый текст
Только не говори никому- тайна великая сие есть!
__________________
Страна не ублюдков и не воров.
__________________  
|
|
|
13.03.2012, 09:48
|
#3612
|
|
Модератор Винницкого клуба аквариумистов
Реєстрація: 22.05.2009
Звідки Ви: Варшава-Вишенка
Дописи: 12.801
сказав Дякую: 2.464
сказали Дякую 5.200 раз(и) в 3.381 повідомленні
|
Re: Изготовление акваконтроллера ===www.aquaforum.ua===
Starcomputer, Сергей, а кренку я правильно запаял?
__________________
Танцуют звезды и луна © Как там начало?
guns don't kill people, people kill people
[URL="http://www.aquaforum.ua/showthread.php?p=3238854#post3238854"][B][I][SIZE="4"][COLOR="Red"][FONT="Courier New"]Светодиоды Cree XT-E, термокомпаунд, драйвера Mean Well[/FONT][/COLOR][/SIZE][/I][/B][/URL]
__________________  
|
|
|
13.03.2012, 10:03
|
#3613
|
|
Бан за нарушения
Реєстрація: 06.11.2007
Звідки Ви: Донецк, зона АТО
Дописи: 19.780
сказав Дякую: 5.789
сказали Дякую 17.707 раз(и) в 6.926 повідомленні
|
Re: Изготовление акваконтроллера ===www.aquaforum.ua===
Цитата:
Допис від pimass
а кренку я правильно запаял?
|
Вроде да. Даташита под рукой нет.
Можно проверить. Отпаять третью лапу и померять напряжение на ней. Если 5В, то значит где то на плате КЗ, или конденсатор по +5В пробитый.
И все равно неясно, откуда там 26!!! вольт 
__________________
[I][B][COLOR=blue]С уважением, Сергей Таранченко[/COLOR][/B][/I]
|
|
|
13.03.2012, 10:04
|
#3614
|
|
Бан за нарушения
Реєстрація: 06.11.2007
Звідки Ви: Донецк, зона АТО
Дописи: 19.780
сказав Дякую: 5.789
сказали Дякую 17.707 раз(и) в 6.926 повідомленні
|
Re: Изготовление акваконтроллера ===www.aquaforum.ua===
Цитата:
Допис від Sem
а стабилитроны тебе чем не угодили
|
Да работает и с ними. Спросили - я ответил 
__________________
[I][B][COLOR=blue]С уважением, Сергей Таранченко[/COLOR][/B][/I]
|
|
|
13.03.2012, 10:07
|
#3615
|
|
Живу я тут
Реєстрація: 28.06.2003
Звідки Ви: Киев
Дописи: 757
сказав Дякую: 831
сказали Дякую 833 раз(и) в 397 повідомленні
|
Re: Изготовление акваконтроллера ===www.aquaforum.ua===
pimass, кренка запаяна правильно. Поищи замыкания на плате и проверь, как запаян подстроечный резистор 20 кОм для регулировки контрастности. Если он запаян неправильно, то в одном из положений ротора он замыкает +5 В на землю.
|
|
|
|
cказали "Дякую" Володя Череп за цей допис:
|
|
 |
|
|
Тут присутні: 34 (учасників - 0 , гостей - 34)
|
|
|
| Параметри теми |
|
|
| Параметри перегляду |
Лінійний вигляд
|
Ваші права у розділі
|
Ви не можете створювати теми
Ви не можете писати дописи
Ви не можете долучати файли
Ви не можете редагувати дописи
HTML код Вимк.
|
|
|
Часовий пояс GMT +3. Поточний час: 06:18.
|