 |
|
21.05.2011, 19:36
|
|
|
Мини акваконтроллер
Бан за нарушения
Реєстрація: 06.11.2007
Звідки Ви: Донецк, зона АТО
Дописи: 19.780
сказав Дякую: 5.789
сказали Дякую 17.707 раз(и) в 6.926 повідомленні

21.05.2011, 19:36
Рейтинг:
(3 голосов - 4,67 средняя оценка)
Начало данной темы положено здесь
Аквариумный контроллер предназначен для точного измерения и поддержания заданной температуры аквариумной воды, а также для ступенчатого включения и выключения света, либо других нагрузок до 300 Вт.
Аквариумный контроллер оснащён микропроцессором PIC16F628A.
Экран:
- жидкокристаллический (2х8);
- подсветка экрана.
Две кнопки для настройки меню.
Часы реального времени DS1307.
Батарейка для непрерывного хода часов.
Энергонезависимая память данных.
Три выхода на 220 В (BT136-800E.127).
V 1.04:
Один выход на термостат.
Два выхода на таймер.
Четыре независимо настраиваемых таймера. По два таймера на каждый выход.
V 1.06:
Три выхода на таймер.
Шесть независимо настраиваемых таймеров. По два таймера на каждый выход.
Таймеры. Настройка включение и выключение в заданное время. Дискретность 15 мин.
Цифровой датчик температуры DS18B20:
- длина провода 1.30 м;
- гистерезис ± 0.2ºC (задержка между включением и выключением);
- цена деления 0.1ºC;
- погрешность ± 0.5ºC.
...................
Мне показалось, что контроллер, выставленный на продажу, вполне можно миниатюризировать и в дальнейшем использовать как самостоятельный модуль для встраивания в крышки и т.п.
Как ни крути, но при себестоимости такой игрушки до 200 грн это гораздо выгоднее, чем покупать три таймера по 200 грн 
Посидев немного над самой схемой, заменив все заменяемые элементы на SMD получил такую конструкцию (см. вложения).
Габариты платы вместе с силовой частью чуть больше габаритов дисплея (32х72 мм).
С удовольствием выслушаю все замечания, если их реально можно учесть. Также прошу по возможности проверить разводку платы.
.............................
Дальнейшие телодвижения (заказ плат и т.д.) возможны только в том случае, если автор оригинала поделиться прошивкой (или исходниками, что конечно лучше, т.к. на форуме есть специалисты по программированию PIC-контроллеров).
............................
ВНИМАНИЕ !!! Плата не тестировалась !!!
............................
Заказ на платы:
pdv1965 - 5
Daimos - 3
alexv3 - 3
alibom - 3
orthos - 2
Sokol_And - 5
41292 - 2
velotronik - 5
camsvar - 5
valentin - 5
alexdave - 3
Виталий - 2
kvn79 - 5
mact - 2
____________
Итого: 50
Мініатюри долучень
Долучені файли
__________________
[I][B][COLOR=blue]С уважением, Сергей Таранченко[/COLOR][/B][/I]
Востаннє редагував Starcomputer: 02.07.2011 о 09:32..
|
|
Переглядів: 310397
|
|
Ці 34 користувач(ів) сказали Дякую Starcomputer за це повідомлення:
|
41292 (21.05.2011), adel-dream (10.11.2011), alexv3 (31.05.2011), alibom (21.05.2011), Badyoruy (08.09.2011), BAYKAL (07.06.2011), Bonsh (22.05.2011), chack (28.05.2011), cj_zzz (06.04.2012), Daimos (06.07.2011), DIDJULES (16.04.2013), Dima_Migay (20.07.2012), doctor (30.05.2011), evrorub (30.05.2011), fail99 (22.07.2011), Kola1970 (27.02.2013), N_A_N (01.06.2011), pdv1965 (30.05.2011), pr_pavel (20.03.2014), Rybka (18.07.2012), safin395 (20.10.2013), sergeynim (30.05.2011), Smile8 (30.05.2011), Sokol_And (27.05.2011), sv46 (11.05.2013), valentin (22.05.2011), velotronik (22.08.2011), VKabanov (27.05.2011), Zen (30.12.2011), _Vadim (09.06.2011), Гавриил (28.11.2011), Игорь-1 (12.11.2014), Панк172 (26.08.2011), Серёга (Сумы) (14.07.2011) |
07.06.2013, 17:16
|
#526
|
|
Живу я тут
Реєстрація: 26.11.2012
Звідки Ви: Дубно - Київ
Дописи: 2.799
сказав Дякую: 488
сказали Дякую 1.398 раз(и) в 1.059 повідомленні
|
Re: Мини акваконтроллер ===www.aquaforum.ua===
Ни у кого из участников темы "лишней" платы не завалялось?
__________________ 
|
|
|
04.09.2013, 13:22
|
#527
|
|
Придивляюся
Реєстрація: 12.08.2013
Звідки Ви: Николаев
Дописи: 9
сказав Дякую: 2
сказали Дякую 0 раз(и) в 0 повідомленні
|
Re: Мини акваконтроллер ===www.aquaforum.ua===
Доброго дня всем. уточните пожалуйста, в прошивке 1.6 есть управление термостатом ?
|
|
|
04.09.2013, 13:36
|
#528
|
|
Живу я тут
Реєстрація: 28.03.2011
Звідки Ви: Закарпаття, Хуст
Дописи: 285
сказав Дякую: 277
сказали Дякую 174 раз(и) в 73 повідомленні
|
Re: Мини акваконтроллер ===www.aquaforum.ua===
нет, управление термостатом есть только в прошивке 1.0.0
__________________
С уважением, Андрей
|
|
|
04.09.2013, 13:38
|
#529
|
|
Придивляюся
Реєстрація: 12.08.2013
Звідки Ви: Николаев
Дописи: 9
сказав Дякую: 2
сказали Дякую 0 раз(и) в 0 повідомленні
|
Re: Мини акваконтроллер ===www.aquaforum.ua===
а в этой ?, судя по описанию должно быть V 1.04:
Один выход на термостат.
Два выхода на таймер.
Четыре независимо настраиваемых таймера. По два таймера на каждый выход.
Добавлено через 51 минуту
V 1.06:
Три выхода на таймер.
Шесть независимо настраиваемых таймеров. По два таймера на каждый выход.
Таймеры. Настройка включение и выключение в заданное время. Дискретность 15 мин.
Цифровой датчик температуры DS18B20:
- длина провода 1.30 м;
- гистерезис ± 0.2ºC (задержка между включением и выключением);
- цена деления 0.1ºC;
- погрешность ± 0.5ºC.
??????????????????? если прошивка не поддерживает режим термостата
Добавлено через 57 минут
просто собираюсь повторить данный проект и не могу определится с прошивкой
Востаннє редагував aleks_mb: 04.09.2013 о 14:35..
Причина: Добавлено сообщение
|
|
|
04.09.2013, 22:45
|
#530
|
|
Живу я тут
Реєстрація: 28.03.2011
Звідки Ви: Закарпаття, Хуст
Дописи: 285
сказав Дякую: 277
сказали Дякую 174 раз(и) в 73 повідомленні
|
Re: Мини акваконтроллер ===www.aquaforum.ua===
Цитата:
Допис від aleks_mb
а в этой ?, судя по описанию должно быть V 1.04:
Один выход на термостат.
Два выхода на таймер.
Четыре независимо настраиваемых таймера. По два таймера на каждый выход.
|
все правильно, так и есть
Цитата:
Допис від aleks_mb
Добавлено через 51 минуту
V 1.06:
Три выхода на таймер.
Шесть независимо настраиваемых таймеров. По два таймера на каждый выход.
Таймеры. Настройка включение и выключение в заданное время. Дискретность 15 мин.
Цифровой датчик температуры DS18B20:
- длина провода 1.30 м;
- гистерезис ± 0.2ºC (задержка между включением и выключением);
- цена деления 0.1ºC;
- погрешность ± 0.5ºC.
??????????????????? если прошивка не поддерживает режим термостата
|
здесь гистерезиса нету, так как нету термостата ...
контроллер можно в любой момент перешить под другую прошивку 
__________________
С уважением, Андрей
|
|
|
12.09.2013, 11:33
|
#531
|
|
Придивляюся
Реєстрація: 12.08.2013
Звідки Ви: Николаев
Дописи: 9
сказав Дякую: 2
сказали Дякую 0 раз(и) в 0 повідомленні
|
Re: Мини акваконтроллер ===www.aquaforum.ua===
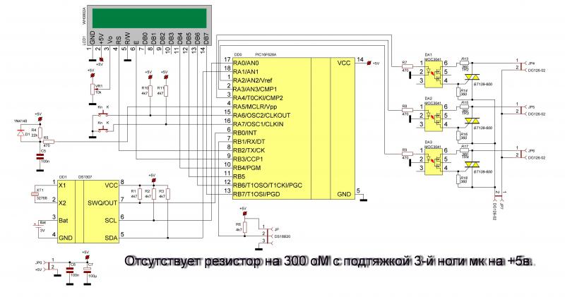
Уважаемые, повторил данную конструкцию и столкнулся с такой проблемой, канал №3 (3-й вывод мк) не работает, плавающий потенциал, ставил прошивку 1,0,4 - не регулирует термостат, ставил прошивку 1,1,6- не включает канал. было подозрение на неработающий микроконтроллер- замени но проблема осталась. кто сталкивался ?
|
|
|
12.09.2013, 12:00
|
#532
|
|
Придивляюся
Реєстрація: 03.07.2011
Звідки Ви: Курск
Дописи: 24
сказав Дякую: 16
сказали Дякую 4 раз(и) в 3 повідомленні
|
Re: Мини акваконтроллер ===www.aquaforum.ua===
Цитата:
Допис від aleks_mb
Уважаемые, повторил данную конструкцию и столкнулся с такой проблемой, канал №3 (3-й вывод мк) не работает, плавающий потенциал, ставил прошивку 1,0,4 - не регулирует термостат, ставил прошивку 1,1,6- не включает канал. было подозрение на неработающий микроконтроллер- замени но проблема осталась. кто сталкивался ?
|
Очень похоже на ненадежный контакт. М. б. где-то есть КЗ.
|
|
|
12.09.2013, 12:15
|
#533
|
|
Придивляюся
Реєстрація: 28.12.2009
Звідки Ви: Россия
Дописи: 78
сказав Дякую: 0
сказали Дякую 105 раз(и) в 20 повідомленні
|
Re: Мини акваконтроллер ===www.aquaforum.ua===
Цитата:
Допис від aleks_mb
Уважаемые, повторил данную конструкцию и столкнулся с такой проблемой, канал №3 (3-й вывод мк) не работает, плавающий потенциал
|
Резистор с 3 ноги проца на +5в висит?
|
|
|
|
cказали "Дякую" ShAlex13 за цей допис:
|
|
12.09.2013, 12:16
|
#534
|
|
Бан за нарушения
Реєстрація: 21.06.2010
Звідки Ви: Харьков
Дописи: 775
сказав Дякую: 115
сказали Дякую 463 раз(и) в 234 повідомленні
|
Re: Мини акваконтроллер ===www.aquaforum.ua===
aleks_mb, а выходную цепь проверяли? это может и оптопара и семистор глючить
|
|
|
12.09.2013, 14:21
|
#535
|
|
Живу я тут
Реєстрація: 28.03.2011
Звідки Ви: Закарпаття, Хуст
Дописи: 285
сказав Дякую: 277
сказали Дякую 174 раз(и) в 73 повідомленні
|
Re: Мини акваконтроллер ===www.aquaforum.ua===
Цитата:
Допис від ShAlex13
Резистор с 3 ноги проца на +5в висит?
|
да, поставьте 470 Ом, и все будет работать 
__________________
С уважением, Андрей
|
|
|
12.09.2013, 15:07
|
#536
|
|
Придивляюся
Реєстрація: 12.08.2013
Звідки Ви: Николаев
Дописи: 9
сказав Дякую: 2
сказали Дякую 0 раз(и) в 0 повідомленні
|
Re: Мини акваконтроллер ===www.aquaforum.ua===
|
|
|
09.10.2013, 11:59
|
#537
|
|
Придивляюся
Реєстрація: 06.10.2013
Звідки Ви: Киев
Дописи: 59
сказав Дякую: 2
сказали Дякую 22 раз(и) в 19 повідомленні
|
Re: Мини акваконтроллер ===www.aquaforum.ua===
Цитата:
Допис від steals81
Ни у кого из участников темы "лишней" платы не завалялось?
|
Поддерживаю вопрос
Кто может продать платку?
Востаннє редагував Deniskyn2: 09.10.2013 о 18:52..
|
|
|
20.10.2013, 10:15
|
#538
|
|
Придивляюся
Реєстрація: 15.09.2011
Звідки Ви: Днепропетровск
Дописи: 7
сказав Дякую: 4
сказали Дякую 1 раз(и) в 1 повідомленні
|
Re: Мини акваконтроллер ===www.aquaforum.ua===
Всем привет!
собрал данное устройство...прошивка 1.0, не заработал термостат  ...подтянул на 3ю ногу МК 5вольт через 730 ом...много...поставил 315 ом...открывает как то на половину симистор(156 вольт при 100ватт)  ...поставил 215 ом....заработал. думаю причина еще в том что резисторы смд...так как напряжение на оптопаре не изменилось (значит не хватало по току). в целом очень доволен, теперь займусь авто кормушкой. Спасибо за девайс.
чуть не забыл вот мои платы

Востаннє редагував safin395: 21.10.2013 о 00:25..
Причина: добавить
|
|
|
21.10.2013, 00:27
|
#539
|
|
Придивляюся
Реєстрація: 15.09.2011
Звідки Ви: Днепропетровск
Дописи: 7
сказав Дякую: 4
сказали Дякую 1 раз(и) в 1 повідомленні
|
Re: Мини акваконтроллер ===www.aquaforum.ua===
|
|
|
14.01.2014, 10:08
|
#540
|
|
Придивляюся
Реєстрація: 08.12.2010
Звідки Ви: Россия, Новосиьирская обл, г.Искитим
Дописи: 50
сказав Дякую: 5
сказали Дякую 4 раз(и) в 4 повідомленні
|
Re: Мини акваконтроллер ===www.aquaforum.ua===
Делать было нечего и решил заняться недоделками . Решел проблему своего контроллера оказалось к пятой ноге микрухи надо было подтянуть минус вот и делов.
Век живи век учись !
Все дело было в препычке.
Востаннє редагував aleksey1983: 15.01.2014 о 02:21..
|
|
|
 |
|
|
Тут присутні: 1 (учасників - 0 , гостей - 1)
|
|
|
| Параметри теми |
|
|
| Параметри перегляду |
Лінійний вигляд
|
Ваші права у розділі
|
Ви не можете створювати теми
Ви не можете писати дописи
Ви не можете долучати файли
Ви не можете редагувати дописи
HTML код Вимк.
|
|
|
Часовий пояс GMT +3. Поточний час: 20:46.
|