 |
|
16.12.2009, 15:55
|
|
|
Форумный Акваконтроллер
Бан за нарушения
Реєстрація: 06.11.2007
Звідки Ви: Донецк, зона АТО
Дописи: 19.780
сказав Дякую: 5.789
сказали Дякую 17.707 раз(и) в 6.926 повідомленні

16.12.2009, 15:55
Рейтинг:
()
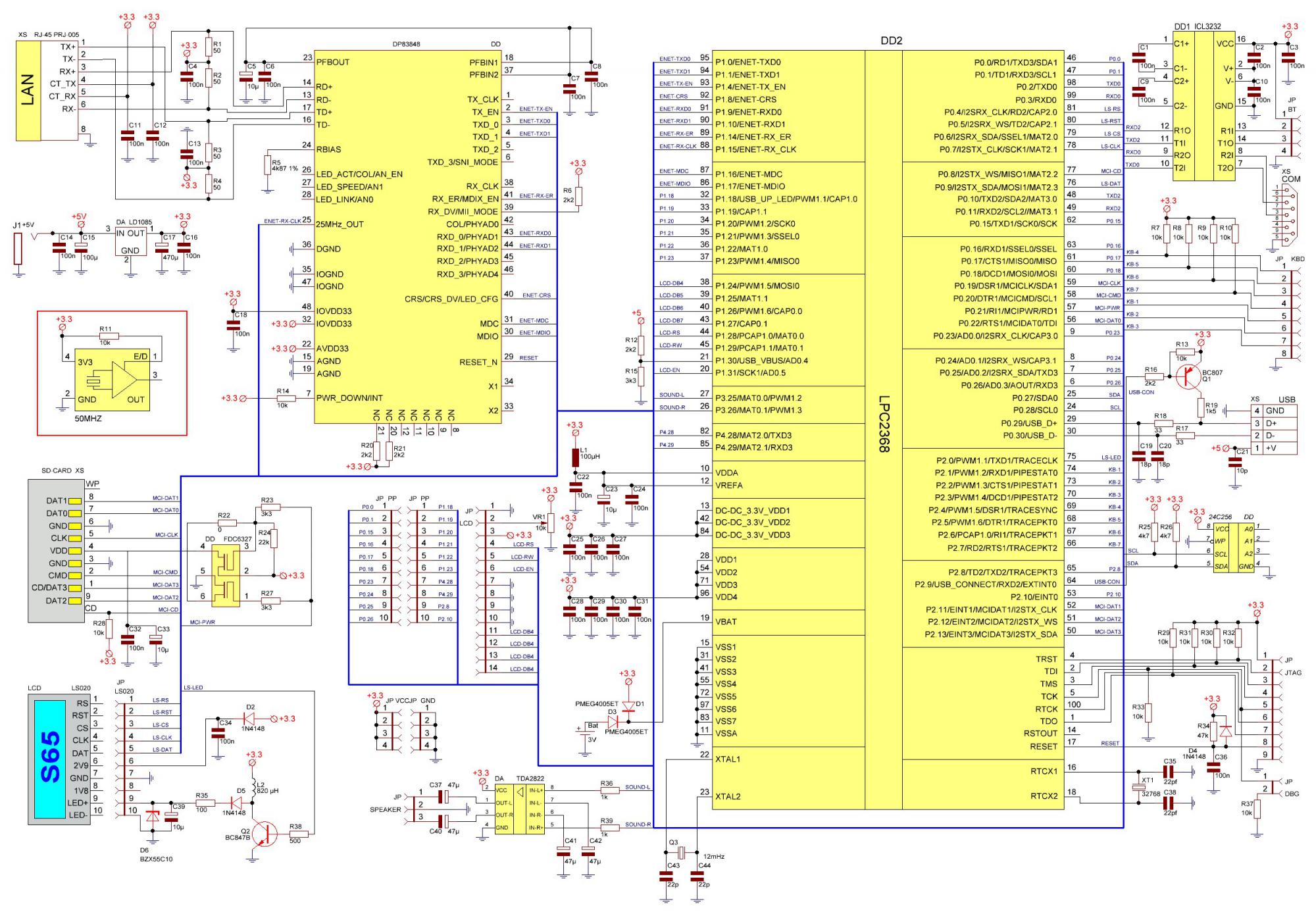
Итак, после 20-ти с лишним страниц дискуссии пришли к определенным выводам
1. Периферия - 1-Wire. Платы заказные под SMD.
Основные платы:
- силовой блок (8 каналов);
- блок усилителей и АЦП (4 канала);
Количество одновременно подключаемых блоков не ограничено.
2. Контроллер на LPC2368 или аналоге.
На борту:
USB, LAN, СОМ, 1-Wire, дополнительная память.
.........................
Далее как и раньше все последние версии схемы буду выкладывать в топик 
__________________
[I][B][COLOR=blue]С уважением, Сергей Таранченко[/COLOR][/B][/I]
Востаннє редагував Starcomputer: 13.05.2010 о 14:57..
Причина: Чтобы не приходилось постоянно шерстить тему.
|
|
Переглядів: 190855
|
|
Ці 26 користувач(ів) сказали Дякую Starcomputer за це повідомлення:
|
agorin (16.12.2009), atom (01.02.2010), Baks (17.12.2009), biolog (22.01.2010), BlackAlex (17.12.2009), chack (21.01.2010), EVGENICH (16.12.2009), eVrajka (21.01.2010), IgorVin (31.01.2010), jakovru (18.12.2009), kvn79 (17.12.2009), Ludma (10.02.2011), mdg (10.02.2010), NIKITA2 (16.12.2009), S V (07.02.2010), sae74 (13.02.2010), Serbond (26.03.2010), solvi (16.12.2009), Ty3uK (25.12.2009), VOVKA (23.06.2010), Ye_Lviv (09.03.2010), _Vadim (03.02.2010), Влад Т (13.09.2012), Володя Череп (20.03.2010), Шаманчик (16.12.2009), ЭКСПЕРИМЕНТАТОР (05.02.2010) |
28.01.2010, 19:44
|
#511
|
|
Бан за нарушения
Реєстрація: 06.11.2007
Звідки Ви: Донецк, зона АТО
Дописи: 19.780
сказав Дякую: 5.789
сказали Дякую 17.707 раз(и) в 6.926 повідомленні
|
Re: Форумный Акваконтроллер ===www.aquaforum.ua===
Цитата:
Допис від tdg
RTOS естественно позволяет для него писать программы.
|
А компилятор где взять и описание самой операционки ?
Думаю, надо что-то более распространенное. А то ведь и спросить если что, не у кого. Если просто программировать PLC, то есть куча рускоязычных форумов, тот-же Kazus.
Насчет дополнительной памяти уже думал, наверно будет, по крайней мере место под нее предусмотреть стоит.
__________________
[I][B][COLOR=blue]С уважением, Сергей Таранченко[/COLOR][/B][/I]
|
|
|
28.01.2010, 19:47
|
#512
|
|
Придивляюся
Реєстрація: 05.11.2009
Звідки Ви: Санкт-Петербург
Дописи: 48
сказав Дякую: 1
сказали Дякую 16 раз(и) в 10 повідомленні
|
Re: Форумный Акваконтроллер ===www.aquaforum.ua===
Цитата:
Допис від Starcomputer
А компилятор где взять и описание самой операционки ?
Думаю, надо что-то более распространенное. А то ведь и спросить если что, не у кого. Если просто программировать PLC, то есть куча рускоязычных форумов, тот-же Kazus.
Насчет дополнительной памяти уже думал, наверно будет, по крайней мере место под нее предусмотреть стоит.
|
Посмотри по ссылке из моего предыдущего поста!
Компилятор - стандартный GCC. Программировать также, как под сам процессор, только проще. Вся документация есть на сайте RTOS.
По распространенности эта ОС одна из самых распространенных среди подобных систем 
|
|
|
28.01.2010, 19:54
|
#513
|
|
Бан за нарушения
Реєстрація: 06.11.2007
Звідки Ви: Донецк, зона АТО
Дописи: 19.780
сказав Дякую: 5.789
сказали Дякую 17.707 раз(и) в 6.926 повідомленні
|
Re: Форумный Акваконтроллер ===www.aquaforum.ua===
tdg, если есть описание всего этого добра на русском, кинь плиз ссылку. И ссылку на компилятор (классно бы еще русскую версию) 
__________________
[I][B][COLOR=blue]С уважением, Сергей Таранченко[/COLOR][/B][/I]
|
|
|
28.01.2010, 20:03
|
#514
|
|
Придивляюся
Реєстрація: 05.11.2009
Звідки Ви: Санкт-Петербург
Дописи: 48
сказав Дякую: 1
сказали Дякую 16 раз(и) в 10 повідомленні
|
Re: Форумный Акваконтроллер ===www.aquaforum.ua===
С ходу на русском нашлось:
http://electronix.ru/forum/index.php?showforum=189 - форум про FreeRTOS
Вот здесь на английском, но даже по картинкам понятно - процесс установки среды для разработки (Eclipse), сборки и запуска демки http://www.freertos.org/Eclipse.html
ЗЫ: Я не агитирую именно за эту операционку. Просто думаю, что надо что-то легковестное для такого процессора брать.
|
|
|
28.01.2010, 20:48
|
#515
|
|
Живу я тут
Реєстрація: 19.01.2006
Звідки Ви: Киев
Дописи: 3.951
сказав Дякую: 1.011
сказали Дякую 1.080 раз(и) в 573 повідомленні
|
Re: Форумный Акваконтроллер ===www.aquaforum.ua===
А что, если, в качестве процессорного блока используем КПК, Навигатор, которые по ЮСБ общают исполнительный/измерительный блок. Все под Виндовс СЕ? Тут сразу и тачскрин и графика, некоторые и с блютузом. Б/у устройства можно не дорого купить.
|
|
|
28.01.2010, 21:02
|
#516
|
|
Бан за нарушения
Реєстрація: 06.11.2007
Звідки Ви: Донецк, зона АТО
Дописи: 19.780
сказав Дякую: 5.789
сказали Дякую 17.707 раз(и) в 6.926 повідомленні
|
Re: Форумный Акваконтроллер ===www.aquaforum.ua===
Саша, уже обсуждали. Ты сможешь купить, я смогу, а он не сможет.
Если готовое устройство, то только такое, которое можно купить в магазине, а не на аукционе или бегая по рынку. И опять же проблема написания программы, какая разница, под что ее писать, если и под ВинСЕ специалистов среди нас нету 
__________________
[I][B][COLOR=blue]С уважением, Сергей Таранченко[/COLOR][/B][/I]
|
|
|
28.01.2010, 21:30
|
#517
|
|
Живу я тут
Реєстрація: 19.01.2006
Звідки Ви: Киев
Дописи: 3.951
сказав Дякую: 1.011
сказали Дякую 1.080 раз(и) в 573 повідомленні
|
Re: Форумный Акваконтроллер ===www.aquaforum.ua===
Starcomputer, Так в том то и прикол - что исполняющие цепи, измерительные делаем, блок подрубается по ЮСБ к "голове" - будь то КПК, навигатор, настольник, нетбук.
по программе - если писать на С++ или еще на чем - она разве не компилируется под соответсвующий Вин, хоть под Вин, хоть под ВинСЕ? Я не програмер, когда то писал на бейсике - там пофигу было.
|
|
|
28.01.2010, 22:20
|
#518
|
|
Бан за нарушения
Реєстрація: 06.11.2007
Звідки Ви: Донецк, зона АТО
Дописи: 19.780
сказав Дякую: 5.789
сказали Дякую 17.707 раз(и) в 6.926 повідомленні
|
Re: Форумный Акваконтроллер ===www.aquaforum.ua===
Компилируется. Саша, основная проблема в том, что ну не все смогут достать дешевый КПК с нужными параметрами.
__________________
[I][B][COLOR=blue]С уважением, Сергей Таранченко[/COLOR][/B][/I]
|
|
|
28.01.2010, 22:24
|
#519
|
|
Придивляюся
Реєстрація: 05.11.2009
Звідки Ви: Санкт-Петербург
Дописи: 48
сказав Дякую: 1
сказали Дякую 16 раз(и) в 10 повідомленні
|
Re: Форумный Акваконтроллер ===www.aquaforum.ua===
Цитата:
Допис від BlackAlex
Starcomputer, Так в том то и прикол - что исполняющие цепи, измерительные делаем, блок подрубается по ЮСБ к "голове" - будь то КПК, навигатор, настольник, нетбук.
по программе - если писать на С++ или еще на чем - она разве не компилируется под соответсвующий Вин, хоть под Вин, хоть под ВинСЕ? Я не програмер, когда то писал на бейсике - там пофигу было.
|
У большинства КПК usb реализован только в качестве клиента. Т.е. подключить по этому порту можно только у компьютеру или другому usb хосту. Т.ч. этот вариант не подойдет.
Однако есть КПК, в которых выведен UART. У меня таких два: Casio Cassiopea E-125 и Asus MyPal 630. Но это тоже скорее всего экзотика - уже в моделях iPAQ того же времени, что Кассиопеа UART не было. Т.ч. это тоже не вариант.
А вот что касается программы под Windows CE, то она уже точно будет - я ее пишу 
Пока идет обсуждение контроллера - сделаю периферию и приспособлю древнюю каську для работы с ней...
И про компилируется:
Для WinCE придется делать отдельный интерфейс. Да и API там существенно отличается от настольного - многого нет. И самих этих CE уже немало разных... Я под версию WinCE 3.0 (PockePC) плотно программировал (это в 2000м году было).
|
|
|
28.01.2010, 23:00
|
#520
|
|
Живу я тут
Реєстрація: 19.01.2006
Звідки Ви: Киев
Дописи: 3.951
сказав Дякую: 1.011
сказали Дякую 1.080 раз(и) в 573 повідомленні
|
Re: Форумный Акваконтроллер ===www.aquaforum.ua===
так а сделать исполнительный блок ЮСБ хостом можно? Или еще как обойти?
|
|
|
29.01.2010, 00:46
|
#521
|
|
Придивляюся
Реєстрація: 05.11.2009
Звідки Ви: Санкт-Петербург
Дописи: 48
сказав Дякую: 1
сказали Дякую 16 раз(и) в 10 повідомленні
|
Re: Форумный Акваконтроллер ===www.aquaforum.ua===
Насколько я понимаю, исполнительный блок, который может быть usb хостом, вполне справится и с ролью контроллера 
|
|
|
29.01.2010, 00:51
|
#522
|
|
Придивляюся
Реєстрація: 05.11.2009
Звідки Ви: Санкт-Петербург
Дописи: 48
сказав Дякую: 1
сказали Дякую 16 раз(и) в 10 повідомленні
|
Re: Форумный Акваконтроллер ===www.aquaforum.ua===
Переразвел плату для управления нагрузки. В аттаче - картинка платы и проект в орле.
Теперь симисторы стоят вертикально. Дорожки в силовой части сделаны 1.4мм - толще уже сложно.
Защитные диоды не поставил. Пытался найти примеры, но везде ставят защиту только на ведущее устройство... В даташите упоминается BAT54. но только при паразитном питании.
Если их все таки нужно ставить - подскажите какие, и как точно их подключать.
Еще вопрос - может сетодиодную индикацию для каналов и питания добавить? Чтобы визуально было видно какие каналы в каком состоянии?
Критика приветствуется.
|
|
|
|
Ці 2 користувач(ів) сказали Дякую tdg за це повідомлення:
|
|
29.01.2010, 08:14
|
#523
|
|
Живу я тут
Реєстрація: 17.09.2004
Звідки Ви: Киев, Троещина
Дописи: 14.486
сказав Дякую: 4.642
сказали Дякую 8.508 раз(и) в 4.382 повідомленні
|
Re: Форумный Акваконтроллер ===www.aquaforum.ua===
tdg, плата .... место пустого много... Крепежных отверстий нет...(НОLE в орле посмотри.) Смысл в планарном исполнении мс, если такие габариты?
__________________
Страна не ублюдков и не воров.
__________________  
|
|
|
29.01.2010, 09:19
|
#524
|
|
Живу я тут
Реєстрація: 12.02.2008
Звідки Ви: Оболонь, Петровка
Дописи: 8.891
сказав Дякую: 2.489
сказали Дякую 2.878 раз(и) в 2.065 повідомленні
|
Re: Форумный Акваконтроллер ===www.aquaforum.ua===
tdg, симисторы раздвинь, радиатор не помещается.
__________________
Свет. ЭПРА, аквариумые лампы т5;т8; МГ-150; LED-комплекты и светильники системы СО2 под ключ. тел: 095 0105853; 098 6143112
Лучшие статьи месяца на Аквафоруме
|
|
|
29.01.2010, 10:22
|
#525
|
|
Бан за нарушения
Реєстрація: 06.11.2007
Звідки Ви: Донецк, зона АТО
Дописи: 19.780
сказав Дякую: 5.789
сказали Дякую 17.707 раз(и) в 6.926 повідомленні
|
Re: Форумный Акваконтроллер ===www.aquaforum.ua===
Цитата:
Допис від chack
радиатор не помещается.
|
А ты ставь один на все 
__________________
[I][B][COLOR=blue]С уважением, Сергей Таранченко[/COLOR][/B][/I]
|
|
|
 |
|
|
Тут присутні: 3 (учасників - 0 , гостей - 3)
|
|
|
| Параметри теми |
|
|
| Параметри перегляду |
Лінійний вигляд
|
Ваші права у розділі
|
Ви не можете створювати теми
Ви не можете писати дописи
Ви не можете долучати файли
Ви не можете редагувати дописи
HTML код Вимк.
|
|
|
Часовий пояс GMT +3. Поточний час: 12:49.
|