 |
|
08.06.2010, 00:16
|
|
|
Форумный Акваконтроллер (сборка)
Бан за нарушения
Реєстрація: 06.11.2007
Звідки Ви: Донецк, зона АТО
Дописи: 19.780
сказав Дякую: 5.789
сказали Дякую 17.707 раз(и) в 6.926 повідомленні

08.06.2010, 00:16
Рейтинг:
(2 голосов - 5,00 средняя оценка)
Данная тема является логическим продолжением темы Форумный акваконтроллер.
В предидущей теме после 50-ти с лишним страниц обсуждения наконец пришли к определенности. 
Итак базой для контроллера служит сборка MINI2440,
с дисплеем 7":
или 3,5":
Все контроллеры с тачскрином, так что клавиатура не нужна 
Кроме этого к контроллеру через второй USB может быть подключена любая USB мышка или клавиатура.
Схема контроллера не секрет, так что желающие могут попробовать изготовить самостоятельно (см. вложение)
Параметры у обоих одинаковы:
Samsung S3C2440A 400MHz, Max freq. 533Mhz
SDRAM
Ø 64MB SDRAM
Ø 32bits Data Bus width
Ø 100MHz Clock
Flash
Ø 1GB Nand Flash
Ø 2MB Nor Flash, BIOS installed
LCD
Ø 4 wire resistive touch screen interface
Ø Up to 4096 color STN, 3.5 inches to12.1 inches, up to 1024x768 pixels
Ø Up to 64K color TFT, 3.5 inches to 12.1 inches, up to1024x768 pixels
Ø In box 256K color 800x480/7.0 inches TFT LCD screen, with touch screen
Interface and Resource
Ø 1 x 10/100M Ethernet RJ-45(DM9000)
Ø 3 x Serial Ports(1 RS232 with CTS and RTS)
Ø 1 x USB Host
Ø 1 x USB Slave Type B
Ø 1 x SD Card Interface
Ø 1 x Stereo audio out, 1 Micro In
Ø 1 x 10-Pin JTAG
Ø 4 x USER LEDs
Ø 6 x USER buttons
Ø 1 x PWM Beeper
Ø 1 x POT can be used for A/D converter adjust
Ø 1 x AT24C08 for I2C test
Ø 1 x 20-Pin Camera Interface
Ø 1 x Battery for RTC
Ø 1 x Power In(5V), with switch and lamp
Oscillator Freq.
12MHz
RTC
Internal
Expand Interface
Ø 1 x 34-Pin 2mm GPIO
Ø 1 x 40-Pin 2mm System Bus
Dimension
100 x 100(mm)
OS Support
Ø Linux 2.6.32
Ø Windows CE.Net 5.0/6.0
Ø uCos2
Контроллеры можно приобести на eBay. Цена от 120 до 205$ с доставкой в Украину (до порога квартиры).
В принципе можно использовать любые контроллеры ARM9, но могут возникнуть проблемы с портами.
Кроме самого контроллера будет отдельная плата с блоком питания (+/- 5В), восемью исполнительными устройствами, четырьмя входами АЦП и четырьмя датчиками температуры.
К одному контроллеру можно подключить несколько таких плат (блок питания делается только на одной). Все платы соединяются с контроллером по шине 1-Wire (обычный телефонный/модемный четырехжильный кабель).
Принцип прост: одна плата - один аквариум
Программным обеспечением в настоящий момент занимается Володя Череп, Vanessa и Ваш покорный слуга. Кто хочет присоединиться - милости просим. 
Планируемые функции программы примерно те-же, что и в Акваконтроллере Юсупова, но более расширены и для большего количества аквариумов. Ну и плюс цветной графический тачскрин дисплей, плюс Ethernet, Internet, возможность подключения камеры, звука и т.д. и т.п.
.................................................. ............
Прошу в данной теме вопросы типа "А шо это такое и шо оно делает !?" не задавать 
__________________
[I][B][COLOR=blue]С уважением, Сергей Таранченко[/COLOR][/B][/I]
Востаннє редагував Starcomputer: 06.06.2011 о 11:43..
|
|
Переглядів: 293112
|
|
Ці 21 користувач(ів) сказали Дякую Starcomputer за це повідомлення:
|
Alex Vest (17.09.2010), BlackAlex (09.06.2010), boba88 (17.06.2010), chack (22.06.2010), HiddeN (14.01.2011), intro (10.07.2011), jazzdabbler (29.11.2011), pimass (17.06.2010), red1157 (17.06.2010), RNKot (11.02.2011), sae74 (17.06.2010), spav777 (18.10.2011), Ty3uK (08.06.2010), Vadim Art (01.08.2010), vitaha123 (04.08.2010), Walentin (27.02.2011), _Vadim (09.07.2010), К@питошка (23.10.2010), Ностальгия (26.01.2011), Шаманчик (17.06.2010), ЭКСПЕРИМЕНТАТОР (16.09.2010) |
07.09.2010, 00:13
|
#91
|
|
Живу я тут
Реєстрація: 07.12.2008
Звідки Ви: Lviv, Kiev
Дописи: 114
сказав Дякую: 56
сказали Дякую 39 раз(и) в 19 повідомленні
|
Re: Форумный Акваконтроллер (сборка) ===www.aquaforum.ua===
Цитата:
Допис від Sem
Аргументы?
|
1.
Цитата:
Допис від Володя Череп
Похожим способом к шине 1-wire можно подключить компьютер и отлаживать программу на компьютере. Для этого я использовал преобразователь USB-UART от какой-то старой Нокии и тот же буфер на двух полевиках, но с резистором 1,8К вместо 1К, подключив его к 5В вместо 3,3В. В исходном коде надо только заменить название COM-порта. Обмен данными по сравнению с mini2440 медленнее раз в десять (например, чтение температуры выполняется за 250-300 мс), но и в этом случае ошибок связи не возникает.
|
2. Сам юзав і знаю що це таке.
3. Колеги юзали і більше не хочуть юзати 
|
|
|
07.09.2010, 00:16
|
#92
|
|
Живу я тут
Реєстрація: 17.09.2004
Звідки Ви: Киев, Троещина
Дописи: 14.486
сказав Дякую: 4.642
сказали Дякую 8.508 раз(и) в 4.382 повідомленні
|
Re: Форумный Акваконтроллер (сборка) ===www.aquaforum.ua===
Цитата:
Допис від Lestat
2. Сам юзав і знаю що це таке.
|
Ну и я юзал.
Длинная линия около 50-70 (может больше) метров.
5-7 датчиков в паралель.
Есть временные стандарты протокола.
Если их нарушать.....
__________________
Страна не ублюдков и не воров.
__________________  
|
|
|
07.09.2010, 10:16
|
#93
|
|
Бан за нарушения
Реєстрація: 06.11.2007
Звідки Ви: Донецк, зона АТО
Дописи: 19.780
сказав Дякую: 5.789
сказали Дякую 17.707 раз(и) в 6.926 повідомленні
|
Re: Форумный Акваконтроллер (сборка) ===www.aquaforum.ua===
Коллеги, обсуждать протокол связи с устройствами мы не будем, это вопрос решенный.
Lestat, Вы не ту цитату привели. В приведенной Вами речь идет о сом-порте на обычном компе, на Mini2440 получается вот что:
Цитата:
Допис від Володя Череп
Вместо транзисторов 2N7002 я использовал какие-то другие N-канальные полевики, выпаянные из старой материнской платы. К линии DQ были подключены три устройства (DS18B20, DS2408 и DS2450), запитанные от 5В. К этому сообщению прилагается схема переходника для подключения к разъему CON2 (GND, 5V, RXD1, TXD1) mini2440. В отличие от предыдущего раза, ошибок связи не возникало даже во время копировании файлов между компьютером и mini2440.
|
......................
Цитата:
Допис від Sem
Хм..... а я хотел сросить почему не восемь?
|
Ну давай посчитаем варианты.
1-й - нет вообще датчиков, контроллер используется как многоканальный таймер для включения света в 8-ми аквариумах.
................
N-й вариант - 4 датчика температуры (заняли 4 силовых канала) и 4 силовых канала на включение света. Итого 4 аквариума.
................
N+Y вариант. 2 датчика температуры (охлаждение и обогрев), рН, дневной свет, подсветка, подача УДО. Итого 6 силовых каналов - 1 аквариум.
................
Все остальные варианты лежат посредине. Так что 4-х датчиков достаточно для ЛЮБЫХ вариантов.
Цитата:
Допис від Lestat
А для чого таймери використовувати?
|
1. Управление светом (2 часовых таймера).
2. Управление подачей удобрений (1-3 секундных таймера).
Это минимум.
.............................
Коллеги, давайте не забывать, что контроллер делается под необученного програмированию и радиотехнике пользователя, посему никаких сложностей в его настройке быть не должно. Если я настраиваю температурный режим, то мне нужно просто указать температуру включения / выключения нагревателя и номер канала. Точно так для всего остального.
Всякие настройки типа выбора режима работы АЦП и т.п. исключаются.
__________________
[I][B][COLOR=blue]С уважением, Сергей Таранченко[/COLOR][/B][/I]
|
|
|
|
Ці 2 користувач(ів) сказали Дякую Starcomputer за це повідомлення:
|
|
07.09.2010, 11:09
|
#94
|
|
Живу я тут
Реєстрація: 07.12.2008
Звідки Ви: Lviv, Kiev
Дописи: 114
сказав Дякую: 56
сказали Дякую 39 раз(и) в 19 повідомленні
|
Re: Форумный Акваконтроллер (сборка) ===www.aquaforum.ua===
Цитата:
Допис від Starcomputer
1. Управление светом (2 часовых таймера).
2. Управление подачей удобрений (1-3 секундных таймера).
Это минимум.
|
На свому контролері я робив так, один таймер на переривання 1 раз в секунду (тобто годинник), в перериванні перевіряються всі події, якщо час події співпадає з годинником, подія виконується. Параметри події: годинна, хвилина, секунда виконання, активна чи не активна подія, номер силового каналу, стан в який перевести(вкл/викл). Події в мене зберігаються в EEPROM.
По такому принципі мій контролер працює вже 2а роки  .
|
|
|
07.09.2010, 11:15
|
#95
|
|
Живу я тут
Реєстрація: 07.12.2008
Звідки Ви: Lviv, Kiev
Дописи: 114
сказав Дякую: 56
сказали Дякую 39 раз(и) в 19 повідомленні
|
Re: Форумный Акваконтроллер (сборка) ===www.aquaforum.ua===
Цитата:
Допис від Sem
Длинная линия около 50-70 (может больше) метров.
5-7 датчиков в паралель.
Есть временные стандарты протокола.
Если их нарушать.....
|
Пробуйте порушувати, до добра не приведе 
|
|
|
07.09.2010, 13:01
|
#96
|
|
Живу я тут
Реєстрація: 17.09.2004
Звідки Ви: Киев, Троещина
Дописи: 14.486
сказав Дякую: 4.642
сказали Дякую 8.508 раз(и) в 4.382 повідомленні
|
Re: Форумный Акваконтроллер (сборка) ===www.aquaforum.ua===
Оффтоп
Цитата:
Допис від Lestat
По такому принципі мій контролер працює вже 2а роки  .
|
что то широкой публике не заметно-(
__________________
Страна не ублюдков и не воров.
__________________  
|
|
|
15.09.2010, 14:05
|
#97
|
|
Бан за нарушения
Реєстрація: 06.11.2007
Звідки Ви: Донецк, зона АТО
Дописи: 19.780
сказав Дякую: 5.789
сказали Дякую 17.707 раз(и) в 6.926 повідомленні
|
Re: Форумный Акваконтроллер (сборка) ===www.aquaforum.ua===
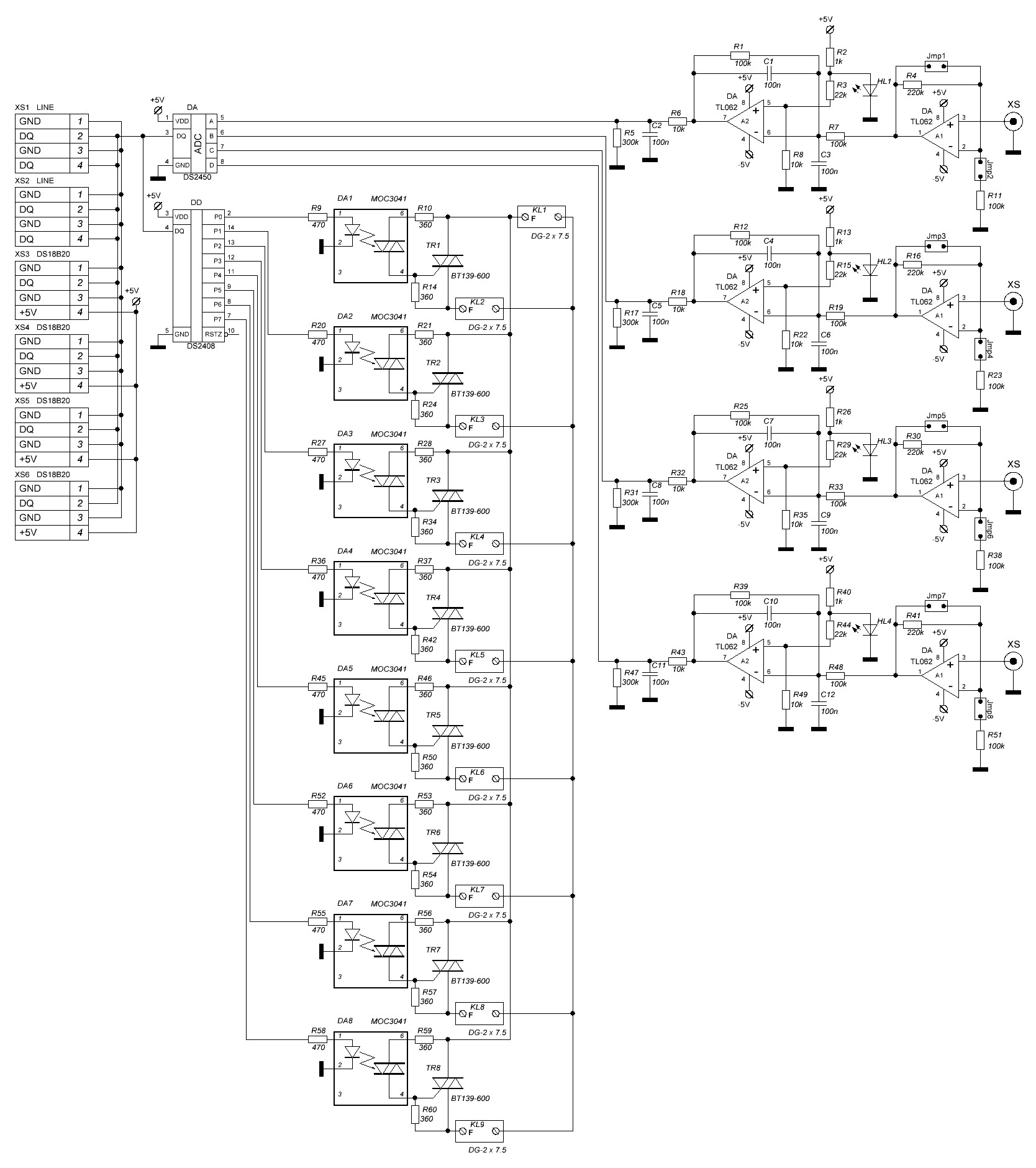
Схема силового блока. Сюда еще добавим блок питания +/- 5V и 12V (если Чак родит схему  ).
Ну и ..... что еще ?
Вобщем схема для обсуждения. 
__________________
[I][B][COLOR=blue]С уважением, Сергей Таранченко[/COLOR][/B][/I]
|
|
|
15.09.2010, 14:09
|
#98
|
|
Живу я тут
Реєстрація: 17.09.2004
Звідки Ви: Киев, Троещина
Дописи: 14.486
сказав Дякую: 4.642
сказали Дякую 8.508 раз(и) в 4.382 повідомленні
|
Re: Форумный Акваконтроллер (сборка) ===www.aquaforum.ua===
Подтяжка на шину уже не требуется?
__________________
Страна не ублюдков и не воров.
__________________  
|
|
|
|
cказали "Дякую" Sem за цей допис:
|
|
15.09.2010, 14:16
|
#99
|
|
Бан за нарушения
Реєстрація: 06.11.2007
Звідки Ви: Донецк, зона АТО
Дописи: 19.780
сказав Дякую: 5.789
сказали Дякую 17.707 раз(и) в 6.926 повідомленні
|
Re: Форумный Акваконтроллер (сборка) ===www.aquaforum.ua===
На DQ ? Надо у Володи уточнить, ставил он или нет.
__________________
[I][B][COLOR=blue]С уважением, Сергей Таранченко[/COLOR][/B][/I]
|
|
|
15.09.2010, 14:19
|
#100
|
|
Живу я тут
Реєстрація: 17.09.2004
Звідки Ви: Киев, Троещина
Дописи: 14.486
сказав Дякую: 4.642
сказали Дякую 8.508 раз(и) в 4.382 повідомленні
|
Re: Форумный Акваконтроллер (сборка) ===www.aquaforum.ua===
угу. стандарт требует....
__________________
Страна не ублюдков и не воров.
__________________  
|
|
|
15.09.2010, 14:44
|
#101
|
|
Бан за нарушения
Реєстрація: 06.11.2007
Звідки Ви: Донецк, зона АТО
Дописи: 19.780
сказав Дякую: 5.789
сказали Дякую 17.707 раз(и) в 6.926 повідомленні
|
Re: Форумный Акваконтроллер (сборка) ===www.aquaforum.ua===
Цитата:
Допис від Sem
угу. стандарт требует....
|
2К2 ?
__________________
[I][B][COLOR=blue]С уважением, Сергей Таранченко[/COLOR][/B][/I]
|
|
|
15.09.2010, 16:13
|
#102
|
|
Живу я тут
Реєстрація: 28.06.2003
Звідки Ви: Киев
Дописи: 757
сказав Дякую: 831
сказали Дякую 833 раз(и) в 397 повідомленні
|
Re: Форумный Акваконтроллер (сборка) ===www.aquaforum.ua===
1. Замечания по подключению силового блока к шине 1-wire
Со стороны мастера я ставил резистор 1К для подтяжки DQ к 3.3 вольтам.
Согласно даташиту DS2408, 2К2 - это максимум, который можно ставить в случае подключения одного единственного DS2408 в случае подтяжки DQ к 5 вольтам.
При прямом подключении слейвов к шине рекомендуют ставить диоды Шоттки (BAT54, 1N5817-1N5819). Со стороны слейвов я ничего не ставил, но у меня макетная плата со слейвами подключена к мастеру постоянно, а длина линии не больше 1 метра.
2. Замечания по включению микросхемы DS2408
Вывод RSTZ микросхемы DS2408 необходимо подтянуть к 5 вольтам через резистор 10К или, в случае возможности медленного нарастания питания, через супервизор DS1811. Если этого не сделать, то, согласно даташиту, после подачи питания состояние выходов DS2408 будет произвольным.
P0-P7 - это выходы с открытым стоком, поэтому аноды оптронов надо подключать через резисторы к питанию, а катоды - к выводам P0-P7.
Согласно даташиту на DS2408, суммарный входной ток через выводы P0..P7, RSTZ, I/O не должен превышать 20 mA, а у нас получается до 64 mA (около 8 mA через каждый из выводов P0..P7). Для уменьшения суммарного входного тока можно поступить таким образом: - сопротивление резисторов увеличить с 470 Ом до 1 кОм, что уменьшит входной ток каждого вывода Pn до 4 mA. Соответственно, вместо оптронов MOC3041 надо взять оптроны MOC3043;
- количество оптронов сократить до четырех;
- освободившиеся четыре вывода P4..P7 использовать как цифровые входы для подключения N.O. или N.C. датчиков.
3. Замечания по усилителям сигналов электродов
Между 3-м выводом микросхем TL062 и землей необходимо ставить конденсатор хотя бы на 10 nF. Это позволит избавиться от скачка напряжения на выходе усилителя на несколько сотен милливольт при включении/выключении света или помпы в аквариуме (проявляется в виде скачка показаний pH на 1-2 единицы).
Кроме (или вместо) конденсаторов C2, C5, C8 и C11 между выходом усилителя и землей надо ставить конденсаторы на несколько микрофарад. Это позволит избавиться от промышленной помехи амплитудой несколько десятков милливольт на выходе усилителя (проявляется в виде непрерывного изменения показаний pH в пределах +- 0.2 единицы).
ИМХО, между 3-м выводом микросхем TL062 и центральным контактом BNC-разъема необходимо ставить резистор на 1М в случае использования электродов с небольшим внутренним сопротивлением, в частности, редокс-электродов. Такое мнение у меня сложилось на основании поверхностного знакомства с теорией фильтрации, и на практике не проверялось. В отличие от редокс-электродов, для pH-электродов с большим внутренним сопротивлением в этом нет необходимости, это я проверял.
|
|
|
|
Ці 2 користувач(ів) сказали Дякую Володя Череп за це повідомлення:
|
|
15.09.2010, 16:24
|
#103
|
|
Бан за нарушения
Реєстрація: 06.11.2007
Звідки Ви: Донецк, зона АТО
Дописи: 19.780
сказав Дякую: 5.789
сказали Дякую 17.707 раз(и) в 6.926 повідомленні
|
Re: Форумный Акваконтроллер (сборка) ===www.aquaforum.ua===
Цитата:
Допис від Володя Череп
При прямом подключении слейвов к шине рекомендуют ставить диоды Шоттки (BAT54, 1N5817-1N5819).
|
Предусмотрено на мастере - BAT54S.
Цитата:
Допис від Володя Череп
количество оптронов сократить до четырех;
|
Володя, этого мало 
Видимо надо ставить инверсный буфер. 555АП6 вроде бы.
.............
Остальное исправлю.
__________________
[I][B][COLOR=blue]С уважением, Сергей Таранченко[/COLOR][/B][/I]
|
|
|
15.09.2010, 16:25
|
#104
|
|
Живу я тут
Реєстрація: 28.06.2003
Звідки Ви: Киев
Дописи: 757
сказав Дякую: 831
сказали Дякую 833 раз(и) в 397 повідомленні
|
Re: Форумный Акваконтроллер (сборка) ===www.aquaforum.ua===
И еще одно замечание, касающееся разводки платы. Вместо пар джамперов Jmp1/Jmp2, ..., Jmp7/Jmp8 можно установить по одному трехконтактному джамперу, средний контакт которого подключается ко 2-му выводу TL062.
|
|
|
15.09.2010, 16:29
|
#105
|
|
Бан за нарушения
Реєстрація: 06.11.2007
Звідки Ви: Донецк, зона АТО
Дописи: 19.780
сказав Дякую: 5.789
сказали Дякую 17.707 раз(и) в 6.926 повідомленні
|
Re: Форумный Акваконтроллер (сборка) ===www.aquaforum.ua===
Цитата:
Допис від Володя Череп
можно установить по одному трехконтактному джамперу, средний контакт которого подключается ко 2-му выводу TL062.
|
Таки ДА  Тоже уже додумался, но лень было перерисовывать схему. 
__________________
[I][B][COLOR=blue]С уважением, Сергей Таранченко[/COLOR][/B][/I]
|
|
|
 |
|
|
Тут присутні: 2 (учасників - 0 , гостей - 2)
|
|
|
Ваші права у розділі
|
Ви не можете створювати теми
Ви не можете писати дописи
Ви не можете долучати файли
Ви не можете редагувати дописи
HTML код Вимк.
|
|
|
Часовий пояс GMT +3. Поточний час: 00:50.
|