05.12.2013, 11:15
|
#61
|
|
Живу я тут
Реєстрація: 18.08.2012
Звідки Ви: Ромны
Дописи: 905
сказав Дякую: 627
сказали Дякую 293 раз(и) в 170 повідомленні
|
Re: Предзаказ на алюминиевый профиль для LED светильника. ===www.aquaforum.ua===
Если я правильно понял то на мою банку высотой 50см оптика обизательна
Отправлено с моего SGH-I777 через Tapatalk
__________________ 
|
|
|
05.12.2013, 12:01
|
#62
|
|
Бан за нарушения
Реєстрація: 06.11.2007
Звідки Ви: Донецк, зона АТО
Дописи: 19.780
сказав Дякую: 5.789
сказали Дякую 17.707 раз(и) в 6.926 повідомленні
|
Re: Предзаказ на алюминиевый профиль для LED светильника. ===www.aquaforum.ua===
Оптика совсем не обязательна, но крайне желательна. Тем более что стоит не так и дорого.
__________________
[I][B][COLOR=blue]С уважением, Сергей Таранченко[/COLOR][/B][/I]
|
|
|
05.12.2013, 16:33
|
#63
|
|
Живу я тут
Реєстрація: 19.01.2006
Звідки Ви: Киев
Дописи: 3.951
сказав Дякую: 1.011
сказали Дякую 1.080 раз(и) в 573 повідомленні
|
Re: Предзаказ на алюминиевый профиль для LED светильника. ===www.aquaforum.ua===
dark_angel, высота - имеется в виду высота подвеса над водой, а не высота водяного столба. Если светильник лежит на банке - можно вообще не ставить.
"Шарик, ты - балбес" © Кот Матроскин
Я тут голову ломаю с кастомным подвесом, и совсем забыл о приятеле торгующим светом. Щас пойду смотреть что есть серийного в подвесах для светильников.
Придумал эконом вариант. Квадратная гайка на М5 - квадрат 8мм. Дюбель с кольцом на 5мм. Отрезаем на дюбеле резьбу, нарезаем плашкой М5 - и готово. В Эпицентре есть даже нердавеющий крепеж. Можно поэксперементировать с воронением стали.
|
|
|
05.12.2013, 16:45
|
#64
|
|
Бан за нарушения
Реєстрація: 06.11.2007
Звідки Ви: Донецк, зона АТО
Дописи: 19.780
сказав Дякую: 5.789
сказали Дякую 17.707 раз(и) в 6.926 повідомленні
|
Re: Предзаказ на алюминиевый профиль для LED светильника. ===www.aquaforum.ua===
Не надо там резьбу нарезать. Берешь анкер - там готовая резьба 
__________________
[I][B][COLOR=blue]С уважением, Сергей Таранченко[/COLOR][/B][/I]
|
|
|
05.12.2013, 16:49
|
#65
|
|
Живу я тут
Реєстрація: 19.01.2006
Звідки Ви: Киев
Дописи: 3.951
сказав Дякую: 1.011
сказали Дякую 1.080 раз(и) в 573 повідомленні
|
Re: Предзаказ на алюминиевый профиль для LED светильника. ===www.aquaforum.ua===
там слишком длинная резьба, и как у самореза. Не делать же дырку в профиле. А если сдвинуть надо - новую дырку?
|
|
|
05.12.2013, 17:08
|
#66
|
|
Бан за нарушения
Реєстрація: 06.11.2007
Звідки Ви: Донецк, зона АТО
Дописи: 19.780
сказав Дякую: 5.789
сказали Дякую 17.707 раз(и) в 6.926 повідомленні
|
Re: Предзаказ на алюминиевый профиль для LED светильника. ===www.aquaforum.ua===
Анкер обрежь и будет короткая резьба 
__________________
[I][B][COLOR=blue]С уважением, Сергей Таранченко[/COLOR][/B][/I]
|
|
|
06.12.2013, 00:04
|
#67
|
|
Живу я тут
Реєстрація: 19.01.2006
Звідки Ви: Киев
Дописи: 3.951
сказав Дякую: 1.011
сказали Дякую 1.080 раз(и) в 573 повідомленні
|
Re: Предзаказ на алюминиевый профиль для LED светильника. ===www.aquaforum.ua===
не хочу его в профиль ввинчивать. Гайка - наше все. Тут есть перспективный вариант - подвесы от польских светильников. Посмотрим почем предложат заводские.
|
|
|
06.12.2013, 00:34
|
#68
|
|
Живу я тут
Реєстрація: 19.01.2006
Звідки Ви: Киев
Дописи: 3.951
сказав Дякую: 1.011
сказали Дякую 1.080 раз(и) в 573 повідомленні
|
Re: Предзаказ на алюминиевый профиль для LED светильника. ===www.aquaforum.ua===
Народ подтягивается помаленьку. Осталось 5 вакантных метров, если никто больше не откажется.
|
|
|
06.12.2013, 01:02
|
#69
|
|
Модератор Винницкого клуба аквариумистов
Реєстрація: 22.05.2009
Звідки Ви: Варшава-Вишенка
Дописи: 12.801
сказав Дякую: 2.464
сказали Дякую 5.200 раз(и) в 3.381 повідомленні
|
Re: Предзаказ на алюминиевый профиль для LED светильника. ===www.aquaforum.ua===
Цитата:
Допис від BlackAlex
Тут есть перспективный вариант - подвесы от польских светильников.
|
А что за подвесы, как посмотреть можно?
__________________
Танцуют звезды и луна © Как там начало?
guns don't kill people, people kill people
[URL="http://www.aquaforum.ua/showthread.php?p=3238854#post3238854"][B][I][SIZE="4"][COLOR="Red"][FONT="Courier New"]Светодиоды Cree XT-E, термокомпаунд, драйвера Mean Well[/FONT][/COLOR][/SIZE][/I][/B][/URL]
__________________  
|
|
|
06.12.2013, 01:25
|
#70
|
|
Живу я тут
Реєстрація: 19.01.2006
Звідки Ви: Киев
Дописи: 3.951
сказав Дякую: 1.011
сказали Дякую 1.080 раз(и) в 573 повідомленні
|
Re: Предзаказ на алюминиевый профиль для LED светильника. ===www.aquaforum.ua===
pimass, пока нечего показывать, в каталоге убогая, частичная картинка. "Шайба" потолочная, тросик и Y-образный "разветвитель. Малый трос двумя концами к светильнику, большой одним концом к потолочной, другим к Y-разветвителю. Пока отправил запрос на цену - если они по 20 баксов - нафиг надо. Дешевле барахолить китайские светильники
|
|
|
06.12.2013, 11:13
|
#71
|
|
Бан за нарушения
Реєстрація: 06.11.2007
Звідки Ви: Донецк, зона АТО
Дописи: 19.780
сказав Дякую: 5.789
сказали Дякую 17.707 раз(и) в 6.926 повідомленні
|
Re: Предзаказ на алюминиевый профиль для LED светильника. ===www.aquaforum.ua===
Цитата:
Допис від BlackAlex
не хочу его в профиль ввинчивать.
|
И не ввинчивай. Ввинти в гайку 
__________________
[I][B][COLOR=blue]С уважением, Сергей Таранченко[/COLOR][/B][/I]
|
|
|
06.12.2013, 11:15
|
#72
|
|
Бан за нарушения
Реєстрація: 06.11.2007
Звідки Ви: Донецк, зона АТО
Дописи: 19.780
сказав Дякую: 5.789
сказали Дякую 17.707 раз(и) в 6.926 повідомленні
|
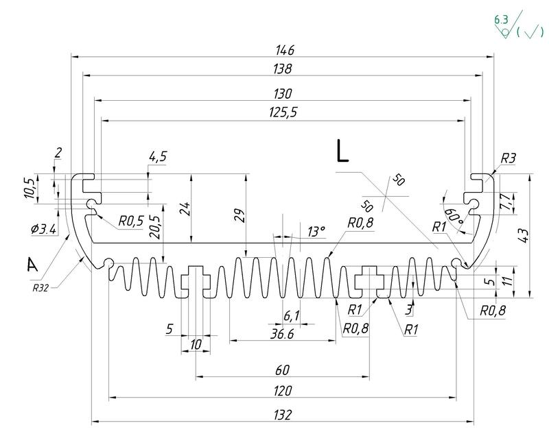
Re: Предзаказ на алюминиевый профиль для LED светильника. ===www.aquaforum.ua===
Если ширина профиля в пазе 138 мм, то какой ширины должен быть рассеиватель ?
137 мм ? С учетом того, что дома лазерной резки нет.
__________________
[I][B][COLOR=blue]С уважением, Сергей Таранченко[/COLOR][/B][/I]
|
|
|
06.12.2013, 11:16
|
#73
|
|
Живу я тут
Реєстрація: 17.09.2004
Звідки Ви: Киев, Троещина
Дописи: 14.486
сказав Дякую: 4.642
сказали Дякую 8.508 раз(и) в 4.382 повідомленні
|
Re: Предзаказ на алюминиевый профиль для LED светильника. ===www.aquaforum.ua===
Оффтоп
Цитата:
Допис від Starcomputer
И не ввинчивай. Ввинти в гайку 
|
)) улыбнуло - квадратную )))
__________________
Страна не ублюдков и не воров.
__________________  
|
|
|
06.12.2013, 11:50
|
#74
|
|
Придивляюся
Реєстрація: 17.02.2012
Звідки Ви: Дружковка
Дописи: 79
сказав Дякую: 30
сказали Дякую 21 раз(и) в 15 повідомленні
|
Re: Предзаказ на алюминиевый профиль для LED светильника. ===www.aquaforum.ua===
Цитата:
Допис від Sem
Оффтоп
)) улыбнуло - квадратную )))
|
Гайка кадратная
У гайки квадратной М5 размер 8х8мм, по диагонали учитывая фаски 10,2мм. А у гайки шестигранной М5 по ГОСТ 5927-70 размер под ключ 8мм, а по диагонали с учетом фасок 8,8мм, соответственно она будет проворачиватся в пазу 10мм.
|
|
|
06.12.2013, 12:06
|
#75
|
|
Живу я тут
Реєстрація: 17.09.2004
Звідки Ви: Киев, Троещина
Дописи: 14.486
сказав Дякую: 4.642
сказали Дякую 8.508 раз(и) в 4.382 повідомленні
|
Re: Предзаказ на алюминиевый профиль для LED светильника. ===www.aquaforum.ua===
Оффтоп
товарищь инженер у меня половина свичей этим крепится.
Знаю.
Говорю же улыбнуло
__________________
Страна не ублюдков и не воров.
__________________  
|
|
|
|
Тут присутні: 1 (учасників - 0 , гостей - 1)
|
|
|
Ваші права у розділі
|
Ви не можете створювати теми
Ви не можете писати дописи
Ви не можете долучати файли
Ви не можете редагувати дописи
HTML код Вимк.
|
|
|
Часовий пояс GMT +3. Поточний час: 06:24.
|