 |
|
20.11.2011, 08:01
|
|
|
Бюджетный автоматический дозатор удобрений
Живу я тут
Реєстрація: 25.02.2009
Звідки Ви: Россия, Новосибирск
Дописи: 485
сказав Дякую: 71
сказали Дякую 595 раз(и) в 201 повідомленні

20.11.2011, 08:01
Рейтинг:
(3 голосов - 5,00 средняя оценка)
Для ежедневной подачи жидких удобрений решился соорудить автоматический дозатор.
Обычно самодельные дозаторы делают на базе низкооборотных двигателей, асинхронных с редуктором или шаговых. Мною был выбран другой вариант - коллекторный двигатель постоянного тока от струйного принтера (двигатель привода каретки). Достать такой двигатель не составит труда, в любом сервис-центре по ремонту принтеров можно за символическую цену или бесплатно разжиться моторчиками от неремонтопригодных принтеров. Напряжение питания мотора от 5 до 12 вольт.
В качестве насоса использовал одноразовые шприцы с резиновым поршнем на 10 мл, но можно поставить и на 5 мл и на 1 мл. Привод штоков шприцев - винтовой. Винтовые механизмы используют в различных станках для точного позиционирования (точнее шариково-винтовые механизмы). В бюджетном варианте вполне подойдет обычный стальной болт с гайкой. Гайка вставлена в пластиковую (ПВХ)трубку, которая и двигает штоки двух шприцев. Винтовой механизм проще изготовить "на коленке" по сравнению с обычно используемым кривошипно-шатунным.
Для управления перемещением штоков использовал два концевых выключателя (МП-7) и реле на 220 вольт с двумя группами переключающих контактов. В качестве концевых выключателей можно использовать микропереключатели от старых компьютерных мышек. Дозатор подключается к обычному бытовому суточному механическому или недельному электорнному таймеру и блоку питания (у меня зарядка от мобильника на 8 вольт). Также понадобится 4 обычных аквариумных обратных клапана.
Для упрощения схемы управления и минимизации количества компонентов придумал нестандартную логику работы: при сработке таймера поршни шприцев делают проход в одну сторону (набирают удо), при выключении таймера удо из шприцев выдавливается в аквариум. Количество поступающих доз можно выбрать количеством включения таймера и положением одного из концевых микропереключателей (он сделан с регулировкой положения). Логику можно поменять на обратную при желании. Такая логика кроме упрощения схемы полностью исключает передозировку удо при выходе из строя любого компонента дозатора.
Пока дозатор собран на испытательном стенде и тестируется неделю. За это время сделано более сотни проходов (то есть аналогично 1-3 месяцев работы в реальном режиме при 1-3 дозах в сутки). Никаких косяков в работе пока не замечено.
Кодовое название дозатора "Фигаро-2" (отражает логику работы двух поршневых насосов и соответствует надписи на используемом для дозатора корпусе - пластиковой коробке из под советского косметического фена "Фигаро-2") 
Востаннє редагував BelkinS: 20.11.2011 о 12:54..
|
|
Переглядів: 29393
|
|
Ці 25 користувач(ів) сказали Дякую BelkinS за це повідомлення:
|
Aleksandrit2000 (15.12.2011), anttoha (27.11.2011), Badyoruy (21.11.2011), DEaD_MOPO3 (20.11.2011), fail99 (06.02.2012), harn (20.11.2011), keepo (21.11.2011), kotiko (02.12.2011), kvn79 (26.12.2011), manulo (21.11.2011), MSN (20.11.2011), nickanya (21.11.2011), Ranger (24.11.2011), sae74 (27.11.2011), Sem (20.11.2011), Shtrih 79 (26.11.2011), Starcomputer (20.11.2011), TPV (23.11.2011), V-klik (10.01.2012), Гавриил (24.11.2011), Егорий (07.02.2012), Кочнев Сергей Александрович (25.03.2015), Ностальгия (21.11.2011), Роміч Пасєка (22.07.2012), Сергей Николаевич (22.11.2011) |
21.11.2011, 15:23
|
#16
|
|
Живу я тут
Реєстрація: 12.01.2011
Звідки Ви: Запорожье
Дописи: 1.208
сказав Дякую: 796
сказали Дякую 849 раз(и) в 446 повідомленні
|
Відповідь: Бюджетный автоматический дозатор удобрений ===www.aquaforum.ua===
Относительно шприцов я порекомендовал с резиновым поршнем довольно лёгкий ход и сам поршенёк сделан с 3 уплотнительными кольцами если их хорошенько смазать силиконовым маслом то и постоянная смазка будет и подсыханей раствора не будет.
Теперь по конструкции, я на конец винтового вала с противоположной стороны движка посадил бы на радиальный подшипник в крайнем случае на металическую втулку, аргументирую, при разных усилиях на шприцах будут возникать усилия направленые в сторону меньшей нагрузки на другую сторону и постипенно резьбой вала или самим валом будет разбиваться отверстие.
__________________ 
Востаннє редагував harn: 21.11.2011 о 20:11..
|
|
|
|
Ці 3 користувач(ів) сказали Дякую harn за це повідомлення:
|
|
21.11.2011, 18:07
|
#17
|
|
Живу я тут
Реєстрація: 06.11.2008
Звідки Ви: Україна, Вінниця, Славянка
Дописи: 819
сказав Дякую: 903
сказали Дякую 434 раз(и) в 223 повідомленні
|
Re: Бюджетный автоматический дозатор удобрений ===www.aquaforum.ua===
Якщо я все правильно зрозумів (по роботі девайсу) то блок живлення можна теж до цього ж таймера підключити, тільки налаштувати таймер так, щоб часу вистачало на повний цикл "викачка-закачка" і блок живлення не буде працювати весь час і після завершення циклу вимикатиметься.
Можливо не розібрався з роботою електрики, підправте.
Якщо можна більш детально по роботі електрики. Вмикається таймер, спрацьовує реле замикає контакти на включення мотору ................
__________________
Тихесенько вітер віє, Лани, степи мріють, Між ярами над ставами верби зеленіють. ツ
|
|
|
22.11.2011, 04:49
|
#18
|
|
Живу я тут
Реєстрація: 25.02.2009
Звідки Ви: Россия, Новосибирск
Дописи: 485
сказав Дякую: 71
сказали Дякую 595 раз(и) в 201 повідомленні
|
Re: Бюджетный автоматический дозатор удобрений ===www.aquaforum.ua===
Badyoruy, Нет, на этот же таймер блок питания подключить не получится - он должен работать при выключении таймера для обратного прохода. Чтобы блок питания не был постоянно включенным его можно подключить на таймер освещения, а дозатор на отдельный таймер и время подачи удо запрограммировать на любое время пока включено освещение. Но и круглосуточная работа блока питания не критична, потребляемая мощность его невелика, многие бытовые приборы включены круглосуточно в дежурном режиме.
У меня в тумбе установлен компьютерный блок питания, работающий круглосуточно и от него запитана вся низковольтная электрика (грелка, ЭМ клапан, вентилятор). К этому блоку и планирую подключить свой дозатор когда закончу тестирование и установлю его в тумбу.
Мощность двигателя в рабочем режиме при 8 вольтах получилась всего 0,8 ватта (ток 100 мА). Пусковой ток побольше, как его измерить не знаю, но если заклинить вал двигателя ток возрастает до 0,5 А. Исходя из мощности двигателя и нужно выбирать мощность блока питания.
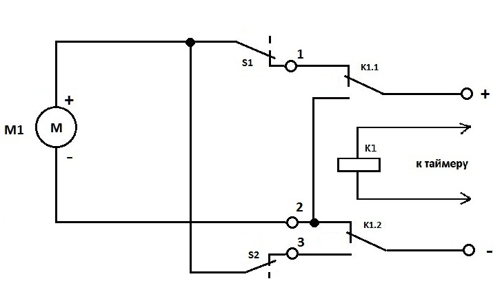
Логика работы дозатора такая:
1. При сработке таймера срабатывает реле К1 и на двигатель подается напряжение обратной полярности через замкнутый концевик S2. Поршни двигаются вниз, набирая растворы из бутылок. Когда штоки доходят до крайнего нижнего положения размыкается концевой выключатель S2, выключая двигатель.
2. При выключении таймера реле отпускается, переключает полярность напряжения и через замкнутый концевик S1 подает напряжение прямой полярности на двигатель. Двигатель вращается в другую сторону и двигает поршни вверх, удо выдавливается из шприцев в аквариум. В крайнем верхнем положении размыкается концевик S1 и двигатель выключается.
При следующей сработке таймера описанный цикл повторяется.
Цитата:
Допис від harn
на конец винтового вала с противоположной стороны движка посадил бы на радиальный подшипник
|
По поводу смазки поршней хорошая мысль, тоже думал, но не знал какую можно использовать. Поршни резиновые, смажу силиконовой смазкой.
Подшипник тоже планировался, пока не нашел подходящего по размеру, поищу.
Еще одно тонкое место - соединение вала двигателя с винтом. Пока соединил обрезком толстостенной компрессорной трубки, держится хорошо, не проскальзывает, но со временем возможно разболтается. Но это несложная задачка, решений можно много найти
Сейчас тестирую работу дозатора на растворах. Настоящие удо тратить на тесты жалко, в одну бутыль налил раствор пищевой соды (60 грамм/литр) в другой удо для цирусов (20 мл/литр).
Востаннє редагував BelkinS: 22.11.2011 о 05:50..
|
|
|
|
cказали "Дякую" BelkinS за цей допис:
|
|
22.11.2011, 13:14
|
#19
|
|
Живу я тут
Реєстрація: 12.01.2011
Звідки Ви: Запорожье
Дописи: 1.208
сказав Дякую: 796
сказали Дякую 849 раз(и) в 446 повідомленні
|
Re: Бюджетный автоматический дозатор удобрений ===www.aquaforum.ua===
Цитата:
Допис від BelkinS
Еще одно тонкое место - соединение вала двигателя с винтом. Пока соединил обрезком толстостенной компрессорной трубки, держится хорошо, не проскальзывает, но со временем возможно разболтается. Но это несложная задачка, решений можно много найти
|
Если на валу имеются шлиц то можно в туже трубку наложить клея типа холодной сваркии надеть на вал двигателя пока не затвердела а на другую сторону вал, в резьбу тоже можно наложить её и когда всё затвердеет будет прочное соединение, двигателя будет сниматься с муфточки а на валу будет держаться за резьбу. Вот что мне на ум первое пришло как здесь вырулить.
__________________ 
|
|
|
|
cказали "Дякую" harn за цей допис:
|
|
26.11.2011, 13:28
|
#20
|
|
Живу я тут
Реєстрація: 25.02.2009
Звідки Ви: Россия, Новосибирск
Дописи: 485
сказав Дякую: 71
сказали Дякую 595 раз(и) в 201 повідомленні
|
Re: Бюджетный автоматический дозатор удобрений ===www.aquaforum.ua===
В процессе изготовления вторая версия дазатора с учетом своего опыта и обсуждения на форуме.
Первая версия работает без проблем, сделано около 200 проходов. Использование солевых растворов не выявило каких-либо проблем.
Во второй версии использую шариковый подшипник (закреплен в клипсе для лампы Т5), шприцы меньшего объема (5 мл) и двигатель меньших габаритов. Устройство получается компактнее, надеюсь не в ущерб надежности.
Двигатель от струйного принтера Epson, модель движка EM-529 RS445PA14233R, рабочий диапазон напряжений: 12-42 V, но надежно двигает поршни и при 8 вольтах.
Винтовую пару взял М5 (в первой версии М6), поскольку найденный подшипник как раз подошел под диаметр 5 мм, и соединить винт М5 с валом двигателя проще. Гайка для винтовой пары куплена в магазине крепежа, ее получилось не сложно закрепить в толкателе штоков шприцев.
Пока не поставил концевики, а так все работает.
Продолжение следует...
Востаннє редагував BelkinS: 26.11.2011 о 13:47..
|
|
|
|
Ці 9 користувач(ів) сказали Дякую BelkinS за це повідомлення:
|
|
26.11.2011, 14:09
|
#21
|
|
Живу я тут. Мохоманьяк
Реєстрація: 08.05.2009
Звідки Ви: Львовская обл. г.Стрый
Дописи: 476
сказав Дякую: 620
сказали Дякую 480 раз(и) в 208 повідомленні
|
Re: Бюджетный автоматический дозатор удобрений ===www.aquaforum.ua===
Действительно бюджетная и главное легко повторяемая конструкция . Спасибо . Интересует вот это
Цитата:
Допис від BelkinS
нет проблем сделать отдельный привод на каждый шприц. Конструкция тогда будет немного другой.
|
Если не тяжело , схематически ,как будет выглядеть ?
__________________  
|
|
|
26.11.2011, 14:21
|
#22
|
|
Живу я тут
Реєстрація: 25.02.2009
Звідки Ви: Россия, Новосибирск
Дописи: 485
сказав Дякую: 71
сказали Дякую 595 раз(и) в 201 повідомленні
|
Re: Бюджетный автоматический дозатор удобрений ===www.aquaforum.ua===
Цитата:
Допис від VOKA
как будет выглядеть ?
|
К поршню крепится трубка с гайкой. Такой вариант пробовал с самого начала, работало нормально. Это даже надежнее, чем в варианте с двумя шприцами на один движок.
К сожалению сам дозатор с одним шприцем не сфотал, разобрал, остался только шприц со штоком.
|
|
|
|
Ці 2 користувач(ів) сказали Дякую BelkinS за це повідомлення:
|
|
27.11.2011, 15:04
|
#23
|
|
Живу я тут. Мохоманьяк
Реєстрація: 25.06.2009
Звідки Ви: Елисаветград
Дописи: 5.602
сказав Дякую: 7.745
сказали Дякую 6.779 раз(и) в 3.166 повідомленні
|
Re: Бюджетный автоматический дозатор удобрений ===www.aquaforum.ua===
С 1 шприцом (да и с 2  ) вопрос регулировки подачи решается установкой нескольких МП-7 и переключателя
Наконец-то нашел конструкцию, достойную повторения.
BelkinS, браво!
__________________
P.S. Внимание! Мнение автора может не совпадать с его собственным!
__________________  
Востаннє редагував GOREZ: 27.11.2011 о 15:13..
|
|
|
29.11.2011, 13:11
|
#24
|
|
Живу я тут
Реєстрація: 25.02.2009
Звідки Ви: Россия, Новосибирск
Дописи: 485
сказав Дякую: 71
сказали Дякую 595 раз(и) в 201 повідомленні
|
Re: Бюджетный автоматический дозатор удобрений ===www.aquaforum.ua===
Вот собственно практически законченная конструкция.
Использование одного подшипника на конце винта существенно улучшило плавность хода. Дозатор сделал в виде одного модуля, объединив собственно механизм и бутылки с растворами. В таком варианте удобно, проверив работу дозатора и сделав при необходимости профилактику, просто повесить модуль в тумбе. По такому же принципу буду переделывать и лимонно-содовый генератор СО2 (модуль - бутылки, клапан, пневмодроссель, счетчик пузырьков на одной панели). Тумба у меня маленькая (под банку 60л) и модульная компановка оборудования будет очень кстати.
Для монтажа компонентов модуля использовал старый офисный настольный держатель бумаг (копи-холдер). Всю разводку проводов сделал на обратной стороне, так эстетичнее  Подвижный регулируемый концевой выключатель позволяет выставлять однократную дозу от 1 до 5 мл.
Немного изменил электрическую схему. В таком варианте можно сделать второй дозатор без реле, подключив двигатель с двумя концевиками к первому дозатору к точкам 1,2,3.
|
|
|
|
Ці 10 користувач(ів) сказали Дякую BelkinS за це повідомлення:
|
|
24.12.2011, 02:53
|
#25
|
|
Живу я тут
Реєстрація: 01.08.2005
Звідки Ви: Киев
Дописи: 599
сказав Дякую: 191
сказали Дякую 427 раз(и) в 182 повідомленні
|
Відповідь: Бюджетный автоматический дозатор удобрений ===www.aquaforum.ua===
Здорово. Очень понравилось. Спасибо.
Но есть все-таки вопрос по надежности крепления винта с осью двигателя.
Как это сейчас устроено?
|
|
|
24.12.2011, 06:06
|
#26
|
|
Живу я тут
Реєстрація: 25.02.2009
Звідки Ви: Россия, Новосибирск
Дописи: 485
сказав Дякую: 71
сказали Дякую 595 раз(и) в 201 повідомленні
|
Re: Бюджетный автоматический дозатор удобрений ===www.aquaforum.ua===
На вал двигателя надет внатяг разогретый обрезок трубочки от чупа-чупса. На него на суперклей обрезок компрессорного шланга и в него на суперклей вкручен винт. Колхоз конечно, зато бюджетно и просто. Сотня проходов показала вполне достаточную надежность.
Есть проблема, которую пока не знаю как решить - залипание поршня в корпусе шприца после суток простоя. Это болезнь всех дозаторов на базе шприцев с резиновыми поршнями, но в данной конструкции ввиду небольшого момента сил двигателя это особенно критично. Можно конечно подавать удо несколько раз в сутки небольшими дозами. Возможно нужно заменить шприцы на другие (стеклянные). Пока думаю, к сожалению в конце года много работы, так что решение задачи отодвигается.
|
|
|
|
Ці 2 користувач(ів) сказали Дякую BelkinS за це повідомлення:
|
|
24.12.2011, 11:16
|
#27
|
|
Живу я тут
Реєстрація: 01.08.2005
Звідки Ви: Киев
Дописи: 599
сказав Дякую: 191
сказали Дякую 427 раз(и) в 182 повідомленні
|
Відповідь: Re: Бюджетный автоматический дозатор удобрений ===www.aquaforum.ua===
Цитата:
Допис від BelkinS
залипание поршня в корпусе шприца после суток простоя
|
Может все-таки силиконовая смазка поможет. Не пробовал?
|
|
|
24.12.2011, 11:46
|
#28
|
|
Живу я тут
Реєстрація: 25.02.2009
Звідки Ви: Россия, Новосибирск
Дописи: 485
сказав Дякую: 71
сказали Дякую 595 раз(и) в 201 повідомленні
|
Re: Бюджетный автоматический дозатор удобрений ===www.aquaforum.ua===
Пробовал. Густой силиконовой смазки в продаже временно не оказалось, купил жидкое силиконовое масло ПМС-5 (10мл). Попробовал смазать поршень шприца (не в дозаторе конечно), получилось еще хуже - трение скольжения уменьшилось, а вот трение покоя, которое и нужно уменьшить, наоборот увеличилось очень сильно. Увы не прокатило. Так что на счет смазки оптимизма нет. Конечно подавать удо 10 раз в сутки заведомо рабочее решение, но хотелось бы...
В соседней ветке Автодозатор Жидких Удобрений. Регулируемый http://www.aquaforum.ua/showthread.php?t=62341&page=20 такая же проблема:
Цитата:
|
Сейчас думаю как устранить баг с прихватыванием поршней ( первоночальное большое сопротивление до срыва с места) после простоя дозатора между циклами, бывает так сильно прихватываются что движок идёт на реверс, пробовал силиконовым маслом смазать поршеньки но особого эфекта не наблюдаю. Есть какие небудь идеи ?
|
Решений не предложено.
|
|
|
24.12.2011, 11:51
|
#29
|
|
Живу я тут
Реєстрація: 19.05.2009
Звідки Ви: Луцк
Дописи: 2.231
сказав Дякую: 1.529
сказали Дякую 1.731 раз(и) в 980 повідомленні
|
Re: Бюджетный автоматический дозатор удобрений ===www.aquaforum.ua===
BelkinS, В нижнем положении (набраный шприц) прихватывает так же как в верхнем(пустой шприц)?
|
|
|
24.12.2011, 12:02
|
#30
|
|
Живу я тут
Реєстрація: 25.02.2009
Звідки Ви: Россия, Новосибирск
Дописи: 485
сказав Дякую: 71
сказали Дякую 595 раз(и) в 201 повідомленні
|
Re: Бюджетный автоматический дозатор удобрений ===www.aquaforum.ua===
Да, и верхнем и в нижнем одинаково, специально проверял. При тестировании насухую (без растворов) залипания нет. Залипает именно когда поршни влажные, хоть чистая вода, хоть солевые растворы. По-видимому нужен просто гидрофобный поршень, чтобы жидкость не проникала между поршнем и корпусом. Силикон гидрофобный материал, но он сам "прихватывает" поршень. Тефлоновый (фторопластовый) поршень наверное подойдет, но это уже не бюджетное решение.
|
|
|
 |
|
|
Тут присутні: 1 (учасників - 0 , гостей - 1)
|
|
|
| Параметри теми |
|
|
| Параметри перегляду |
Лінійний вигляд
|
Ваші права у розділі
|
Ви не можете створювати теми
Ви не можете писати дописи
Ви не можете долучати файли
Ви не можете редагувати дописи
HTML код Вимк.
|
|
|
Часовий пояс GMT +3. Поточний час: 22:59.
|