 |
|
13.12.2006, 01:17
|
#1
|
|
Модератор коммерческого раздела Член Всеукраинской Ассоциации аквариумистов
Реєстрація: 11.07.2004
Звідки Ви: Чернигов
Дописи: 2.947
сказав Дякую: 751
сказали Дякую 1.648 раз(и) в 604 повідомленні
|
Помогите: Схема подключения диодов? ===www.aquaforum.ua===
Вот здесь высмотрел крышку в мини море с синими диодами http://www.aqualogo.ru/phpbb2/index....pic=4635&st=20
Кто подскажет как их правельно подключить? Там на фотках я ничё не понял...
__________________ 
|
|
|
13.12.2006, 01:28
|
#2
|
|
Активний участник форуму
Реєстрація: 31.03.2006
Звідки Ви: Киев, Оболонь
Дописи: 353
сказав Дякую: 101
сказали Дякую 101 раз(и) в 77 повідомленні
|
Re: Помогите: Схема подключения диодов? ===www.aquaforum.ua===
Зависит от диодов , обычно сопротивление от 100 ом до 800 ом, либо посчитать оп закону ома ... Питающее напряжение 3-12 в , зависит от сопротивления .. Да еще , мощность резисторов от 0.5 вт.
На радиорынке они стоят копейки , могешь сразу взять разных десяток , мощностью 2 вт ..
Востаннє редагував Ajar: 13.12.2006 о 01:30..
|
|
|
13.12.2006, 08:55
|
#3
|
|
Модератор коммерческого раздела Член Всеукраинской Ассоциации аквариумистов
Реєстрація: 11.07.2004
Звідки Ви: Чернигов
Дописи: 2.947
сказав Дякую: 751
сказали Дякую 1.648 раз(и) в 604 повідомленні
|
Re: Помогите: Схема подключения диодов? ===www.aquaforum.ua===
Озадачили.....
Есть диоды по 3 вольта как их зажечь? На фото он подключал пять диодов, что там за резисторы? В общем - схема????
__________________ 
|
|
|
13.12.2006, 09:53
|
#4
|
|
Живу я тут
Реєстрація: 03.04.2004
Звідки Ви: Энергодар Запорожская АЭС
Дописи: 1.314
сказав Дякую: 496
сказали Дякую 1.208 раз(и) в 415 повідомленні
|
Re: Помогите: Схема подключения диодов? ===www.aquaforum.ua===
Судя по этому фото номинал резистора 10кОм, 0,5вт, диоды подключенны параллельно.
__________________
С УВАЖЕНИЕМ! Виталий. +380507767882; +380975964794
|
|
|
13.12.2006, 10:00
|
#5
|
|
Живу я тут
Реєстрація: 14.03.2006
Звідки Ви: Харьков
Дописи: 105
сказав Дякую: 25
сказали Дякую 27 раз(и) в 15 повідомленні
|
Re: Помогите: Схема подключения диодов? ===www.aquaforum.ua===
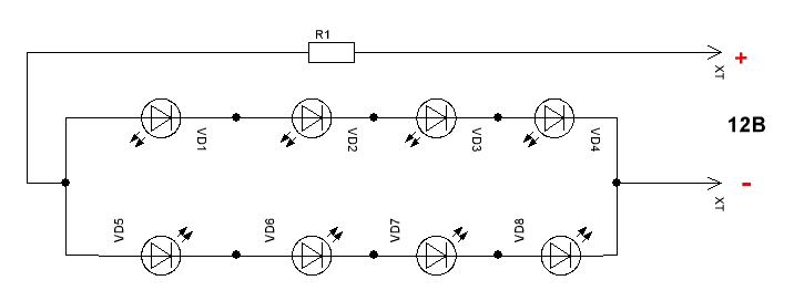
Напряжение на светодиоде после того, как он засветился практически постоянное, яркость свечения, в таком случае, определяется током, следовательно, если у вас источник питания на 12 вольт, и одинаковые диоды, как вы утверждаете на 3 вольта, подключайте их след. образом. По 3 диода последовательно + токоограничивающий резистор. короткую лапку 1 подсоединяете к "-", длинную лапку первого к короткой второго, соответственно к длинной лапке второго, короткую лапку третьего, а к длинной лапке третьего - лапку резистора все равно какую, а другую лапку резистора на "+". теперь выберем резистор. потребляемый ток берем из расчета 20мА, в последовательной цепи он одинаков для всех ее участников. Как было указано ранее светодиоды на 3 вольта, отсюда от 12 вольт питания остается 3 вольта на резистор остальные на светодиодах (12-3*3). Сопротивление 3/0.02А=150ом мощность резистора
3В*0.02А=60мВт следовательно подойдет любой, даже самый маленький. подключайте такие цепи параллельно друг к другу "+" к "+" "-" к "-" .
Если интересует, как подключить к розетке непосредственно, спрашивайте, хотя я по соседству с водой этого не делал бы, потому как очень опасно. Если не понятно, напишите, не поленюсь схему нарисую.
|
|
|
|
cказали "Дякую" Kabanchitta за цей допис:
|
|
13.12.2006, 14:01
|
#6
|
|
Модератор коммерческого раздела Член Всеукраинской Ассоциации аквариумистов
Реєстрація: 11.07.2004
Звідки Ви: Чернигов
Дописи: 2.947
сказав Дякую: 751
сказали Дякую 1.648 раз(и) в 604 повідомленні
|
Re: Помогите: Схема подключения диодов? ===www.aquaforum.ua===
Kabanchitta :
Я конечно нифига не понял - далёк я от этого... Но спасибо!!!
Если можно нарисуйте схемку под 10-12 диодов...
__________________ 
|
|
|
13.12.2006, 16:31
|
#7
|
|
Горловский клуб аквариумистов
Реєстрація: 23.11.2006
Звідки Ви: Gorlovka
Дописи: 401
сказав Дякую: 133
сказали Дякую 121 раз(и) в 88 повідомленні
|
Re: Помогите: Схема подключения диодов? ===www.aquaforum.ua===
Павлик Морозов,
а какой аквариум вы думаете освещать светодиодами (обём),
просто интересно и сколько ж надо их будет?
идея интересная, экономику надо просчитать и долговечность тоже учесть...
__________________
Аквариум + мощный нагреватель + сломаный терморегулятор = уха
и с травкой уже :)
|
|
|
13.12.2006, 18:35
|
#8
|
|
Активний участник форуму
Реєстрація: 31.03.2006
Звідки Ви: Киев, Оболонь
Дописи: 353
сказав Дякую: 101
сказали Дякую 101 раз(и) в 77 повідомленні
|
Re: Помогите: Схема подключения диодов? ===www.aquaforum.ua===
ИМХО нужно знать рабочие парметры диодов ...
У меня стоит 18ом на 7 диодов , диоды включенны параллельно , марку не помню взял то что было под рукой (еще советские) , напряжение питания 5-10в (регулятор на 7805 )
|
|
|
13.12.2006, 19:05
|
#9
|
|
Модератор коммерческого раздела Член Всеукраинской Ассоциации аквариумистов
Реєстрація: 11.07.2004
Звідки Ви: Чернигов
Дописи: 2.947
сказав Дякую: 751
сказали Дякую 1.648 раз(и) в 604 повідомленні
|
Re: Помогите: Схема подключения диодов? ===www.aquaforum.ua===
Цитата:
Допис від nezvan
Павлик Морозов,
а какой аквариум вы думаете освещать светодиодами (обём),
просто интересно и сколько ж надо их будет?
идея интересная, экономику надо просчитать и долговечность тоже учесть...
|
Мини НЕМО (морской) - 20 литров (35*25*30). Будут стоять 2 спиральных трубки по 15 ват. А вот роль актинноков планируется возложить на диоды (планируется 10-15 шт.)
__________________ 
|
|
|
|
cказали "Дякую" Павлик Морозов за цей допис:
|
|
13.12.2006, 19:06
|
#10
|
|
Модератор коммерческого раздела Член Всеукраинской Ассоциации аквариумистов
Реєстрація: 11.07.2004
Звідки Ви: Чернигов
Дописи: 2.947
сказав Дякую: 751
сказали Дякую 1.648 раз(и) в 604 повідомленні
|
Re: Помогите: Схема подключения диодов? ===www.aquaforum.ua===
Цитата:
Допис від Ajar
ИМХО нужно знать рабочие парметры диодов ...
У меня стоит 18ом на 7 диодов , диоды включенны параллельно , марку не помню взял то что было под рукой (еще советские) , напряжение питания 5-10в (регулятор на 7805 )
|
Дайте схету... насколько вольт диоды?
__________________ 
|
|
|
13.12.2006, 21:40
|
#11
|
|
Член Всеукраїнської Асоціації акваріумістів
Реєстрація: 31.05.2005
Звідки Ви: Ирпень
Дописи: 338
сказав Дякую: 94
сказали Дякую 43 раз(и) в 28 повідомленні
|
Re: Помогите: Схема подключения диодов? ===www.aquaforum.ua===
Пожалуйста. Диоды бери от китайских фонарей. 
Сопротивление при напряжении 12 вольт - около 1 Ома.
__________________
С уважением,
Виталий.
__________________ 
|
|
|
|
cказали "Дякую" kran за цей допис:
|
|
13.12.2006, 22:14
|
#12
|
|
Живу я тут
Реєстрація: 17.09.2004
Звідки Ви: Киев, Троещина
Дописи: 14.486
сказав Дякую: 4.642
сказали Дякую 8.508 раз(и) в 4.382 повідомленні
|
Re: Помогите: Схема подключения диодов? ===www.aquaforum.ua===
Вот отличняя страница для расчета резисторов-диодов-напряжения.
Ну просто сделана для людей далеких от паяльника(только без обид плиз)
http://metku.net/index.html?sect=vie...dex_eng#series
Но для расчета нужно еще знать параметры светодиода.
А именно прямой(протекающий) ток и рабочее напряжение.
Пояснять не буду-из практики для советских диодов - оптимальный ток 20 миллиампер и рабочее напряжение 2.5-3.0 вольта. На сайте
As led forward voltages:
Red and green: 2 volts т.е для красных и зеленых напруга 2 волбта
Blue and white: 3.5 - 4 volts голубых и белых 3.5 - 4 вольта
Led current: Протекающий ток
20mA will work for most leds.
Главное не спутать ПОЛЯРНОСТЬ включения. Плохого ничего не будет-просто не засветятся.
При пересчете схемы Kran (но только для четырех диодов) получился
резистор 1 ом. Для 8 диодов должен быть 0.5 ома, т.к законы Киргофа еще не отменяли...
__________________  
|
|
|
|
cказали "Дякую" Sem за цей допис:
|
|
13.12.2006, 22:17
|
#13
|
|
Член Всеукраїнської Асоціації акваріумістів
Реєстрація: 31.05.2005
Звідки Ви: Ирпень
Дописи: 338
сказав Дякую: 94
сказали Дякую 43 раз(и) в 28 повідомленні
|
Re: Помогите: Схема подключения диодов? ===www.aquaforum.ua===
Вот еще. Будеш яркость диодов регулировать. Транс - любой на 10 - 15 вольт, диодный мост - любой, С1- больше 100 мкф*25 Вольт, R 1- 3.3-6,8 кОм, R2 - 10кОм, VD1 - любой стабилитрон на 12 Вольт, Транзистор - Кт 805 или Кт 892 с любой буквой.
__________________
С уважением,
Виталий.
__________________ 
|
|
|
13.12.2006, 22:23
|
#14
|
|
Член Всеукраїнської Асоціації акваріумістів
Реєстрація: 31.05.2005
Звідки Ви: Ирпень
Дописи: 338
сказав Дякую: 94
сказали Дякую 43 раз(и) в 28 повідомленні
|
Re: Помогите: Схема подключения диодов? ===www.aquaforum.ua===
Цитата:
Допис від Sem
При пересчете схемы Kran (но только для четырех диодов) получился
резистор 1 ом. Для 8 диодов должен быть 0.5 ома, т.к законы Киргофа еще не отменяли...
|
Тока разницу в свечении светиков не видно будет, а вот "время жизни" существенно увеличиться. А что будет если навернеться любой 1 светик? Правильно! Будет работать только 1 линейка (4 шт) на сопротивлении 0,5 Ома - на повышенном токе. Закон вероятности тоже не отменяли! 
__________________
С уважением,
Виталий.
__________________ 
|
|
|
14.12.2006, 01:01
|
#15
|
|
Модератор коммерческого раздела Член Всеукраинской Ассоциации аквариумистов
Реєстрація: 11.07.2004
Звідки Ви: Чернигов
Дописи: 2.947
сказав Дякую: 751
сказали Дякую 1.648 раз(и) в 604 повідомленні
|
Re: Помогите: Схема подключения диодов? ===www.aquaforum.ua===
Цитата:
Допис від kran
Пожалуйста. Диоды бери от китайских фонарей. 
Сопротивление при напряжении 12 вольт - около 1 Ома.
|
Что это за Китайские ? Я просто далёк от этого...
__________________ 
|
|
|
 |
|
|
Тут присутні: 1 (учасників - 0 , гостей - 1)
|
|
|
Ваші права у розділі
|
Ви не можете створювати теми
Ви не можете писати дописи
Ви не можете долучати файли
Ви не можете редагувати дописи
HTML код Вимк.
|
|
|
Часовий пояс GMT +3. Поточний час: 23:41.
|