 |
|
29.02.2012, 00:50
|
#61
|
|
Живу я тут
Реєстрація: 12.04.2010
Звідки Ви: Харьков
Дописи: 652
сказав Дякую: 234
сказали Дякую 492 раз(и) в 242 повідомленні
|
Re: +Аквариумные контроллеры. Украина ===www.aquaforum.ua===
Уже практически склонился к покупке  Ещё пару вопросов:
1. Есть ли возможность "аварийного" включения\отключения (допустим нужно включить свет ночью)
2.....второй уже забыл  Вспомнил: подсветка экрана включена постоянно, или нет?
Итак, что нужно: таймер включения освещения (220В\200-250Вт), рассвет\закат (12В\Мах), контроль температуры.
__________________
Не нужные знания умножают печаль....
|
|
|
29.02.2012, 10:02
|
#62
|
|
Живу я тут
Реєстрація: 28.03.2011
Звідки Ви: Закарпаття, Хуст
Дописи: 285
сказав Дякую: 277
сказали Дякую 174 раз(и) в 73 повідомленні
|
Re: +Аквариумные контроллеры. Украина ===www.aquaforum.ua===
1. На жаль нету
2. Подсветка экрана включена постоянно
Таймер (200-250Вт), рассвет\закат(12В), контроль температуры --- все есть 
__________________
С уважением, Андрей
|
|
|
29.02.2012, 18:53
|
#63
|
|
Придивляюся
Реєстрація: 19.12.2007
Звідки Ви: пос Петриковка
Дописи: 67
сказав Дякую: 444
сказали Дякую 32 раз(и) в 31 повідомленні
|
Re: +Аквариумные контроллеры. Украина ===www.aquaforum.ua===
Наконец то занялся установкой Вашего контролера. 2 дня работает в тестовом режиме, пока результатами доволен. Всем рекомендую.
Но есть один технический вопрос: зачем на втором симисторе (на печатной плате) отвод. Можно ли его использовать для перемыкания электродов, если надо включить свет при неработающем таймере?
|
|
|
|
cказали "Дякую" Bonsh за цей допис:
|
|
29.02.2012, 22:28
|
#64
|
|
Живу я тут
Реєстрація: 28.03.2011
Звідки Ви: Закарпаття, Хуст
Дописи: 285
сказав Дякую: 277
сказали Дякую 174 раз(и) в 73 повідомленні
|
Re: +Аквариумные контроллеры. Украина ===www.aquaforum.ua===
Цитата:
Допис від Bonsh
Наконец то занялся установкой Вашего контролера. 2 дня работает в тестовом режиме, пока результатами доволен. Всем рекомендую.
Но есть один технический вопрос: зачем на втором симисторе (на печатной плате) отвод. Можно ли его использовать для перемыкания электродов, если надо включить свет при неработающем таймере?
|
Отвод для предохранителя 20мм. Нет, он и так идет напряму к 220В.
__________________
С уважением, Андрей
|
|
|
01.03.2012, 16:57
|
#65
|
|
Придивляюся
Реєстрація: 16.01.2009
Звідки Ви: Днепропетровск
Дописи: 35
сказав Дякую: 5
сказали Дякую 5 раз(и) в 5 повідомленні
|
Re: +Аквариумные контроллеры. Украина ===www.aquaforum.ua===
какая частота у шим.
|
|
|
01.03.2012, 17:18
|
#66
|
|
Живу я тут
Реєстрація: 28.03.2011
Звідки Ви: Закарпаття, Хуст
Дописи: 285
сказав Дякую: 277
сказали Дякую 174 раз(и) в 73 повідомленні
|
Re: +Аквариумные контроллеры. Украина ===www.aquaforum.ua===
Цитата:
Допис від camsvar
какая частота у шим.
|
64 Гц
__________________
С уважением, Андрей
|
|
|
01.03.2012, 19:42
|
#67
|
|
Придивляюся
Реєстрація: 16.01.2009
Звідки Ви: Днепропетровск
Дописи: 35
сказав Дякую: 5
сказали Дякую 5 раз(и) в 5 повідомленні
|
Re: +Аквариумные контроллеры. Украина ===www.aquaforum.ua===
Есть драйверы тока LDD .Они управляются шим,но там частота от 100-1кГц. Можно ваш контроллер использовать для управления таким драйвером.
|
|
|
01.03.2012, 21:35
|
#68
|
|
Живу я тут
Реєстрація: 28.03.2011
Звідки Ви: Закарпаття, Хуст
Дописи: 285
сказав Дякую: 277
сказали Дякую 174 раз(и) в 73 повідомленні
|
Re: +Аквариумные контроллеры. Украина ===www.aquaforum.ua===
думаю, да
__________________
С уважением, Андрей
|
|
|
12.03.2012, 12:02
|
#69
|
|
Придивляюся
Реєстрація: 20.10.2010
Звідки Ви: Днепропетровск
Дописи: 34
сказав Дякую: 1
сказали Дякую 9 раз(и) в 4 повідомленні
|
Re: +Аквариумные контроллеры. Украина ===www.aquaforum.ua===
А как можно реализовать принудительное включение?
|
|
|
12.03.2012, 13:13
|
#70
|
|
Живу я тут
Реєстрація: 28.03.2011
Звідки Ви: Закарпаття, Хуст
Дописи: 285
сказав Дякую: 277
сказали Дякую 174 раз(и) в 73 повідомленні
|
Re: +Аквариумные контроллеры. Украина ===www.aquaforum.ua===
Цитата:
Допис від Flaber
А как можно реализовать принудительное включение?
|
никак
__________________
С уважением, Андрей
|
|
|
12.03.2012, 13:16
|
#71
|
|
Живу я тут
Реєстрація: 12.04.2010
Звідки Ви: Харьков
Дописи: 652
сказав Дякую: 234
сказали Дякую 492 раз(и) в 242 повідомленні
|
Re: +Аквариумные контроллеры. Украина ===www.aquaforum.ua===
Цитата:
Допис від Sokol_And
никак
|
Да бросьте Вы. Переключателем на выходе. 
__________________
Не нужные знания умножают печаль....
|
|
|
12.03.2012, 14:35
|
#72
|
|
Придивляюся
Реєстрація: 20.10.2010
Звідки Ви: Днепропетровск
Дописи: 34
сказав Дякую: 1
сказали Дякую 9 раз(и) в 4 повідомленні
|
Re: +Аквариумные контроллеры. Украина ===www.aquaforum.ua===
а кз не получиться? Или нужно диод впаивать?
|
|
|
12.03.2012, 14:51
|
#73
|
|
Живу я тут
Реєстрація: 12.04.2010
Звідки Ви: Харьков
Дописи: 652
сказав Дякую: 234
сказали Дякую 492 раз(и) в 242 повідомленні
|
Re: +Аквариумные контроллеры. Украина ===www.aquaforum.ua===
Цитата:
Допис від Flaber
а кз не получиться? Или нужно диод впаивать?
|
Возможно ли безопасно подать фазу напрямую на выход контроллера - вопрос к разработчику. Но переключатель бывает и двухпозиционный - там уж точно ничего не закоротит 
__________________
Не нужные знания умножают печаль....
|
|
|
|
cказали "Дякую" Dimik1 за цей допис:
|
|
12.03.2012, 16:03
|
#74
|
|
Живу я тут
Реєстрація: 28.03.2011
Звідки Ви: Закарпаття, Хуст
Дописи: 285
сказав Дякую: 277
сказали Дякую 174 раз(и) в 73 повідомленні
|
Re: +Аквариумные контроллеры. Украина ===www.aquaforum.ua===
Цитата:
Допис від Dimik1
Возможно ли безопасно подать фазу напрямую на выход контроллера - вопрос к разработчику. Но переключатель бывает и двухпозиционный - там уж точно ничего не закоротит 
|
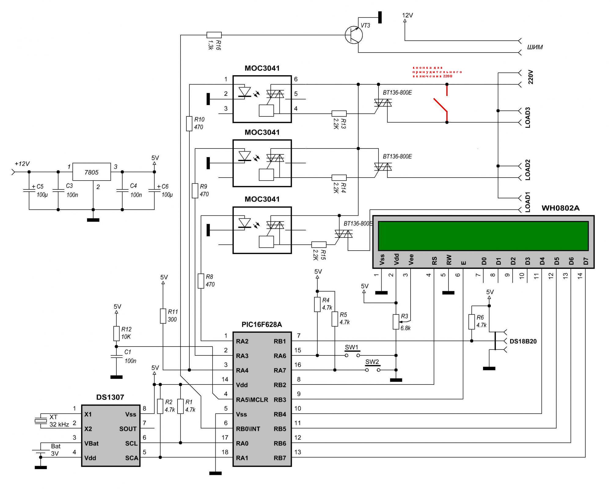
Можно вот так попробовать
__________________
С уважением, Андрей
|
|
|
|
cказали "Дякую" Sokol_And за цей допис:
|
|
16.03.2012, 13:09
|
#75
|
|
Живу я тут
Реєстрація: 28.03.2011
Звідки Ви: Закарпаття, Хуст
Дописи: 285
сказав Дякую: 277
сказали Дякую 174 раз(и) в 73 повідомленні
|
Re: +Аквариумные контроллеры. Украина ===www.aquaforum.ua===
Обновлен первый пост
Добавлен апаратный ШИМ 250Гц
Добавлены новые прошивки
__________________
С уважением, Андрей
|
|
|
 |
|
|
Тут присутні: 1 (учасників - 0 , гостей - 1)
|
|
|
Ваші права у розділі
|
Ви не можете створювати теми
Ви не можете писати дописи
Ви не можете долучати файли
Ви не можете редагувати дописи
HTML код Вимк.
|
|
|
Часовий пояс GMT +3. Поточний час: 21:23.
|