На головну сторінку Аквафорум
На головну сторінку




Назад   Аквафорум - форум акваріумістів та тераріумістів > Акваріум та обладнання > "Самоделкин" > Подача СО2 и удобрений
Аукцион Реєстрація ЧаПи Учасники Календар Нинішні дописи

Примітки

Відповідь
 
Параметри теми Параметри перегляду
Старий 05.06.2012, 13:23  
Дозатор аквариумных удобрений от spav777
 
Аватар для spav777
Живу я тут

Реєстрація: 12.09.2011
Звідки Ви: Винница
Дописи: 230
 

сказав Дякую: 68
сказали Дякую 146 раз(и) в 64 повідомленні
spav777 spav777 поза форумом 05.06.2012, 13:23
Рейтинг: (12 голосов - 4,75 средняя оценка)

Дозатор аквариумных удобрений от spav777

Представляю вниманию общественности свою конструкцию дозатрора удобрений на основе популярных помп ULKA.
Конструкция не претендует на идеал, но реализовывает именно те функции, которые по моему скромному мнению должен содержать подобный девайс.
Вдохновило на постройку данного устройства два факта:
- во первых неудовлетворительная работа прежнего дозатора на основе шприцов (через месяца эксплуатации стали залипать поршни после суточного простоя);
- во вторых вызвала интерес статья "Принципиально новый дозатор!!!" от boba88 http://www.aquaforum.ua/showthread.php?t=69760 и решил, а почему бы не сваять что либо подобное, но свое.
Как упоминалось выше дозатор построен на четырех насосах-помпах ULKA EX5 230V 48W.
Выбор данной модели насосов продиктован только тем, что их можно было легко найти в продаже и стоят они относительно недорого (мне обошлись по 123грн/шт).
В принцпе возможно использовать любую другую модель насосов вибрационного типа на напряжение 220В (в контроллере предусмотрена калибровка производительности каждой помпы и регулировка подводимого напряжения).
Мозгом данного устройства является микроконтроллер ATMega8. Почему именно ATMega8? Да просто валялся под руками без дела стробоскоп с вышмаленной лампой, а в нем оказался полностью рабочий, всеми горячё любимый микроконтроллер, вот от него и решил плясать.
Конструктивно устройство состоит из блока управления и четырех помп. У меня это все закреплено на куске листового полистирола.
Блок управления разместился в подходящей пластмассовой коробочке (любезно подареной электроиком на работе) от импортного трехфазного автомата.

Блок управления содержит:
- вышеупомянутый микроконтроллер ATMega8;
- часы реального времени DS1307 с кварцем и батарейкой;
- LCD индикатор 16х2 (с кирилицей);
- 4 силовых канала управления помпами на MOC3052+BT139 (моки без синхронизации перехода через ноль, для реализации ШИМ метода регулировки мощности на помпах, симсторы можно применить намного слабее, у меня просто к 139-ым личная симпатия);
- узел детектирования перехода сетевого напряжения через ноль на компараторе LM393;
- клавиатуру из пяти кнопок;
- стабилизированный источник питания +5В, +12В.

Функциональные возможности блока управления:
- энергонезависимые часы с календарем;
- в режиме главного экрана отображение: часы, день недели, число, месяц, год, активность таймеров помп;
- русифицированное меню;
- 4 канала управления насосами-помпами;
- регулировка мощности в каналах от 10% до 100% с шагом в 10% (общая для всех каналов);
- отдельная установка времени срабатывания для каждого канала;
- установка дней недели срабатывания (в любых комбинациях) помп, для каждого канала отдельно;
- отдельная настройка объема прокачки для каждого канала;
- калибровка каждого канала (с вводом калибровочных констант через меню);
- ручная проверка правильности калибровки помп;
- ручной режим прокачки помп;
- индикация колличества качков для каждой помпы, соответствующих установленному объему прокачки;
- все настраиваемые переменные записываются в EEPROM (при выключении питания часы, таймеры и калибровки не собьются);
- защта от детей (вход в меню настроек осуществляется длительным удержанием кнопки меню) - надеюсь все согласны, что если ребенок зайдет в меню и доберется до ручной прокачки помп, то в банке может мгновенно оказаться полугодовой запас химии, что не очень одобрят обитатели ;
- автоматический выход в главный экран по истечению некоторого времени (30-90сек);
- автоматическое снижение яркости подсветки.

Принцип дозирования удобрений основан на отсчете колличества качков помпы. Известно, что помпы данной конструкции (вибрационные) делают один качёк за один полный период сетевого напряжения.
Потому зная колличество жидкости, подаваемой помпой за один качек (определяется калибровкой), можно точно подать необходимый объем жидкости, отмеряв заданное колличество качков.
Колличество качков отмеряется контроллером путем отсчета периодов сетевого напряжения, поданых на помпу.
Широкие возможности по калибровке и регулировке подводимой мощности, позволяют применять практически любые модели вибрационных помп-насосов ULKA.
Электроника собрана на односторонней печатной плате, к которой на разъемах подключаются индикатор и клавиатура. Высоковольтные подключения реализованы на винтовых клемниках. Микросхемы установлены в панельки. Микроконтроллер применен в DIP корпусе. Батарея питания часов - литиевая 2032, установлена в вертикальный держатель.
Разъем для внутрисхемного программирования (ISP) не выводил, все шилось Лошадью.
Биты конфигурации микроконтроллера:
LOW 0x24
HIGH 0xD9
КРЕНку на 12В можно не ставить, если выход с трансформатора не больше 10В.
Индикатор - на свой вкус и цвет 1602 с кириллицей (их сейчас немерено - самых разных сортов и фасонов).
Свой вариант платы в SprintLayout прилагается.
Перечень элементов специально не делал - плата не сложная, номиналы можно отыскать по схеме логическим сопоставлением.
При прошивке контроллера необходимо кроме файла .hex загрузить и .eep, иначе правильная работа устройства не гарантируется.
Помпы в моем варианте закреплены в кассету из двух пластин полистирола и стянуты шпильками. В идеальном варианте можно приобрести специальные антивибрационные уголки-держатели для каждой помпы (но это примерно +100грн за 4 комплекта).
Данная модель помп имеет на выходе резьбовое соединение 1/8дюйма, поэтому для перехода на трубку использовал стандартные быстроразъёмные уголковые фитинги JG от осмосных систем (другие варианты под руку не подвернулись). Закручиваются очень туго - но надежно. В данные фитинги был вставлен ПВХ шланг 4х1 (наружный диаметр 6мм), другой конец которого уходит в банку. На заборный патрубок помп надеты ПВХ трубки диаметром 5х0.8мм (менише уже не надевались). Никаких обратных клапанов не применял, в конструкции самой помпы имеется два обратных клапана, которых вполне хватает, чтобы жидкость самотеком не возвращалась назад.

Проект не коммерческий (по крайней мере в данной версии прошивки), посему все желающие для личного пользования могут свободно собирать, модернизировать и использовать данный девайс на радость себе и обитателям своих аквариумов.
При публикации на других сайтах, обязательно ссылка на первоисточник.
Схема, плата, прошивка и инструкция по эксплуатации в архиве.

Мініатюри долучень
Щоб збільшити малюнок, клацніть по ньому
Назва:  фото_дозатор.jpg
Переглядів: 4925
Розмір:  209,5 КБ
ID:	239627   Щоб збільшити малюнок, клацніть по ньому
Назва:  фото_плата.jpg
Переглядів: 3868
Розмір:  213,7 КБ
ID:	239628   Щоб збільшити малюнок, клацніть по ньому
Назва:  дозатор_плата.JPG
Переглядів: 3307
Розмір:  569,4 КБ
ID:	239630   Щоб збільшити малюнок, клацніть по ньому
Назва:  дозатор_плата_кноп.JPG
Переглядів: 2748
Розмір:  134,7 КБ
ID:	239659   Щоб збільшити малюнок, клацніть по ньому
Назва:  дозатор_схема.jpg
Переглядів: 4530
Розмір:  254,9 КБ
ID:	242929  


Долучені файли
Тип файлу: rar Дозатор УДО by spav777.rar (1,34 МБ, 2748 переглядів)
Тип файлу: pdf Перечень элементов.pdf (278,3 КБ, 3983 переглядів)
Тип файлу: pdf Инструкция.pdf (521,3 КБ, 3775 переглядів)

__________________
Если хочешь, чтобы было сделано хорошо - делай сам.

Востаннє редагував spav777: 18.06.2012 о 22:39.. Причина: добавление перечня элементов
Переглядів: 167715
Відповісти з цитуванням
Ці 46 користувач(ів) сказали Дякую spav777 за це повідомлення:
-=Den=- (19.07.2012), ak27 (05.06.2012), Aleksandrit2000 (06.12.2014), Alserk-3 (14.07.2012), Badyoruy (28.06.2012), boba88 (05.06.2012), bumper (05.06.2012), Deadmau5 (16.02.2013), DEaD_MOPO3 (05.06.2012), Design (05.06.2012), Dimker (15.06.2012), dimul (10.11.2013), doctor (29.06.2012), Hippo (05.06.2012), igorlab (16.11.2012), Kondor (16.10.2013), Kristoff (18.07.2012), kusfu (05.06.2012), nikservice (02.12.2012), orthos (21.06.2012), pimass (05.06.2012), Poma (26.07.2012), Rusll (06.12.2014), rustr (14.09.2014), sae74 (05.06.2012), Sem (05.06.2012), Sergey160481 (10.08.2012), Sergeyg (05.06.2012), sergo1973 (18.02.2017), Starcomputer (05.06.2012), STARiK (24.06.2013), US5TC (24.03.2015), Vadim Art (05.06.2012), Vadim_VD (14.06.2012), Virtuallife (05.06.2012), VORONFM (19.01.2014), Zen (10.04.2015), _Vadim (07.08.2012), Александр Бешлега (05.06.2012), Виктор У (16.05.2013), виталий 1973 (17.07.2012), Влад Т (20.11.2012), Зелёный (06.08.2012), Наутилус (16.05.2013), самоделкин (13.10.2012), тешнер (17.03.2013)
Старий 05.06.2012, 20:43   #16
Живу я тут
  
 
Аватар для spav777
 
Реєстрація: 12.09.2011
Звідки Ви: Винница
Дописи: 230
сказав Дякую: 68
сказали Дякую 146 раз(и) в 64 повідомленні
Re: Дозатор аквариумных удобрений от spav777 ===www.aquaforum.ua===

Цитата:
Допис від boba88 Переглянути допис
Зря такие толстые провода на насосах!
Вообще, дозатор клепался из того, что было под рукой, специально что либо покупать за цель не ставилось. Отдельно купил только лсидишку.
А провода сечением 0,3мм2 там только изоляция конская.
На счет должно работать - так в Протеусе и отлаживалось и уже неделю как трудится в банке.

Цитата:
Допис від Sem Переглянути допис
Не нравится расположение кварца DS1307
А что с кварцем не так?
__________________
Если хочешь, чтобы было сделано хорошо - делай сам.

spav777 поза форумом   Відповісти з цитуванням
Старий 05.06.2012, 21:12   #17
Живу я тут
  
 
Аватар для spav777
 
Реєстрація: 12.09.2011
Звідки Ви: Винница
Дописи: 230
сказав Дякую: 68
сказали Дякую 146 раз(и) в 64 повідомленні
Re: Дозатор аквариумных удобрений от spav777 ===www.aquaforum.ua===

Цитата:
Допис від pimass Переглянути допис
модель помп та же, что и у Паши в дозере?
Помпы NME4 лучше чем EX5 и с точки зрения точности калибровки (у NME4 призводительность 50мл/мин у EX5 - 650 мл/мин) но и EX5 показывают полностью приемлимый результат, латунный патрубок с эко. точки зрения тоже не совсем гут.
Угол отсечки ШИМа в настройках для моих помп 90град поэтому мощность подводимая к помпам понижена и при этом реальная производительность падает примерно на 40%.
Дальнейшее понижение мощности положительного результата не давало - помпы начинали работать не устойчиво, по всей видимости сказывается высокая жесткость возвратного механизма поршня.
__________________
Если хочешь, чтобы было сделано хорошо - делай сам.

spav777 поза форумом   Відповісти з цитуванням
Старий 10.06.2012, 11:14   #18
Живу я тут
  
 
Аватар для spav777
 
Реєстрація: 12.09.2011
Звідки Ви: Винница
Дописи: 230
сказав Дякую: 68
сказали Дякую 146 раз(и) в 64 повідомленні
Re: Дозатор аквариумных удобрений от spav777 ===www.aquaforum.ua===

Примерная смета для изготовления дозатора

Блок Контроллера:
ATMega8 12грн
индикатор LCD 1602 46грн
DS1307 10грн
LM393 1грн
7805 1.5грн
7812 1.5грн
MOC3052 4x4грн
BT139 4x5грн
кварц 32768Hz 1грн
bat3V+держатель 5грн
кнопки 4х0.5грн
разъемы до 15грн
панельки под микросхемы 3грн
трансформатор до 30грн
диоды, резисторы конденсаторы 15грн
корпус из серии Z до 20грн
текстолит 6грн
ВСЕГО блок контроллера 205грн*

помпы ULKA EX5 48W 230V 4x123грн

ВСЕГО 697грн

Стоимость блока контроллера можно уменьшить применив менее мощные симисторы, уменьшив, при необходимости, колличество силовых каналов, применив более дешевый индикатор (без подсветки).

* - цены актуальны для популярных интернет-магазинов.
__________________
Если хочешь, чтобы было сделано хорошо - делай сам.

spav777 поза форумом   Відповісти з цитуванням
Ці 4 користувач(ів) сказали Дякую spav777 за це повідомлення:
-=Den=- (19.07.2012), boba88 (10.06.2012), DEaD_MOPO3 (10.06.2012), pimass (12.06.2012)
Старий 14.06.2012, 15:36   #19
Живу я тут
  
 
Аватар для Vadim_VD
 
Реєстрація: 02.11.2010
Звідки Ви: Донецк
Дописи: 122
сказав Дякую: 31
сказали Дякую 37 раз(и) в 28 повідомленні
Re: Дозатор аквариумных удобрений от spav777 ===www.aquaforum.ua===

Приветствую!!!

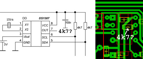
Вот начал ваять потихоньку. В принципе ничего сложного, но, возник вопрос. На схеме 7-я нога 1307 не используется, на на печатке -- разведена к 8-й через резистор! В даташите он тоже есть. Погуглил -- номиналы колеблются, но все ставят одинаковые как на 5-й и 6-й ноге. В нашем случае 4,7к -- подойдет?
Вот моя платка на начальном этапе (в живую смотрится красивше, тяжко смд паять!).
И еще вопросик. Я прошиваю Khazama AVR Programmer. Фузы LOW 0x24=00100100, HIGH 0xD9=11011001 т.е. 1-птичка, 0-пусто -- правильно ли я понял?
Спасибо!
Мініатюри долучень
Щоб збільшити малюнок, клацніть по ньому
Назва:  4k7.jpg
Переглядів: 831
Розмір:  60,9 КБ
ID:	241720   Щоб збільшити малюнок, клацніть по ньому
Назва:  My_W.jpg
Переглядів: 875
Розмір:  300,3 КБ
ID:	241721   Щоб збільшити малюнок, клацніть по ньому
Назва:  Fuse.jpg
Переглядів: 732
Розмір:  27,5 КБ
ID:	241722  


__________________

Vadim_VD поза форумом   Відповісти з цитуванням
Ці 2 користувач(ів) сказали Дякую Vadim_VD за це повідомлення:
Sem (14.06.2012), spav777 (14.06.2012)
Старий 14.06.2012, 17:39   #20
Живу я тут
  
 
Аватар для spav777
 
Реєстрація: 12.09.2011
Звідки Ви: Винница
Дописи: 230
сказав Дякую: 68
сказали Дякую 146 раз(и) в 64 повідомленні
Re: Дозатор аквариумных удобрений от spav777 ===www.aquaforum.ua===

Цитата:
Допис від Vadim_VD Переглянути допис
разведена к 8-й через резистор!
Это подтяжка к +5В, использовалась при экспериментах, этот резистор можно не ставить, если не будет использоваться выход с делителя частоты часов (в данной схеме не задействовано).

Цитата:
Допис від Vadim_VD Переглянути допис
В нашем случае 4,7к -- подойдет
у меня с 10кОм работает (ставил что было под руками), но лучше как в даташите или близкий.


Цитата:
Допис від Vadim_VD Переглянути допис
Фузы LOW 0x24=00100100, HIGH 0xD9=11011001 т.е. 1-птичка, 0-пусто -- правильно ли я понял?
Зависит от того инвертирует программатор фьюз-биты или нет, потому и указывал в шестнадцатиричном формате, чтобы была однозначность. По поводу Khazama AVR Programmer не в курсе на счет инверсии, сам шил PonyProg - там с инверсией (галка означает ноль).

Платка аккуратная вышла
__________________
Если хочешь, чтобы было сделано хорошо - делай сам.

spav777 поза форумом   Відповісти з цитуванням
cказали "Дякую" spav777 за цей допис:
Vadim_VD (14.06.2012)
Старий 14.06.2012, 21:50   #21
Живу я тут
  
 
Аватар для Sem
 
Реєстрація: 17.09.2004
Звідки Ви: Киев, Троещина
Дописи: 14.486
сказав Дякую: 4.642
сказали Дякую 8.508 раз(и) в 4.382 повідомленні
Надіслати повідомлення для Sem на ICQ Надіслати повідомлення для Sem на Skype
Re: Дозатор аквариумных удобрений от spav777 ===www.aquaforum.ua===

spav777, чет лень рисовать -)))
В протеусе есть проект?
Спасибо.
__________________
Страна не ублюдков и не воров.


__________________

Sem поза форумом   Відповісти з цитуванням
Старий 15.06.2012, 10:55   #22
Живу я тут
  
 
Аватар для spav777
 
Реєстрація: 12.09.2011
Звідки Ви: Винница
Дописи: 230
сказав Дякую: 68
сказали Дякую 146 раз(и) в 64 повідомленні
Re: Дозатор аквариумных удобрений от spav777 ===www.aquaforum.ua===

Цитата:
Допис від Sem Переглянути допис
В протеусе есть проект?
Есть, но есть одна загвоздка, в Протеусе проблемотично подключить стандартный файл еепром (по крайней мере, созданные кодевиженом он не понимает), а без него работа будет некорректная. Нужно перекомпилировать прошивку без записи переменных в еепром, тогда будет корректно работать.
Если будет время, вечером переделаю и выложу проект + прошивка без еепрома.
__________________
Если хочешь, чтобы было сделано хорошо - делай сам.

spav777 поза форумом   Відповісти з цитуванням
cказали "Дякую" spav777 за цей допис:
Sem (15.06.2012)
Старий 16.06.2012, 22:45   #23
Живу я тут
  
 
Аватар для spav777
 
Реєстрація: 12.09.2011
Звідки Ви: Винница
Дописи: 230
сказав Дякую: 68
сказали Дякую 146 раз(и) в 64 повідомленні
Re: Дозатор аквариумных удобрений от spav777 ===www.aquaforum.ua===

Как обещал прпоект для Proteus (версия 7.9 SP1) и версия прошивки без сохранения пользовательских переменных а EEPROM. На индикаторе вместо кириллицы в симуляторе будут крокозябры (у меня пртосовской модели лсидишки с поддержкой кириллицы увы нет).
Долучені файли
Тип файлу: rar Project_Dozator_Proteus+firmware.rar (31,6 КБ, 492 переглядів)
__________________
Если хочешь, чтобы было сделано хорошо - делай сам.

spav777 поза форумом   Відповісти з цитуванням
cказали "Дякую" spav777 за цей допис:
Sem (17.06.2012)
Старий 18.06.2012, 22:44   #24
Живу я тут
  
 
Аватар для spav777
 
Реєстрація: 12.09.2011
Звідки Ви: Винница
Дописи: 230
сказав Дякую: 68
сказали Дякую 146 раз(и) в 64 повідомленні
Re: Дозатор аквариумных удобрений от spav777 ===www.aquaforum.ua===

По просьбам трудящихся изменения и добавления в топике:
- добавлен перечень элементов;
- внесены изменения в нумерацию элементов на схеме и печатной плате в соответствии с перечнем элементов.
__________________
Если хочешь, чтобы было сделано хорошо - делай сам.

spav777 поза форумом   Відповісти з цитуванням
Ці 2 користувач(ів) сказали Дякую spav777 за це повідомлення:
DEaD_MOPO3 (19.06.2012), pimass (18.06.2012)
Старий 21.06.2012, 21:00   #25
Живу я тут
  
 
Аватар для Vadim_VD
 
Реєстрація: 02.11.2010
Звідки Ви: Донецк
Дописи: 122
сказав Дякую: 31
сказали Дякую 37 раз(и) в 28 повідомленні
Re: Дозатор аквариумных удобрений от spav777 ===www.aquaforum.ua===

Приветствую Всех!!!

Таки собрал! Получилось всё чудно и замечательно! (фото1).
Включил -- и, на тебе, все греется (очень!) и горит. -- Не наш вариант! Т.е. проблема по питанию. Никогда не любил паять диодный мост из отдельных диодов. Скорее всего где-то "схибив", -- ну и ладно. Далее, вместо отдельных диодов поставил мостик DB107 (фото 2), -- ЗАРАБОТАЛО!!! (Фото 3). Часы, Настройки, и т.д. -- работает! (Фото4) Но, как только хочу вручную прокачать помпу -- завис! (Фото5).
Вопрос? Что не так?!
И еще, при подключении нагрузки (лампа - помп пока еще нет), что должно происходить (подаваться напряжение на клеммы помп???).
Мініатюри долучень
Щоб збільшити малюнок, клацніть по ньому
Назва:  First.jpg
Переглядів: 871
Розмір:  52,3 КБ
ID:	243386   Щоб збільшити малюнок, клацніть по ньому
Назва:  Back.jpg
Переглядів: 834
Розмір:  57,9 КБ
ID:	243387   Щоб збільшити малюнок, клацніть по ньому
Назва:  Zapusk.jpg
Переглядів: 762
Розмір:  28,3 КБ
ID:	243388   Щоб збільшити малюнок, клацніть по ньому
Назва:  All.jpg
Переглядів: 842
Розмір:  56,2 КБ
ID:	243389   Щоб збільшити малюнок, клацніть по ньому
Назва:  Zavis.jpg
Переглядів: 973
Розмір:  47,4 КБ
ID:	243390  

Щоб збільшити малюнок, клацніть по ньому
Назва:  Front.jpg
Переглядів: 836
Розмір:  53,0 КБ
ID:	243391  


__________________

Vadim_VD поза форумом   Відповісти з цитуванням
cказали "Дякую" Vadim_VD за цей допис:
spav777 (22.06.2012)
Старий 21.06.2012, 21:50   #26
Придивляюся
  
 
Реєстрація: 27.10.2010
Звідки Ви: Казань
Дописи: 50
сказав Дякую: 23
сказали Дякую 3 раз(и) в 3 повідомленні
Re: Дозатор аквариумных удобрений от spav777 ===www.aquaforum.ua===

Привет всем, подскажите пожалуйста будет ли данный контроллер работать с перестальтикой? Заранее спасибо.

Alserk-3 поза форумом   Відповісти з цитуванням
Старий 22.06.2012, 18:02   #27
Живу я тут
  
 
Аватар для Vadim_VD
 
Реєстрація: 02.11.2010
Звідки Ви: Донецк
Дописи: 122
сказав Дякую: 31
сказали Дякую 37 раз(и) в 28 повідомленні
Re: Дозатор аквариумных удобрений от spav777 ===www.aquaforum.ua===

Приветствую Вас!

Цитата:
Допис від Vadim_VD Переглянути допис
Но, как только хочу вручную прокачать помпу -- завис! (Фото5).
Вопрос? Что не так?!
Заработало! Это я протормозил Когда менял диоды на сборку, удалил и VD1 и получилось что компаратор и вся схема работает от мостика! Отсюда и "завис". Сейчас всё Ок! Кстати лампа вместо помпы отлично работает (по мощности ШИМ).
Теперь дело за малым -- купить помпы!
СПАСИБО!!!!


__________________


Востаннє редагував Vadim_VD: 22.06.2012 о 18:24..
Vadim_VD поза форумом   Відповісти з цитуванням
Старий 22.06.2012, 22:08   #28
Живу я тут
  
 
Аватар для spav777
 
Реєстрація: 12.09.2011
Звідки Ви: Винница
Дописи: 230
сказав Дякую: 68
сказали Дякую 146 раз(и) в 64 повідомленні
Re: Дозатор аквариумных удобрений от spav777 ===www.aquaforum.ua===

Цитата:
Допис від Alserk-3 Переглянути допис
Привет всем, подскажите пожалуйста будет ли данный контроллер работать с перестальтикой?
Не будет, там другой принцип насоса.
Управлять перистальтикой проще - не нужна такая точность временных интервалов.
__________________
Если хочешь, чтобы было сделано хорошо - делай сам.

spav777 поза форумом   Відповісти з цитуванням
Старий 22.06.2012, 22:11   #29
Живу я тут
  
 
Аватар для spav777
 
Реєстрація: 12.09.2011
Звідки Ви: Винница
Дописи: 230
сказав Дякую: 68
сказали Дякую 146 раз(и) в 64 повідомленні
Re: Дозатор аквариумных удобрений от spav777 ===www.aquaforum.ua===

Цитата:
Допис від Vadim_VD Переглянути допис
Отсюда и "завис".
При отсутвии прерывания "переход через ноль" - программа уйдет в бесконечный цикл.
__________________
Если хочешь, чтобы было сделано хорошо - делай сам.

spav777 поза форумом   Відповісти з цитуванням
cказали "Дякую" spav777 за цей допис:
Vadim_VD (23.06.2012)
Старий 23.06.2012, 07:14   #30
Придивляюся
  
 
Реєстрація: 27.10.2010
Звідки Ви: Казань
Дописи: 50
сказав Дякую: 23
сказали Дякую 3 раз(и) в 3 повідомленні
Re: Дозатор аквариумных удобрений от spav777 ===www.aquaforum.ua===

Спасибо за ответ. Подскажите, сложно будет переделать под перестальтику.

Alserk-3 поза форумом   Відповісти з цитуванням


Share/Bookmark

Відповідь


Тут присутні: 1 (учасників - 0 , гостей - 1)
 

Ваші права у розділі
Ви не можете створювати теми
Ви не можете писати дописи
Ви не можете долучати файли
Ви не можете редагувати дописи

BB-код є Увімк.
Усмішки Увімк.
[IMG] код Увімк.
HTML код Вимк.

Швидкий перехід


Часовий пояс GMT +3. Поточний час: 09:04.


vBulletin 3.8.7 ; Copyright © 2000-2026 Jelsoft Enterprises Limited
Переклад: © Віталій Стопчанський, 2004-2010
(с)Бешлега Олександр Анатолійович, 2002-2025. Використання матеріалів сайту без посилання на джерело заборонено.
Дякуємо за ліцензійну версію форума компанію Барбус, представника торгової марки Sera в Україні.


no new posts