 |
|
12.03.2013, 13:02
|
#16
|
|
Живу я тут
Реєстрація: 21.01.2008
Звідки Ви: Донецк
Дописи: 938
сказав Дякую: 161
сказали Дякую 817 раз(и) в 405 повідомленні
|
Re: Море 350литров ===www.aquaforum.ua===
Цитата:
Допис від hitrik
Жду советов и конструктивной критики
|
Сначала советы спрашивают  ,а вы уже все закупили.
Цитата:
Допис від hitrik
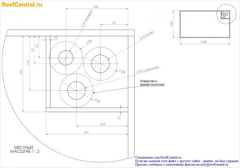
с шахтой и 3 отверстиями в дне под слив дюрсо аварийку и возврат.
|
Вот я так и не пойму нафига три отверстия делать если вполне хватает одного?
|
|
|
12.03.2013, 14:32
|
#17
|
|
Живу я тут
Реєстрація: 02.12.2009
Звідки Ви: Одесса
Дописи: 1.422
сказав Дякую: 1.032
сказали Дякую 706 раз(и) в 507 повідомленні
|
Re: Море 350литров ===www.aquaforum.ua===
Цитата:
Допис від hitrik
хотел заказать как на чертежах на рифцентрале: 1шт 32мм, 2 43мм ну так как у тех кто клеит аквариум нет коронки на 43мм будет 2 шт 50мм
|
там другие размеры
|
|
|
12.03.2013, 14:49
|
#18
|
|
Придивляюся
Реєстрація: 27.01.2013
Звідки Ви: Сумы
Дописи: 15
сказав Дякую: 8
сказали Дякую 1 раз(и) в 1 повідомленні
|
Re: Море 350литров ===www.aquaforum.ua===
Цитата:
Допис від turbik78
там другие размеры
|
может я не там смотрел? но мои размеры взяты отсюда.
блин только что досмотрел что допустил опечатку отверстие 35мм и 43мм, прошу меня простить
Востаннє редагував hitrik: 12.03.2013 о 15:10..
|
|
|
12.03.2013, 15:18
|
#19
|
|
Живу я тут
Реєстрація: 02.12.2009
Звідки Ви: Одесса
Дописи: 1.422
сказав Дякую: 1.032
сказали Дякую 706 раз(и) в 507 повідомленні
|
Re: Море 350литров ===www.aquaforum.ua===
а 50мм? под 40-ку надо отверстие 55мм, в 50мм резьба может не пройти, его надо будет торцевать на 3-5мм, а это то еще удовольствие
да и под возвратную в районе 2тонн можно было б делать все три 35мм под 25-ю трубу
...
хотя возможно что муфта зажимная "под перемещающуюся внутри фитинга трубу" 32мм и станет в 50
Востаннє редагував turbik78: 12.03.2013 о 15:28..
|
|
|
12.03.2013, 19:42
|
#20
|
|
Придивляюся
Реєстрація: 20.01.2012
Звідки Ви: Черкассы
Дописи: 79
сказав Дякую: 127
сказали Дякую 47 раз(и) в 25 повідомленні
|
Re: Море 350литров ===www.aquaforum.ua===
Фитинги можно заказать здесь: linex.kiev.ua Трубы отрежут сколько нужно, проходы, уголки, муфты какие нужно есть. Цены может даже дешевле чем на айрифе. Для сравнения кран D=25 - 130грн, проход клеевой под трубу 25 примерно 130, или дешевле. Кран конечно можно взять и за 50грн, но плавно регулировать не получится. У Марченокова все фитинги дороже.
Возврат лучше делать сразу стокман, такой как здесь, с большим диаметром, например 50мм, как в ролике, чтоб пузырьки воздуха не затягивало. Диаметр колокола, наибольший диаметр, будет - 75мм. Себе такой сделал, сейчас тестирую.
Шахту делайте из какого-то темного стекла, чтоб не видно было труб. Фон темно-синий все-равно заростет. Это я уже пишу чтоб у себя поменял  .
И не покупайте дешевые помпы особенно атман (дырчат, что дурные) и другой дешовый китай, потом прийдется менять.
Востаннє редагував Victor81: 12.03.2013 о 20:59..
|
|
|
|
cказали "Дякую" Victor81 за цей допис:
|
|
12.03.2013, 20:09
|
#21
|
|
Придивляюся
Реєстрація: 06.08.2012
Звідки Ви: Rivne
Дописи: 78
сказав Дякую: 278
сказали Дякую 40 раз(и) в 34 повідомленні
|
Відповідь: Море 350литров ===www.aquaforum.ua===
В мене також злив 50 мм 1шт якого вистачає з головою (на подачі помпа 2600л/г). Для чого 2 отвори по 50 мм?
P.S.:Муфти брав в магазині для басейнів (ціна декілька десятків гривень).
__________________
(067)905-18-23
|
|
|
|
cказали "Дякую" Alien за цей допис:
|
|
13.03.2013, 23:22
|
#22
|
|
Живу я тут
Реєстрація: 07.07.2010
Звідки Ви: Кировоград
Дописи: 516
сказав Дякую: 167
сказали Дякую 279 раз(и) в 179 повідомленні
|
Re: Море 350литров ===www.aquaforum.ua===
Первый слив, второй возврат, третий предназначен для аварийки, т.е. некоторые аквариумисты считают, что данный диаметр муфты, трубы может забится и вода из сампа (отсек возвратной помпы) окажется в дисплее, что приведет к переливу воды через верх аквариума.
Кто-то, когда-то в разделе барахолки размещал топик с муфтами, попробуйте поискать в разделе. Почему запомнил, потому что должен был продавец на постоянной основе их продавать, на всякий случай поэтому запомнил.
Если бы я свой проект с большим объемом аквариума делал, то я бы только одно сверлил отверстие в шахте- это под слив ИМХО.
Если найду, то дам ссылку.
http://www.aquaforum.ua/showthread.p...F2%E8%ED%E3%E8
Востаннє редагував golova: 13.03.2013 о 23:36..
|
|
|
15.03.2013, 14:52
|
#23
|
|
Придивляюся
Реєстрація: 27.01.2013
Звідки Ви: Сумы
Дописи: 15
сказав Дякую: 8
сказали Дякую 1 раз(и) в 1 повідомленні
|
Re: Море 350литров ===www.aquaforum.ua===
сегодня получил банку, особо еще не разглядывал но вроде претензий нет, фитинги уже заказ и уже пришло с новой почты смс что приехали так что сегодня буду пробовать что то с ними делать,заказывал по совету одного форумчана в киевском интернет магазине противоток.нет (проходная муфта получается до 20 грн.+нужно купить уплотнительные прокладки и все готово) насчет 3 отверстий уже понял что лишние так как аварийку можно предусмотреть размером отсека возвратной помпы, но что сделано то сделано.
|
|
|
15.03.2013, 17:23
|
#24
|
|
Живу я тут
Реєстрація: 25.01.2006
Звідки Ви: Киев
Дописи: 7.412
сказав Дякую: 1.131
сказали Дякую 3.697 раз(и) в 2.048 повідомленні
|
Re: Море 350литров ===www.aquaforum.ua===
Цитата:
Допис від hitrik
извечный вопрос где найти проходные муфты?
|
такой же извечный ответ: у Марченкова.
|
|
|
15.03.2013, 18:11
|
#25
|
|
Живу я тут
Реєстрація: 22.12.2012
Звідки Ви: Киев, Позняки
Дописи: 1.306
сказав Дякую: 873
сказали Дякую 1.515 раз(и) в 608 повідомленні
|
Re: Море 350литров ===www.aquaforum.ua===
Цитата:
|
нужно купить уплотнительные прокладки и все готово
|
Кусок автомобильной камеры, маникюрные ножницы или маленький, концелярский нож, мука и вперед 
Торец муфты(папа, с резьбой наруже) где резьба макаешь в муку, потом отпечатываешь на резину-получается белый оттиск. По нему вырезаешь внутренний диаметр, а внешний уже относительно внутреннего на глаз. Важно ровно вырезать внутренний диаметр.
__________________
Тел 0632459495 Дмитрий.
Востаннє редагував Spam4eg: 15.03.2013 о 18:19..
|
|
|
23.03.2013, 20:08
|
#26
|
|
Живу я тут
Реєстрація: 03.07.2011
Звідки Ви: kremenchyk
Дописи: 290
сказав Дякую: 200
сказали Дякую 225 раз(и) в 131 повідомленні
|
Re: Море 350литров ===www.aquaforum.ua===
3 дырки хорошо
2 на слив - получается очень легко настраиваемая,стабильная и тихая система даже обычными дешевыми шаровыми кранами
типа
http://www.aquaforum.ua/showthread.php?t=104943
у меня в 500л вообще в стенке 4 дырки
прокладки лучше все-же купить сантехнические из полиуретана или силикона
удачи
|
|
|
|
cказали "Дякую" salys за цей допис:
|
|
24.03.2013, 10:37
|
#27
|
|
Живу я тут
Реєстрація: 22.12.2012
Звідки Ви: Киев, Позняки
Дописи: 1.306
сказав Дякую: 873
сказали Дякую 1.515 раз(и) в 608 повідомленні
|
Re: Море 350литров ===www.aquaforum.ua===
2х50мм на слив? Слив толщиной почти 100мм? Маразм. Раз уж 3 отверстия уже просверлены, 3-е аварийка.
Цитата:
прокладки лучше все-же купить сантехнические из полиуретана или силикона
удачи
|
Да прошел я это все, валяются у меня прокладки силиконовые-сантехнические... Во первых они дубовые, предназначены для затяжки металлических соединений. Во вторых их толщина 3-4мм, +10мм-стекло и того 16мм... Хватит ли резьбы штуцера муфты для затяжки? Прокладки нужны тонкие и мягкие! Почему мягкие? Что бы уплотнить все мелкие сколы фаски стекла. А они будут в любом случае, кто бы и чем бы не сверлил отверстия. Только если то не химическое травление.
__________________
Тел 0632459495 Дмитрий.
|
|
|
24.03.2013, 12:52
|
#28
|
|
Живу я тут
Реєстрація: 02.12.2009
Звідки Ви: Одесса
Дописи: 1.422
сказав Дякую: 1.032
сказали Дякую 706 раз(и) в 507 повідомленні
|
Re: Море 350литров ===www.aquaforum.ua===
надо не прокладки подбирать, а муфты нормальные ставить, особенно если просверлено дно.
|
|
|
24.03.2013, 12:56
|
#29
|
|
Живу я тут
Реєстрація: 25.01.2006
Звідки Ви: Киев
Дописи: 7.412
сказав Дякую: 1.131
сказали Дякую 3.697 раз(и) в 2.048 повідомленні
|
Re: Море 350литров ===www.aquaforum.ua===
Цитата:
Допис від turbik78
а муфты нормальные ставить
|
+100! Потом поменять не просто...
|
|
|
24.03.2013, 15:57
|
#30
|
|
Живу я тут
Реєстрація: 22.12.2012
Звідки Ви: Киев, Позняки
Дописи: 1.306
сказав Дякую: 873
сказали Дякую 1.515 раз(и) в 608 повідомленні
|
Re: Море 350литров ===www.aquaforum.ua===
Цитата:
|
особенно если просверлено дно.
|
Аргументируйте?
Вы имеете ввиду просверленное дно опаснее, чем отверстия в какой либо стенке аквариума?
Цитата:
|
Потом поменять не просто...
|
Если лет через 10... Если сделать по уму.
Просто кто то хочет экономить, а кто то нет. Это дело лично каждого.
__________________
Тел 0632459495 Дмитрий.
|
|
|
 |
|
|
Тут присутні: 1 (учасників - 0 , гостей - 1)
|
|
|
Ваші права у розділі
|
Ви не можете створювати теми
Ви не можете писати дописи
Ви не можете долучати файли
Ви не можете редагувати дописи
HTML код Вимк.
|
|
|
Часовий пояс GMT +3. Поточний час: 19:09.
|