 |
|
21.04.2016, 14:51
|
#31
|
|
Живу я тут
Реєстрація: 05.09.2009
Звідки Ви: Харьков
Дописи: 4.259
сказав Дякую: 2.882
сказали Дякую 15.330 раз(и) в 2.908 повідомленні
|
Re: Нужна электрическая схема эпра ELT BE258x2 ===www.aquaforum.ua===
Цитата:
Допис від Sem
иииии ?
|
ААААА ----ничего не сделаешь.ГАРЯЧО!Терпим.  Ждем еще более совершенных транзисторов.По-возможности, отслеживаем лучший контакт ТРАНЗИСТОРОВ с радиатором для отдачи тепла.Тогда и отказов будет поменьше.
|
|
|
26.04.2016, 20:46
|
#32
|
|
Придивляюся
Реєстрація: 24.02.2016
Звідки Ви: Київ
Дописи: 31
сказав Дякую: 0
сказали Дякую 13 раз(и) в 9 повідомленні
|
Re: Нужна электрическая схема эпра ELT BE258x2 ===www.aquaforum.ua===
Транзисторы греются не из-за того что они не совершенны. Во всяком случае не только. Есть несколько факторов...
У меня были эпра такой же мощности другого производителя, транзисторы были чуть теплые, и в целом температура корпуса ниже.
|
|
|
26.04.2016, 20:53
|
#33
|
|
Придивляюся
Реєстрація: 24.02.2016
Звідки Ви: Київ
Дописи: 31
сказав Дякую: 0
сказали Дякую 13 раз(и) в 9 повідомленні
|
Re: Нужна электрическая схема эпра ELT BE258x2 ===www.aquaforum.ua===
Кстати, вдруг у кого-то завалялись дохлые ELT-шки и нет желания их ковырять, мне будет интересно ими заняться. Если не сложно будет переслать - напишите в личку.
|
|
|
26.04.2016, 21:49
|
#34
|
|
Живу я тут
Реєстрація: 05.09.2009
Звідки Ви: Харьков
Дописи: 4.259
сказав Дякую: 2.882
сказали Дякую 15.330 раз(и) в 2.908 повідомленні
|
Re: Нужна электрическая схема эпра ELT BE258x2 ===www.aquaforum.ua===
Цитата:
Допис від ElectroDe
Транзисторы греются не из-за того что они не совершенны. Во всяком случае не только. Есть несколько факторов...
|
Конечно не только.
...Основное выделение тепла идет за счет выделения активной мощности в канале сток-исток мощных транзисторов.Или вы считаете,что есть другой клиент выделения тепла-поглотитель мощности?Несовершенством считаю все же большие сопротивления каналов(хоть на сегодня достигута фантастика)и фронты,быстродействие.
Востаннє редагував dotsento: 26.04.2016 о 22:06..
|
|
|
26.04.2016, 23:01
|
#35
|
|
Придивляюся
Реєстрація: 24.02.2016
Звідки Ви: Київ
Дописи: 31
сказав Дякую: 0
сказали Дякую 13 раз(и) в 9 повідомленні
|
Re: Нужна электрическая схема эпра ELT BE258x2 ===www.aquaforum.ua===
Да, есть еще динамические потери при переключении, но дело не в этом. Это отдельная тема и не предмет споров. Я хотел сказать что не всегда виноват сам транзистор, иногда хромает схема управления этим транзистором.
|
|
|
10.05.2016, 22:42
|
#36
|
|
Moderator
Реєстрація: 15.05.2006
Звідки Ви: Днепр
Дописи: 8.585
сказав Дякую: 2.773
сказали Дякую 5.289 раз(и) в 2.715 повідомленні
|
Re: Нужна электрическая схема эпра ELT BE258x2 ===www.aquaforum.ua===
Самоделкины, нужно кому на ремонт эпра джувель 2*54? Сгорел резистор, визуально видно и транзисторы пробиты, звонятся во все стророны.... Мне лень, если никому не нужон - выброшу. Если кому нужен - в ЛС.
__________________
Аquaritm.com.ua
изготовление светильников, выносок, отсадников, фильтров и т.п. тел. KS 067 567 12 50 / МТС 095 858 15 01 Александр.
__________________ 
|
|
|
|
cказали "Дякую" red1157 за цей допис:
|
|
10.05.2016, 23:20
|
#37
|
|
Придивляюся
Реєстрація: 24.02.2016
Звідки Ви: Київ
Дописи: 31
сказав Дякую: 0
сказали Дякую 13 раз(и) в 9 повідомленні
|
Re: Нужна электрическая схема эпра ELT BE258x2 ===www.aquaforum.ua===
Цитата:
Допис від red1157
нужно кому на ремонт эпра джувель 2*54?
|
Да, я возьму
|
|
|
11.05.2016, 15:52
|
#38
|
|
Moderator
Реєстрація: 15.05.2006
Звідки Ви: Днепр
Дописи: 8.585
сказав Дякую: 2.773
сказали Дякую 5.289 раз(и) в 2.715 повідомленні
|
Re: Нужна электрическая схема эпра ELT BE258x2 ===www.aquaforum.ua===
Цитата:
Допис від ElectroDe
Да, я возьму
|
Ну так данные для отправки в ЛС. жду.
__________________
Аquaritm.com.ua
изготовление светильников, выносок, отсадников, фильтров и т.п. тел. KS 067 567 12 50 / МТС 095 858 15 01 Александр.
__________________ 
|
|
|
|
cказали "Дякую" red1157 за цей допис:
|
|
15.10.2019, 20:32
|
#39
|
|
Живу я тут
Реєстрація: 20.01.2004
Звідки Ви: Прилуки, Черниговской обл.
Дописи: 283
сказав Дякую: 26
сказали Дякую 34 раз(и) в 30 повідомленні
|
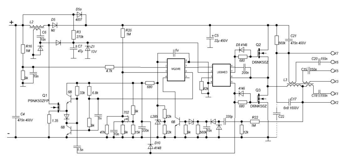
Re: Нужна электрическая схема эпра ELT BE258x2 ===www.aquaforum.ua===
Цитата:
Допис від ElectroDe
Так, что-то мы немного отклонились от темы.
Вот моя срисованная схемка. Без входного фильтра и выпрямителя.
Долучення 545597
|
Доброго!
Подскажите, С5 в схеме, допускается на 400вольт, или не меньше 450?
У меня накрылась балка, вскрыл - вздулся С5, решил заменить на такой-же, 22мкф*450вольт*105-градусный(у нас были только поддельные nichikon, сверху выштамповка трехугольником и кустарненько сделан, сомневаюсь что оригинал). Лампа зажглась и пол-дня проработа. Смотрю не горит. Вскрыл балласт, опять надуло и выплюнуло електролит с конденсатора. Полярность не перепутал. Диоды проверил, норма.
Стабилитрон Z1-проверил, 13 вольт как положено(незнаю, может плыть под нагревом, на плате есть след от его нагрева ранее).
Мосфеты Q1,Q2,Q3 проверил, рабочие.
P.S. есть из запасов нормальный конденсатор, но он на 400 вольт.
__________________
WBR, MaCT
Востаннє редагував mact: 15.10.2019 о 20:41..
|
|
|
16.10.2019, 21:27
|
#40
|
|
Живу я тут
Реєстрація: 05.09.2009
Звідки Ви: Харьков
Дописи: 4.259
сказав Дякую: 2.882
сказали Дякую 15.330 раз(и) в 2.908 повідомленні
|
Re: Нужна электрическая схема эпра ELT BE258x2 ===www.aquaforum.ua===
как понял,уже два электролита полетели,будучи по 450в?Лмчно я не стал бы ствить на 400в в таком случае.Наверное что то есть в схеме или в сети,что губит их.Тем более кишки вылезли от прегрева и давлекния образ.газов.Сначала думаем,ищем причину.В сети по классике амплитуда пусть 310в.При повышеннном напряжении амплитуда сети может быть даже 342в.Казалось бы,достаточно с5 и на 350 в.Но разработчик неспроста заложил 450в.Надо в совершенстве знать работу схмки,что бы понять почему так.В цепи с5 есть индкутивности,дроссели.Надеюсь,понятно.Кроме того,доля всяких электролитов обычно нормируется еще и процент пульсаций,напряжения,поступающего на него.
...В таком случае не рисковал бы в очередной раз.Старался бы по схеме.В то же время,один бог знает,какой случай у вас.Может так совпало,что эл-ты были плохие.Не угадешь заочно.Решать только вам.У меня был такой случай, с5 тоже один раз менял,но все прошло нормально
|
|
|
16.10.2019, 21:28
|
#41
|
|
Живу я тут
Реєстрація: 05.09.2009
Звідки Ви: Харьков
Дописи: 4.259
сказав Дякую: 2.882
сказали Дякую 15.330 раз(и) в 2.908 повідомленні
|
Re: Нужна электрическая схема эпра ELT BE258x2 ===www.aquaforum.ua===
повтор
|
|
|
16.10.2019, 21:53
|
#42
|
|
Живу я тут
Реєстрація: 20.01.2004
Звідки Ви: Прилуки, Черниговской обл.
Дописи: 283
сказав Дякую: 26
сказали Дякую 34 раз(и) в 30 повідомленні
|
Re: Нужна электрическая схема эпра ELT BE258x2 ===www.aquaforum.ua===
Цитата:
Допис від dotsento
как понял,уже два электролита полетели,будучи по 450в?Лмчно я не стал бы ствить на 400в в таком случае.Наверное что то есть в схеме или в сети,что губит их.Тем более кишки вылезли от прегрева и давлекния образ.газов.Сначала думаем,ищем причину.В сети по классике амплитуда пусть 310в.При повышеннном напряжении амплитуда сети может быть даже 342в.Казалось бы,достаточно с5 и на 350 в.Но разработчик неспроста заложил 450в.Надо в совершенстве знать работу схмки,что бы понять почему так.В цепи с5 есть индкутивности,дроссели.Надеюсь,понятно.Кроме того,доля всяких электролитов обычно нормируется еще и процент пульсаций,напряжения,поступающего на него.
...В таком случае не рисковал бы в очередной раз.Старался бы по схеме.В то же время,один бог знает,какой случай у вас.Может так совпало,что эл-ты были плохие.Не угадешь заочно.Решать только вам.У меня был такой случай, с5 тоже один раз менял,но все прошло нормально
|
Да, два, первый заводской, стоял в балласте с 2010 года, почти 9 лет, уже время видать ему пришло(у меня от перегибанния накрылся провод, видимо это тоже сыграло роль в его кончине).
Второй новый, но сомнительного качества. Сначала подумал, что перепутана маркировка полюсов, но она правильна, да, если-бы перепутана, то он бы сразу шахнул, а так часа 3-4 проработал.
Сегодня проверил все сопротивления, кроме R20, который 1,3МОм вместо 1,0МОм. Все в норме. Поменял ещё все конденсаторы 1нФ-1мкф в обвязке транзисторов и микросхем. Попробую запущу в тестовом режиме. Может какой-то из конденсаторов пробивает.
__________________
WBR, MaCT
|
|
|
16.10.2019, 22:29
|
#43
|
|
Живу я тут
Реєстрація: 05.09.2009
Звідки Ви: Харьков
Дописи: 4.259
сказав Дякую: 2.882
сказали Дякую 15.330 раз(и) в 2.908 повідомленні
|
Re: Нужна электрическая схема эпра ELT BE258x2 ===www.aquaforum.ua===
...самый правильный совет,считаю,это как то посмотреть осциллографом,что творится на электролите с5.Вот тогда вы все и поймете.С применением правил электробезопасности,т.к. замер будет по сети.Наверняка у вас специального разделительного,изолирующего транса не найдется.Тут надо понимать,как посмотреть,но это было бы исчерпывающим сомнения.
...Многие считают,что напряжение конденсатора фильтра выбирается только по напряженю линии,где он работает.Но это не все на самом деле,хотя зачастую и достаточно.Но у нас может быть он выбран также из расчета приема и отдачи тока,энергии,т.е именно пулсации .А это напрямую и есть макс допустимое его напряжение.
...но тут еще важно,какой частоты пульсации.ЕСЛИ БЫ ПОСМОТРЕТЬ.
Востаннє редагував dotsento: 16.10.2019 о 22:35..
|
|
|
17.10.2019, 01:08
|
#44
|
|
Бан за нарушения
Реєстрація: 16.10.2012
Звідки Ви: Львів
Дописи: 472
сказав Дякую: 71
сказали Дякую 329 раз(и) в 197 повідомленні
|
Відповідь: Re: Нужна электрическая схема эпра ELT BE258x2 ===www.aquaforum.ua===
Цитата:
Допис від mact
вздулся С5, решил заменить на такой-же, 22мкф*450вольт*105-градусный(
|
ну не так все просто, якщо хочете, щоб було надійно.
Наприклад nichicon потрібно ставити серії UCY .
Якщо вибирати з інших виробників, то струм пульсацій має бути не менше 0,5 А. (при 100Кгц).
Часом в даташиті написано, що підходять для баластів.
Це стосується конкретно цього баласту і інших, що мають коректор потужності.
В загальному випадку 22мкф х 450В 105 град. нічого не говорить про те, чи він годиться для заміни. Важливе максимальне значення струму пульсацій.
|
|
|
17.10.2019, 09:13
|
#45
|
|
Живу я тут
Реєстрація: 20.01.2004
Звідки Ви: Прилуки, Черниговской обл.
Дописи: 283
сказав Дякую: 26
сказали Дякую 34 раз(и) в 30 повідомленні
|
Re: Відповідь: Re: Нужна электрическая схема эпра ELT BE258x2 ===www.aquaforum.ua===
Цитата:
Допис від bobus
ну не так все просто, якщо хочете, щоб було надійно.
Наприклад nichicon потрібно ставити серії UCY .
Якщо вибирати з інших виробників, то струм пульсацій має бути не менше 0,5 А. (при 100Кгц).
Часом в даташиті написано, що підходять для баластів.
Це стосується конкретно цього баласту і інших, що мають коректор потужності.
В загальному випадку 22мкф х 450В 105 град. нічого не говорить про те, чи він годиться для заміни. Важливе максимальне значення струму пульсацій.
|
дякую за роз'яснення, знайшов hitano для баласту, спробую замовити, хоч може і вже майже не вигідно. Але все-одно дякую.
__________________
WBR, MaCT
|
|
|
 |
|
|
Тут присутні: 1 (учасників - 0 , гостей - 1)
|
|
|
Ваші права у розділі
|
Ви не можете створювати теми
Ви не можете писати дописи
Ви не можете долучати файли
Ви не можете редагувати дописи
HTML код Вимк.
|
|
|
Часовий пояс GMT +3. Поточний час: 07:41.
|