 |
|
15.07.2009, 21:15
|
|
|
Дозатор удо (по следам Кенийца :))
Бан за нарушения
Реєстрація: 06.11.2007
Звідки Ви: Донецк, зона АТО
Дописи: 19.780
сказав Дякую: 5.789
сказали Дякую 17.707 раз(и) в 6.926 повідомленні

15.07.2009, 21:15
Рейтинг:
(1 голосов - 5,00 средняя оценка)
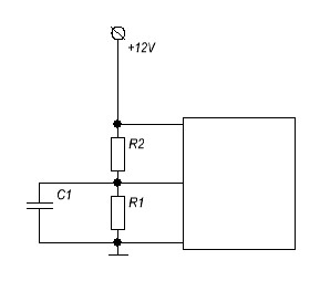
Продолжая развитие идеи Кенийца о дозаторе УДО на основе малооборотного двигателя ( http://aquaforum.kiev.ua/showthread.php?t=21187) решил и себе собрать сие чудо  и вот что получилось:
Сам дозатор:

Схема управления:

Двигатель взят от микроволновки, оптодатчик от какого-то принтера, но можно ставить любой похожий (от мыши). Как в принципе можно ставить и любой двигатель.
Правильно собранная схема наладки не требует. При применении другого датчика возможно придется подобрать R1. При применении двигателя с другим количеством оборотов ( у меня 2,5-3 об/мин) - R7.
Блок питания схемы сделан из зарядного от мобилки (коричневая платка  )
Приношу свои благодарности IgLa и Кенийцу за удачную идею 
__________________
[I][B][COLOR=blue]С уважением, Сергей Таранченко[/COLOR][/B][/I]
|
|
Переглядів: 122192
|
|
Ці 20 користувач(ів) сказали Дякую Starcomputer за це повідомлення:
|
all_himik (16.07.2009), cocon (15.07.2009), fail99 (25.08.2009), Fly (07.03.2010), kotiko (24.01.2010), kvn79 (17.07.2009), maxfortuna (21.03.2010), nickanya (17.10.2010), sae74 (16.07.2009), shurulya (08.03.2010), solvi (17.07.2009), t0mas (26.01.2010), udgin69 (18.10.2009), VAM (18.07.2009), VKabanov (15.07.2009), VladHNet (09.12.2009), Анечка (20.07.2009), Володя Череп (17.07.2009), Кениец (16.07.2009), Руслан 71 (28.06.2011) |
17.07.2009, 01:02
|
#31
|
|
Бан за нарушения
Реєстрація: 06.11.2007
Звідки Ви: Донецк, зона АТО
Дописи: 19.780
сказав Дякую: 5.789
сказали Дякую 17.707 раз(и) в 6.926 повідомленні
|
Re: Дозатор удо (по следам Кенийца :)) ===www.aquaforum.ua===
Цитата:
Допис від boba88
Нет. Возвратом сопротивления в 0.
|
А ну понятно. Сделать схему управления такой штукой можно, но она будет посложнее данной, при чем гораздо посложнее.
Эта штука что-то типа сельсина. При движении штока меняется сопротивление и компаратор сравнивает его с внешним сопротивлением. Шток остановится, когда они равны.
__________________
[I][B][COLOR=blue]С уважением, Сергей Таранченко[/COLOR][/B][/I]
|
|
|
17.07.2009, 01:48
|
#32
|
|
Живу я тут. Мохоманьяк
Реєстрація: 12.03.2009
Звідки Ви: Житомир
Дописи: 3.663
сказав Дякую: 907
сказали Дякую 1.116 раз(и) в 764 повідомленні
|
Re: Дозатор удо (по следам Кенийца :)) ===www.aquaforum.ua===
Вот это действительно штука здорово сделанная. Я, как и arelav, давно присматриваюсь к конструкциям подачи УДО на форуме. По-моему - это одна из лучших. И по запчастям вроде не особо напряжно (в смысле найти).
Автору респект и уважуха, а также всем идейным вдохновителям и людям, чьи идеи воплощены или повторены в данном девайсе.
__________________ 
|
|
|
|
cказали "Дякую" kvn79 за цей допис:
|
|
17.07.2009, 10:15
|
#33
|
|
Активний участник форуму
Реєстрація: 27.03.2009
Звідки Ви: Latvija
Дописи: 189
сказав Дякую: 63
сказали Дякую 75 раз(и) в 41 повідомленні
|
Re: Дозатор удо (по следам Кенийца :)) ===www.aquaforum.ua===
Цитата:
Допис від Starcomputer
А ну понятно. Сделать схему управления такой штукой можно, но она будет посложнее данной, при чем гораздо посложнее.
Эта штука что-то типа сельсина. При движении штока меняется сопротивление и компаратор сравнивает его с внешним сопротивлением. Шток остановится, когда они равны.
|
Я с этой хреновиной экспериментировал - довольно неплохой вариант. Что мне не понравилось - вылет штока маловат. Схему можно простую сделать - вот эквивалентная, даже она работает. С нюансами, конечно.  Лучше на логических элементах.
|
|
|
|
cказали "Дякую" agorin за цей допис:
|
|
17.07.2009, 17:00
|
#34
|
|
Бан за нарушения
Реєстрація: 06.11.2007
Звідки Ви: Донецк, зона АТО
Дописи: 19.780
сказав Дякую: 5.789
сказали Дякую 17.707 раз(и) в 6.926 повідомленні
|
Re: Дозатор удо (по следам Кенийца :)) ===www.aquaforum.ua===
Цитата:
Допис від agorin
Что мне не понравилось - вылет штока маловат
|
Ну 15 мм на шприце 2,5 это как раз где-то 1 мл. 
__________________
[I][B][COLOR=blue]С уважением, Сергей Таранченко[/COLOR][/B][/I]
|
|
|
17.07.2009, 18:04
|
#35
|
|
Живу я тут
Реєстрація: 27.10.2008
Звідки Ви: Светловодск
Дописи: 115
сказав Дякую: 64
сказали Дякую 44 раз(и) в 28 повідомленні
|
Re: Дозатор удо (по следам Кенийца :)) ===www.aquaforum.ua===
НЕ ВЫДЕРЖАЛ 
Сейчас играюсь с такой штукой.Управление будет одна микруха К561ЛЕ5 + 2 транзистора и переменый резистор для регулировки поции.
__________________
0679616140
|
|
|
17.07.2009, 18:20
|
#36
|
|
Бан за нарушения
Реєстрація: 06.11.2007
Звідки Ви: Донецк, зона АТО
Дописи: 19.780
сказав Дякую: 5.789
сказали Дякую 17.707 раз(и) в 6.926 повідомленні
|
Re: Дозатор удо (по следам Кенийца :)) ===www.aquaforum.ua===
Цитата:
Допис від solvi
НЕ ВЫДЕРЖАЛ
|
Тема потихоньку перерастает в "Разработка дозатора УДО" 
__________________
[I][B][COLOR=blue]С уважением, Сергей Таранченко[/COLOR][/B][/I]
|
|
|
|
cказали "Дякую" Starcomputer за цей допис:
|
|
17.07.2009, 18:58
|
#37
|
|
Живу я тут
Реєстрація: 27.10.2008
Звідки Ви: Светловодск
Дописи: 115
сказав Дякую: 64
сказали Дякую 44 раз(и) в 28 повідомленні
|
Re: Дозатор удо (по следам Кенийца :)) ===www.aquaforum.ua===
Сергей в новом аквакомпе сразу нужно забить функцию управления дозатором УДО. 
__________________
0679616140
|
|
|
17.07.2009, 19:47
|
#38
|
|
Бан за нарушения
Реєстрація: 06.11.2007
Звідки Ви: Донецк, зона АТО
Дописи: 19.780
сказав Дякую: 5.789
сказали Дякую 17.707 раз(и) в 6.926 повідомленні
|
Re: Дозатор удо (по следам Кенийца :)) ===www.aquaforum.ua===
Цитата:
Допис від solvi
Сергей в новом аквакомпе сразу нужно забить функцию управления дозатором УДО. 
|
А там есть секундные таймеры  У меня этот и подключен через них.
А делать еще и схему управления не стоит, т.к. исполнительные устройства дозаторов разные у всех. 
__________________
[I][B][COLOR=blue]С уважением, Сергей Таранченко[/COLOR][/B][/I]
|
|
|
17.07.2009, 20:03
|
#39
|
|
Живу я тут
Реєстрація: 27.10.2008
Звідки Ви: Светловодск
Дописи: 115
сказав Дякую: 64
сказали Дякую 44 раз(и) в 28 повідомленні
|
Re: Дозатор удо (по следам Кенийца :)) ===www.aquaforum.ua===
Аесли разработать устройство на одной платформе допустим на томже ЭКФ.
Там очень просто можно организовать управление порцией 
__________________
0679616140
|
|
|
17.07.2009, 20:10
|
#40
|
|
Активний участник форуму
Реєстрація: 27.03.2009
Звідки Ви: Latvija
Дописи: 189
сказав Дякую: 63
сказали Дякую 75 раз(и) в 41 повідомленні
|
Re: Дозатор удо (по следам Кенийца :)) ===www.aquaforum.ua===
Цитата:
Допис від Starcomputer
Ну 15 мм на шприце 2,5 это как раз где-то 1 мл. 
|
Хе, если бы 15!... 7.5мм только получается. Хотя, думаю, от модели зависит - я фольксвагеновские тестил. Двигатель как-то сподручней - там длиной рычага можно ход поршня регулировать.
|
|
|
17.07.2009, 20:15
|
#41
|
|
Живу я тут
Реєстрація: 17.03.2008
Звідки Ви: Одесса
Дописи: 5.232
сказав Дякую: 2.111
сказали Дякую 3.391 раз(и) в 1.744 повідомленні
|
Re: Дозатор удо (по следам Кенийца :)) ===www.aquaforum.ua===
Цитата:
Допис від agorin
там длиной рычага можно ход поршня регулировать.
|
Да поставьте шприц 20мл. и получайте любую дозу! При ходе вашего штока 7мм, можно варьировать от 1 до 4 кубиков.
|
|
|
17.07.2009, 20:16
|
#42
|
|
Живу я тут
Реєстрація: 27.10.2008
Звідки Ви: Светловодск
Дописи: 115
сказав Дякую: 64
сказали Дякую 44 раз(и) в 28 повідомленні
|
Re: Дозатор удо (по следам Кенийца :)) ===www.aquaforum.ua===
Цитата:
Допис від agorin
Хе, если бы 15!... 7.5мм только получается. Хотя, думаю, от модели зависит - я фольксвагеновские тестил. Двигатель как-то сподручней - там длиной рычага можно ход поршня регулировать.
|
Поэтому я переделал мечанику свободно толкает 2 пяти кубовых шприца 
__________________
0679616140
|
|
|
17.07.2009, 20:17
|
#43
|
|
Бан за нарушения
Реєстрація: 06.11.2007
Звідки Ви: Донецк, зона АТО
Дописи: 19.780
сказав Дякую: 5.789
сказали Дякую 17.707 раз(и) в 6.926 повідомленні
|
Re: Дозатор удо (по следам Кенийца :)) ===www.aquaforum.ua===
Цитата:
Допис від solvi
Там очень просто можно организовать управление порцией
|
Да порцией управлять проще всего  Берем порцию 1 мл и впрыскиваем столько раз, сколько нужно 
__________________
[I][B][COLOR=blue]С уважением, Сергей Таранченко[/COLOR][/B][/I]
|
|
|
17.07.2009, 20:19
|
#44
|
|
Бан за нарушения
Реєстрація: 06.11.2007
Звідки Ви: Донецк, зона АТО
Дописи: 19.780
сказав Дякую: 5.789
сказали Дякую 17.707 раз(и) в 6.926 повідомленні
|
Re: Дозатор удо (по следам Кенийца :)) ===www.aquaforum.ua===
Цитата:
Допис від solvi
2 пяти кубовых шприца
|
Два мало. Надо:
- макро;
- микро;
- железо.
Что еще ?
__________________
[I][B][COLOR=blue]С уважением, Сергей Таранченко[/COLOR][/B][/I]
|
|
|
17.07.2009, 20:20
|
#45
|
|
Живу я тут
Реєстрація: 27.10.2008
Звідки Ви: Светловодск
Дописи: 115
сказав Дякую: 64
сказали Дякую 44 раз(и) в 28 повідомленні
|
Re: Дозатор удо (по следам Кенийца :)) ===www.aquaforum.ua===
Цитата:
Допис від Starcomputer
Да порцией управлять проще всего Берем порцию 1 мл и впрыскиваем столько раз, сколько нужно
|
Все 
__________________
0679616140
|
|
|
 |
|
|
Тут присутні: 1 (учасників - 0 , гостей - 1)
|
|
|
Ваші права у розділі
|
Ви не можете створювати теми
Ви не можете писати дописи
Ви не можете долучати файли
Ви не можете редагувати дописи
HTML код Вимк.
|
|
|
Часовий пояс GMT +3. Поточний час: 11:12.
|