 |
|
15.07.2009, 21:15
|
|
|
Дозатор удо (по следам Кенийца :))
Бан за нарушения
Реєстрація: 06.11.2007
Звідки Ви: Донецк, зона АТО
Дописи: 19.780
сказав Дякую: 5.789
сказали Дякую 17.707 раз(и) в 6.926 повідомленні

15.07.2009, 21:15
Рейтинг:
(1 голосов - 5,00 средняя оценка)
Продолжая развитие идеи Кенийца о дозаторе УДО на основе малооборотного двигателя ( http://aquaforum.kiev.ua/showthread.php?t=21187) решил и себе собрать сие чудо  и вот что получилось:
Сам дозатор:

Схема управления:

Двигатель взят от микроволновки, оптодатчик от какого-то принтера, но можно ставить любой похожий (от мыши). Как в принципе можно ставить и любой двигатель.
Правильно собранная схема наладки не требует. При применении другого датчика возможно придется подобрать R1. При применении двигателя с другим количеством оборотов ( у меня 2,5-3 об/мин) - R7.
Блок питания схемы сделан из зарядного от мобилки (коричневая платка  )
Приношу свои благодарности IgLa и Кенийцу за удачную идею 
__________________
[I][B][COLOR=blue]С уважением, Сергей Таранченко[/COLOR][/B][/I]
|
|
Переглядів: 121810
|
|
Ці 20 користувач(ів) сказали Дякую Starcomputer за це повідомлення:
|
all_himik (16.07.2009), cocon (15.07.2009), fail99 (25.08.2009), Fly (07.03.2010), kotiko (24.01.2010), kvn79 (17.07.2009), maxfortuna (21.03.2010), nickanya (17.10.2010), sae74 (16.07.2009), shurulya (08.03.2010), solvi (17.07.2009), t0mas (26.01.2010), udgin69 (18.10.2009), VAM (18.07.2009), VKabanov (15.07.2009), VladHNet (09.12.2009), Анечка (20.07.2009), Володя Череп (17.07.2009), Кениец (16.07.2009), Руслан 71 (28.06.2011) |
25.08.2009, 15:42
|
#76
|
|
Бан за нарушения
Реєстрація: 06.11.2007
Звідки Ви: Донецк, зона АТО
Дописи: 19.780
сказав Дякую: 5.789
сказали Дякую 17.707 раз(и) в 6.926 повідомленні
|
Re: Дозатор удо (по следам Кенийца :)) ===www.aquaforum.ua===
Цитата:
Допис від electronik
тоже не на каждой разборке найдеш.
|
На рынке. Я брал 25 грн. за новый.
__________________
[I][B][COLOR=blue]С уважением, Сергей Таранченко[/COLOR][/B][/I]
|
|
|
26.08.2009, 03:12
|
#77
|
|
Живу я тут. Мохоманьяк
Реєстрація: 12.03.2009
Звідки Ви: Житомир
Дописи: 3.663
сказав Дякую: 907
сказали Дякую 1.116 раз(и) в 764 повідомленні
|
Re: Дозатор удо (по следам Кенийца :)) ===www.aquaforum.ua===
Цитата:
Допис від Starcomputer
На рынке. Я брал 25 грн. за новый.
|
Это где ж такие рынки!!! Вот блин, у нас дешевле 50 нет, еще и поискать нужный придется. И не только мотора не найти, но и с другими запчастями проблема  Видно надо будет просить вас закупить деталей на несколько дозаторов и переслать в мой "любимый и чудный городок" 
__________________ 
|
|
|
24.01.2010, 08:25
|
#78
|
|
Горловский клуб аквариумистов
Реєстрація: 22.09.2009
Звідки Ви: Горловка
Дописи: 330
сказав Дякую: 277
сказали Дякую 138 раз(и) в 79 повідомленні
|
Re: Дозатор удо (по следам Кенийца :)) ===www.aquaforum.ua===
Starcomputer
У Вас мотор делает 3 оборота? Это обеспечивается таймером, который в акваконтроллере, или схемой управления?
Собрал себе подобный насос. Задача стоит включать на 1 цикл при включении света, свет включается два раза в день.
Может попроще какая схема есть? Нужна несколькосенкундная задержка.
От одного таймера планируется включать свет и насос, свет должен остаться гореть, а насос выключиться после, скажем, 30-ти секунд (1-2 оборота).
|
|
|
05.03.2010, 22:04
|
#79
|
|
Горловский клуб аквариумистов
Реєстрація: 22.09.2009
Звідки Ви: Горловка
Дописи: 330
сказав Дякую: 277
сказали Дякую 138 раз(и) в 79 повідомленні
|
Re: Дозатор удо (по следам Кенийца :)) ===www.aquaforum.ua===
Starcomputer
Проясните, пожалуйста, непонятливым.
Вот смотрю на плату и вижу:
1 микруха 16 ног. Это счётчик (или как там его) 74LS00
2 микрухи-это 555 и оптрон MOC3041
2 девайса дюже похожи на транзисторы. Ну один понятно-симистор BT139-600.
А вот второй-кто это такой? По схеме не наблюдаю... 
|
|
|
05.03.2010, 22:20
|
#80
|
|
Бан за нарушения
Реєстрація: 06.11.2007
Звідки Ви: Донецк, зона АТО
Дописи: 19.780
сказав Дякую: 5.789
сказали Дякую 17.707 раз(и) в 6.926 повідомленні
|
Re: Дозатор удо (по следам Кенийца :)) ===www.aquaforum.ua===
7405 - стабилизатор на 5 вольт. Блок питания от мобилки выдает 7 вольт 
__________________
[I][B][COLOR=blue]С уважением, Сергей Таранченко[/COLOR][/B][/I]
|
|
|
|
cказали "Дякую" Starcomputer за цей допис:
|
|
06.03.2010, 17:00
|
#81
|
|
Живу я тут
Реєстрація: 17.10.2005
Звідки Ви: Украина, Запорожье
Дописи: 3.608
сказав Дякую: 442
сказали Дякую 2.726 раз(и) в 1.235 повідомленні
|
Re: Дозатор удо (по следам Кенийца :)) ===www.aquaforum.ua===
а вариант с приводом от автомобильного замка не рассматривался? Там вроде цикл открыто/закрыто (вперед/назад) точно дозирован. Или с электромагнитом?
На первый взгляд должно быть проще....
__________________
[COLOR="Blue"][B]Людям свойственно исправлять одни ошибки на другие.
Решение двух мировых проблем одним махом - скормить бездомных голодающим [/B][/COLOR]
[URL="http://www.aquaforum.ua/blog.php?u=1872"][COLOR="Purple"][B]Добро пожаловать в Дневник - мои предложения и обо мне[/B][/COLOR][/URL]
|
|
|
06.03.2010, 20:16
|
#82
|
|
Бан за нарушения
Реєстрація: 06.11.2007
Звідки Ви: Донецк, зона АТО
Дописи: 19.780
сказав Дякую: 5.789
сказали Дякую 17.707 раз(и) в 6.926 повідомленні
|
Re: Дозатор удо (по следам Кенийца :)) ===www.aquaforum.ua===
Fly, поищите тему Vanessa, мне влом еще и модерам темы по форуму искать. 
__________________
[I][B][COLOR=blue]С уважением, Сергей Таранченко[/COLOR][/B][/I]
|
|
|
|
cказали "Дякую" Starcomputer за цей допис:
|
|
08.03.2010, 18:15
|
#83
|
|
Живу я тут
Реєстрація: 26.02.2009
Звідки Ви: Київ, Воскресенка
Дописи: 407
сказав Дякую: 249
сказали Дякую 210 раз(и) в 132 повідомленні
|
Re: Дозатор удо (по следам Кенийца :)) ===www.aquaforum.ua===
Хочу выразить огромную благодарность Сергею, за хорошо продуманый девайс для внесения удобрения. Легок в повторении, довольно простой, надежный с минимальными затратами на изготовление.

__________________
Не тратьте нервы на то, на что вы можете потратить деньги.
|
|
|
|
Ці 3 користувач(ів) сказали Дякую shurulya за це повідомлення:
|
|
09.03.2010, 09:56
|
#84
|
|
Горловский клуб аквариумистов
Реєстрація: 22.09.2009
Звідки Ви: Горловка
Дописи: 330
сказав Дякую: 277
сказали Дякую 138 раз(и) в 79 повідомленні
|
Re: Дозатор удо (по следам Кенийца :)) ===www.aquaforum.ua===
Господа, а как у Вас организована подача воздуха в емкости с УДО? Ведь по мере его расхода бутылка начнёт сжиматься.
Я воткнул в крышки бутылок толстые иголки от капельницы.
|
|
|
09.03.2010, 11:40
|
#85
|
|
Горловский клуб аквариумистов
Реєстрація: 23.11.2006
Звідки Ви: Gorlovka
Дописи: 401
сказав Дякую: 133
сказали Дякую 121 раз(и) в 88 повідомленні
|
Re: Дозатор удо (по следам Кенийца :)) ===www.aquaforum.ua===
Starcomputer,
вопрос по конденсатору С1 емкость 1 пикофарад или как?
спасибо
__________________
Аквариум + мощный нагреватель + сломаный терморегулятор = уха
и с травкой уже :)
Востаннє редагував nezvan: 09.03.2010 о 13:17..
|
|
|
09.03.2010, 15:04
|
#86
|
|
Живу я тут
Реєстрація: 26.02.2009
Звідки Ви: Київ, Воскресенка
Дописи: 407
сказав Дякую: 249
сказали Дякую 210 раз(и) в 132 повідомленні
|
Re: Дозатор удо (по следам Кенийца :)) ===www.aquaforum.ua===
Цитата:
Допис від kotiko
Господа, а как у Вас организована подача воздуха в емкости с УДО
|
Я вокруг трубки, котторая вставлена в бутылочку, оставил зазор для воздуха.
__________________
Не тратьте нервы на то, на что вы можете потратить деньги.
|
|
|
09.03.2010, 15:15
|
#87
|
|
Бан за нарушения
Реєстрація: 06.11.2007
Звідки Ви: Донецк, зона АТО
Дописи: 19.780
сказав Дякую: 5.789
сказали Дякую 17.707 раз(и) в 6.926 повідомленні
|
Re: Дозатор удо (по следам Кенийца :)) ===www.aquaforum.ua===
Цитата:
Допис від shurulya
Я вокруг трубки, котторая вставлена в бутылочку, оставил зазор для воздуха.
|
Аналогично.
Цитата:
Допис від nezvan
вопрос по конденсатору С1 емкость 1 пикофарад или как?
|
1 мкф
__________________
[I][B][COLOR=blue]С уважением, Сергей Таранченко[/COLOR][/B][/I]
|
|
|
11.03.2010, 23:26
|
#88
|
|
Придивляюся
Реєстрація: 08.02.2010
Звідки Ви: Одесса
Дописи: 44
сказав Дякую: 13
сказали Дякую 39 раз(и) в 24 повідомленні
|
Re: Дозатор удо (по следам Кенийца :)) ===www.aquaforum.ua===
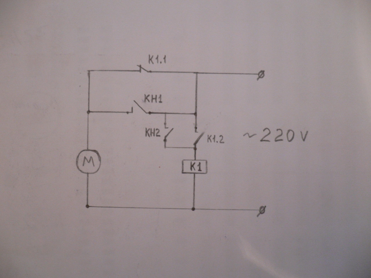
Всем добрый вечер! Вот тоже собрал дозатор УДО,всем большое спасибо за идею!
Эл.схему упростил-теперь все работает на одном реле и двух микриках.Работает вместе с включением света.
Востаннє редагував drei: 31.05.2010 о 10:44..
|
|
|
|
Ці 7 користувач(ів) сказали Дякую drei за це повідомлення:
|
|
12.03.2010, 13:48
|
#89
|
|
Горловский клуб аквариумистов
Реєстрація: 23.11.2006
Звідки Ви: Gorlovka
Дописи: 401
сказав Дякую: 133
сказали Дякую 121 раз(и) в 88 повідомленні
|
Re: Дозатор удо (по следам Кенийца :)) ===www.aquaforum.ua===
drei,
а что за реле?
__________________
Аквариум + мощный нагреватель + сломаный терморегулятор = уха
и с травкой уже :)
|
|
|
12.03.2010, 14:22
|
#90
|
|
Придивляюся
Реєстрація: 08.02.2010
Звідки Ви: Одесса
Дописи: 44
сказав Дякую: 13
сказали Дякую 39 раз(и) в 24 повідомленні
|
Re: Дозатор удо (по следам Кенийца :)) ===www.aquaforum.ua===
Цитата:
Допис від nezvan
drei,
а что за реле?
|
Обычное,малогабаритное,обмотка на 220V,два перекидных контакта.
|
|
|
 |
|
|
Тут присутні: 1 (учасників - 0 , гостей - 1)
|
|
|
Ваші права у розділі
|
Ви не можете створювати теми
Ви не можете писати дописи
Ви не можете долучати файли
Ви не можете редагувати дописи
HTML код Вимк.
|
|
|
Часовий пояс GMT +3. Поточний час: 17:52.
|