 |
29.12.2015, 11:50
|
#1
|
|
Придивляюся
Реєстрація: 15.08.2015
Звідки Ви: Каменец-Подольский
Дописи: 4
сказав Дякую: 1
сказали Дякую 1 раз(и) в 1 повідомленні
|
Как подключить 2 лампы на ЭПРА 4х18? ===www.aquaforum.ua===
имеется ЭПРА Оsram quicktronic T8 QTz8 4x18
нужно подключить на него 2 лампы
возможно ли?
заранее спасибо
Востаннє редагував ShurikHot: 29.12.2015 о 19:08..
|
|
|
30.12.2015, 17:20
|
#2
|
|
Живу я тут
Реєстрація: 26.01.2013
Звідки Ви: Бровары, Требухов
Дописи: 273
сказав Дякую: 78
сказали Дякую 95 раз(и) в 75 повідомленні
|
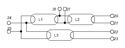
Re: Как подключить 2 лампы на ЭПРА 4х18? ===www.aquaforum.ua===
А почему невозможно?
У вас на схеме все довольно понятно нарисовано.
1-я лампа: +20-21 -26-27
2-я лампа: +22-23 -28-29
Подключение:24-25.
На сколько я понимаю)
Если неправильно написал - поправьте плз.
__________________
Контент-менеджер, продвижение в социальных сетях
__________________ 
|
|
|
27.01.2016, 12:50
|
#3
|
|
Придивляюся
Реєстрація: 15.08.2015
Звідки Ви: Каменец-Подольский
Дописи: 4
сказав Дякую: 1
сказали Дякую 1 раз(и) в 1 повідомленні
|
Re: Как подключить 2 лампы на ЭПРА 4х18? ===www.aquaforum.ua===
сам спросил, сам и отвечу 
подключать можно только попарно (2 или 4 лампы), 1 или 3 - ну никак 
схема подключения 2 ламп ниже
|
|
|
|
cказали "Дякую" ShurikHot за цей допис:
|
|
24.02.2016, 13:39
|
#4
|
|
Придивляюся
Реєстрація: 24.02.2016
Звідки Ви: Київ
Дописи: 31
сказав Дякую: 0
сказали Дякую 13 раз(и) в 9 повідомленні
|
Re: Как подключить 2 лампы на ЭПРА 4х18? ===www.aquaforum.ua===
Можно! Две, три или 4. А вот одну не получится, да и нет смысла)
Схему могу выложить чуть позже, как нарисую)
|
|
|
24.02.2016, 14:15
|
#5
|
|
Придивляюся
Реєстрація: 24.02.2016
Звідки Ви: Київ
Дописи: 31
сказав Дякую: 0
сказали Дякую 13 раз(и) в 9 повідомленні
|
Re: Как подключить 2 лампы на ЭПРА 4х18? ===www.aquaforum.ua===
|
|
|
|
Ці 3 користувач(ів) сказали Дякую ElectroDe за це повідомлення:
|
|
14.12.2016, 23:22
|
#6
|
|
Придивляюся
Реєстрація: 14.10.2007
Звідки Ви: Львов
Дописи: 52
сказав Дякую: 2
сказали Дякую 7 раз(и) в 6 повідомленні
|
Re: Как подключить 2 лампы на ЭПРА 4х18? ===www.aquaforum.ua===
простите что влажу в тему - купил себе такую Эпру - не совсем понимаю как подключить на нее 4 лампы (куда какой провод от лампы вести). я не сильно электрик, но в эпре эллектрума разобрался сам - а тут не понимаю в этой схеме.  подскажите пожалуйста, если не сложно.
Спасибо.
|
|
|
09.01.2017, 18:59
|
#7
|
|
Придивляюся
Реєстрація: 24.02.2016
Звідки Ви: Київ
Дописи: 31
сказав Дякую: 0
сказали Дякую 13 раз(и) в 9 повідомленні
|
Re: Как подключить 2 лампы на ЭПРА 4х18? ===www.aquaforum.ua===
Все просто: точки на схемі пронумеровані, підключаємо до клеми з таким самим номером
|
|
|
 |
|
Тут присутні: 1 (учасників - 0 , гостей - 1)
|
|
|
Ваші права у розділі
|
Ви не можете створювати теми
Ви не можете писати дописи
Ви не можете долучати файли
Ви не можете редагувати дописи
HTML код Вимк.
|
|
|
Часовий пояс GMT +3. Поточний час: 08:24.
|