 |
|
14.03.2009, 01:01
|
|
|
Изготовление акваконтроллера
Бан за нарушения
Реєстрація: 06.11.2007
Звідки Ви: Донецк, зона АТО
Дописи: 19.780
сказав Дякую: 5.789
сказали Дякую 17.707 раз(и) в 6.926 повідомленні

14.03.2009, 01:01
Рейтинг:
(28 голосов - 4,64 средняя оценка)
Данная тема является прямым продолжением темы Разработка акваконтроллера, созданной AlexThunder, за что ему огромное спасибо 
На данный момент разработка в целом закончена и благодарен всем, кто принимал участие в обсуждении и реализации проекта
С помощью Chack'а были заказаны и изготовлены печатные платы
 
И сейчас начнется наверно самый интересный этап - сборка и настройка
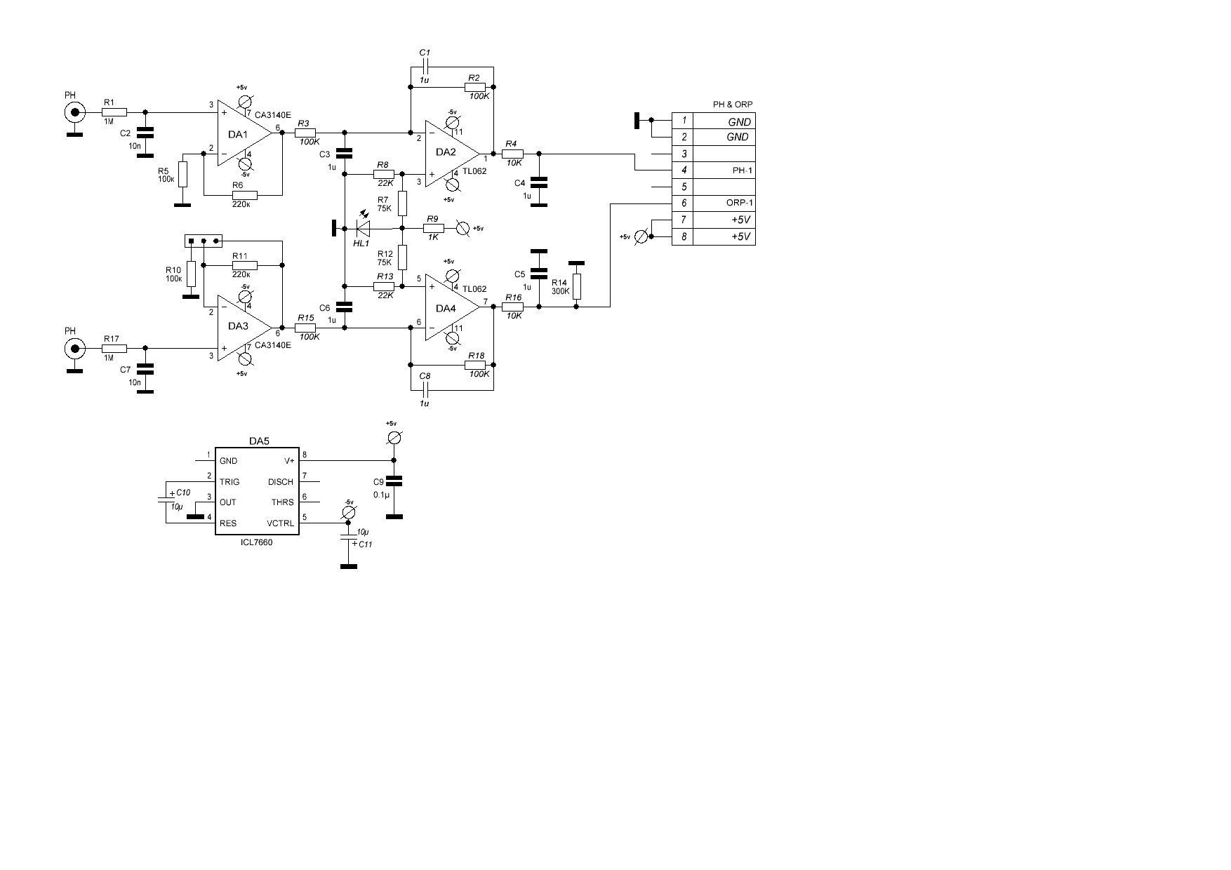
Схема, плата, прошивка находятся в архиве во вложении.
ИСХОДНИКОВ ПРОГРАММЫ НЕТ !!! ПРОШИВКУ ИЗМЕНИТЬ НЕЛЬЗЯ !!!
Необходимое программное обеспечение:
Схема - sPlan 6.0 (для версии 3 - 7.0)
Плата - Slayout 5.0 / 6.0
Внимание !!! В процессе сборки и наладки в схему могут быть внесены изменения ! Следите за обновлением архива !!!
...........
New_controller-2V1 - плата с косметическими правками и обозначением элементов.
Контроллер-V.3 - улучшенный вариант (симисторы в одну линию, питание +12V, два диммера, USB на борту, 4 усилителя, отдельный разъем для клавиатуры).
Version 3.1 SMD - версия 3 для СМД элементов.
Плата1V5smd - многоплатная версия от "Пупс" (контроллер + силовая часть + клавиатура + усилители + кулер для силовой части).
Контроллер V3 DIP - все нужное для сборки версии 3.0 DIP.
Firmware.rar - прошивки от Володя_Череп для нормальной работы с USB на ATTiny2313.
Прошивки.rar - архив прошивок:
ATmega_32 - стандартная прошивка
Atmega_32_EE - прошивка EEPROM
ATmega_32_9600 - скорость UART 9600
ATmega_32_PWM_244Hz - использование ШИМ для управления драйверами. Вход PWM LDD подключается непосредственно к выводу 13 или 14 ATmega.
Программирование fuse-битов:
При прошивке микроконтроллеров необходимо запрограммировать (записать 0) следующие fuse-биты:
- для ATmega32 - BOOTSZ0, BOOTSZ1, SPIEN
- для ATtiny2313 - CKSEL0, SUT0, BODLEVEL1, WDTON, SPIEN
- для ATtiny13 - SPIEN, CKDIV8, SUT0, CKSEL0 (данная микросхема используется для схемы регулировки венилятора)
Все остальные fuse-биты должны быть незапрограммированы (равны 1).
Uniprof:
Fuse-бит будет запрограммирован, если убрать галочку в соответствующем поле.
Fuse-бит будет незапрограммирован, если поставить галочку в соответствующем поле.
CodeVisionAVR:
Fuse-бит будет запрограммирован, если поставить галочку в соответствующем поле.
Fuse-бит будет незапрограммирован, если убрать галочку в соответствующем поле.
AVRDUDE:
ATmega: -U lfuse:w:0xff:m -U hfuse:w:0xd9:m
ATtiny2313: -U lfuse:w:0xee:m -U hfuse:w:0xcb:m -U efuse:w:0xff:m
ATtiny13: -U lfuse:w:0x6a:m -U hfuse:w:0xff:m
Мініатюри долучень
Долучені файли
 |
Контроллер.rar (423,9 КБ, 20105 переглядів) |
 |
AquaControl.rar (3,48 МБ, 19668 переглядів) |
 |
New_controller-2V1.rar (59,8 КБ, 16342 переглядів) |
 |
PL2303-USB.rar (2,03 МБ, 14142 переглядів) |
 |
Новый контроллер-3.rar (43,5 КБ, 15173 переглядів) |
 |
Плата для WH2004A.rar (278,0 КБ, 14458 переглядів) |
 |
USB.rar (219,9 КБ, 14026 переглядів) |
 |
Контроллер-V.3.zip (86,5 КБ, 15958 переглядів) |
 |
Version 3.1 SMD.zip (158,5 КБ, 15883 переглядів) |
 |
Полезная информация.pdf (306,9 КБ, 22159 переглядів) |
 |
Плата1v5smd.rar (165,9 КБ, 14035 переглядів) |
 |
Контроллер V3 DIP.zip (151,0 КБ, 16381 переглядів) |
 |
Firmware.rar (21,6 КБ, 13274 переглядів) |
 |
Aqua Control 2007 HELP.rar (172,4 КБ, 13510 переглядів) |
 |
THelper.rar (57,3 КБ, 12946 переглядів) |
 |
Прошивки.rar (68,0 КБ, 12022 переглядів) |
__________________
[I][B][COLOR=blue]С уважением, Сергей Таранченко[/COLOR][/B][/I]
Востаннє редагував Starcomputer: 19.04.2016 о 12:18..
Причина: Добавлен архив прошивок
|
|
Переглядів: 2367334
|
|
Ці 134 користувач(ів) сказали Дякую Starcomputer за це повідомлення:
|
+Максимус+ (31.08.2012), agorin (18.04.2009), aides (14.08.2013), AkaPain (07.02.2014), Aleksta (15.01.2012), ALEX77 (14.08.2009), AlexThunder (17.02.2010), alexv3 (10.04.2011), Alex_Ts (14.03.2009), Allcoholl (13.12.2009), ANTONENKO (02.04.2012), Antoxa106 (28.04.2013), AquaGomel (14.10.2010), arconas (05.02.2012), arik17 (12.10.2014), Ashatshem (09.02.2011), atom (17.05.2009), Baks (14.03.2009), BearIgor (23.03.2012), BELOUS (06.12.2011), biolog (21.11.2009), BlackAlex (14.03.2009), bmw (29.05.2009), bodom (25.05.2011), bonus78 (15.11.2009), Bosyak (19.01.2011), BpyH (29.01.2010), chack (14.03.2009), Cristal (15.06.2012), DEaD_MOPO3 (28.09.2011), Dimitr (12.02.2010), Dimker (15.06.2012), DiSan (25.12.2013), dolfik (05.01.2011), drv (31.08.2016), dubishe (21.12.2012), Dyshakz (14.02.2017), ersergey (14.04.2012), fylhttd (17.03.2009), gagari1 (13.02.2012), germanovitsh (01.11.2012), GrishaBGA (23.03.2009), Gutsik (17.07.2013), harn (04.07.2011), Heet (05.12.2009), iceSS (19.03.2009), igoritto (24.10.2010), IgorVin (10.02.2010), imac2008 (27.11.2010), iTango (08.08.2011), ivanaxion (31.08.2012), Kent (21.10.2010), kirilo777 (09.03.2012), klimnet (20.08.2012), klinok (05.09.2010), kluyt (17.08.2009), kollega-lg (21.04.2016), Koralove (24.10.2013), KostyaD (04.06.2009), kramar (14.03.2009), kusfu (28.09.2011), kvn79 (14.03.2009), Lexzx (24.03.2010), liss15 (14.10.2009), litlechina (05.05.2022), live steel (26.06.2012), lumen_xp (27.03.2012), LVit (27.11.2009), mact (14.05.2014), Makclaj (27.02.2011), masterross (11.12.2011), Mehannik (12.03.2015), MIhail (17.07.2011), myrko (15.04.2012), nbinc (12.05.2014), Nickname (25.06.2009), Nikolos667 (14.08.2011), Olzhich (18.03.2009), Oppozith (17.12.2012), Pastuh1234 (29.07.2012), pimass (15.03.2012), pulpit (21.11.2009), regiuscz (11.03.2011), rusianGrt (15.02.2010), rustr (20.09.2011), Ryzhii (10.04.2013), S V (10.01.2010), sae74 (15.02.2010), sergey_ln (28.02.2012), serjik2000 (03.07.2009), Sesh (31.05.2009), seva (19.01.2011), Shurhent (02.07.2011), Smile8 (28.09.2010), sobolev (21.09.2011), solvi (14.03.2009), sonokam (08.12.2011), sv46 (12.07.2011), Swen (15.06.2009), TakedaMaru (20.05.2013), telepuzic (22.02.2012), Tihon (04.01.2013), timofey (11.11.2009), Tiratore.d (08.11.2019), tolik_erema (04.03.2011), Ty3uK (22.03.2009), Umnik (13.01.2012), Uselink (10.02.2010), vad1972 (05.05.2010), Viktorrr (22.12.2012), vill (29.09.2010), Vitaha (26.11.2009), VitalyD (03.10.2010), VKabanov (29.04.2009), VladHNet (07.08.2009), VladVP (15.01.2012), _Vadim (11.02.2010), Амфибия (15.05.2009), Вася (14.07.2009), Володя Череп (14.03.2009), дух святой истины (16.03.2009), Ёжик в Тумане (28.02.2011), Зелёный (19.01.2012), Кениец (30.11.2009), Мираж (25.02.2012), Михаил. (14.07.2011), Молекула (04.04.2009), МСВ (19.02.2012), Пупс (20.07.2011), Рудницкий Олександр (18.01.2012), Снегозавр (20.02.2013), Шаманчик (27.10.2009), ЭКСПЕРИМЕНТАТОР (04.04.2009), Юрий Н. (17.08.2010) |
17.03.2012, 11:13
|
#3736
|
|
Живу я тут
Реєстрація: 19.10.2011
Звідки Ви: Одесса
Дописи: 120
сказав Дякую: 11
сказали Дякую 25 раз(и) в 15 повідомленні
|
Re: Изготовление акваконтроллера ===www.aquaforum.ua===
У меня плата усилка пришла в таком виде, где 3 и 5 контакты разъема вообще висят в воздухе (см. рисунок фрагмента печати) и соответствует такой схеме (см. приведенную в соответствие с фактом схему). Я уже, честно говоря запутался, где РН а где ORP.
|
|
|
17.03.2012, 11:23
|
#3737
|
|
Живу я тут
Реєстрація: 28.06.2003
Звідки Ви: Киев
Дописи: 757
сказав Дякую: 831
сказали Дякую 833 раз(и) в 397 повідомленні
|
Re: Изготовление акваконтроллера ===www.aquaforum.ua===
Цитата:
Допис від МСВ
Володя, в таком варианте можно использовать? А то, может я чего-то не то делаю? И еще, откуда на мониторе возникает индикация РН-2?
|
Да, можно. Вижу, что отрицательное напряжение понизилось до -4,36 В. А было -3,9 В. Кроме замены CA3140 Вы еще что изменили?
АТмега не знает, что подключено к ее входам, поэтому всегда показывает PH1, PH2, ORP1 и ORP2. Не надо обращать внимания на PH2, если к нему ничего не подключено. Чтобы не было случайной индикации можно задать для этого канала калибровочные коэффициенты K1=0, K2=0.
На фотографии Вашей платы запаяны компоненты для канала PH, но отсутствуют два выводных керамических конденсатора 0,1 uF по питанию +5 В и -5 В в середине платы. Эти конденсаторы на схеме не показаны, но для повышения стабильности работы усилителя их лучше запаять.
|
|
|
17.03.2012, 11:46
|
#3738
|
|
Живу я тут
Реєстрація: 28.06.2003
Звідки Ви: Киев
Дописи: 757
сказав Дякую: 831
сказали Дякую 833 раз(и) в 397 повідомленні
|
Re: Изготовление акваконтроллера ===www.aquaforum.ua===
Цитата:
Допис від МСВ
У меня плата усилка пришла в таком виде, где 3 и 5 контакты разъема вообще висят в воздухе (см. рисунок фрагмента печати)
|
Этот рисунок не соответствует Вашей фотографии: на рисунке одно из переходных отверстий расположено близко к 6-му выводу CA3140, а на фотографии - на заметно большем расстоянии от этого вывода (см. прилагаемое изображение).
У меня есть платы с таким расположением отверстий, как на Вашей фотографии, но на нижней стороне моих плат 3-й контакт разъема "PH & ORP" соединен с 4-м, а 5-й с 6-м.
Цитата:
Допис від МСВ
Я уже, честно говоря запутался, где РН а где ORP.
|
PH1 - 39-й вывод МК
ORP1 - 38-й вывод МК
PH2 - 37-й вывод МК
ORP2 - 36-й вывод МК
|
|
|
17.03.2012, 17:48
|
#3739
|
|
Живу я тут
Реєстрація: 19.10.2011
Звідки Ви: Одесса
Дописи: 120
сказав Дякую: 11
сказали Дякую 25 раз(и) в 15 повідомленні
|
Re: Изготовление акваконтроллера ===www.aquaforum.ua===
Володя, мы говорим о разных вещах. Вот, на еще более мелком фрагменте печати, обрати внимание на подведенные контакты печати к разъему. 3 и 5 ножки висят в воздухе. Это то, что у меня на плате. Прикладываю фото обратной стороны платы.
|
|
|
17.03.2012, 18:27
|
#3740
|
|
Живу я тут
Реєстрація: 19.10.2011
Звідки Ви: Одесса
Дописи: 120
сказав Дякую: 11
сказали Дякую 25 раз(и) в 15 повідомленні
|
Re: Изготовление акваконтроллера ===www.aquaforum.ua===
При замкнутом входе РН на 39 ножке Меги у меня 1 вольт. Это мало? Подать 0,4 вольта у меня нечем.
|
|
|
17.03.2012, 19:35
|
#3741
|
|
Живу я тут
Реєстрація: 28.06.2003
Звідки Ви: Киев
Дописи: 757
сказав Дякую: 831
сказали Дякую 833 раз(и) в 397 повідомленні
|
Re: Изготовление акваконтроллера ===www.aquaforum.ua===
Цитата:
Допис від МСВ
Прикладываю фото обратной стороны платы.
|
На фотографии есть следы срезания дорожек. Предполагаю, что Ваши платы были такими же, как и мои, но дорожки 3-4 и 5-6 были срезаны. Возможно, на производстве подумали, что это брак.
Вам необходимо сделать так, чтобы выход PH-канала усилителя был подключен к 39-му выводу АТмеги. Это можно сделать разными способами, например:
1) припаять с нижней стороны платы перемычки 3-4 и 5-6.
2) если на кабеле установлено однорядное гнездо BLS-5, то просто наденьте его на четные штыри разъема. Проверьте только, что выводы 1 и 2 соединены между собой (у меня они соединены дорожкой на верхней стороне платы; у Вас этой дорожки не видно, так как она находится под разъемом).
Цитата:
Допис від МСВ
При замкнутом входе РН на 39 ножке Меги у меня 1 вольт. Это мало? Подать 0,4 вольта у меня нечем.
|
Я полагаю, что Вы уже припаяли перемычку 3-4 или надели гнездо на четные штыри разъема "PH & ORP" платы усилителей, и теперь выход канала PH-1 подключен, как положено, к 39-му выводу АТмеги.
1 вольт будет на 39-м выводе в случае использования светодиода с падением напряжения 2,2 В. Если Вы запаяли желтый светодиод, то это нормально. В качестве второго проверочного напряжения Вам лучше взять не 0,4 В, а 0,3 В. Подать 0,3 В можно через делитель напряжения. Для этого возьмите резистор 100 Ом и резистор 1,5 кОм и соедините их последовательно. К свободному выводу резистора 1,5 кОм подключите +5 В, к свободному выводу резистора 100 Ом - землю. В точке соединения резисторов друг с другом будет 0,3 В. Если подать 0,3 В на центральный контакт BNC-разъема Вашей платы усилителей, и на 39-м выводе МК будет 0В, то усилитель работает нормально.
|
|
|
|
cказали "Дякую" Володя Череп за цей допис:
|
|
17.03.2012, 20:54
|
#3742
|
|
Живу я тут
Реєстрація: 19.10.2011
Звідки Ви: Одесса
Дописи: 120
сказав Дякую: 11
сказали Дякую 25 раз(и) в 15 повідомленні
|
Re: Изготовление акваконтроллера ===www.aquaforum.ua===
Светодиод стоит красный. При подаче через делитель 0,32 в на РН на 39 ножке Меги 0,16 вольт.
|
|
|
17.03.2012, 21:22
|
#3743
|
|
Модератор Винницкого клуба аквариумистов
Реєстрація: 22.05.2009
Звідки Ви: Варшава-Вишенка
Дописи: 12.801
сказав Дякую: 2.464
сказали Дякую 5.200 раз(и) в 3.381 повідомленні
|
Re: Изготовление акваконтроллера ===www.aquaforum.ua===
Володя Череп, Володя, а какое напряжение на выходе на аккумулятор должно быть?
__________________
Танцуют звезды и луна © Как там начало?
guns don't kill people, people kill people
[URL="http://www.aquaforum.ua/showthread.php?p=3238854#post3238854"][B][I][SIZE="4"][COLOR="Red"][FONT="Courier New"]Светодиоды Cree XT-E, термокомпаунд, драйвера Mean Well[/FONT][/COLOR][/SIZE][/I][/B][/URL]
__________________  
|
|
|
17.03.2012, 21:46
|
#3744
|
|
Живу я тут
Реєстрація: 28.06.2003
Звідки Ви: Киев
Дописи: 757
сказав Дякую: 831
сказали Дякую 833 раз(и) в 397 повідомленні
|
Re: Изготовление акваконтроллера ===www.aquaforum.ua===
МСВ, если при замыкании контактов BNC-разъема получается 1 В на выходе, а при подаче 0,3 В получается 0,16 В на выходе, то Ваш усилитель, скорей всего, работает. Небольшая разница между измеренным и ожидаемым напряжением может быть вызвана отличием фактических характеристик деталей от расчетных.
pimass, во время зарядки аккумулятора на 40-м выводе АТмеги должно быть не менее (Vcc - 0,8 В), где Vcc - это напряжение на 10-м выводе.
|
|
|
|
cказали "Дякую" Володя Череп за цей допис:
|
|
17.03.2012, 22:13
|
#3745
|
|
Придивляюся
Реєстрація: 11.02.2010
Звідки Ви: москва
Дописи: 3
сказав Дякую: 14
сказали Дякую 1 раз(и) в 1 повідомленні
|
Re: Изготовление акваконтроллера ===www.aquaforum.ua===
Цитата:
Допис від Starcomputer
Как впечатления от станции ? А то я себе думаю прикупить, только не знаю какую 
|
Оффтоп
|
|
|
|
cказали "Дякую" orthos за цей допис:
|
|
17.03.2012, 23:34
|
#3746
|
|
Живу я тут
Реєстрація: 19.10.2011
Звідки Ви: Одесса
Дописи: 120
сказав Дякую: 11
сказали Дякую 25 раз(и) в 15 повідомленні
|
Re: Изготовление акваконтроллера ===www.aquaforum.ua===
Предположил, что усилок работает и решил подключить щуп. Показания повергли меня в шок. Мало того, что они крайне не устойчивы и стабилизироваться не хотят, показания аж никак, даже приблизительно, не соответствуют значениям РН калибровочных растворов (6,86 и 4,01). Мало-мальски подождав стабилизации (хотя таковой нет - все время прыгает) повторил несколько раз процесс калибровки и получил вообще не суразную цифру РН=684 с тысячными поправочными коэффициентами. В итоге, получаю показания в аквасе РН=15,69. И все время прыгает от 12-13 до 16. Это лучший вариант на данный момент. Хотя точно знаю, что там РН=6,85.
|
|
|
18.03.2012, 10:16
|
#3747
|
|
Живу я тут
Реєстрація: 03.03.2010
Звідки Ви: Винница
Дописи: 577
сказав Дякую: 242
сказали Дякую 211 раз(и) в 139 повідомленні
|
Re: Изготовление акваконтроллера ===www.aquaforum.ua===
Ну вот и я наконец то начал собирать своего монстра. Пока что выглядит так.

__________________
...Как умирают кошки?- незаметно вдали от всех...
|
|
|
18.03.2012, 13:19
|
#3748
|
|
Живу я тут
Реєстрація: 28.06.2003
Звідки Ви: Киев
Дописи: 757
сказав Дякую: 831
сказали Дякую 833 раз(и) в 397 повідомленні
|
Re: Изготовление акваконтроллера ===www.aquaforum.ua===
МСВ, такое поведение может быть вызвано замыканием между контактной площадкой конденсатора 10 nF и защитной кольцевой дорожкой, подключенной ко 2-му выводу CA3140. Это замыкание не влияет на постоянный сигнал низкоимпедансного источника, поэтому не могло быть обнаружено во время предыдущей проверки.
Отключите питание, извлеките CA3140 из панельки и проверьте сопротивление между центральным контактом BNC-разъема и 2-м выводом панельки CA3140. Если будет 1 МОм, то замыкание есть, и его надо удалить. Осматривать надо обе стороны платы.
В противном случае замыкание отсутствует и можно предположить, что попался неисправный конденсатор 10 nF, либо его емкости недостаточно для эффективной фильтрации помех. Сначала включите питание контроллера, подключите pH-электрод к усилителю, погрузите электрод в аквариумную воду или в раствор с более-менее стабильным pH, и в настройках канала PH1 проверьте, что коэффициент K1 установлен в пределах 100-150, а коэффициент K2 увеличьте на несколько сотен - до тех пор пока вместо показаний PH1 вблизи значения 655.35 контроллер не начнет выдавать показания более 0.00. Понаблюдайте за показаниями PH1 и оцените их разброс. Затем все отключите, замените конденсатор 10 nF на керамический конденсатор 100 nF, и снова все включите. Если разброс показаний уменьшится, но будет более +/-0.02, то увеличьте емкость конденсатора 1 uF на выходе канала PH. Если нет SMD-конденсатора большей емкости, то можно рядом припаять еще один конденсатор такой же емкости.
Востаннє редагував Володя Череп: 18.03.2012 о 15:28..
|
|
|
18.03.2012, 13:55
|
#3749
|
|
Живу я тут
Реєстрація: 19.10.2011
Звідки Ви: Одесса
Дописи: 120
сказав Дякую: 11
сказали Дякую 25 раз(и) в 15 повідомленні
|
Re: Изготовление акваконтроллера ===www.aquaforum.ua===
Доброго дня всем листателям этой темы. По немногу буду описывать "проблемки настройки работы Акваконтроллера, дабы другие могли найти свои "проблемки". Вчера оставил пока в покое поиски РН и решил поближе начать знакомиться с программой Аква Контрол 2007. Открываю закладку "Установки МК" и там есть функция "Отключать нагрузку Линия (1-8) при срабатывании датчика уровня воды" Я этот датчик буду использовать как датчик протечки и задумал при этом отключать работу фильтра на линии 8. Выставил линию 8. Отдельно датчик проверял - работает контроллер, при попадании воды начинает издавать периодический сигнал (правда довольно тихий, но это наверняка нужно менять пищалку). Так вот, выставил я галочку в этой функции и отправил это дело в контроллер. Включился канал 8, а выключаться при попадании воды на датчик не хочет, хотя пищит! Вынимаю датчик из воды - пищать перестает. Однако, этот канал 8 я вообще теперь не могу отключить. Снял галочку - результат тот же. Только в ручном режиме и когда переходишь в "авто" он снова включается. Сброс РЕСЕТ не помогает. И чего делать не знаю. Канал 8 включен теперь постоянно.
|
|
|
18.03.2012, 14:23
|
#3750
|
|
Модератор Винницкого клуба аквариумистов
Реєстрація: 22.05.2009
Звідки Ви: Варшава-Вишенка
Дописи: 12.801
сказав Дякую: 2.464
сказали Дякую 5.200 раз(и) в 3.381 повідомленні
|
Re: Изготовление акваконтроллера ===www.aquaforum.ua===
Цитата:
Допис від МСВ
Так вот, выставил я галочку в этой функции и отправил это дело в контроллер.
|
А снять "птицу" и повторно отправить в контроллер пробовали?
__________________
Танцуют звезды и луна © Как там начало?
guns don't kill people, people kill people
[URL="http://www.aquaforum.ua/showthread.php?p=3238854#post3238854"][B][I][SIZE="4"][COLOR="Red"][FONT="Courier New"]Светодиоды Cree XT-E, термокомпаунд, драйвера Mean Well[/FONT][/COLOR][/SIZE][/I][/B][/URL]
__________________  
|
|
|
 |
|
|
Тут присутні: 1 (учасників - 0 , гостей - 1)
|
|
|
Ваші права у розділі
|
Ви не можете створювати теми
Ви не можете писати дописи
Ви не можете долучати файли
Ви не можете редагувати дописи
HTML код Вимк.
|
|
|
Часовий пояс GMT +3. Поточний час: 09:55.
|