 |
|
21.05.2011, 19:36
|
|
|
Мини акваконтроллер
Бан за нарушения
Реєстрація: 06.11.2007
Звідки Ви: Донецк, зона АТО
Дописи: 19.780
сказав Дякую: 5.789
сказали Дякую 17.707 раз(и) в 6.926 повідомленні

21.05.2011, 19:36
Рейтинг:
(3 голосов - 4,67 средняя оценка)
Начало данной темы положено здесь
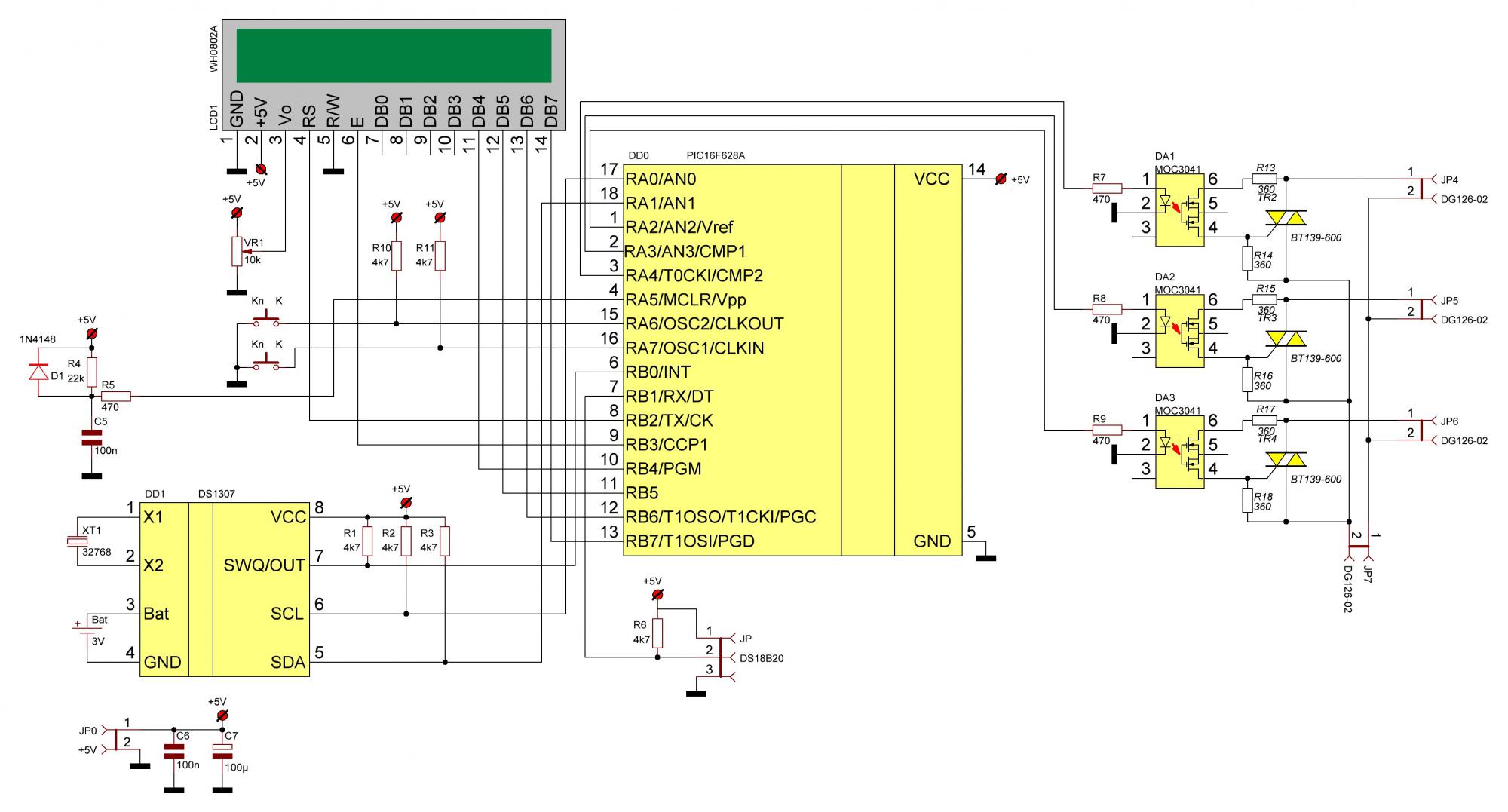
Аквариумный контроллер предназначен для точного измерения и поддержания заданной температуры аквариумной воды, а также для ступенчатого включения и выключения света, либо других нагрузок до 300 Вт.
Аквариумный контроллер оснащён микропроцессором PIC16F628A.
Экран:
- жидкокристаллический (2х8);
- подсветка экрана.
Две кнопки для настройки меню.
Часы реального времени DS1307.
Батарейка для непрерывного хода часов.
Энергонезависимая память данных.
Три выхода на 220 В (BT136-800E.127).
V 1.04:
Один выход на термостат.
Два выхода на таймер.
Четыре независимо настраиваемых таймера. По два таймера на каждый выход.
V 1.06:
Три выхода на таймер.
Шесть независимо настраиваемых таймеров. По два таймера на каждый выход.
Таймеры. Настройка включение и выключение в заданное время. Дискретность 15 мин.
Цифровой датчик температуры DS18B20:
- длина провода 1.30 м;
- гистерезис ± 0.2ºC (задержка между включением и выключением);
- цена деления 0.1ºC;
- погрешность ± 0.5ºC.
...................
Мне показалось, что контроллер, выставленный на продажу, вполне можно миниатюризировать и в дальнейшем использовать как самостоятельный модуль для встраивания в крышки и т.п.
Как ни крути, но при себестоимости такой игрушки до 200 грн это гораздо выгоднее, чем покупать три таймера по 200 грн 
Посидев немного над самой схемой, заменив все заменяемые элементы на SMD получил такую конструкцию (см. вложения).
Габариты платы вместе с силовой частью чуть больше габаритов дисплея (32х72 мм).
С удовольствием выслушаю все замечания, если их реально можно учесть. Также прошу по возможности проверить разводку платы.
.............................
Дальнейшие телодвижения (заказ плат и т.д.) возможны только в том случае, если автор оригинала поделиться прошивкой (или исходниками, что конечно лучше, т.к. на форуме есть специалисты по программированию PIC-контроллеров).
............................
ВНИМАНИЕ !!! Плата не тестировалась !!!
............................
Заказ на платы:
pdv1965 - 5
Daimos - 3
alexv3 - 3
alibom - 3
orthos - 2
Sokol_And - 5
41292 - 2
velotronik - 5
camsvar - 5
valentin - 5
alexdave - 3
Виталий - 2
kvn79 - 5
mact - 2
____________
Итого: 50
Мініатюри долучень
Долучені файли
__________________
[I][B][COLOR=blue]С уважением, Сергей Таранченко[/COLOR][/B][/I]
Востаннє редагував Starcomputer: 02.07.2011 о 09:32..
|
|
Переглядів: 315861
|
|
Ці 34 користувач(ів) сказали Дякую Starcomputer за це повідомлення:
|
41292 (21.05.2011), adel-dream (10.11.2011), alexv3 (31.05.2011), alibom (21.05.2011), Badyoruy (08.09.2011), BAYKAL (07.06.2011), Bonsh (22.05.2011), chack (28.05.2011), cj_zzz (06.04.2012), Daimos (06.07.2011), DIDJULES (16.04.2013), Dima_Migay (20.07.2012), doctor (30.05.2011), evrorub (30.05.2011), fail99 (22.07.2011), Kola1970 (27.02.2013), N_A_N (01.06.2011), pdv1965 (30.05.2011), pr_pavel (20.03.2014), Rybka (18.07.2012), safin395 (20.10.2013), sergeynim (30.05.2011), Smile8 (30.05.2011), Sokol_And (27.05.2011), sv46 (11.05.2013), valentin (22.05.2011), velotronik (22.08.2011), VKabanov (27.05.2011), Zen (30.12.2011), _Vadim (09.06.2011), Гавриил (28.11.2011), Игорь-1 (12.11.2014), Панк172 (26.08.2011), Серёга (Сумы) (14.07.2011) |
30.05.2011, 17:07
|
#31
|
|
Живу я тут
Реєстрація: 03.11.2010
Звідки Ви: Мариуполь
Дописи: 368
сказав Дякую: 10
сказали Дякую 140 раз(и) в 88 повідомленні
|
Re: Мини акваконтроллер ===www.aquaforum.ua===
Теперь по существу-МОС3041 на плате помоеме перевернуты?
|
|
|
30.05.2011, 17:40
|
#32
|
|
Бан за нарушения
Реєстрація: 06.11.2007
Звідки Ви: Донецк, зона АТО
Дописи: 19.780
сказав Дякую: 5.789
сказали Дякую 17.707 раз(и) в 6.926 повідомленні
|
Re: Мини акваконтроллер ===www.aquaforum.ua===
По моему нет.
__________________
[I][B][COLOR=blue]С уважением, Сергей Таранченко[/COLOR][/B][/I]
|
|
|
30.05.2011, 18:03
|
#33
|
|
Живу я тут
Реєстрація: 03.11.2010
Звідки Ви: Мариуполь
Дописи: 368
сказав Дякую: 10
сказали Дякую 140 раз(и) в 88 повідомленні
|
Re: Мини акваконтроллер ===www.aquaforum.ua===
Тогда получается что они впаяны со стороны дорожек.
|
|
|
30.05.2011, 18:05
|
#34
|
|
Живу я тут
Реєстрація: 17.09.2004
Звідки Ви: Киев, Троещина
Дописи: 14.486
сказав Дякую: 4.642
сказали Дякую 8.508 раз(и) в 4.382 повідомленні
|
Re: Мини акваконтроллер ===www.aquaforum.ua===
Цитата:
Допис від pdv1965
Тогда получается что они впаяны со стороны дорожек.
|
Угу. при двухсторонней плате это офигенно актуально

__________________
Страна не ублюдков и не воров.
__________________  
|
|
|
30.05.2011, 18:20
|
#35
|
|
Бан за нарушения
Реєстрація: 06.11.2007
Звідки Ви: Донецк, зона АТО
Дописи: 19.780
сказав Дякую: 5.789
сказали Дякую 17.707 раз(и) в 6.926 повідомленні
|
Re: Мини акваконтроллер ===www.aquaforum.ua===
Цитата:
Допис від pdv1965
Тогда получается что они впаяны со стороны дорожек.
|
pdv1965, это Вас разъем дисплея путает  Так дисплей к нам задом стоит. Вид на плату со стороны элементов.
Кстати кому интересно, плата с маской и металлизацией будет стоить до 10 грн, если от 50-ти штук.
Надо бы проверить в реале работу оптосимисторов в таком включении. Я его ни разу не пробовал, хотя в даташите такое есть.
Если будет работать нормально (выходной ток до 1 А) то можно и заказать платы.
__________________
[I][B][COLOR=blue]С уважением, Сергей Таранченко[/COLOR][/B][/I]
|
|
|
30.05.2011, 21:42
|
#36
|
|
Живу я тут
Реєстрація: 05.08.2010
Звідки Ви: .
Дописи: 132
сказав Дякую: 652
сказали Дякую 98 раз(и) в 31 повідомленні
|
Re: Мини акваконтроллер ===www.aquaforum.ua===
Цитата:
Допис від Starcomputer
Если поставить вместо PVN012PBF MOC3041 или MOC3083, то будет всего 126,72 грн, но тогда нагрузка на один канал будет не более 200 ватт (1 ампер).
|
Я подключал MOC304х по схеме даташита с дополнительным симистором http://www.8051projects.info/datasheets/moc3041.pdf , и все замечательно работает.
__________________
С уважением.
__________________ 
|
|
|
30.05.2011, 21:50
|
#37
|
|
Живу я тут
Реєстрація: 17.09.2004
Звідки Ви: Киев, Троещина
Дописи: 14.486
сказав Дякую: 4.642
сказали Дякую 8.508 раз(и) в 4.382 повідомленні
|
Re: Мини акваконтроллер ===www.aquaforum.ua===
alexv3, не проблема. Так и делается.
Тут вопрос в общих габаритах всего узла.
__________________
Страна не ублюдков и не воров.
__________________  
|
|
|
30.05.2011, 21:50
|
#38
|
|
Живу я тут
Реєстрація: 05.08.2010
Звідки Ви: .
Дописи: 132
сказав Дякую: 652
сказали Дякую 98 раз(и) в 31 повідомленні
|
Re: Мини акваконтроллер ===www.aquaforum.ua===
Цитата:
Допис від Starcomputer
Кстати кому интересно, плата с маской и металлизацией будет стоить до 10 грн, если от 50-ти штук.
|
Я бы поучаствовал в этом, но мне не нужно более двух, трех, и при условии подключения MOC304х и дополнительного симистора. Хотя, его можно будет подключить позже, отдельно.
__________________
С уважением.
__________________ 
Востаннє редагував alexv3: 30.05.2011 о 21:56..
|
|
|
30.05.2011, 22:21
|
#39
|
|
Бан за нарушения
Реєстрація: 06.11.2007
Звідки Ви: Донецк, зона АТО
Дописи: 19.780
сказав Дякую: 5.789
сказали Дякую 17.707 раз(и) в 6.926 повідомленні
|
Re: Мини акваконтроллер ===www.aquaforum.ua===
Если кто проверит работоспособность данной схемы включения МОС, то попробую договориться, чтобы сделали десяток плат для желающих.
Я допустим штук пять возьму.
__________________
[I][B][COLOR=blue]С уважением, Сергей Таранченко[/COLOR][/B][/I]
|
|
|
30.05.2011, 22:45
|
#40
|
|
Живу я тут
Реєстрація: 05.08.2010
Звідки Ви: .
Дописи: 132
сказав Дякую: 652
сказали Дякую 98 раз(и) в 31 повідомленні
|
Re: Мини акваконтроллер ===www.aquaforum.ua===
Хорошо завтра на работе попробую. 200 Вт будет достаточно? Или догнать до 1-го ампера?
__________________
С уважением.
__________________ 
|
|
|
30.05.2011, 23:22
|
#41
|
|
Бан за нарушения
Реєстрація: 06.11.2007
Звідки Ви: Донецк, зона АТО
Дописи: 19.780
сказав Дякую: 5.789
сказали Дякую 17.707 раз(и) в 6.926 повідомленні
|
Re: Мини акваконтроллер ===www.aquaforum.ua===
200 достаточно, этот контроллер отнюдь не расчитан на тонные аквариумы, но если не жалко МОСа, то можно нагрузить и до 1А. 
Ну и время, сколько он будет держать 200 ватт не нагреваясь сильно.
__________________
[I][B][COLOR=blue]С уважением, Сергей Таранченко[/COLOR][/B][/I]
|
|
|
31.05.2011, 00:15
|
#42
|
|
Живу я тут
Реєстрація: 17.09.2004
Звідки Ви: Киев, Троещина
Дописи: 14.486
сказав Дякую: 4.642
сказали Дякую 8.508 раз(и) в 4.382 повідомленні
|
Re: Мини акваконтроллер ===www.aquaforum.ua===
Цитата:
Допис від Starcomputer
но если не жалко МОСа, то можно нагрузить и до 1А. 
Ну и время, сколько он будет держать 200 ватт не нагреваясь сильно.
|
В импульсно-циклическом режиме-)))
Оффтоп
Во-сказанул 
__________________
Страна не ублюдков и не воров.
__________________  
|
|
|
31.05.2011, 09:55
|
#43
|
|
Живу я тут
Реєстрація: 05.08.2010
Звідки Ви: .
Дописи: 132
сказав Дякую: 652
сказали Дякую 98 раз(и) в 31 повідомленні
|
Re: Мини акваконтроллер ===www.aquaforum.ua===
Цитата:
Допис від alexv3
Хорошо завтра на работе попробую. 200 Вт будет достаточно? Или догнать до 1-го ампера?
|
Извините, погорячился. Написал читая:
Цитата:
Допис від Starcomputer
Если поставить вместо PVN012PBF MOC3041 или MOC3083, то будет всего 126,72 грн, но тогда нагрузка на один канал будет не более 200 ватт (1 ампер).
|
Но придя на работу, внимательно прочитал даташит, где написано постоянный прямой ток=60mA и обратным напряжением =6 вольт, а кратковременный до 100 µs да = 1А. Так что ни о каких 200Вт даже говорить не приходится. И мне не столько стало жалко МОСа, я не вижу смысла заведомо его спалить. Но я так же не вижу проблем в использовании силового симистора. Если не размещать на плате, для компактности, можно разместить в розетке. Какие проблемы?
__________________
С уважением.
__________________ 
|
|
|
31.05.2011, 10:02
|
#44
|
|
Бан за нарушения
Реєстрація: 06.11.2007
Звідки Ви: Донецк, зона АТО
Дописи: 19.780
сказав Дякую: 5.789
сказали Дякую 17.707 раз(и) в 6.926 повідомленні
|
Re: Мини акваконтроллер ===www.aquaforum.ua===
Цитата:
Допис від alexv3
Если не размещать на плате, для компактности, можно разместить в розетке.
|
Задумывалось как девайс, встраиваемый в крышку, т.е. розеток нет вообще.
Надо увеличивать плату по длине.
__________________
[I][B][COLOR=blue]С уважением, Сергей Таранченко[/COLOR][/B][/I]
|
|
|
31.05.2011, 10:12
|
#45
|
|
Живу я тут
Реєстрація: 05.08.2010
Звідки Ви: .
Дописи: 132
сказав Дякую: 652
сказали Дякую 98 раз(и) в 31 повідомленні
|
Re: Мини акваконтроллер ===www.aquaforum.ua===
Цитата:
Допис від Starcomputer
т.е. розеток нет вообще.
|
Как без розеток? Обрезать вилку на нагревателе? Даже если без розеток, свет к примеру ЛЛ, внутри пускателей вполне поместятся, или рядом (коммутационный блок). Коробкой больше, коробкой меньше.
__________________
С уважением.
__________________ 
|
|
|
 |
|
|
Тут присутні: 1 (учасників - 0 , гостей - 1)
|
|
|
Ваші права у розділі
|
Ви не можете створювати теми
Ви не можете писати дописи
Ви не можете долучати файли
Ви не можете редагувати дописи
HTML код Вимк.
|
|
|
Часовий пояс GMT +3. Поточний час: 01:03.
|