 |
10.06.2007, 12:35
|
#1
|
|
Термореле надо
Живу я тут
Реєстрація: 19.01.2006
Звідки Ви: Киев
Дописи: 3.951
сказав Дякую: 1.011
сказали Дякую 1.080 раз(и) в 573 повідомленні

10.06.2007, 12:35
Рейтинг:
()
Народ, кто чего посоветует? Может есть что то подходящее в мастеркит? Буду ставить донный обогреватель, а реле к нему 150 грн стоит, жаба душит. Как бы выкрутится
|
|
Переглядів: 5258
|
10.06.2007, 13:11
|
#2
|
|
Живу я тут
Реєстрація: 17.03.2007
Звідки Ви: Луганск
Дописи: 4.256
сказав Дякую: 3.455
сказали Дякую 4.890 раз(и) в 1.749 повідомленні
|
Ответ: Термореле надо ===www.aquaforum.ua===
Вариантов два:
1. Стырить.
2. Купить обычный терморегулятор и расковырять его. Там есть такое.
|
|
|
|
cказали "Дякую" тим 16 за цей допис:
|
|
10.06.2007, 14:36
|
#3
|
|
Живу я тут
Реєстрація: 10.10.2005
Звідки Ви: Киев
Дописи: 10.118
сказав Дякую: 11.375
сказали Дякую 9.053 раз(и) в 4.067 повідомленні
|
Відповідь: Термореле надо ===www.aquaforum.ua===
Зачем ковырять? Купить дешевый и маленький нагреватель и использовать как ключ на реле, которое будет включать ваш донник.
|
|
|
10.06.2007, 14:38
|
#4
|
|
Живу я тут
Реєстрація: 19.01.2006
Звідки Ви: Киев
Дописи: 3.951
сказав Дякую: 1.011
сказали Дякую 1.080 раз(и) в 573 повідомленні
|
Ответ: Відповідь: Термореле надо ===www.aquaforum.ua===
Цитата:
Допис від Mykhaylo
Зачем ковырять? Купить дешевый и маленький нагреватель и использовать как ключ на реле, которое будет включать ваш донник.
|
с этого места подробнее. есть пачка атманов разной мощности. КАк присовокупить? последовательно с нагревателем реле?
|
|
|
10.06.2007, 14:50
|
#5
|
|
Живу я тут
Реєстрація: 10.10.2005
Звідки Ви: Киев
Дописи: 10.118
сказав Дякую: 11.375
сказали Дякую 9.053 раз(и) в 4.067 повідомленні
|
Відповідь: Термореле надо ===www.aquaforum.ua===
Спросите у наших электронщиков (vanessa и др), я в современных реле не очень.
Принцип - у реле есть управляющая обмотка, когда на нее подается ток она размыкает или замыкает группу силовых контактов, которые и включают нагрузку. Вот в разрыв этой обмотки и нужно поставить нагреватель.
|
|
|
11.06.2007, 13:26
|
#6
|
|
Живу я тут
Реєстрація: 13.01.2004
Звідки Ви: Киев
Дописи: 80
сказав Дякую: 0
сказали Дякую 43 раз(и) в 22 повідомленні
|
Ответ: Термореле надо ===www.aquaforum.ua===
Цитата:
Допис від BlackAlex
Народ, кто чего посоветует? Может есть что то подходящее в мастеркит? Буду ставить донный обогреватель, а реле к нему 150 грн стоит, жаба душит. Как бы выкрутится
|
У мастеркита есть набор , номер не помню  , регулятор мощности/терморегулятор , но хотят за него около 100грн  Покупка запчастей на кардачах для трех таких-же устройств обошлась мне в 20 грн. (без плат конечно) . Я как-то на птичке прикупил самодельный терморегулятор , работает без проблем , торгует Геннадий (в ветке про Киевскую птичку есть его фото) , у него малави/танганьика в банке , а над ней висят черненькие коробочки - эт те самые терморегулятры и есть .
Заплатил за тот, что до 200W, кажется 45 гривень ...
__________________  
|
|
|
11.06.2007, 13:46
|
#7
|
|
Живу я тут
Реєстрація: 20.02.2005
Звідки Ви: Вишгород
Дописи: 1.202
сказав Дякую: 142
сказали Дякую 344 раз(и) в 199 повідомленні
|
Відповідь: Термореле надо ===www.aquaforum.ua===
Цитата:
Допис від Mykhaylo
Спросите у наших электронщиков (vanessa и др)
|
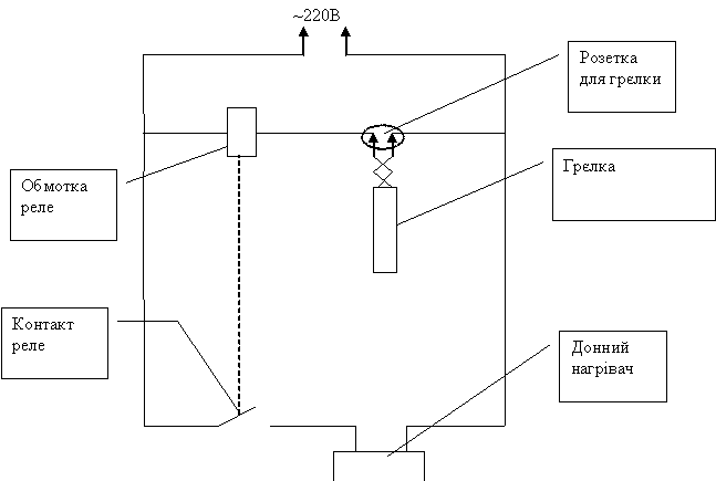
1. Заміряти для струм грелки.
2. підібрати реле із таким-же струмом спрацювання на напругу обмотки 12-20В.
3. Включити обмотку реле послідовно з грєлкою.
4. нормально розімкнуті контакти грєлки включити в розрив провода живлення донного підігрівача.
Вообщим приблизно так, як на схемі.
|
|
|
|
cказали "Дякую" vanessa за цей допис:
|
|
11.06.2007, 15:03
|
#8
|
|
Живу я тут
Реєстрація: 19.01.2006
Звідки Ви: Киев
Дописи: 3.951
сказав Дякую: 1.011
сказали Дякую 1.080 раз(и) в 573 повідомленні
|
Ответ: Термореле надо ===www.aquaforum.ua===
Цитата:
Допис від Boris_Sh
Я как-то на птичке прикупил самодельный терморегулятор , работает без проблем , торгует Геннадий (в ветке про Киевскую птичку есть его фото) , у него малави/танганьика в банке , а над ней висят черненькие коробочки - эт те самые терморегулятры и есть .
Заплатил за тот, что до 200W, кажется 45 гривень ...
|
у Геннадия реле калибровано? что в качестве термоэлемента? про схему что то известно?
|
|
|
12.06.2007, 11:13
|
#9
|
|
Придивляюся
Реєстрація: 12.06.2007
Звідки Ви: Бельгия
Дописи: 6
сказав Дякую: 0
сказали Дякую 1 раз(и) в 1 повідомленні
|
Ответ: Термореле надо ===www.aquaforum.ua===
Ребята читайте сдесь на мастер кит
есть схема деталей мало ,собрать сможет даже ребенок 
|
|
|
12.06.2007, 12:28
|
#10
|
|
Живу я тут
Реєстрація: 13.01.2004
Звідки Ви: Киев
Дописи: 80
сказав Дякую: 0
сказали Дякую 43 раз(и) в 22 повідомленні
|
Ответ: Термореле надо ===www.aquaforum.ua===
Цитата:
Допис від BlackAlex
у Геннадия реле калибровано? что в качестве термоэлемента? про схему что то известно?
|
Нет , не калибровано , температуру выставлял по внешнему термометру , но за 2 зимы регулятор не трогал , как один раз выставил 26 градусов , так и работает ...
Что за термоэлемент не скажу , не разбирал ...
__________________  
|
|
|
12.06.2007, 13:00
|
#11
|
|
Живу я тут
Реєстрація: 19.01.2006
Звідки Ви: Киев
Дописи: 3.951
сказав Дякую: 1.011
сказали Дякую 1.080 раз(и) в 573 повідомленні
|
Ответ: Термореле надо ===www.aquaforum.ua===
Цитата:
Допис від ZiX
Ребята читайте сдесь на мастер кит
есть схема деталей мало ,собрать сможет даже ребенок 
|
говняная схема, из журнала мастерок, лохматого года. у терморезистора практиче ки отстутствует линейность сопративления. Кроме того - к ней еще нужен будет блок питания, реле...
|
|
|
 |
|
Тут присутні: 1 (учасників - 0 , гостей - 1)
|
|
|
Ваші права у розділі
|
Ви не можете створювати теми
Ви не можете писати дописи
Ви не можете долучати файли
Ви не можете редагувати дописи
HTML код Вимк.
|
|
|
Часовий пояс GMT +3. Поточний час: 17:50.
|